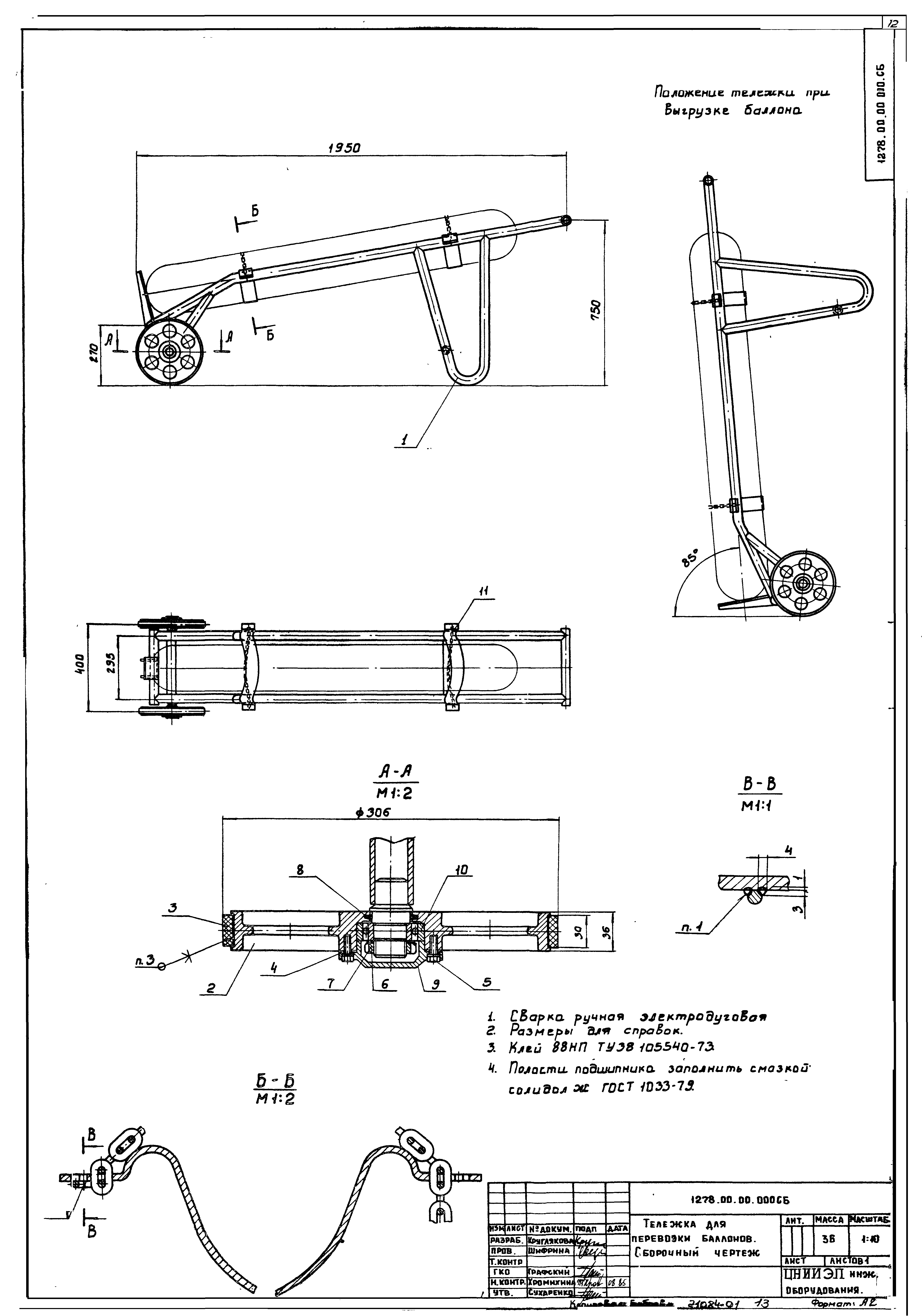
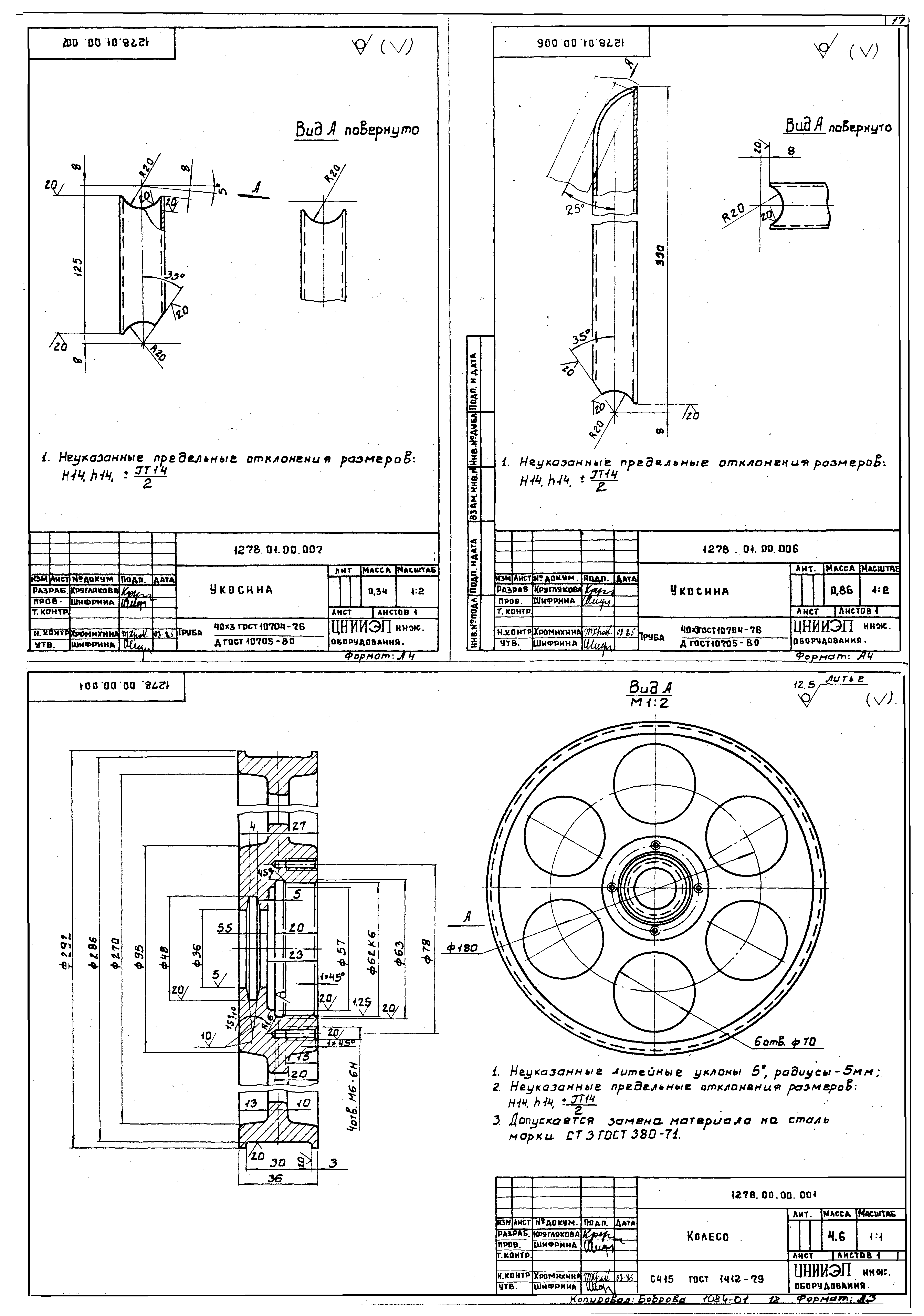
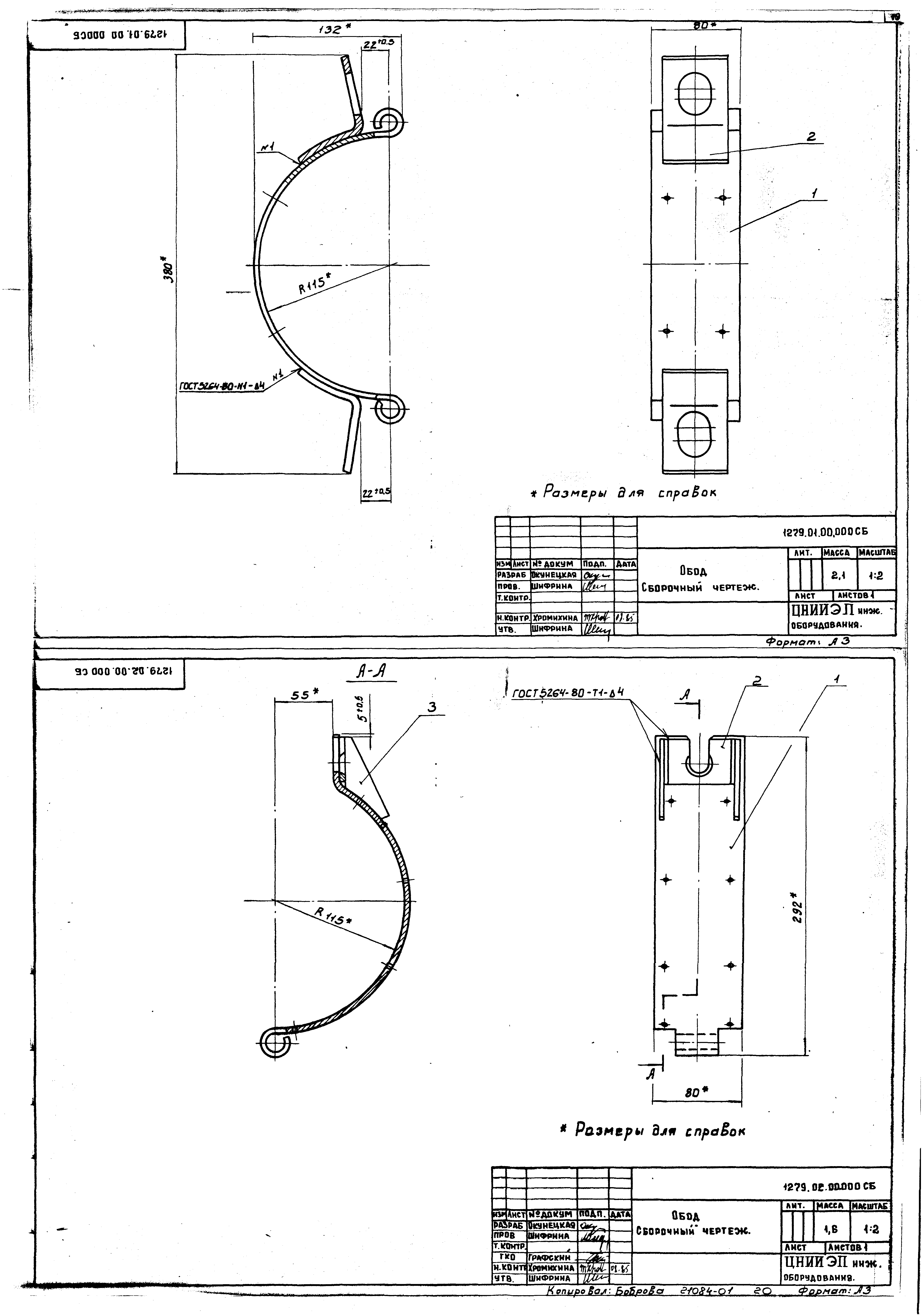
Скачать Серия 7.901-5 Выпуск 1. Альбом I. Оборудование хлораторной производительностью 2 кг товарного хлора в час. Рабочие чертежиДата актуализации: 01.01.2021
|
| Обозначение: | Серия 7.901-5 |
| Обозначение англ: | Series 7.901-5 |
| Статус: | не определен законодательством |
| Название рус.: | Выпуск 1. Альбом I. Оборудование хлораторной производительностью 2 кг товарного хлора в час. Рабочие чертежи |
| Дата добавления в базу: | 01.09.2013 |
| Дата актуализации: | 01.01.2021 |
| Дата введения: | 10.02.1986 |
| Дата окончания срока действия: | 30.06.2003 |
| Разработан: | ЦНИИЭП инженерного оборудования |
| Утверждён: | 04.02.1986 Госгражданстрой (Gosgrazhdanstroy 39) |




























