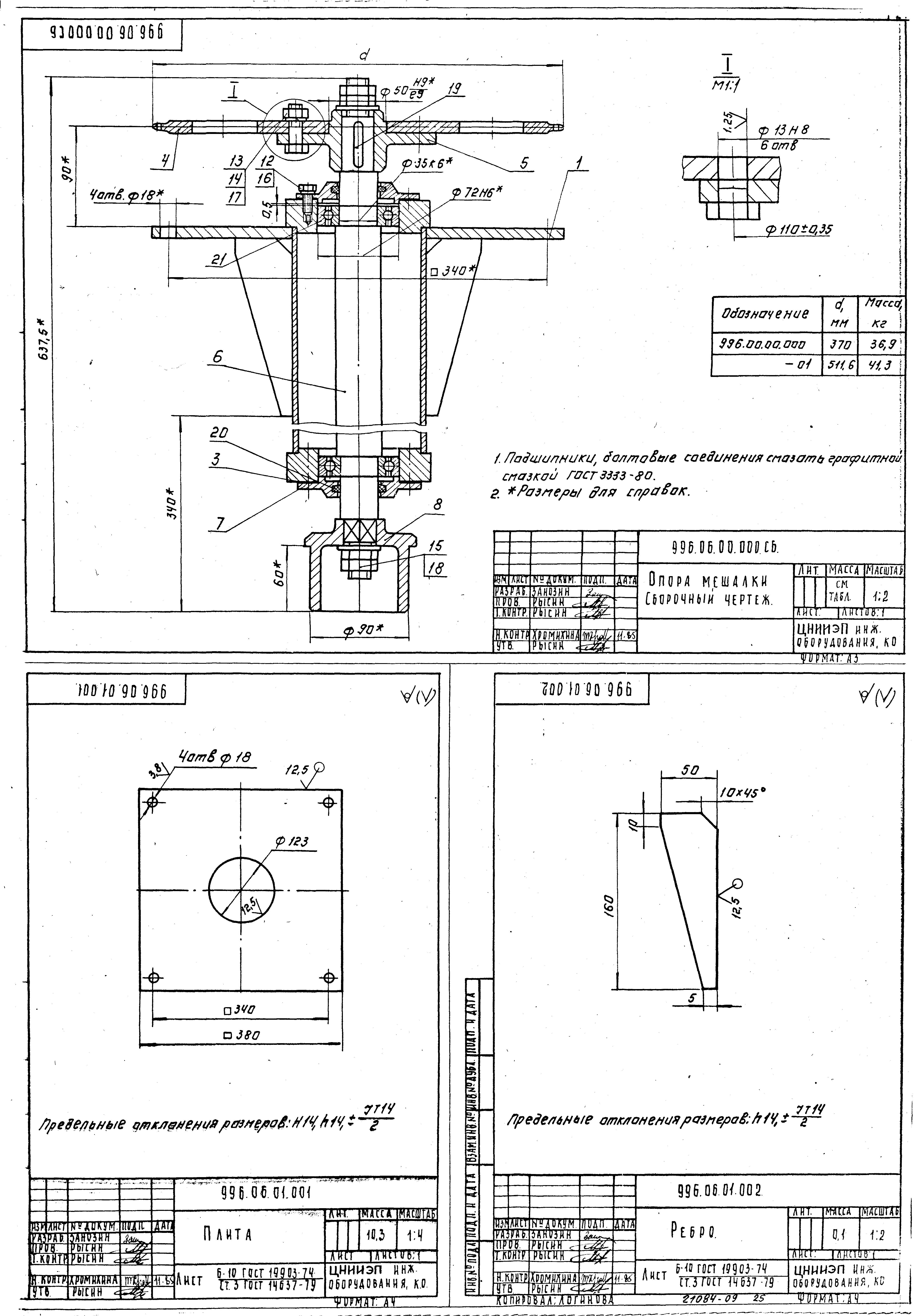
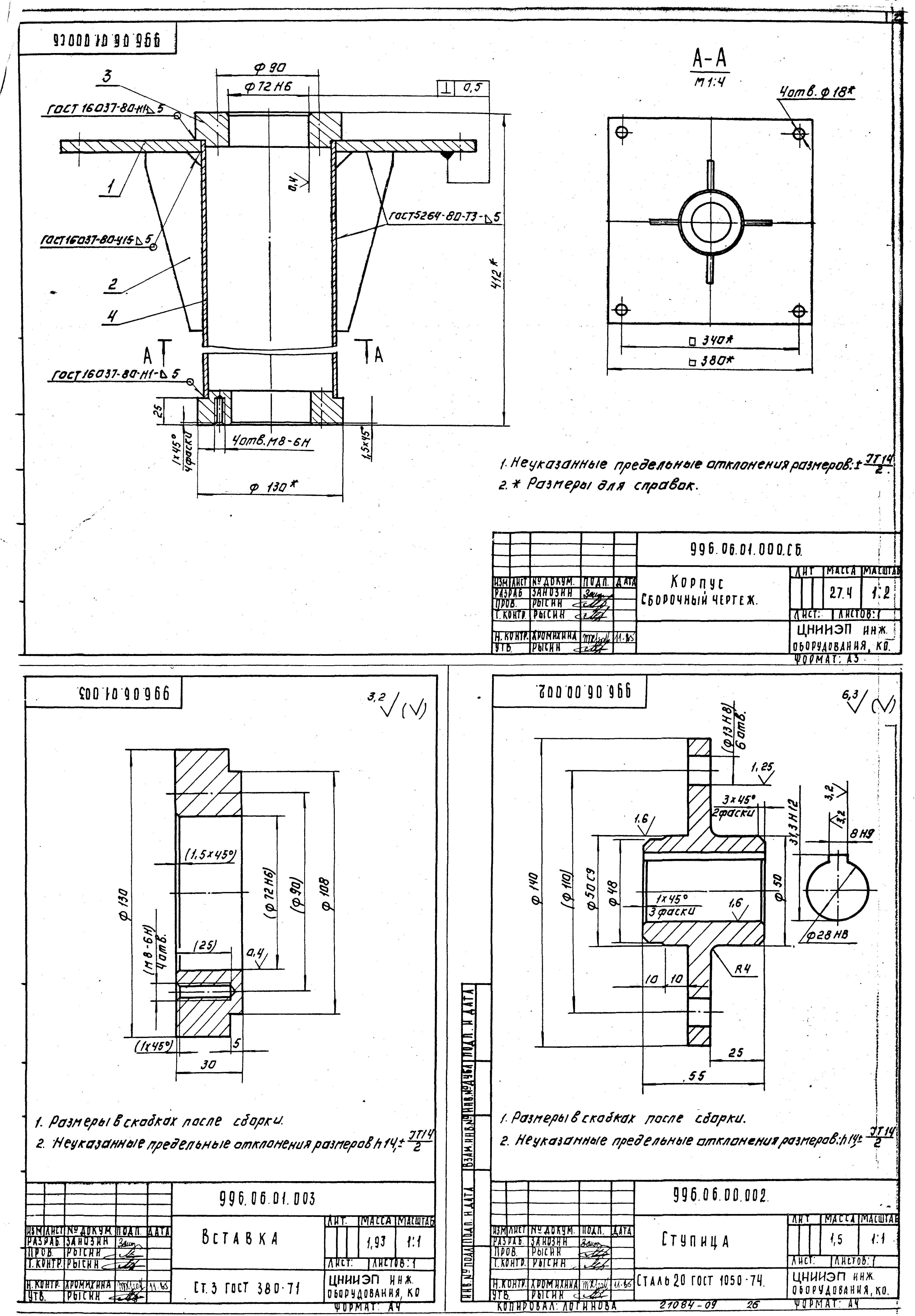
Скачать Серия 7.901-5 Выпуск 5. Мешалки тихоходные Д 1,9; 2,5; 2,6 м. Рабочие чертежиДата актуализации: 01.01.2021 Серия 7.901-5
Выпуск 5. Мешалки тихоходные Д 1,9; 2,5; 2,6 м. Рабочие чертежи| Обозначение: | Серия 7.901-5 | | Обозначение англ: | Series 7.901-5 | | Статус: | не определен законодательством | | Название рус.: | Выпуск 5. Мешалки тихоходные Д 1,9; 2,5; 2,6 м. Рабочие чертежи | | Дата добавления в базу: | 01.09.2013 | | Дата актуализации: | 01.01.2021 | | Дата введения: | 10.02.1986 | | Дата окончания срока действия: | 30.06.2003 | | Разработан: | ЦНИИЭП инженерного оборудования
| | Утверждён: | 04.02.1986 Госгражданстрой (Gosgrazhdanstroy 39)
|
                                             
|