Скачать Серия 3.904-23 Дополнение 1. Рабочие чертежиДата актуализации: 01.01.2021
|
| Обозначение: | Серия 3.904-23 |
| Обозначение англ: | Series 3.904-23 |
| Статус: | не определен законодательством |
| Название рус.: | Дополнение 1. Рабочие чертежи |
| Дата добавления в базу: | 01.10.2014 |
| Дата актуализации: | 01.01.2021 |
| Дата введения: | 20.10.1987 |
| Дата окончания срока действия: | 30.06.2003 |
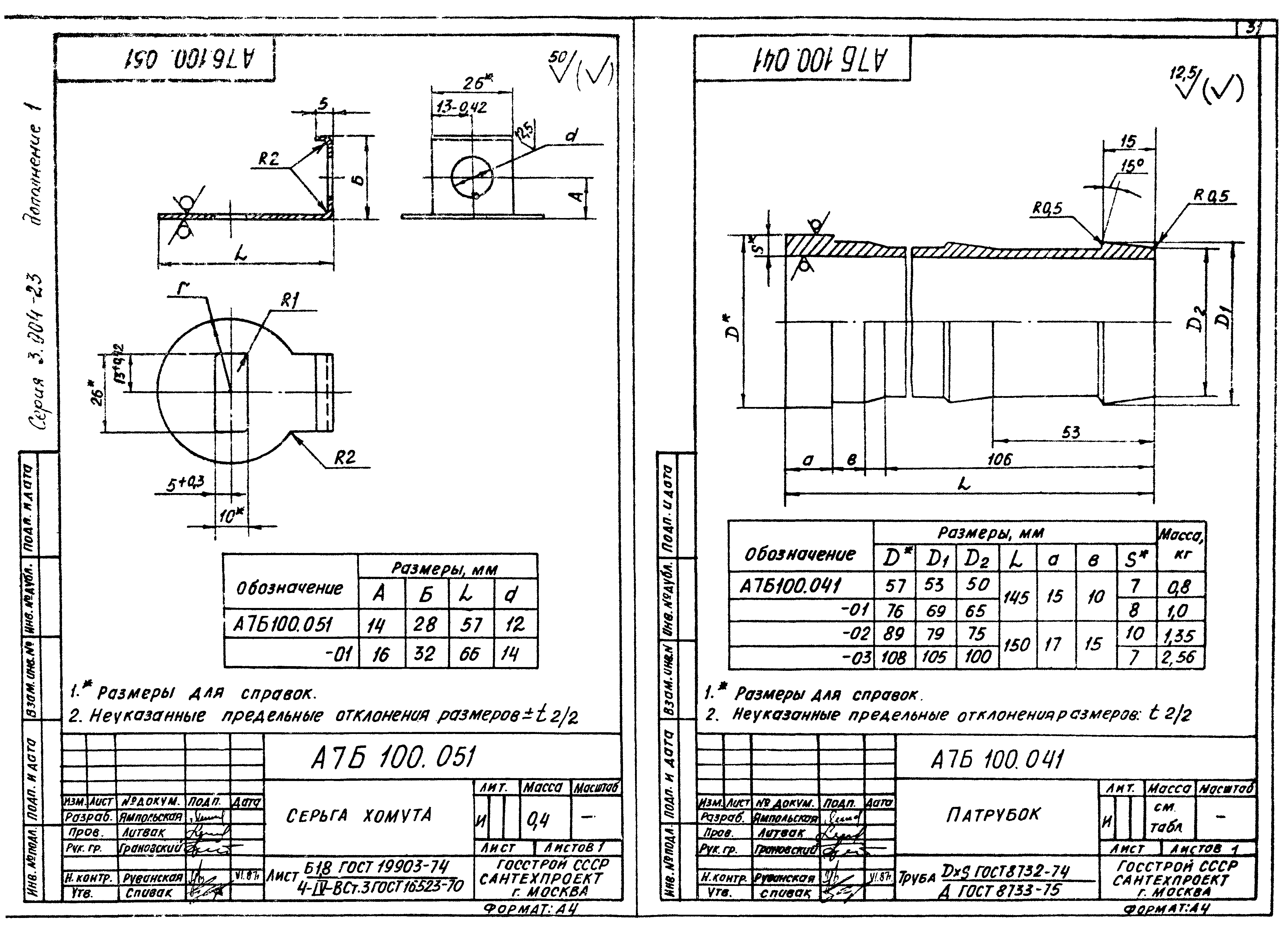
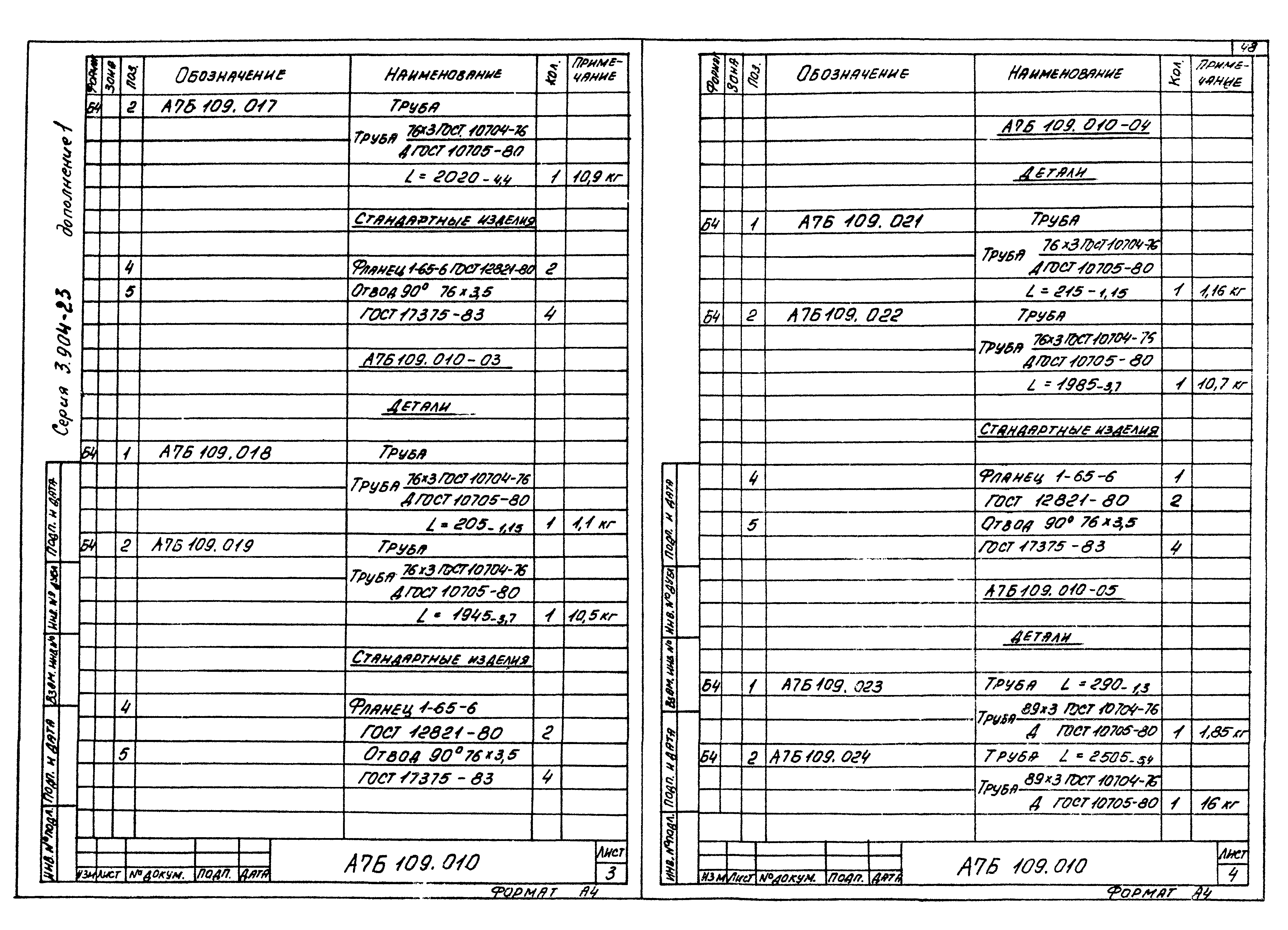
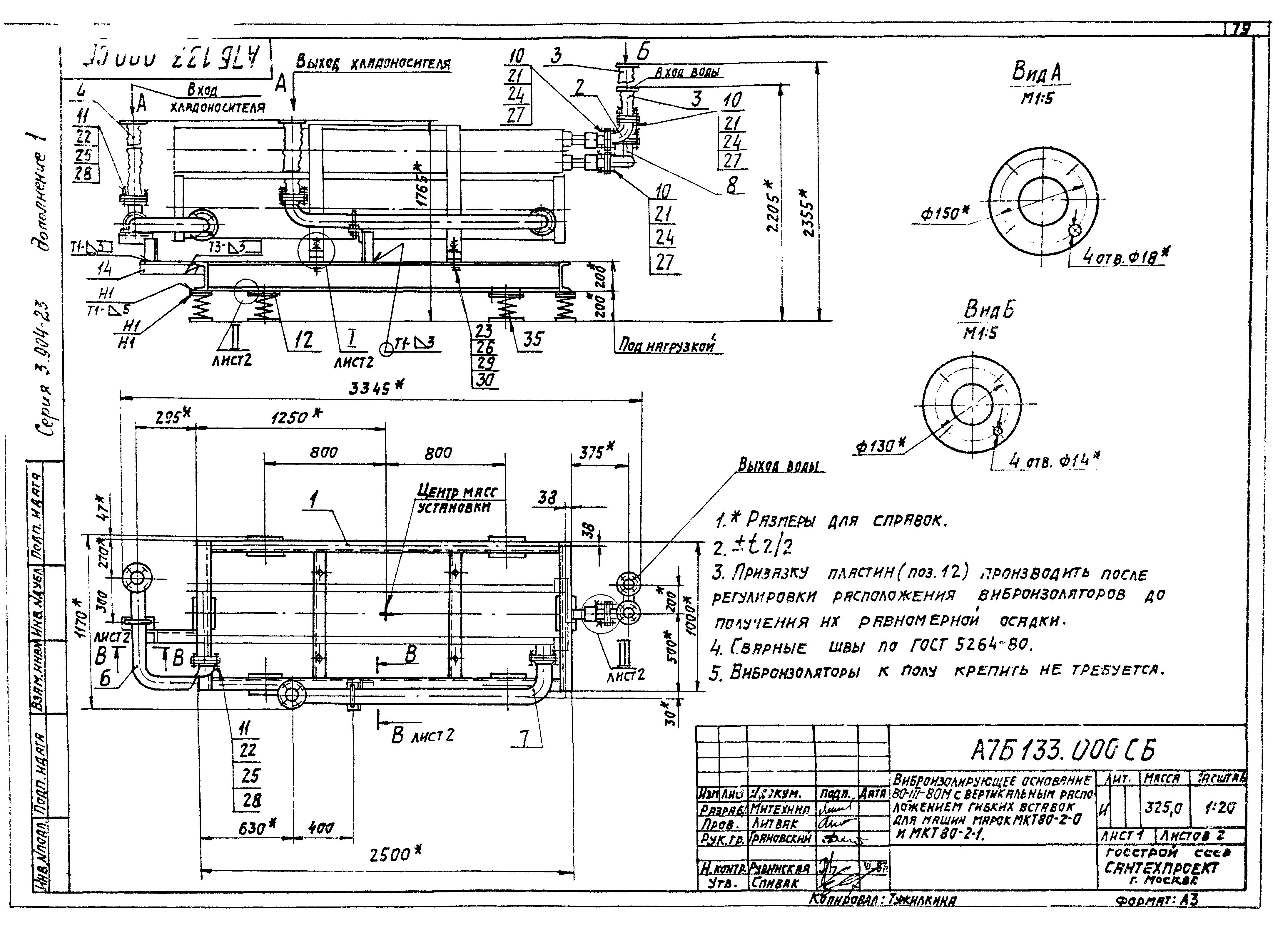
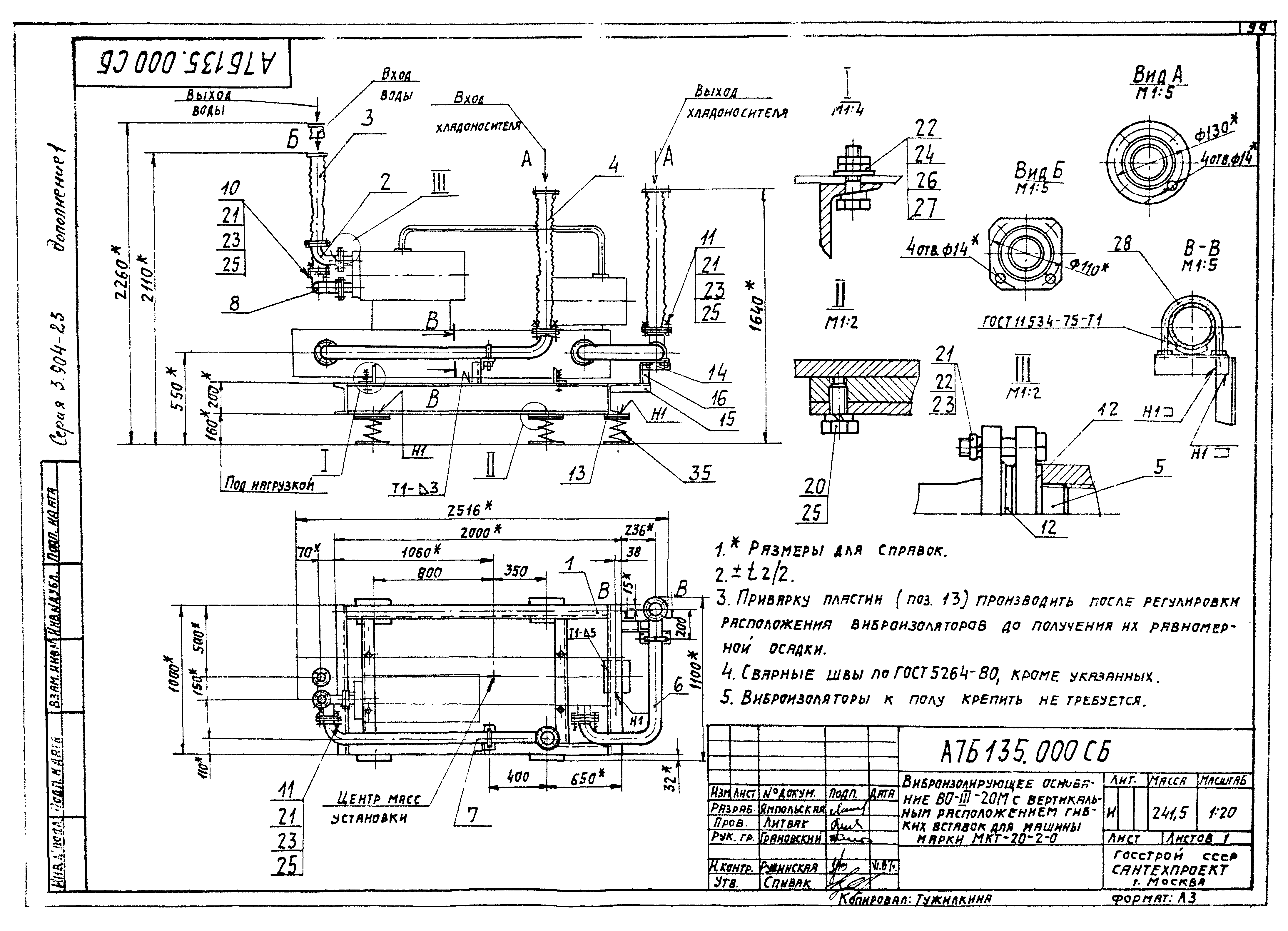
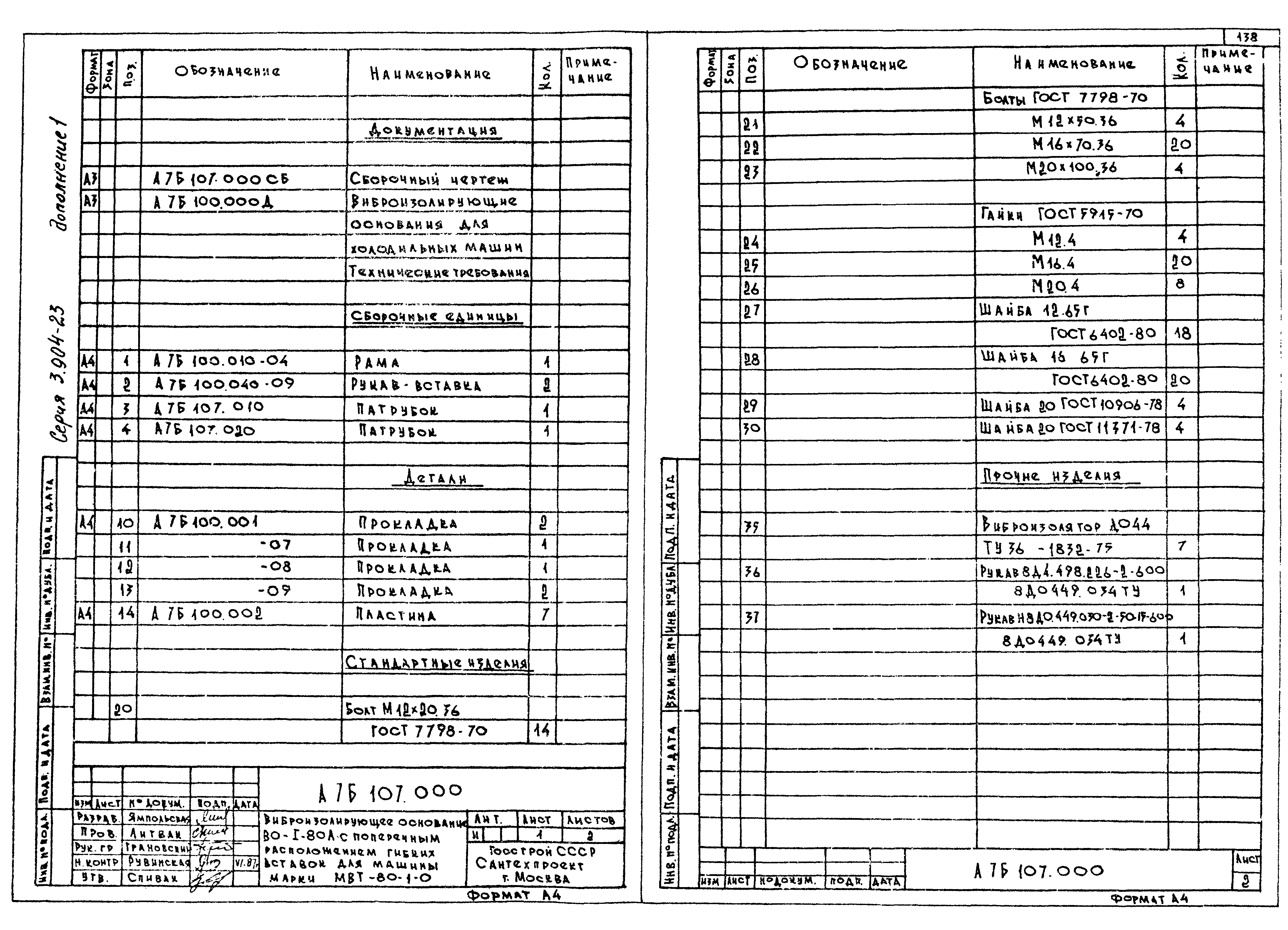
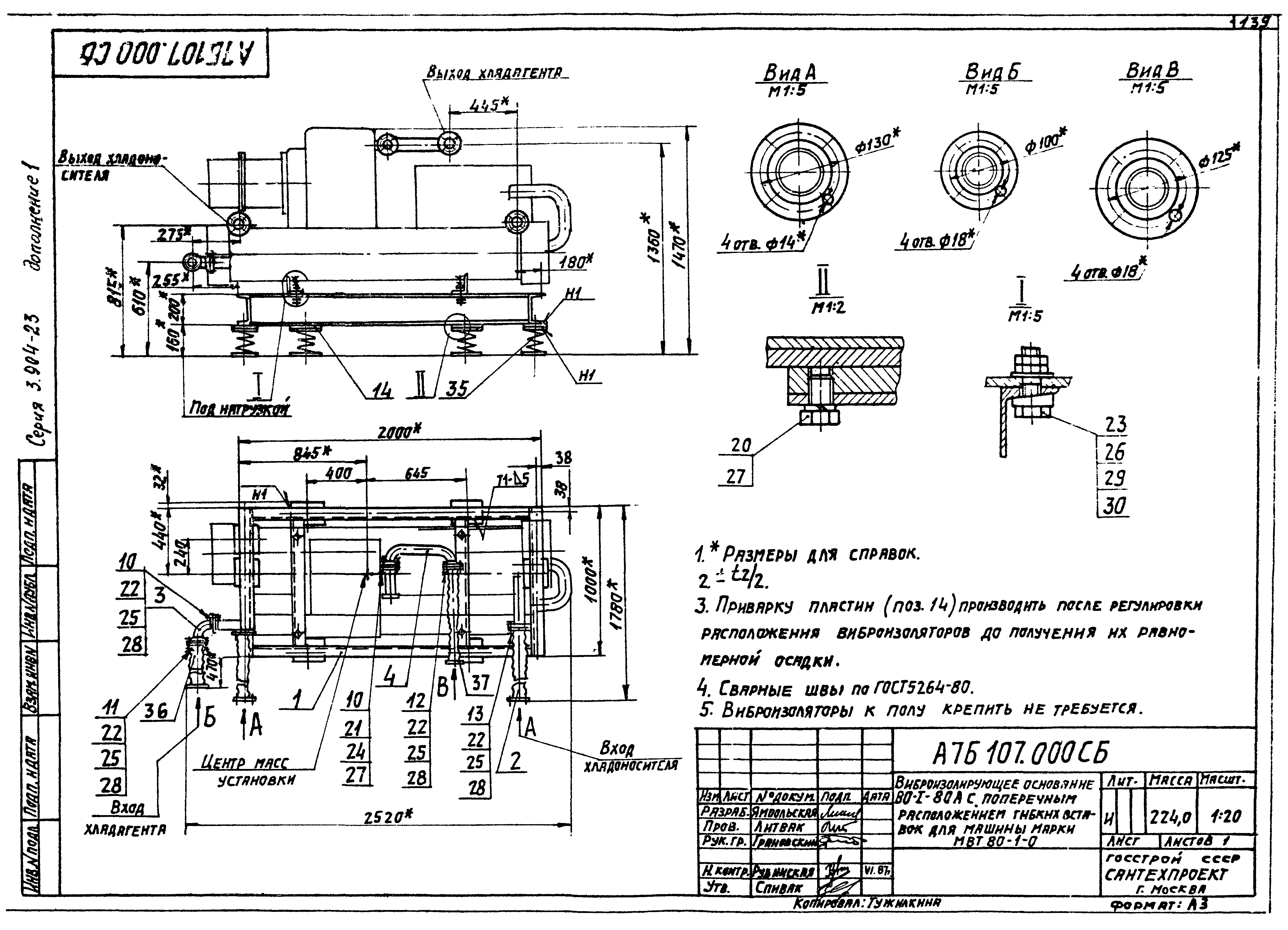
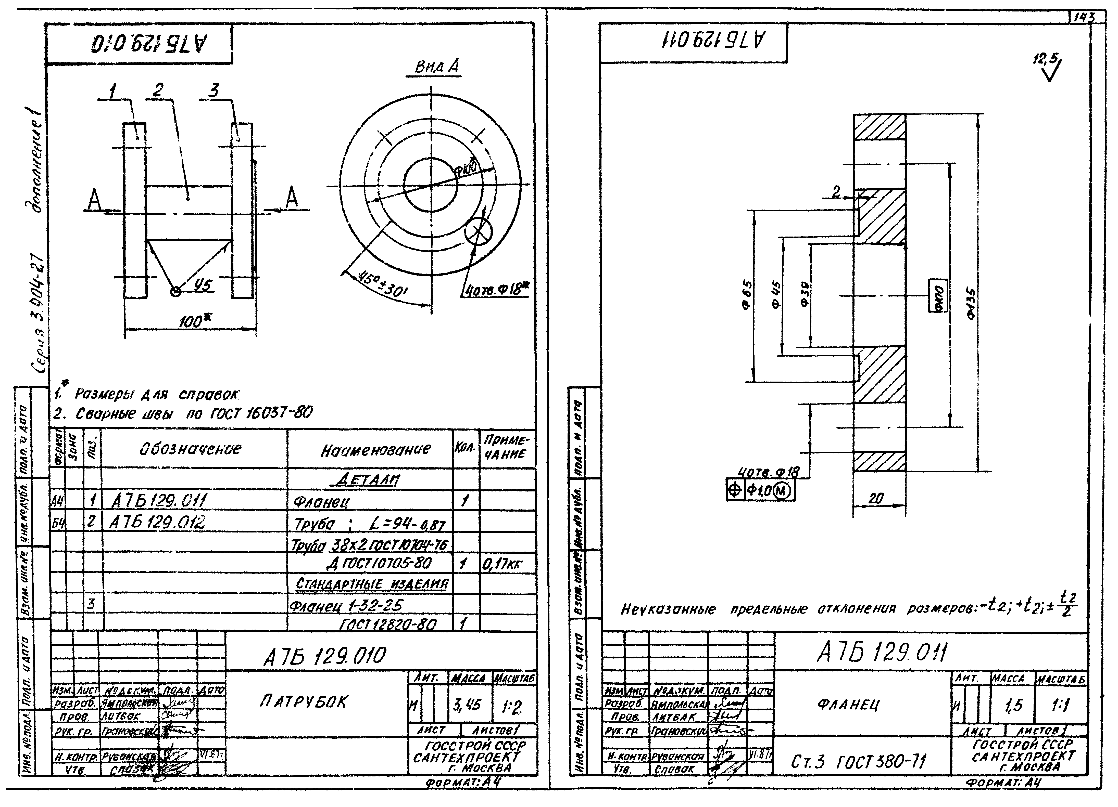
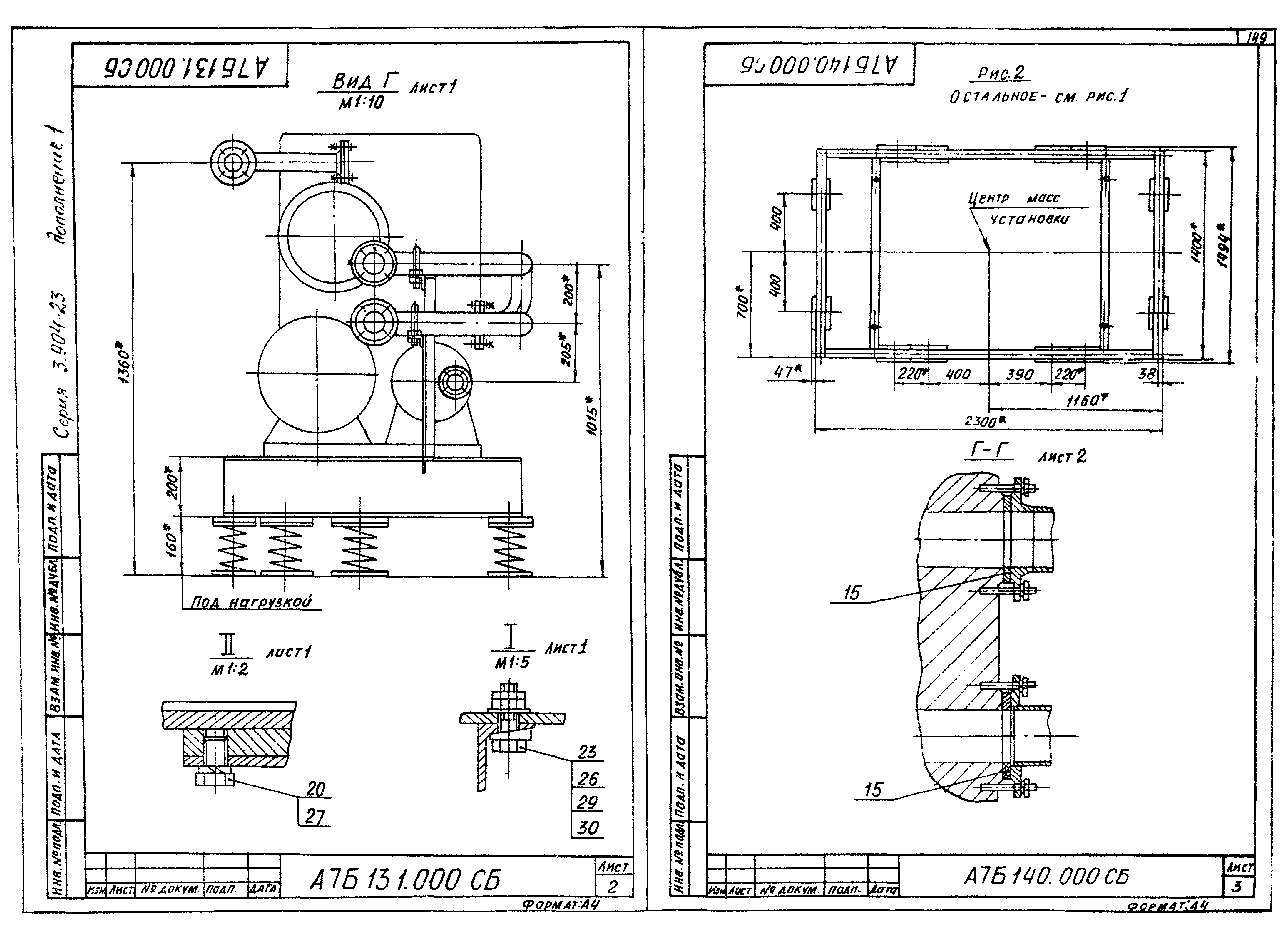
| Оглавление: | Содержание А7Б100.000Д Виброизолирующие основания под холодильные машины. Технические требования А7Б100.000 Виброизолирующее основание ВО-I-40М с поперечным расположением гибких вставок А7Б100.000СБ Виброизолирующее основание ВО-I-40М с поперечным расположением гибких вставок А7Б100.001 Прокладка А7Б100.002 Пластина А7Б100.003 Кронштейн А7Б108.001 Кронштейн А7Б100.010 Рама А7Б100.020 Трубопровод А7Б100.030 Трубопровод А7Б100.040 Рукав-вставка А7Б100.010СБ Рама А7Б100.020СБ Трубопровод А7Б100.030СБ Трубопровод А7Б100.040СБ Рукав-вставка Ф50 - Ф100 А7Б100.042 Фланец А7Б104.001 Болт фундаментный А7Б100.061 Втулка А7Б100.050 Хомут А7Б100.050СБ Хомут А7Б100.051 Серьга хомута А7Б100.041 Патрубок А7Б100.052 Гайка А7Б100.055 Лента хомута А7Б100.053 Болт А7Б100.054 Шайба А7Б100.060 Патрубок А7Б100.060СБ Патрубок А7Б108.000 Виброизолирующее основание ВО-II-40М-1 с продольным расположением гибких вставок для машин марок МКТ40-2-0 и МКТ40-2-1 А7Б108.000СБ Виброизолирующее основание ВО-II-40М-1 с продольным расположением гибких вставок для машин марок МКТ40-2-0 и МКТ40-2-1 А7Б108.010 Трубопровод А7Б108.010СБ Трубопровод А7Б108.020 Трубопровод А7Б108.020СБ Трубопровод А7Б109.000 Виброизолирующее основание ВО-II-40М-2 с продольным расположением гибких вставок для машин марок МКТ40-2-0 и МКТ40-2-1 А7Б109.000СБ Виброизолирующее основание ВО-II-40М-2 с продольным расположением гибких вставок для машин марок МКТ40-2-0 и МКТ40-2-1 А7Б109.010 Трубопровод А7Б110.010 Трубопровод А7Б109.010СБ Трубопровод А7Б110.000 Виброизолирующее основание ВО-II-40М-3 с продольным расположением гибких вставок для машин марок МКТ40-2-0 и МКТ40-2-1 А7Б110.000СБ Виброизолирующее основание ВО-II-40М-3 с продольным расположением гибких вставок для машин марок МКТ40-2-0 и МКТ40-2-1 А7Б110.010СБ Трубопровод А7Б132.000 Виброизолирующее основание ВО-III-40М с вертикальным расположением гибких вставок для машин марок МКТ40-2-0 и МКТ40-2-1 А7Б132.000СБ Виброизолирующее основание ВО-III-40М с вертикальным расположением гибких вставок для машин марок МКТ40-2-0 и МКТ40-2-1 А7Б132.010 Трубопровод А7Б132.020 Трубопровод А7Б132.030 Патрубок А7Б132.010СБ Трубопровод А7Б132.020СБ Трубопровод А7Б101.000 Виброизолирующее основание ВО-I-80М с поперечным расположением гибких вставок А7Б101.000СБ Виброизолирующее основание ВО-I-80М с поперечным расположением гибких вставок А7Б111.000 Виброизолирующее основание ВО-II-80М-1 с продольным расположением гибких вставок для машин марок МКТ80-2-0 и МКТ80-2-1 А7Б111.000СБ Виброизолирующее основание ВО-II-80М-1 с продольным расположением гибких вставок для машин марок МКТ80-2-0 и МКТ80-2-1 А7Б112.000 Виброизолирующее основание ВО-II-80М-2 с продольным расположением гибких вставок для машин марок МКТ80-2-0 и МКТ80-2-1 А7Б112.000СБ Виброизолирующее основание ВО-II-80М-2 с продольным расположением гибких вставок для машин марок МКТ80-2-0 и МКТ80-2-1 А7Б113.000 Виброизолирующее основание ВО-II-80М-3 с продольным расположением гибких вставок для машин марок МКТ80-2-0 и МКТ80-2-1 А7Б113.000СБ Виброизолирующее основание ВО-II-80М-3 с продольным расположением гибких вставок для машин марок МКТ80-2-0 и МКТ80-2-1 А7Б133.000 Виброизолирующее основание ВО-III-80М с вертикальным расположением гибких вставок для машин марок МКТ80-2-0 и МКТ80-2-1 А7Б133.000СБ Виброизолирующее основание ВО-III-80М с вертикальным расположением гибких вставок для машин марок МКТ80-2-0 и МКТ80-2-1 А7Б133.010СБ Патрубок А7Б132.030СБ Патрубок А7Б103.000 Виброизолирующее основание ВО-I-20М с поперечным расположением гибких вставок для машины марки МКТ20-2-0 А7Б103.000СБ Виброизолирующее основание ВО-I-20М с поперечным расположением гибких вставок для машины марки МКТ20-2-0 А7Б103.010 Патрубок А7Б133.010 Патрубок А7Б103.020 Патрубок А7Б103.020СБ Патрубок А7Б103.021 Фланец А7Б129.021 Фланец А7Б103.011 Втулка А7Б103.012 Фланец А7Б117.000 Виброизолирующее основание ВО-II-20М-1 с продольным расположением гибких вставок для машины марки МКТ20-2-0 А7Б117.000СБ Виброизолирующее основание ВО-II-20М-1 с продольным расположением гибких вставок для машины марки МКТ20-2-0 А7Б118.000 Виброизолирующее основание ВО-II-20М-2 с продольным расположением гибких вставок для машины марки МКТ20-2-0 А7Б118.000СБ Виброизолирующее основание ВО-II-20М-2 с продольным расположением гибких вставок для машины марки МКТ20-2-0 А7Б119.000 Виброизолирующее основание ВО-II-20М-3 с продольным расположением гибких вставок для машины марки МКТ20-2-0 А7Б119.000СБ Виброизолирующее основание ВО-II-20М-3 с продольным расположением гибких вставок для машины марки МКТ20-2-0 А7Б135.000 Виброизолирующее основание ВО-III-20М с вертикальным расположением гибких вставок для машины марки МКТ20-2-0 А7Б135.000СБ Виброизолирующее основание ВО-III-20М с вертикальным расположением гибких вставок для машины марки МКТ20-2-0 А7Б135.010 Патрубок А7Б137.010 Патрубок А7Б135.010СБ Патрубок А7Б137.010СБ Патрубок А7Б104.000 Виброизолирующее основание ВО-I-28М с поперечным расположением гибких вставок для машины марки МКТ28-2-0 А7Б104.000СБ Виброизолирующее основание ВО-I-28М с поперечным расположением гибких вставок для машины марки МКТ28-2-0 А7Б129.020 Патрубок А7Б104.010 Трубопровод А7Б120.000 Виброизолирующее основание ВО-II-28М-1 с продольным расположением гибких вставок для машины марки МКТ28-2-0 А7Б120.000СБ Виброизолирующее основание ВО-II-28М-1 с продольным расположением гибких вставок для машины марки МКТ28-2-0 А7Б121.000 Виброизолирующее основание ВО-II-28М-2 с продольным расположением гибких вставок для машины марки МКТ28-2-0 А7Б121.000СБ Виброизолирующее основание ВО-II-28М-2 с продольным расположением гибких вставок для машины марки МКТ28-2-0 А7Б122.000 Виброизолирующее основание ВО-II-28М-3 с продольным расположением гибких вставок для машины марки МКТ28-2-0 А7Б122.000СБ Виброизолирующее основание ВО-II-28М-3 с продольным расположением гибких вставок для машины марки МКТ28-2-0 А7Б136.000 Виброизолирующее основание ВО-III-28М с вертикальным расположением гибких вставок для машины марки МКТ28-2-0 А7Б136.000СБ Виброизолирующее основание ВО-III-28М с вертикальным расположением гибких вставок для машины марки МКТ28-2-0 А7Б136.010 Патрубок А7Б136.010СБ Патрубок А7Б105.000 Виброизолирующее основание ВО-I-18А с поперечным расположением гибких вставок для машины марки МВТ18-1-0 (АТ18-1-0) А7Б105.000СБ Виброизолирующее основание ВО-I-18А с поперечным расположением гибких вставок для машины марки МВТ18-1-0 (АТ18-1-0) А7Б123.000 Виброизолирующее основание ВО-II-18А-1 с продольным расположением гибких вставок для машины марки МВТ18-1-0 (АТ18-1-0) А7Б123.000СБ Виброизолирующее основание ВО-II-18А-1 с продольным расположением гибких вставок для машины марки МВТ18-1-0 (АТ18-1-0) А7Б124.000 Виброизолирующее основание ВО-II-18А-2 с продольным расположением гибких вставок для машины марки МВТ18-1-0 (АТ18-1-0) А7Б124.000СБ Виброизолирующее основание ВО-II-18А-2 с продольным расположением гибких вставок для машины марки МВТ18-1-0 (АТ18-1-0) А7Б125.000 Виброизолирующее основание ВО-II-18А-3 с продольным расположением гибких вставок для машины марки МВТ18-1-0 (АТ18-1-0) А7Б125.000СБ Виброизолирующее основание ВО-II-18А-3 с продольным расположением гибких вставок для машины марки МВТ18-1-0 (АТ18-1-0) А7Б137.000 Виброизолирующее основание ВО-III-18А с вертикальным расположением гибких вставок для машины марки МВТ18-1-0 (АТ18-1-0) А7Б137.000СБ Виброизолирующее основание ВО-III-18А с вертикальным расположением гибких вставок для машины марки МВТ18-1-0 (АТ18-1-0) А7Б106.000 Виброизолирующее основание ВО-I-25А с поперечным расположением гибких вставок для машины марки МВТ25-1-0 (АТ25-1-0) А7Б106.000СБ Виброизолирующее основание ВО-I-25А с поперечным расположением гибких вставок для машины марки МВТ25-1-0 (АТ25-1-0) А7Б126.000 Виброизолирующее основание ВО-II-25А-1 с продольным расположением гибких вставок для машины марки МВТ25-1-0 (АТ25-1-0) А7Б126.000СБ Виброизолирующее основание ВО-II-25А-1 с продольным расположением гибких вставок для машины марки МВТ25-1-0 (АТ25-1-0) А7Б127.000 Виброизолирующее основание ВО-II-25А-2 с продольным расположением гибких вставок для машины марки МВТ25-1-0 (АТ25-1-0) А7Б127.000СБ Виброизолирующее основание ВО-II-25А-2 с продольным расположением гибких вставок для машины марки МВТ25-1-0 (АТ25-1-0) А7Б128.000 Виброизолирующее основание ВО-II-25А-3 с продольным расположением гибких вставок для машины марки МВТ25-1-0 (АТ25-1-0) А7Б128.000СБ Виброизолирующее основание ВО-II-25А-3 с продольным расположением гибких вставок для машины марки МВТ25-1-0 (АТ25-1-0) А7Б138.000 Виброизолирующее основание ВО-III-25А с вертикальным расположением гибких вставок для машины марки МВТ25-1-0 (АТ25-1-0) А7Б138.000СБ Виброизолирующее основание ВО-III-25А с вертикальным расположением гибких вставок для машины марки МВТ25-1-0 (АТ25-1-0) А7Б107.000 Виброизолирующее основание ВО-I-80А с поперечным расположением гибких вставок для машины марки МВТ80-1-0 А7Б107.000СБ Виброизолирующее основание ВО-I-80А с поперечным расположением гибких вставок для машины марки МВТ80-1-0 А7Б107.010 Патрубок А7Б107.020 Патрубок А7Б129.000 Виброизолирующее основание ВО-II-80А-1 с продольным расположением гибких вставок для машины марки МВТ80-1-0 А7Б129.000СБ Виброизолирующее основание ВО-II-80А-1 с продольным расположением гибких вставок для машины марки МВТ80-1-0 А7Б129.010 Патрубок А7Б129.011 Фланец А7Б130.000 Виброизолирующее основание ВО-II-80А-2 с продольным расположением гибких вставок для машины марки МВТ80-1-0 А7Б130.000СБ Виброизолирующее основание ВО-II-80А-2 с продольным расположением гибких вставок для машины марки МВТ80-1-0 А7Б131.000 Виброизолирующее основание ВО-II-80А-3 с продольным расположением гибких вставок для машины марки МВТ80-1-0 А7Б131.000СБ Виброизолирующее основание ВО-II-80А-3 с продольным расположением гибких вставок для машины марки МВТ80-1-0 А7Б139.000 Виброизолирующее основание ВО-III-80А с вертикальным расположением гибких вставок для машины марки МВТ80-1-0 А7Б139.000СБ Виброизолирующее основание ВО-III-80А с вертикальным расположением гибких вставок для машины марки МВТ80-1-0 А7Б140.000 Виброизолирующее основание для холодильных машин марки 1ХМ А7Б140.000СБ Виброизолирующее основание для холодильных машин марки 1ХМ А7Б141.000 Виброизолирующее основание ВО-II-40ХА для холодильных машин марок 2ХМ-ФУ40I и 2ХМ-ФУ40II А7Б141.000СБ Виброизолирующее основание ВО-II-40ХА для холодильных машин марок 2ХМ-ФУ40I и 2ХМ-ФУ40II А7Б142.000 Виброизолирующее основание ВО-II-80ХА для холодильных машин марок 2ХМ-ФУУ80I и 2ХМ-ФУУ80II А7Б142.000СБ Виброизолирующее основание ВО-II-80ХА для холодильных машин марок 2ХМ-ФУУ80I и 2ХМ-ФУУ80II А7Б143.000 Плита А7Б143.010 Каркас А7Б143.000СБ Плита А7Б143.010СБ Каркас А7Б143.001 Петля А7Б143.002 Швеллер |
| Разработан: | Сантехпроект Госстроя СССР |
| Утверждён: | 27.07.1987 Госстрой СССР (Государственный комитет Совета Министров СССР по делам строительства) (USSR Gosstroy 41) |



































































































































































