Скачать Типовой проект 801-2-39.84 Альбом VI. Часть 1. Объектная смета и смета на общестроительные работыДата актуализации: 01.01.2021
|
| Обозначение: | Типовой проект 801-2-39.84 |
| Обозначение англ: | 801-2-39.84 |
| Статус: | не определен законодательством |
| Название рус.: | Альбом VI. Часть 1. Объектная смета и смета на общестроительные работы |
| Дата добавления в базу: | 01.09.2013 |
| Дата актуализации: | 01.01.2021 |
| Дата введения: | 10.11.1983 |
| Дата окончания срока действия: | 30.06.2003 |
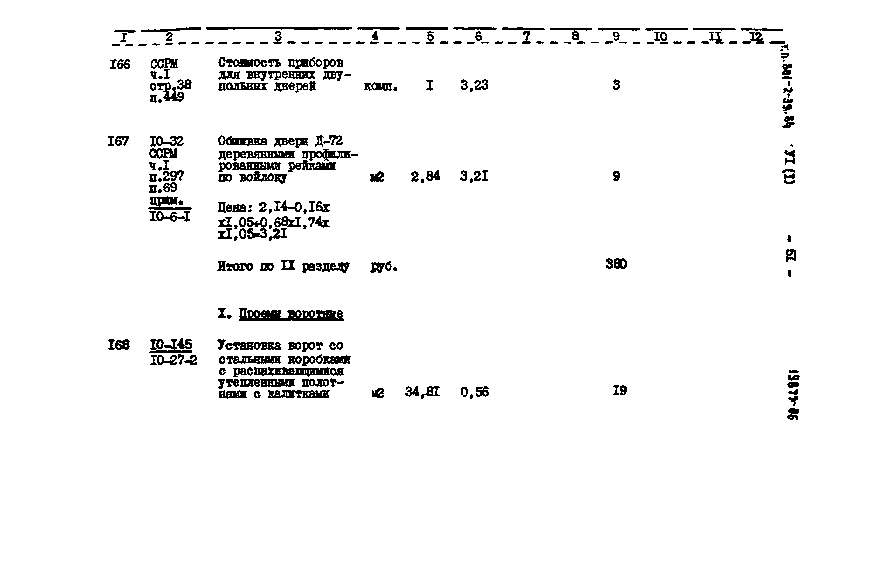
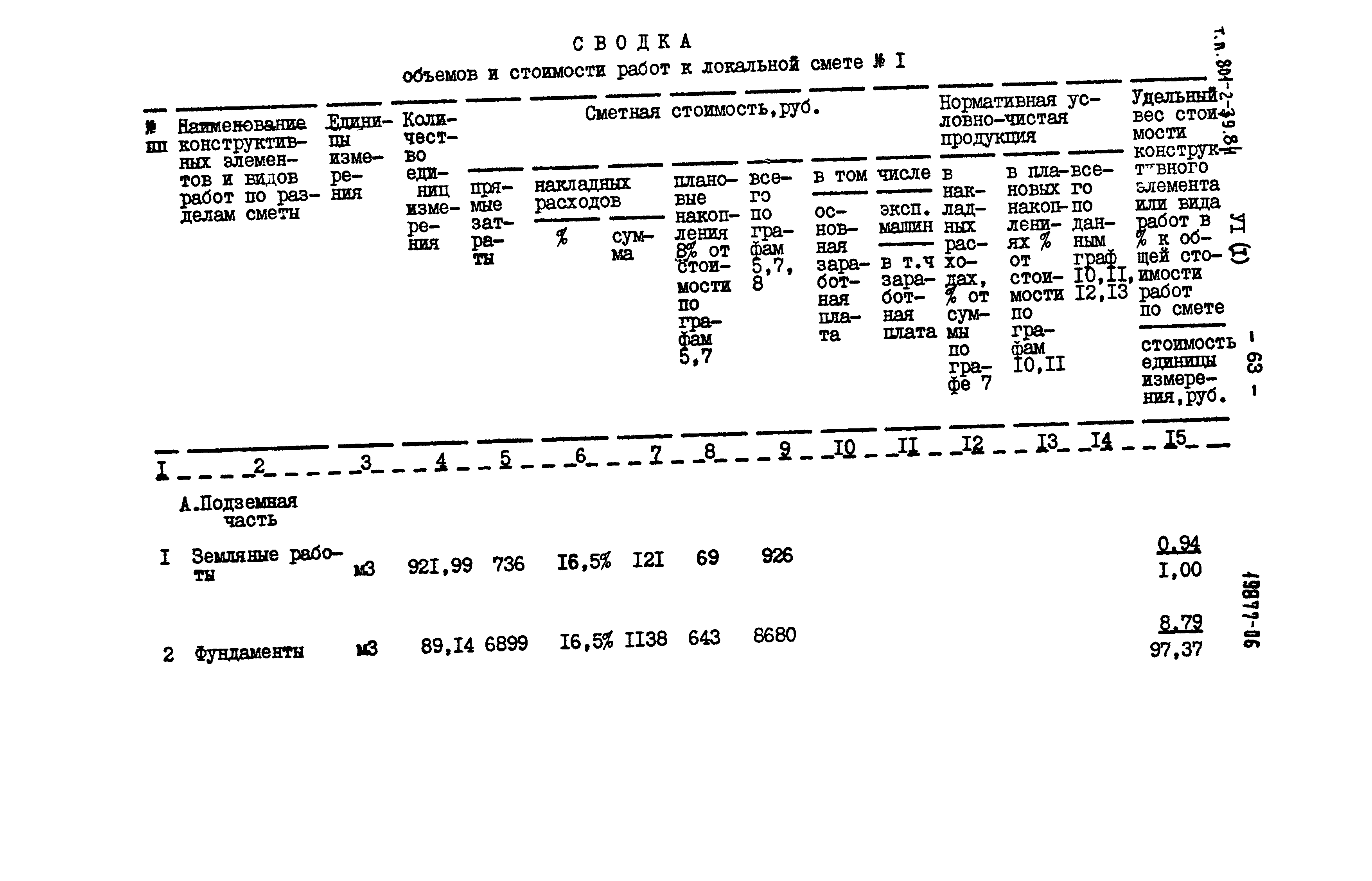
| Оглавление: | Пояснительная записка Объектная смета Общестроительные работы Сводка объемов и стоимости работ к локальной смете № 1 Ведомость объемов и стоимости работ для варианта полов с керамзитобетонными плитами Ведомость изменения объемов работ к смете № 1 для варианта уборки навоза установкой НЖН-200 Ведомость изменения объемов работ к смете № 1 для варианта уборки навоза установкой УТН-10 Ведомость потребности в производственных ресурсах |
| Разработан: | Институт Гипронисельхоз |
| Утверждён: | 07.07.1983 Главсельстройпроект Минсельхоза СССР (Glavselstroyproject, USSR Minselkhoz 68) |
| Издан: | ЦИТП Госстроя СССР (CITP, Gosstroy (USSR) 1986 г. ) |



















































































