Скачать Серия 1.400-10/76 Выпуск 7. Узлы разрезных балок. Чертежи КМДата актуализации: 01.01.2021
|
| Обозначение: | Серия 1.400-10/76 |
| Обозначение англ: | Series 1.400-10/76 |
| Статус: | не действует |
| Название рус.: | Выпуск 7. Узлы разрезных балок. Чертежи КМ |
| Дата добавления в базу: | 01.09.2013 |
| Дата актуализации: | 01.01.2021 |
| Дата окончания срока действия: | 01.06.1982 |
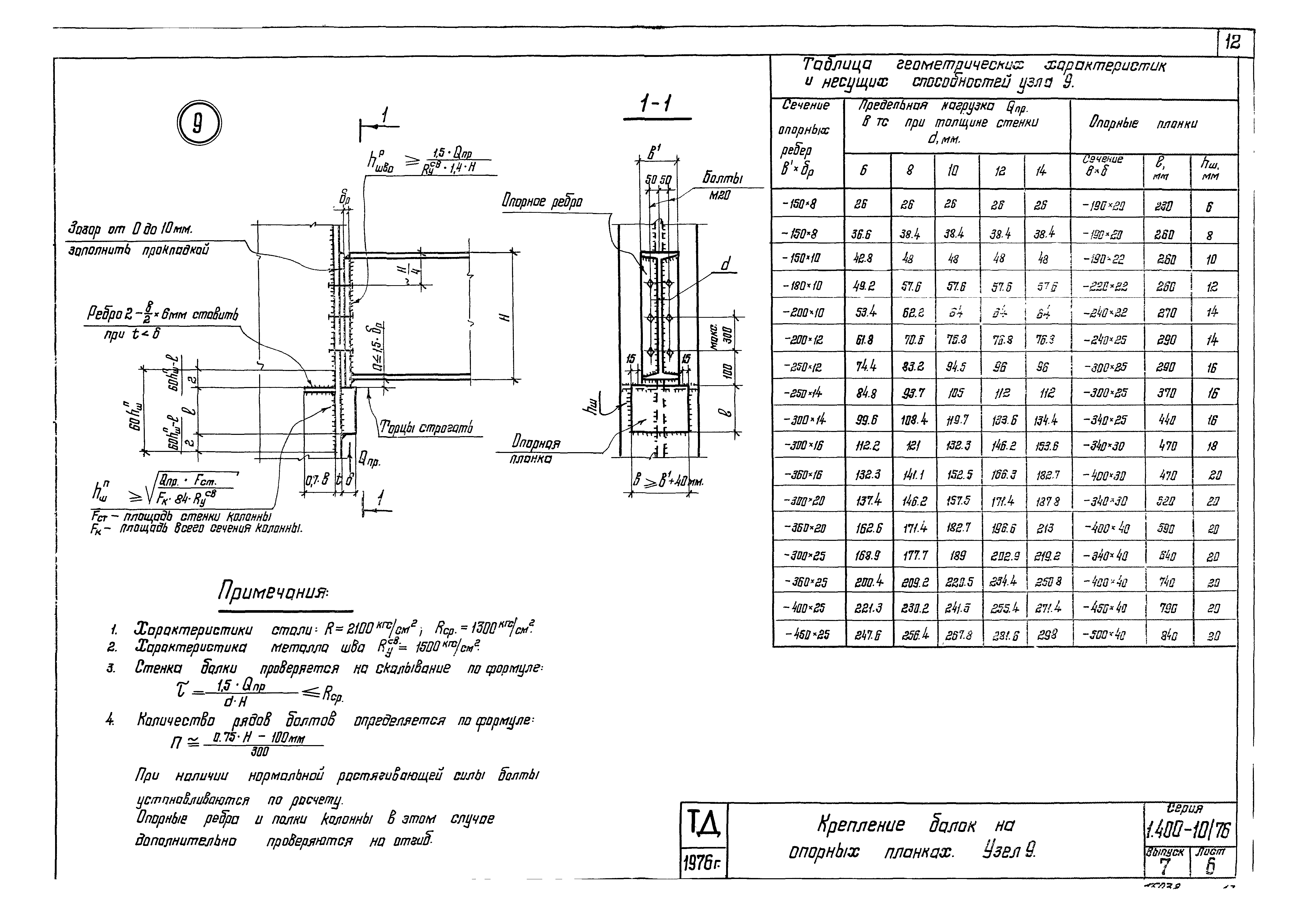
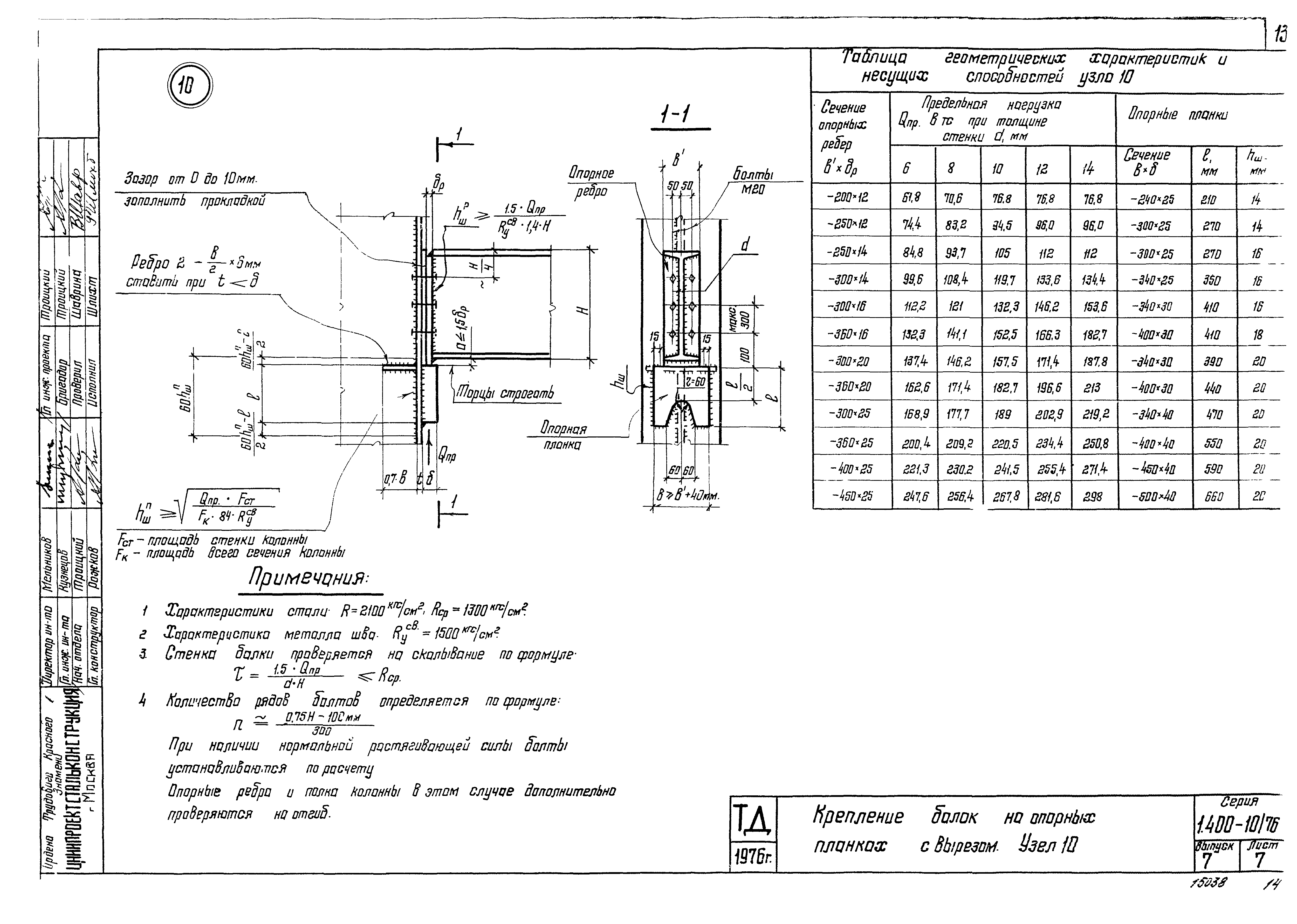
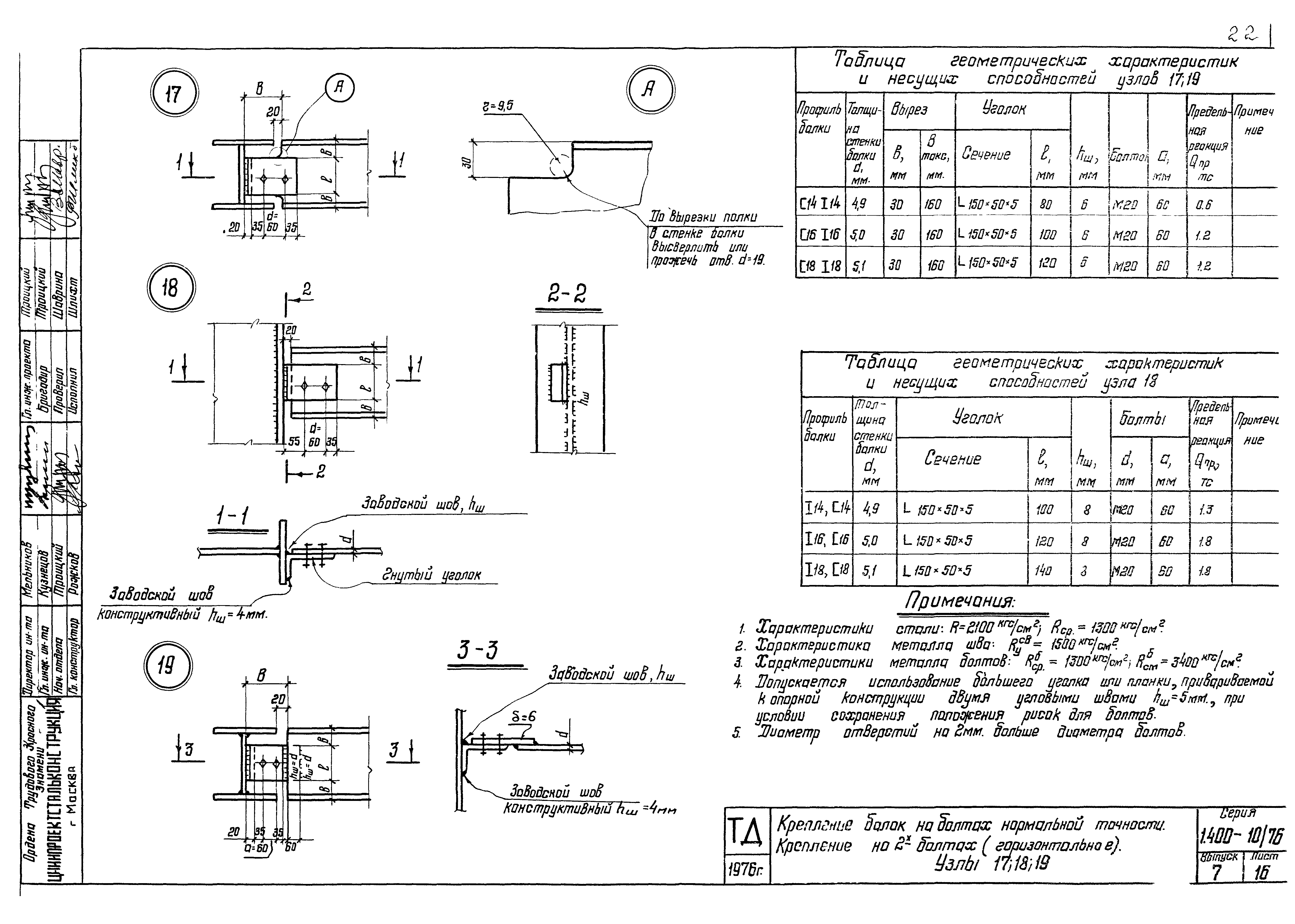
| Оглавление: | Пояснительная записка Этажное опирание прокатных двутавровых балок. Крепление балок на опорных уголках. Узел 1; 2; 3 Крепление балок на опорных уголках. Узел 4 Опирание балок на ребро из швеллеров и уголков. Узлы 5; 6 Крепление балок на столиках, вырезанных из двутавра. Узел 7 Крепление балок на сварных столиках. Узел 8 Крепление балок на опорных планках. Узел 9 Крепление балок на опорных планках с вырезом. Узел 10 Крепление балок на опорных планках с вырезом полки балки. Узел 11 Крепление балок на опорных планках с вырезом в планках и полке балки. Узел 12 Крепление балок на опорных планках из уголков. Узел 13 Опирание балок на оголовок стойки, центральное опирание. Узлы 14; 15 Таблица несущих способностей опорных ребер балок узлов 14; 15 (С 38/23). Таблица геометрических характеристик и несущих способностей узлов 14; 15 (С38/23) Таблица несущих способностей опорных ребер балок узлов 14; 15 (С 46/33). Таблица геометрических характеристик и несущих способностей узлов 14; 15 (С46/33) Опирание балок на оголовок стойки, опирание на полки стойки, сталь класса С38/23. Узел 16 Опирание балок на оголовок стойки, опирание на полки стойки, сталь класса С46/33. Узел 16 Крепление балок на болтах нормальной точности. Крепление на двух болтах (горизонтальное). Узлы 17; 18; 19 Крепление балок на болтах нормальной точности. Крепление на двух болтах. Узел 20 Крепление балок на болтах нормальной точности. Крепление на трех болтах. Узел 21 Крепление балок на болтах нормальной точности. Крепление на четырех болтах. Узел 22 Крепление балок на болтах нормальной точности. Крепление на двух болтах с вырезом полок балки. Узлы 23; 24 Крепление балок на болтах нормальной точности. Крепление на трех болтах с вырезом полок балки. Узлы 25; 26 Крепление балок на болтах нормальной точности. Крепление на четырех болтах с вырезом полок балки. Узлы 27; 28 Крепление балок на болтах нормальной точности. Крепление на двух болтах к ребрам жесткости балок. Узлы 29; 30 Крепление балок на болтах нормальной точности. Крепление на трех болтах к ребрам жесткости балок. Узлы 31; 32 Крепление балок на болтах нормальной точности. Крепление на четырех болтах к ребрам жесткости балок. Узлы 33; 34 Крепление балок на болтах нормальной точности. Крепление на двух и четырех болтах. Узлы 35; 36; 37 Крепление балок на болтах нормальной точности. Крепление на трех болтах. Узлы 38; 39 Крепление балок на болтах нормальной точности. Крепление на четырех болтах. Узлы 40; 41 Крепление балок на сварных вертикальных уголках. Узел 42 Крепление балок на сварных вертикальных уголках с вырезами полок балок. Узел 43 Крепление балок на сварных вертикальных накладках. Крепление на двух трапециевидных и на двух прямоугольных накладках. Узлы 44; 45 Крепление балок на сварных вертикальных накладках. Крепление на двух прямоугольных накладках с вырезом полок. Узлы 46; 47 Опирание балки из прокатного двутавра или швеллера на кирпичные стены и на железобетонную подушку. Узлы 48; 49; 50; 51 |
| Разработан: | ЦНИИпроектстальконструкция |
| Утверждён: | 21.10.1977 Госстрой СССР (Государственный комитет Совета Министров СССР по делам строительства) (USSR Gosstroy 165) |
| Чем заменён: |






































