Скачать Серия 4.407-251 Прокладки кабелей напряжением до 35 кВ в траншеях. Рабочие чертежиДата актуализации: 01.01.2021
|
| Обозначение: | Серия 4.407-251 |
| Обозначение англ: | Series 4.407-251 |
| Статус: | не действует |
| Название рус.: | Прокладки кабелей напряжением до 35 кВ в траншеях. Рабочие чертежи |
| Дата добавления в базу: | 01.09.2013 |
| Дата актуализации: | 01.01.2021 |
| Дата введения: | 03.05.1979 |
| Дата окончания срока действия: | 01.01.1993 |
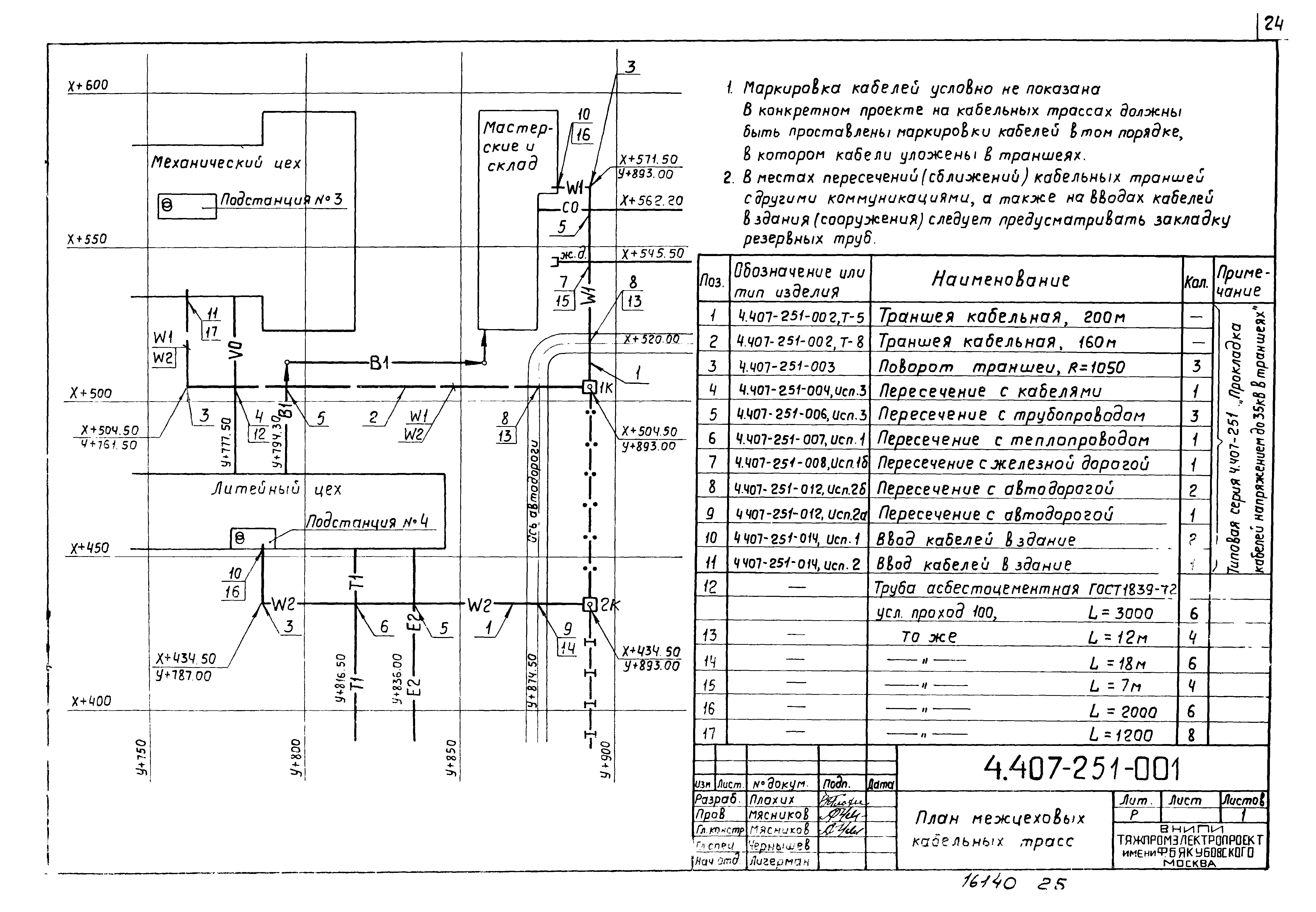
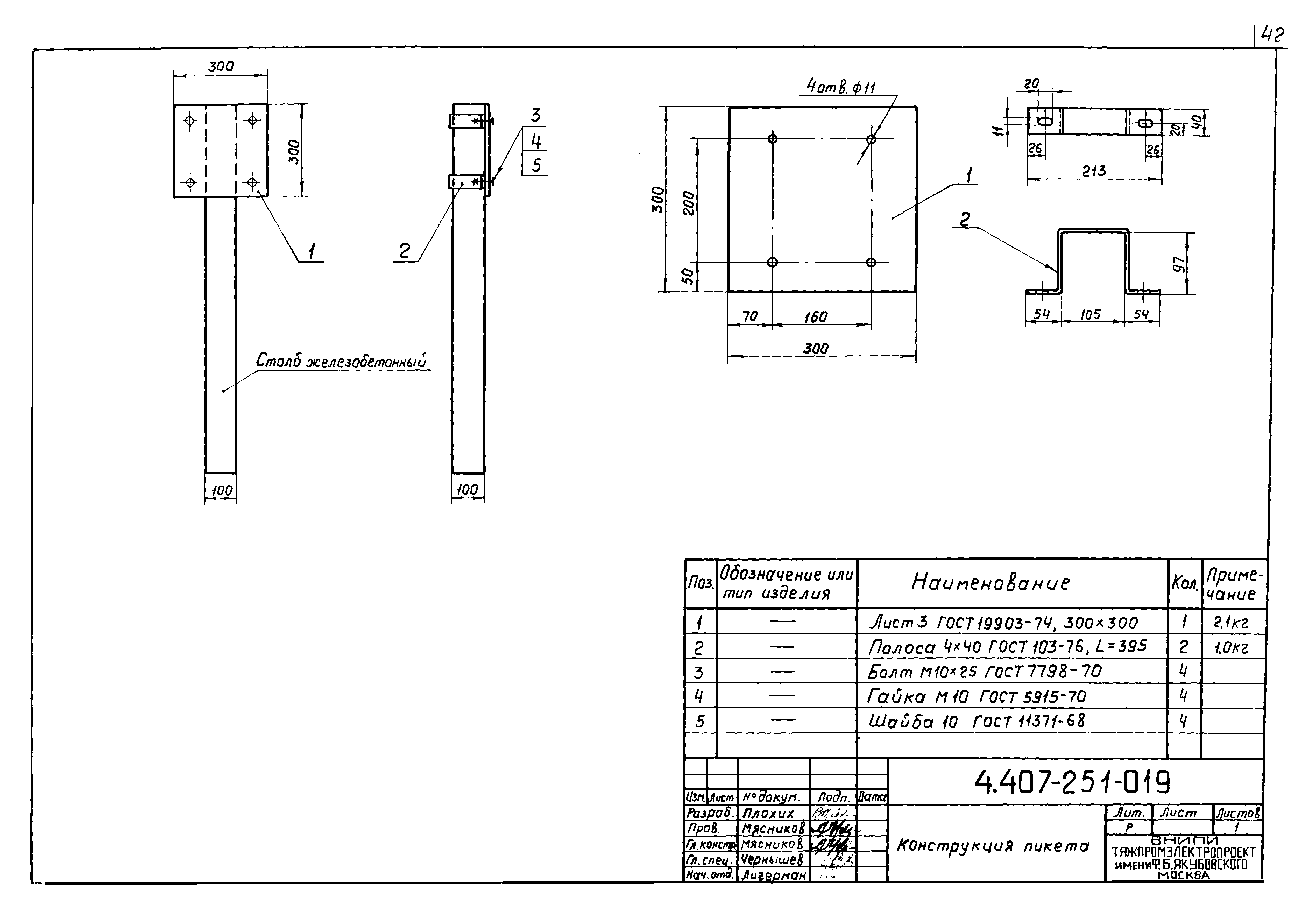
| Оглавление: | 4.407-251-Д Общие данные 4.407-251-001 План межцеховых кабельных трасс 4.407-251-002 Габариты кабельных траншей и охранных зон 4.407-251-003 Поворот и разветвление кабельных трасс 4.407-251-004 Пересечение двух кабельных траншей 4.407-251-005 Пересечение кабелей с кабельными тоннелями и блоками 4.407-251-006 Пересечение кабелей с трубопроводами 4.407-251-007 Пересечение кабелей с теплопроводами 4.407-251-008 Прокладка кабелей открытым способом или способом прокола при пересечении с неэлектрифицированными железными дорогами 4.407-251-009 Прокладка кабелей способом прокола при пересечении с электрифицированными железными дорогами 4.407-251-010 Прокладка кабелей открытым способом при пересечении с электрифицированными железными дорогами 4.407-251-011 Пересечение кабелей с трамвайными путями 4.407-251-012 Прокладка кабелей открытым способом или способом прокола при пересечении с автодорогами (в трубах) 4.407-251-013 Пересечение кабелей с автодорогами ( в блоках) 4.407-251-014 Ввод кабелей в здания или кабельные сооружения 4.407-251-015 Гидроизоляция и уплотнение труб при вводе их в здания или кабельные сооружения 4.407-251-016 Уплотнение труб при траншейной прокладке кабелей 4.407-251-017 Вывод кабелей напряжением до 35 кВ из траншеи на стену 4.407-251-018 Установка пикета 4.407-251-019 Конструкция пикета 4.407-251-020 Конструкция пикета 4.407-251-021 Кожух для защиты кабелей напряжением до 35 кВ |
| Разработан: | Главэлектромонтаж Минмонтажспецстроя СССР ВНИПИ Тяжпромэлектропроект им. Ф.Б. Якубовского |
| Утверждён: | 16.03.1979 ВНИПИ Тяжпромэлектропроект им. Ф.Б. Якубовского (F.B.Yakubovskiy Tyazhpromelektroproject VNIPI 34) |












































