Скачать Типовой проект 407-3-653.01 Альбом III. Электросиловое оборудованиеДата актуализации: 01.01.2021
|
| Обозначение: | Типовой проект 407-3-653.01 |
| Обозначение англ: | 407-3-653.01 |
| Статус: | не определен законодательством |
| Название рус.: | Альбом III. Электросиловое оборудование |
| Дата добавления в базу: | 01.09.2013 |
| Дата актуализации: | 01.01.2021 |
| Дата введения: | 01.11.2002 |
| Дата окончания срока действия: | 30.06.2003 |
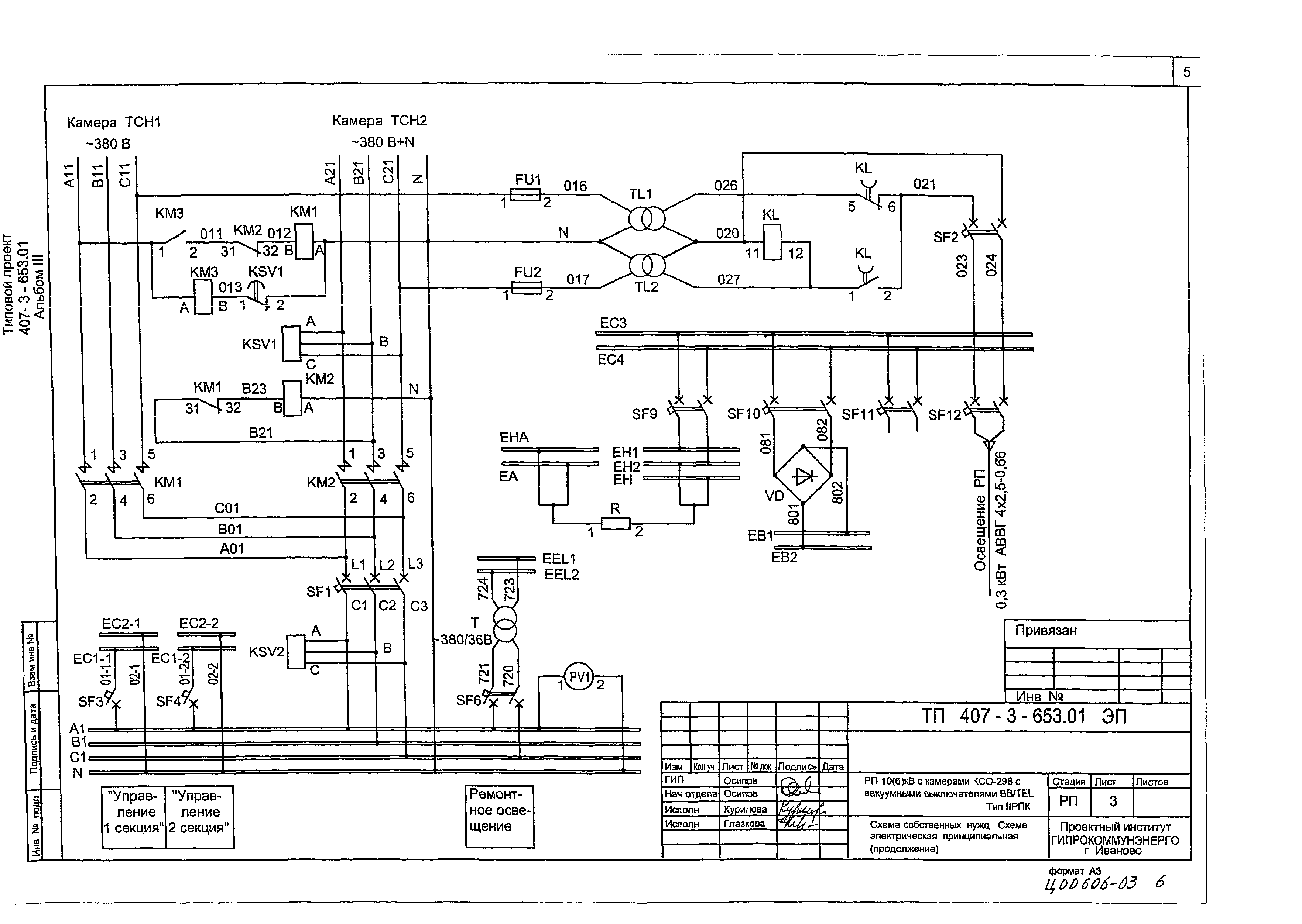
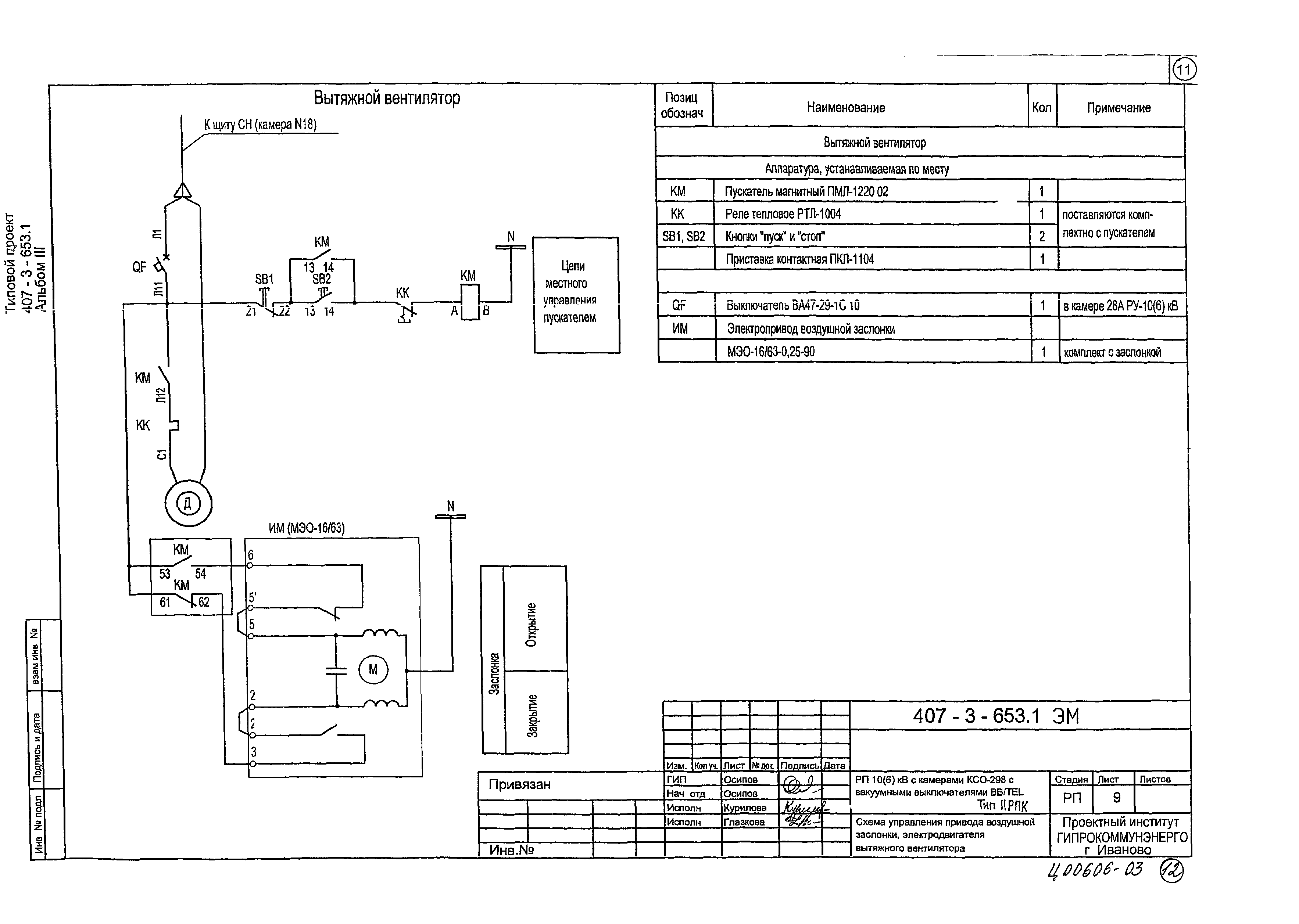
| Оглавление: | 1 Общие данные 2 Схема собственных нужд. Схема электрическая принципиальная. (начало) 3 Схема собственных нужд. Схема электрическая принципиальная (продолжение) 4 Схема собственных нужд. Схема электрическая принципиальная (окончание) 5 Электрическое освещение 6 Заземление и молниезащита. План 7 Электрический обогрев и вентиляция 8 Автоматика обогрева. Схема электрическая принципиальная 9 Схема управления привода воздушной заслонки электродвигателя вытяжного вентилятора |
| Разработан: | Гипрокоммунэнерго |
| Утверждён: | 01.11.2002 Гипрокоммунэнерго |











