Скачать Типовой проект 902-9-19 Альбом III. Электротехническая часть. Задание заводу-изготовителю Главмонтажавтоматики

Дата актуализации: 01.01.2021

Типовой проект 902-9-19

Альбом III. Электротехническая часть. Задание заводу-изготовителю Главмонтажавтоматики

Обозначение: Типовой проект 902-9-19
Обозначение англ: 902-9-19
Статус:не определен законодательством
Название рус.:Альбом III. Электротехническая часть. Задание заводу-изготовителю Главмонтажавтоматики
Дата добавления в базу:01.10.2014
Дата актуализации:01.01.2021
Дата введения:18.02.1982
Дата окончания срока действия:30.06.2003
Оглавление:Общие данные. Заказная спецификация щитов и электроаппаратуры, поставляемой комплектно со щитом
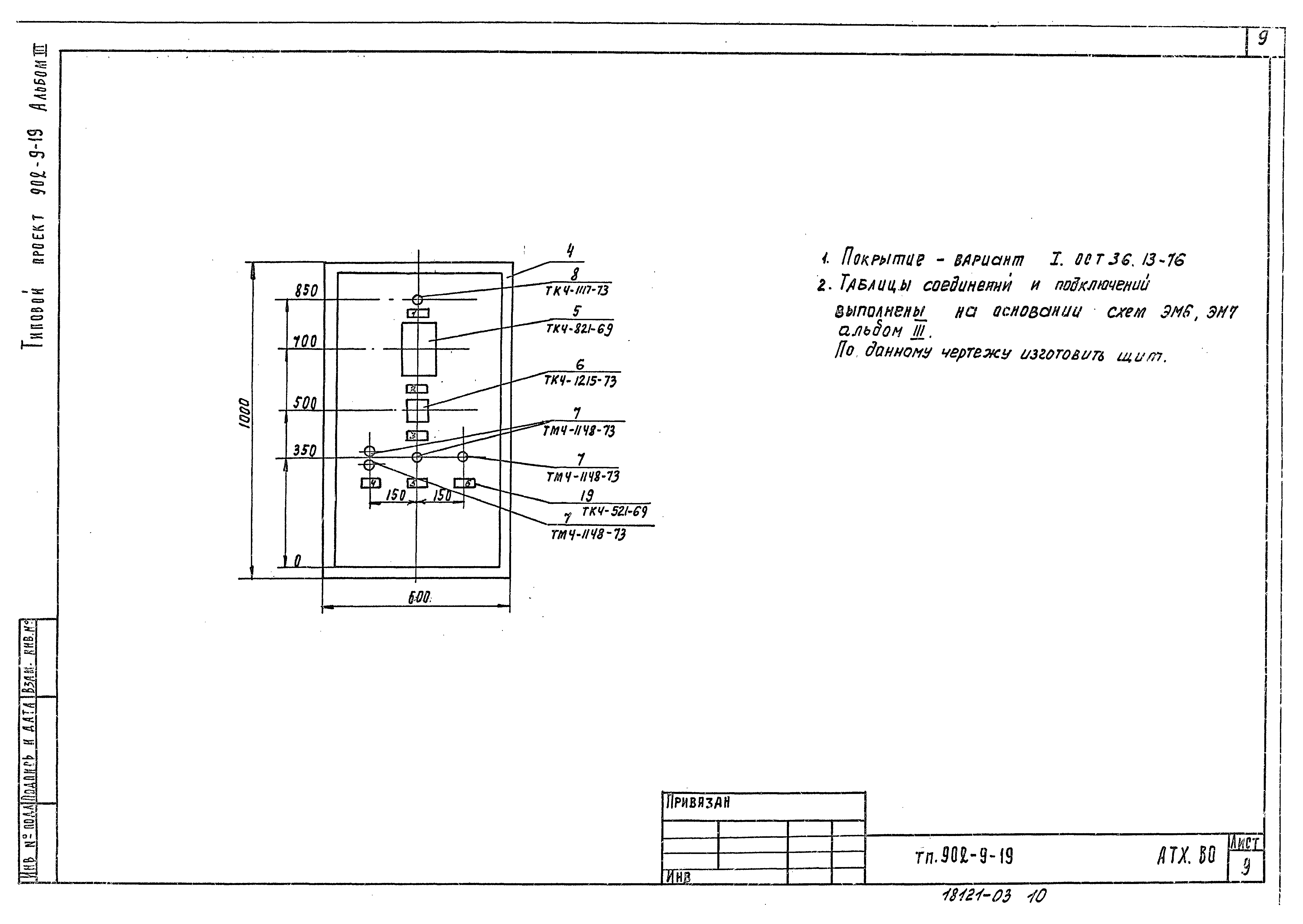
Щит КИП. Общий вид
Разработан: ЦНИИЭП инженерного оборудования
Утверждён:17.08.1981 Госгражданстрой (Gosgrazhdanstroy 247)
Типовой проект 902-9-19Типовой проект 902-9-19Типовой проект 902-9-19Типовой проект 902-9-19Типовой проект 902-9-19Типовой проект 902-9-19Типовой проект 902-9-19Типовой проект 902-9-19Типовой проект 902-9-19Типовой проект 902-9-19Типовой проект 902-9-19Типовой проект 902-9-19Типовой проект 902-9-19Типовой проект 902-9-19Типовой проект 902-9-19Типовой проект 902-9-19