Скачать Типовой проект 407-3-672.04 Альбом 2. Электротехническая часть. Электросиловое оборудование. Электромонтажные конструкцииДата актуализации: 01.01.2021
|
| Обозначение: | Типовой проект 407-3-672.04 |
| Обозначение англ: | 407-3-672.04 |
| Статус: | не определен законодательством |
| Название рус.: | Альбом 2. Электротехническая часть. Электросиловое оборудование. Электромонтажные конструкции |
| Дата добавления в базу: | 01.09.2013 |
| Дата актуализации: | 01.01.2021 |
| Дата введения: | 17.04.2006 |
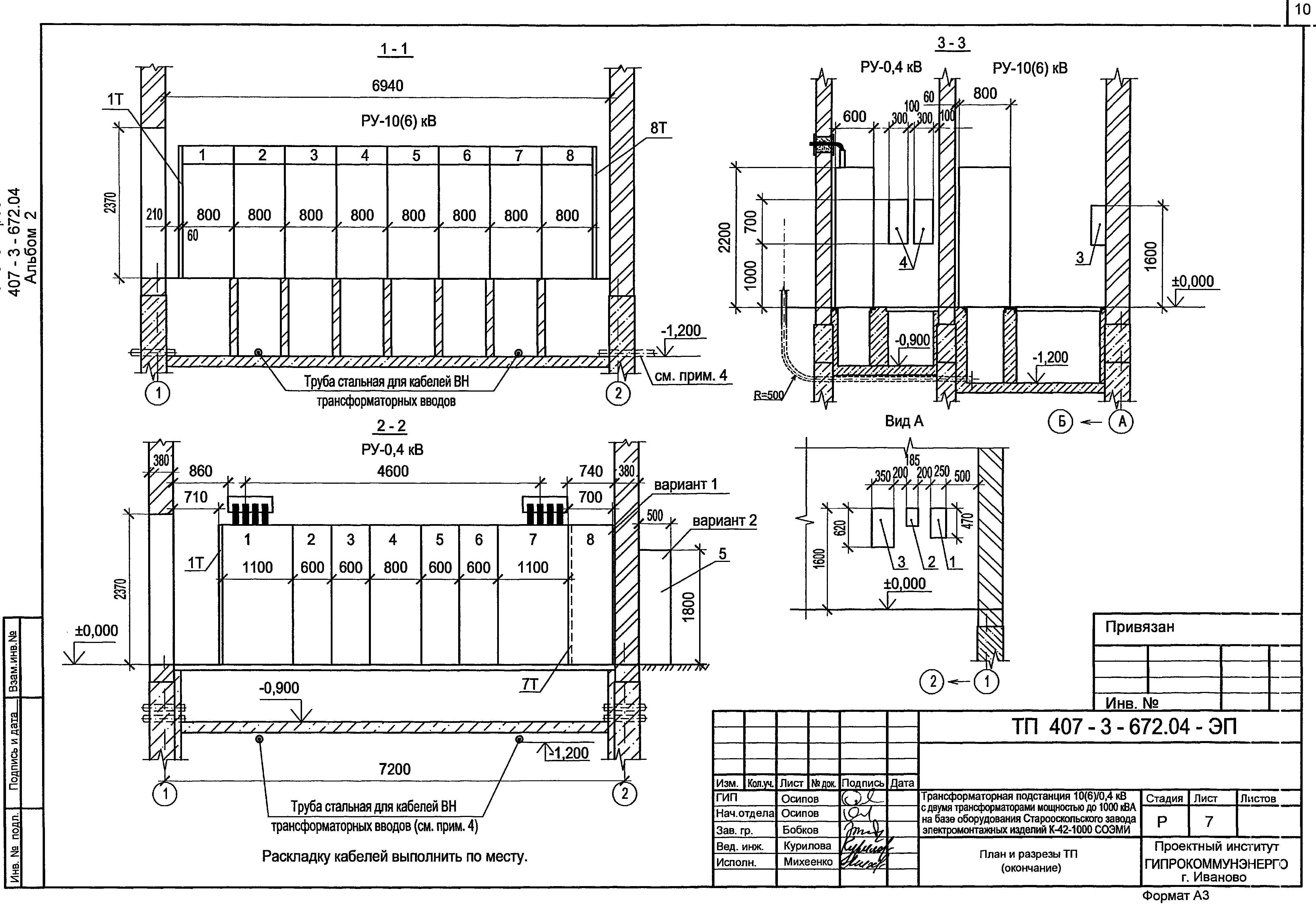
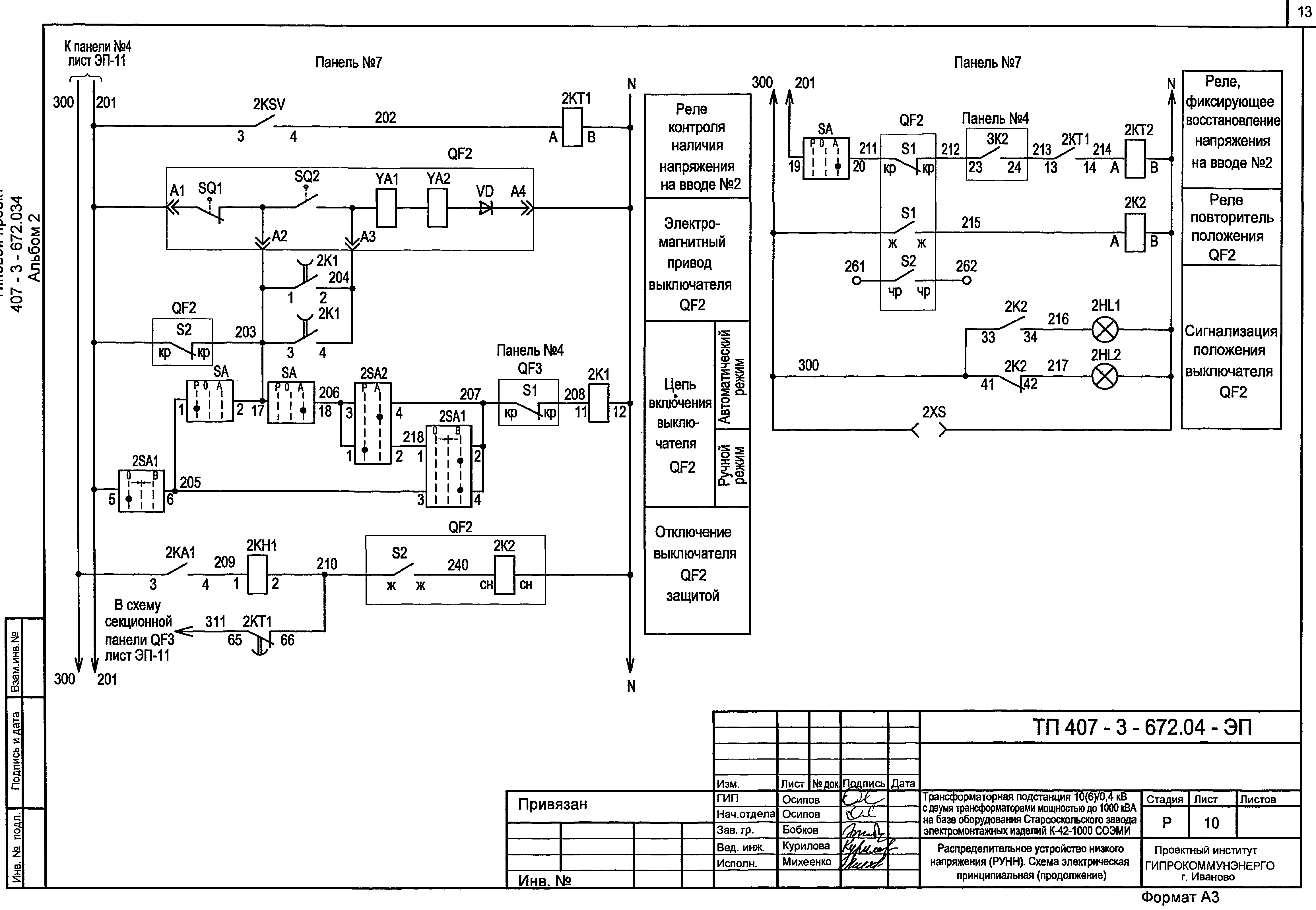
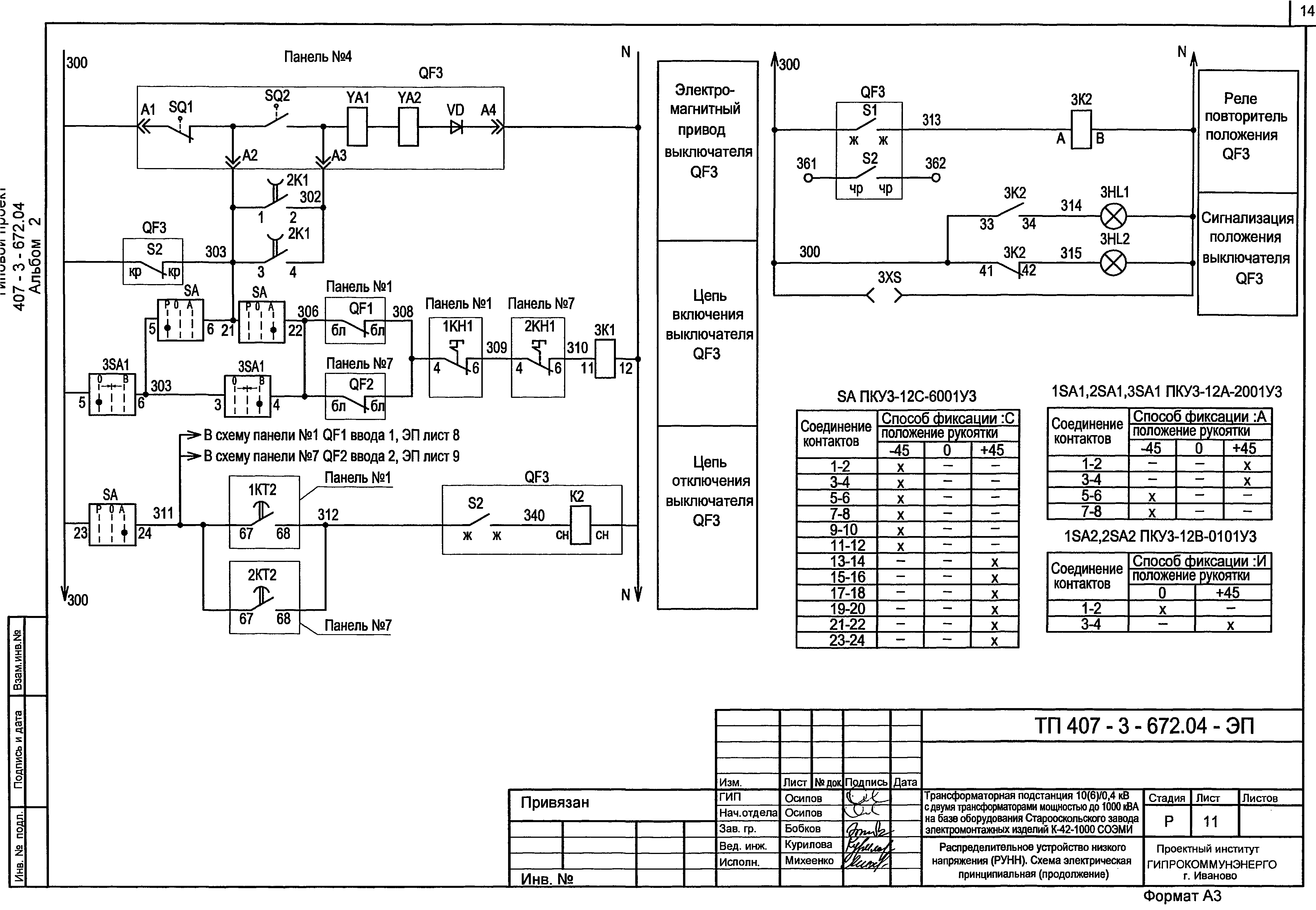
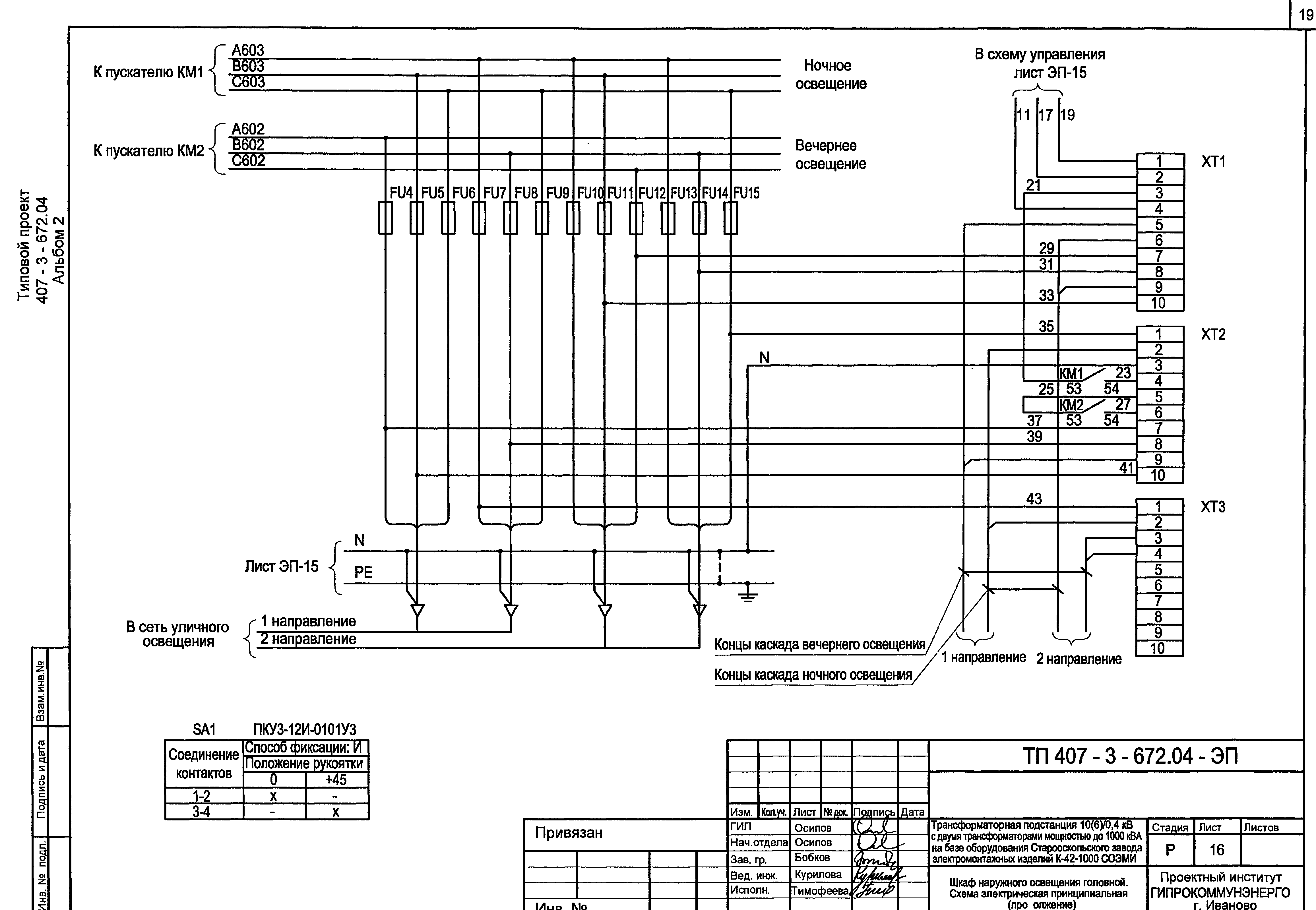
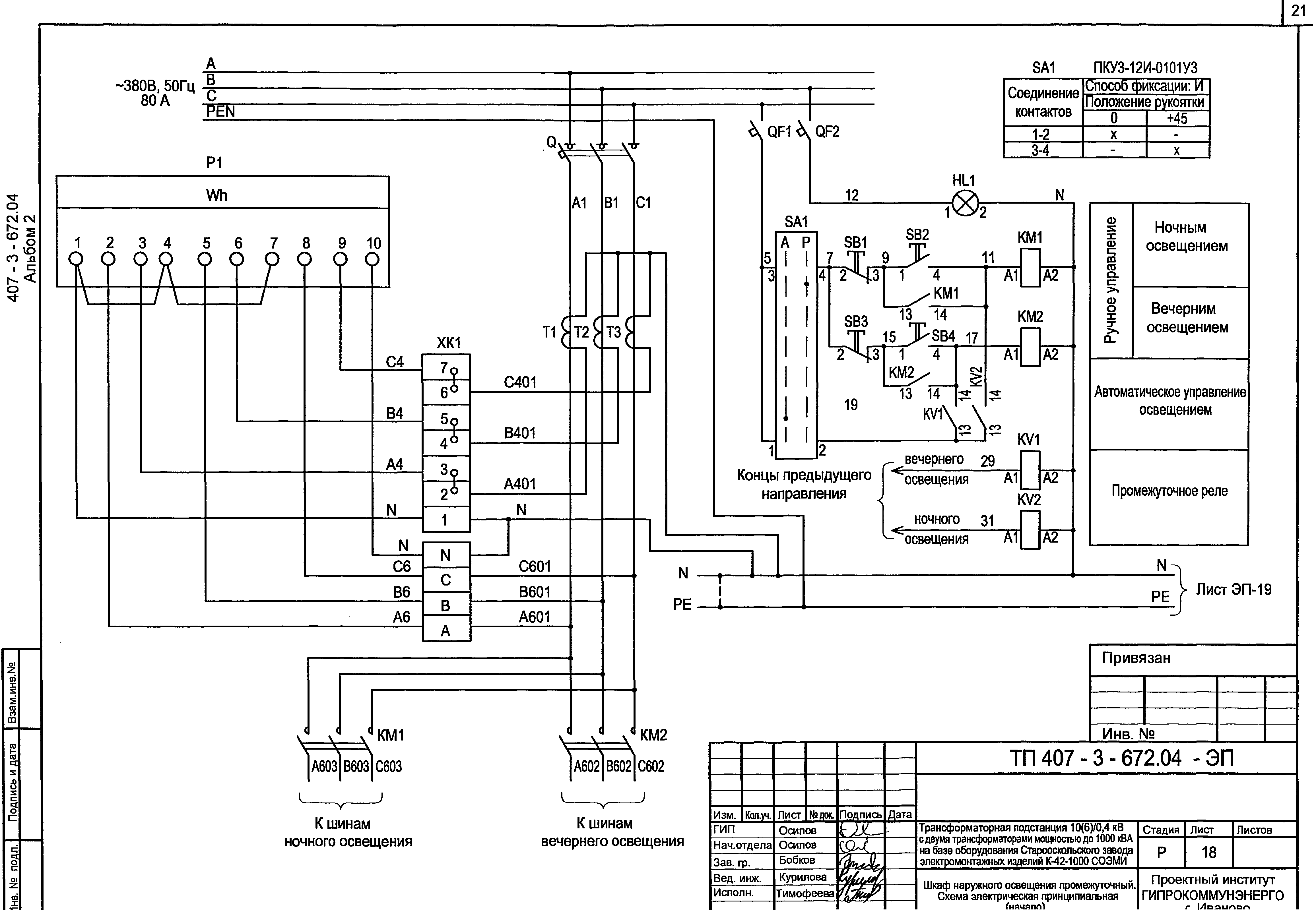
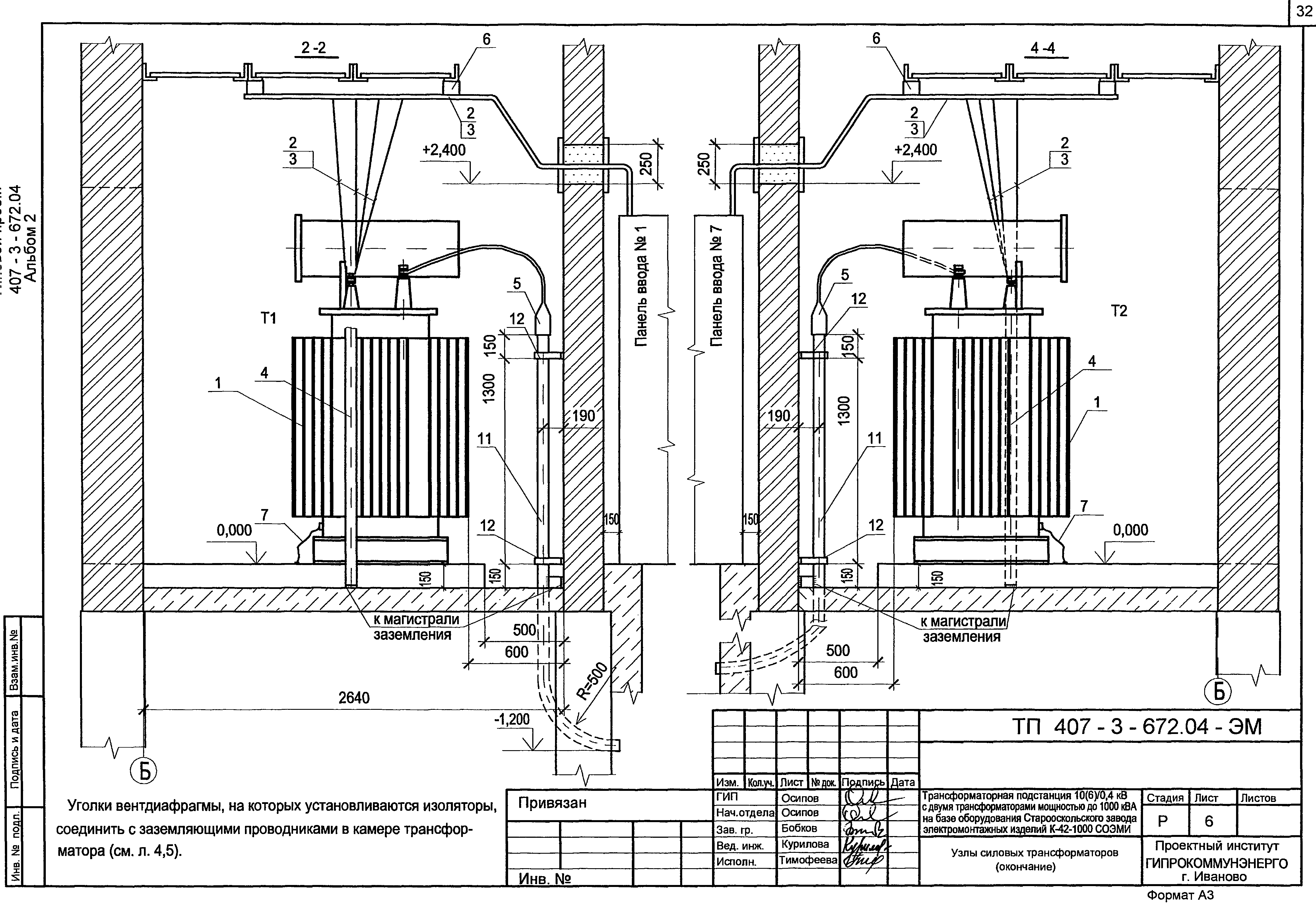
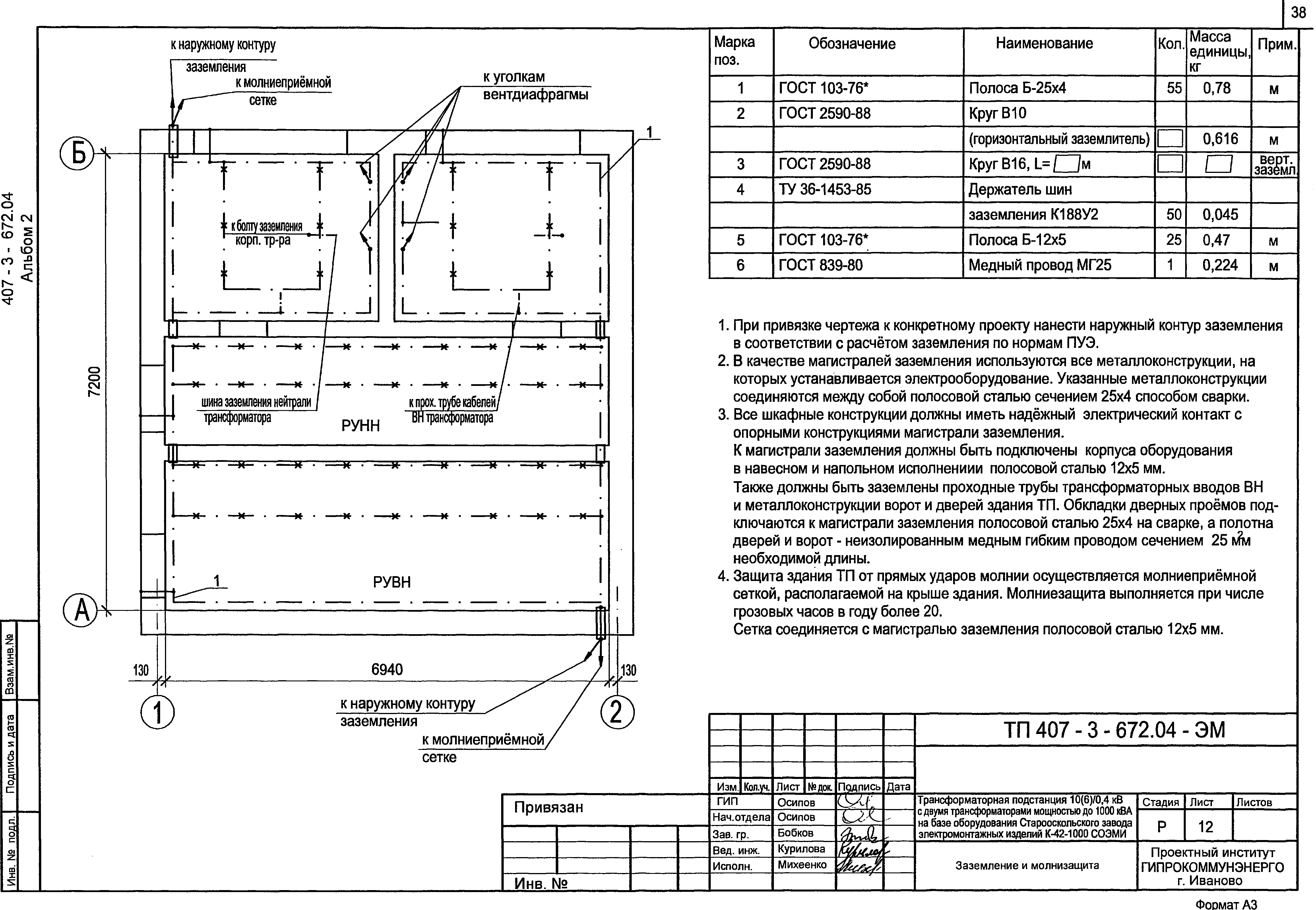
| Оглавление: | ТП 407-3-672.04-СА Содержание альбома ТП 407-3-672.04-ЭП Электротехническая часть ТП 407-3-672.04-ЭП Общие данные (начало) ТП 407-3-672.04-ЭП Общие данные (окончание) ТП 407-3-672.04-ЭП Схема электрических соединений 10(6) кВ ТП 407-3-672.04-ЭП Схема электрических соединений 0,4 кВ (начало) ТП 407-3-672.04-ЭП Схема электрических соединений 0,4 кВ (окончание) ТП 407-3-672.04-ЭП План и разрезы ТП (начало) ТП 407-3-672.04-ЭП План и разрезы ТП (окончание) ТП 407-3-672.04-ЭП Распределительное устройство низкого напряжения (РУНН). Схема электрическая принципиальная (начало) ТП 407-3-672.04-ЭП Распределительное устройство низкого напряжения (РУНН). Схема электрическая принципиальная (продолжение) ТП 407-3-672.04-ЭП Распределительное устройство низкого напряжения (РУНН). Схема электрическая принципиальная (окончание) ТП 407-3-672.04-ЭП Шкаф учета. Схема электрическая принципиальная ТП 407-3-672.04-ЭП Шкаф наружного освещения головной. Схема электрическая принципиальная (начало) ТП 407-3-672.04-ЭП Шкаф наружного освещения головной. Схема электрическая принципиальная (продолжение) ТП 407-3-672.04-ЭП Шкаф наружного освещения головной. Схема электрическая принципиальная (окончание) ТП 407-3-672.04-ЭП Шкаф наружного освещения промежуточный. Схема электрическая принципиальная (начало) ТП 407-3-672.04-ЭП Шкаф наружного освещения промежуточный. Схема электрическая принципиальная (окончание) ТП 407-3-672.04-ЭП Кабельный журнал ТП 407-3-672.04-ЭП План прокладки кабелей ТП 407-3-672.04-ЭП РУ-0,4 кВ. Схема межпанельных связей ТП 407-3-672.04-ЭП Трансформатор Т1(Т2). Ряды зажимов панелей вводов ТП 407-3-672.04-ЭМ Электросиловое оборудование ТП 407-3-672.04-ЭМ Общие данные ТП 407-3-672.04-ЭМ Узлы силовых трансформаторов (начало) ТП 407-3-672.04-ЭМ Узлы силовых трансформаторов (продолжение) ТП 407-3-672.04-ЭМ Узлы силовых трансформаторов (окончание) ТП 407-3-672.04-ЭМ Схема электрического освещения и отопления ТП 407-3-672.04-ЭМ План осветительной сети (начало) ТП 407-3-672.04-ЭМ План осветительной сети (окончание) ТП 407-3-672.04-ЭМ План силовой сети ТП 407-3-672.04-ЭМ Автоматика обогрева. Схема электрическая принципиальная ТП 407-3-672.04-ЭМ Заземление и молниезащита ТП 407-3-672.04-ЭМК Электромонтажные конструкции ТП 407-3-672.04-ЭМК Барьер в камере трансформатора ТП 407-3-672.04-ЭМК Детали оборудования трансформаторных вводов ТП 407-3-672.04-ЭМК Подставка изолирующая ТП 407-3-672.04-ЭМК Ведомость изделий МЭЗ |
| Разработан: | ОГУП ПИ Гипрокоммунэнерго |
| Утверждён: | 17.04.2006 ОАО Компания Электромонтаж (11) |
| Издан: | Информационный бюллетень о нормативной, методической и типовой проектной документации ФГУП ЦПП (2006 г. (10)) |










































