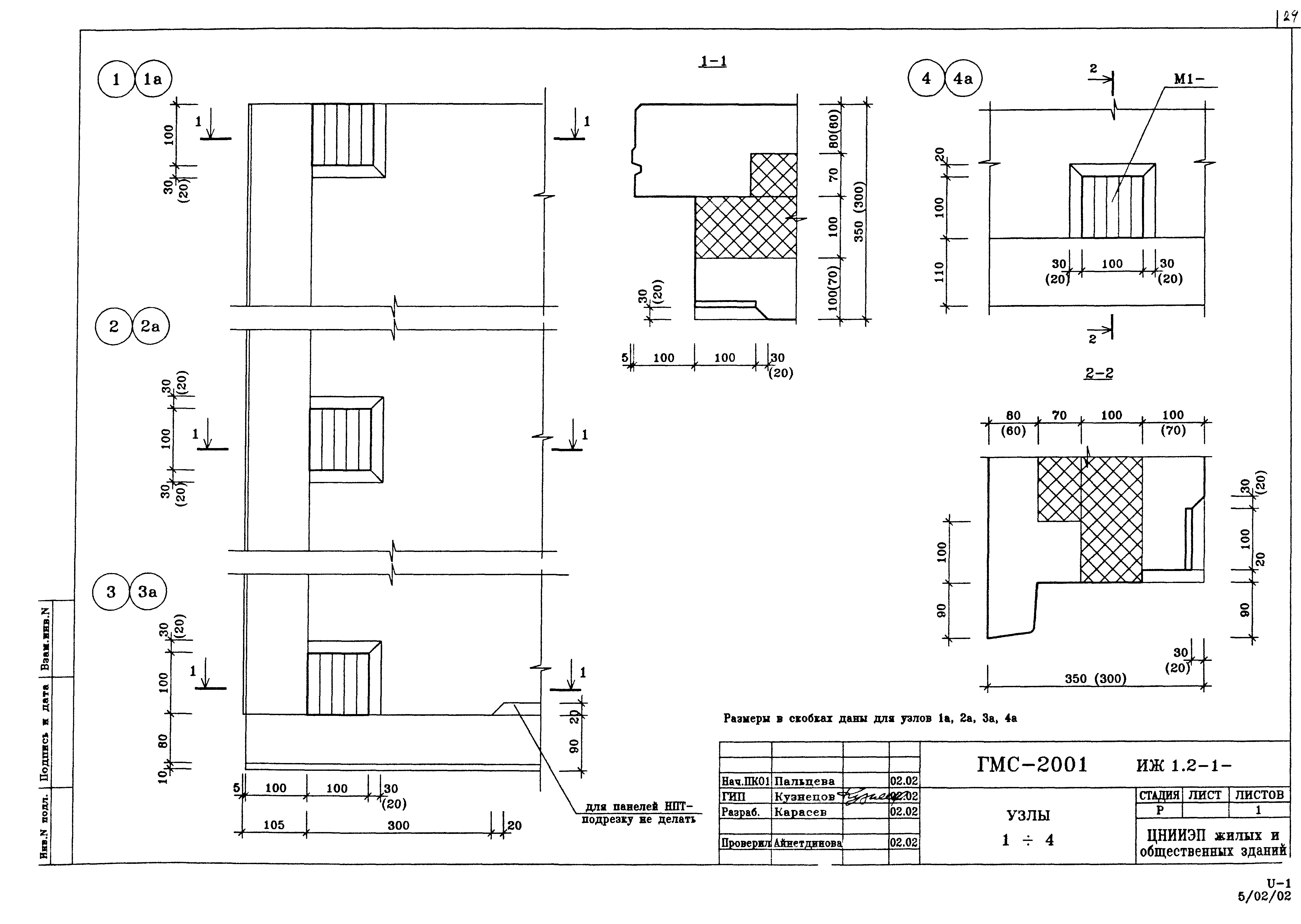
Скачать Альбом ИЖ 1.2-1 Индустриальные железобетонные изделия. Рабочая документация. Опалубочные чертежи изделий. Наружные панели перекрытийДата актуализации: 01.01.2021 Альбом ИЖ 1.2-1
Индустриальные железобетонные изделия. Рабочая документация. Опалубочные чертежи изделий. Наружные панели перекрытий| Обозначение: | Альбом ИЖ 1.2-1 | | Обозначение англ: | ИЖ 1.2-1 | | Статус: | не определен законодательством | | Название рус.: | Индустриальные железобетонные изделия. Рабочая документация. Опалубочные чертежи изделий. Наружные панели перекрытий | | Дата добавления в базу: | 01.09.2013 | | Дата актуализации: | 01.01.2021 | | Дата введения: | 01.03.2002 | | Дата окончания срока действия: | 30.06.2003 | | Разработан: | ЦНИИЭП жилища
| | Утверждён: | 01.03.2002 ЦНИИЭП жилища (TsNIIEPzhilishcha )
|
                                   
|