Скачать Альбом ПС-238 Индустриальная конструкция осевых сильфонных компенсаторов и неподвижных опор для бесканальной прокладки тепловых сетей с пенополиуретановой изоляцией Ду 50 - 1000 мм. Конструктивные решенияДата актуализации: 01.01.2021
|
| Обозначение: | Альбом ПС-238 |
| Обозначение англ: | ПС-238 |
| Статус: | не определен законодательством |
| Название рус.: | Индустриальная конструкция осевых сильфонных компенсаторов и неподвижных опор для бесканальной прокладки тепловых сетей с пенополиуретановой изоляцией Ду 50 - 1000 мм. Конструктивные решения |
| Дата добавления в базу: | 01.09.2013 |
| Дата актуализации: | 01.01.2021 |
| Дата введения: | 01.01.1989 |
| Дата окончания срока действия: | 30.06.2003 |
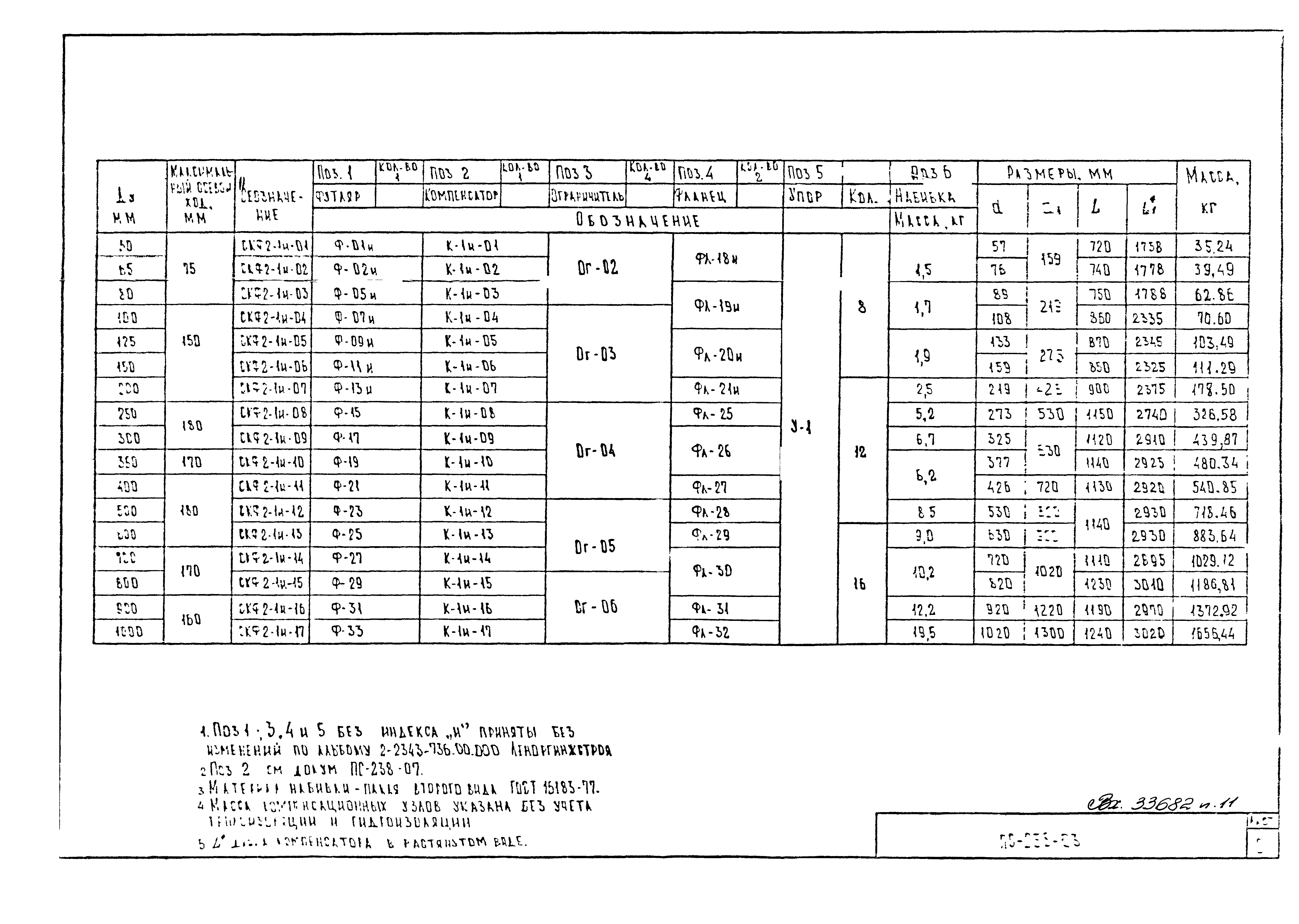
| Оглавление: | ПС-238-00 ПЗ Пояснительная записка ПС-238-01 Сильфонные блоки СК52-1и и 1МКФ2-2и с заводской теплогидроизоляцией. Принципиальное решение ПС-238-02 Сильфонные блоки СКФ2-1ин и СКФ2-2ин с заводской теплогидроизоляцией. Принципиальное решение ПС-238-03 Узел компенсационный СКФ2-1и. Металлоконструкции. Сборочный чертеж ПС-238-04 Узел компенсационный СКФ2-2и. Металлоконструкции. Сборочный чертеж ПС-238-05 Узел компенсационный СКФ2-1ин. Металлоконструкции. Сборочный чертеж ПС-238-06 Узел компенсационный СКФ2-2ин. Металлоконструкции. Сборочный чертеж ПС-238-07 Компенсатор К-1и ПС-238-08 Компенсатор К-2и ПС-238-09 Компенсатор К - 1ин ПС-238-10 Компенсатор К - 2ин ПС-238-11 Патрубок П-01и ...П-34 ПС-238-12 Патрубок П-35 ...П-54 ПС-238-13 Футляр Ф-01 ...Ф-34 ПС-238-14 Фланцы Фл-01и...Фл-21и. Фланцы Фл-25...Фл-32. Фланцы Фл-33 ...Фл-42 ПС-238-15 Ребро. Упор У-I. Ограничитель ПС-238-16 Накладка ПС-238-17 Изолированные элементы неподвижных опор. Ду=50-400 мм. Металлоконструкции ПС-238-18 Изолированные элементы неподвижных опор Ду500-1000 мм. Металлоконструкции |
| Разработан: | Мосинжпроект |
| Утверждён: | 01.01.1989 Мосинжпроект (Mosinzhproject ) |





































