Скачать Серия 1.090.1-2с Выпуск 2-1. Панели наружных стен однослойные для зданий с высотой этажа 3,3 м. Рабочие чертежиДата актуализации: 01.01.2021
|
| Обозначение: | Серия 1.090.1-2с |
| Обозначение англ: | Series 1.090.1-2с |
| Статус: | не действует |
| Название рус.: | Выпуск 2-1. Панели наружных стен однослойные для зданий с высотой этажа 3,3 м. Рабочие чертежи |
| Дата добавления в базу: | 01.09.2013 |
| Дата актуализации: | 01.01.2021 |
| Дата введения: | 01.01.1985 |
| Дата окончания срока действия: | 01.04.1991 |
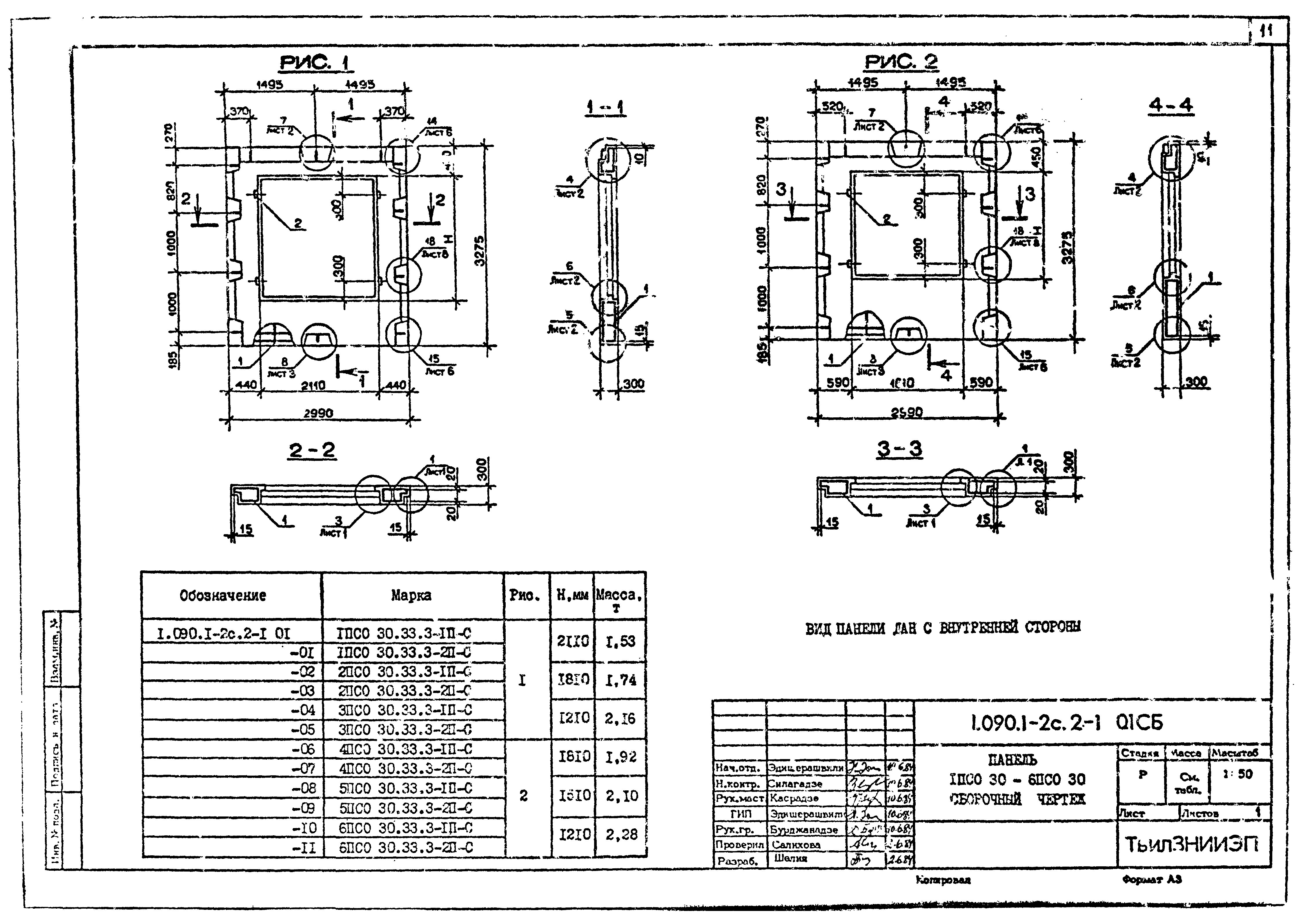
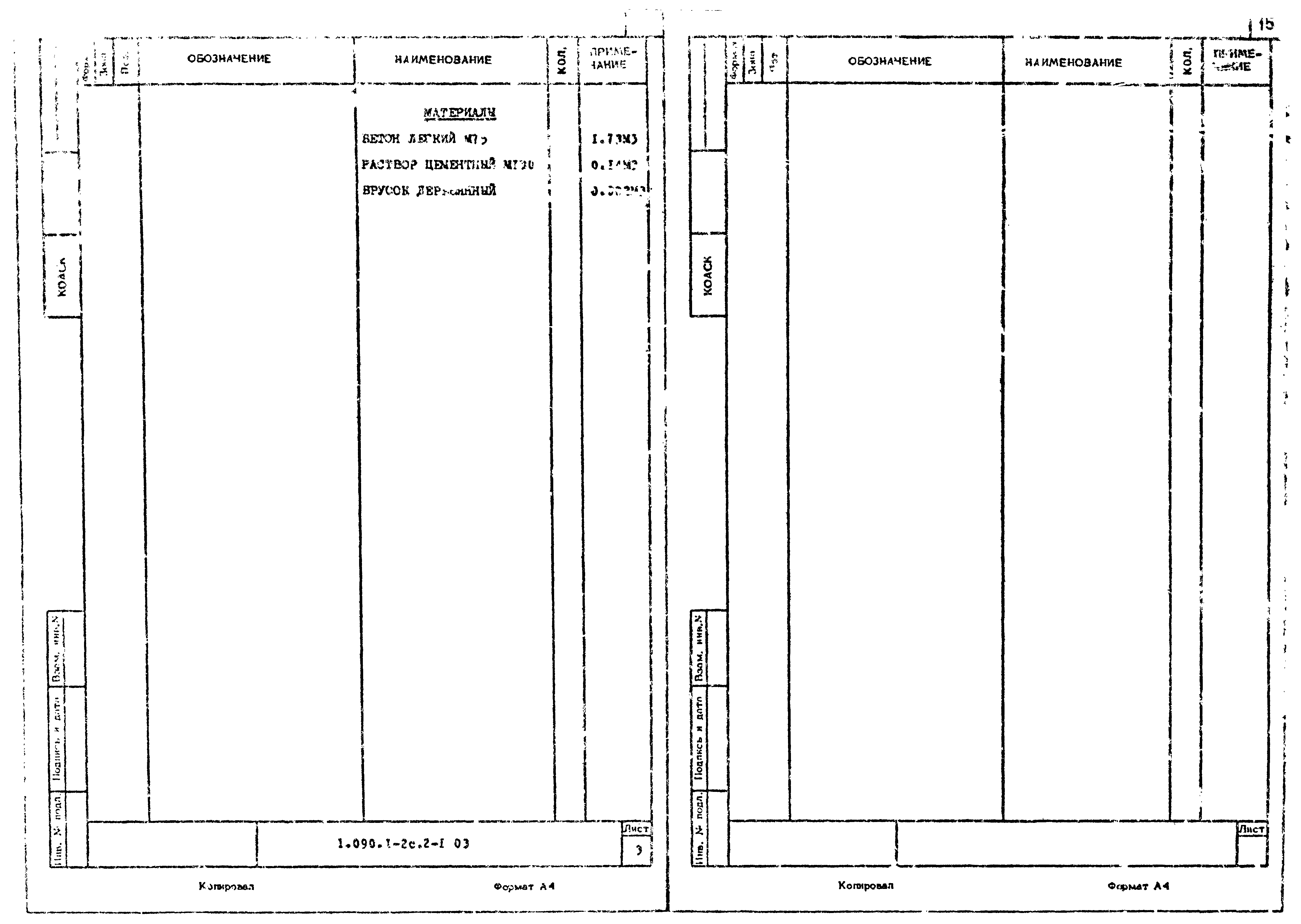
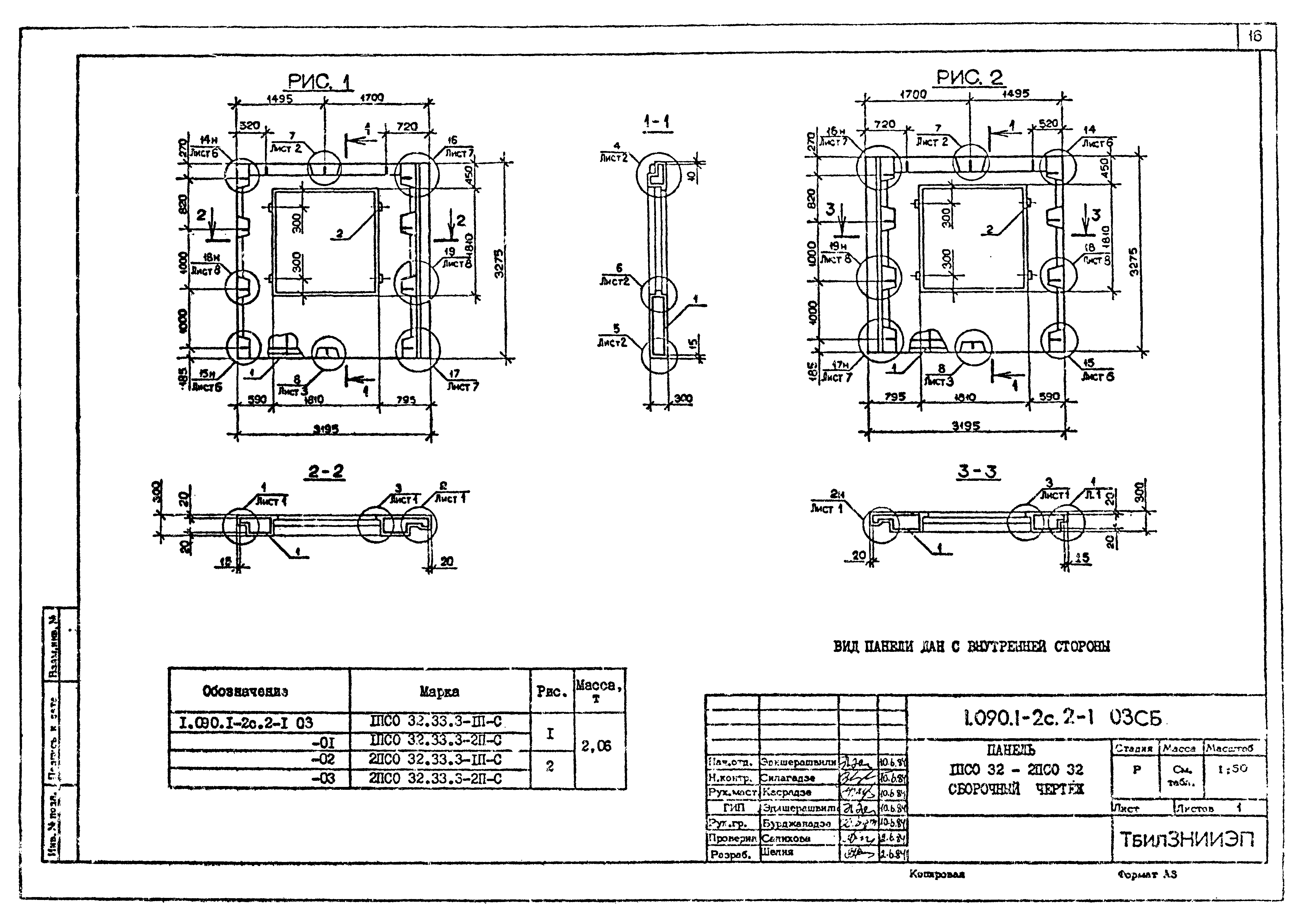
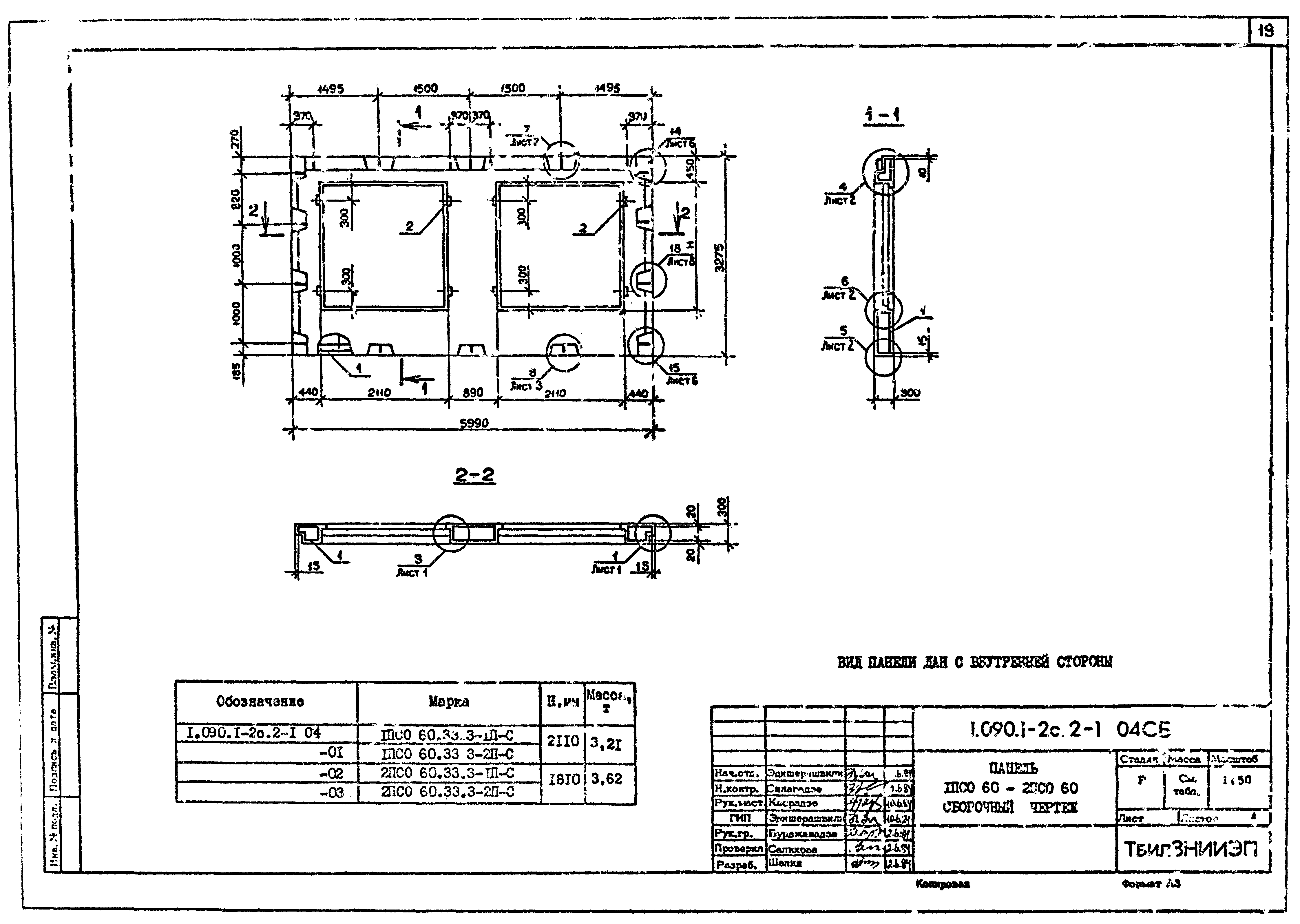
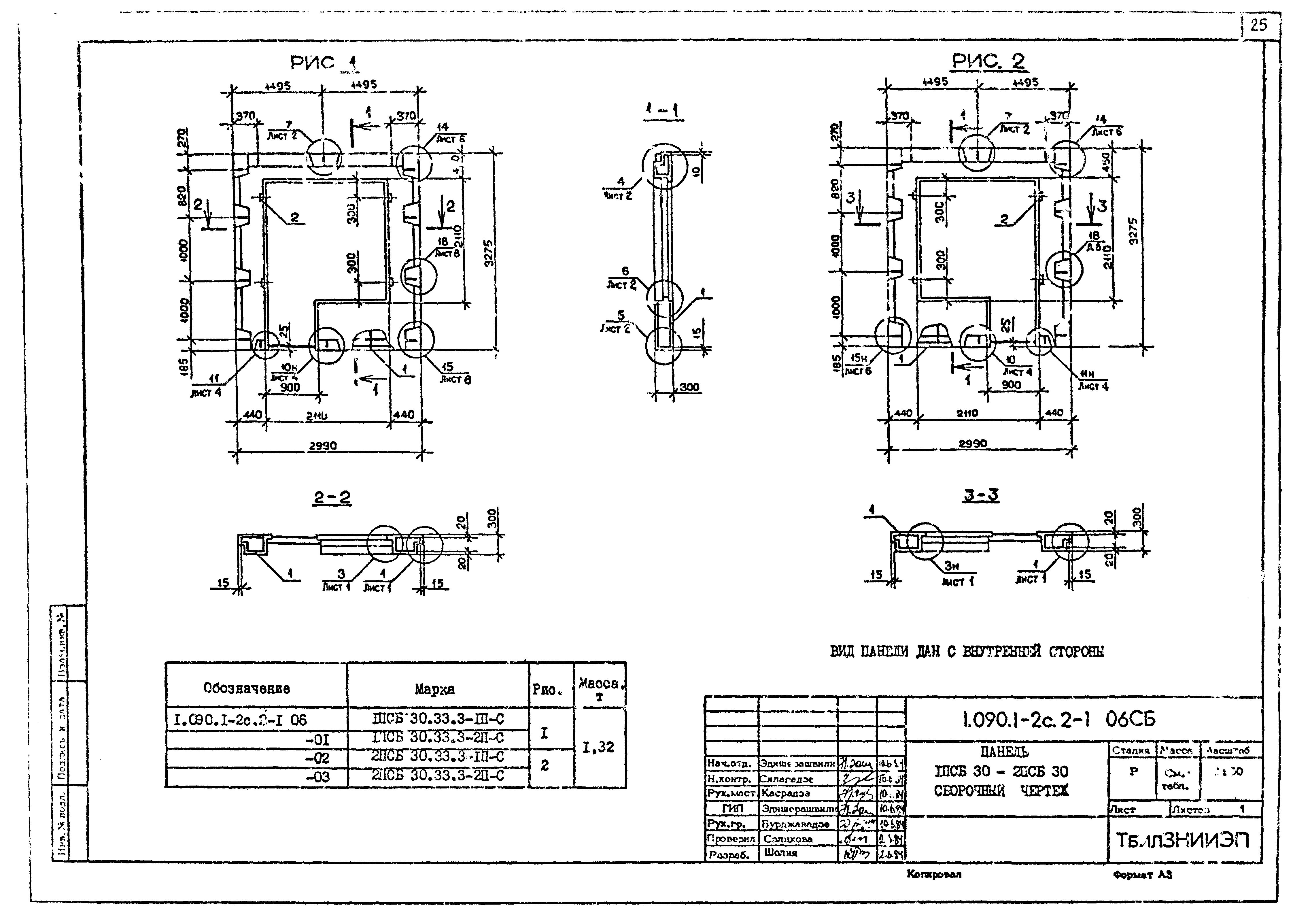
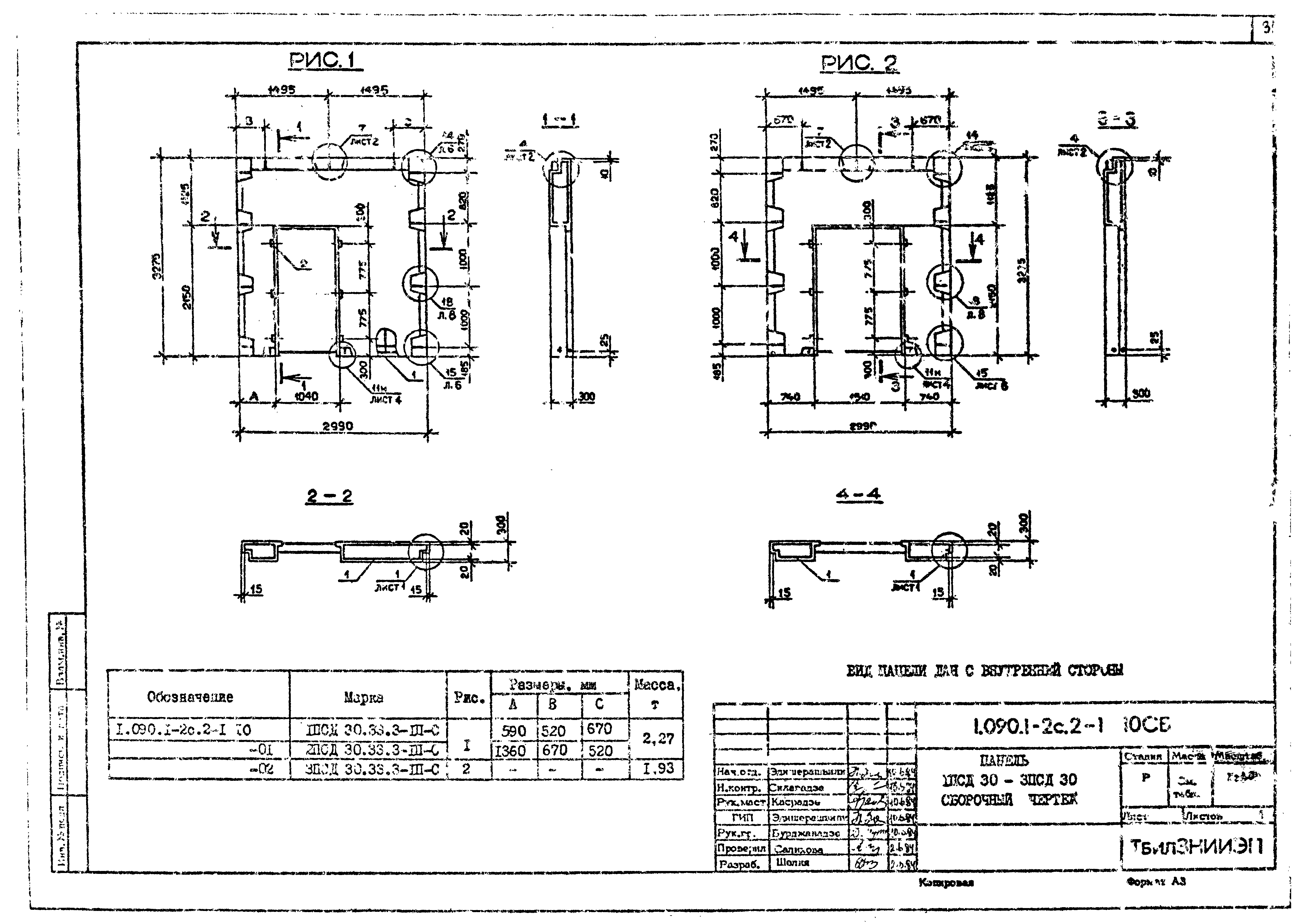
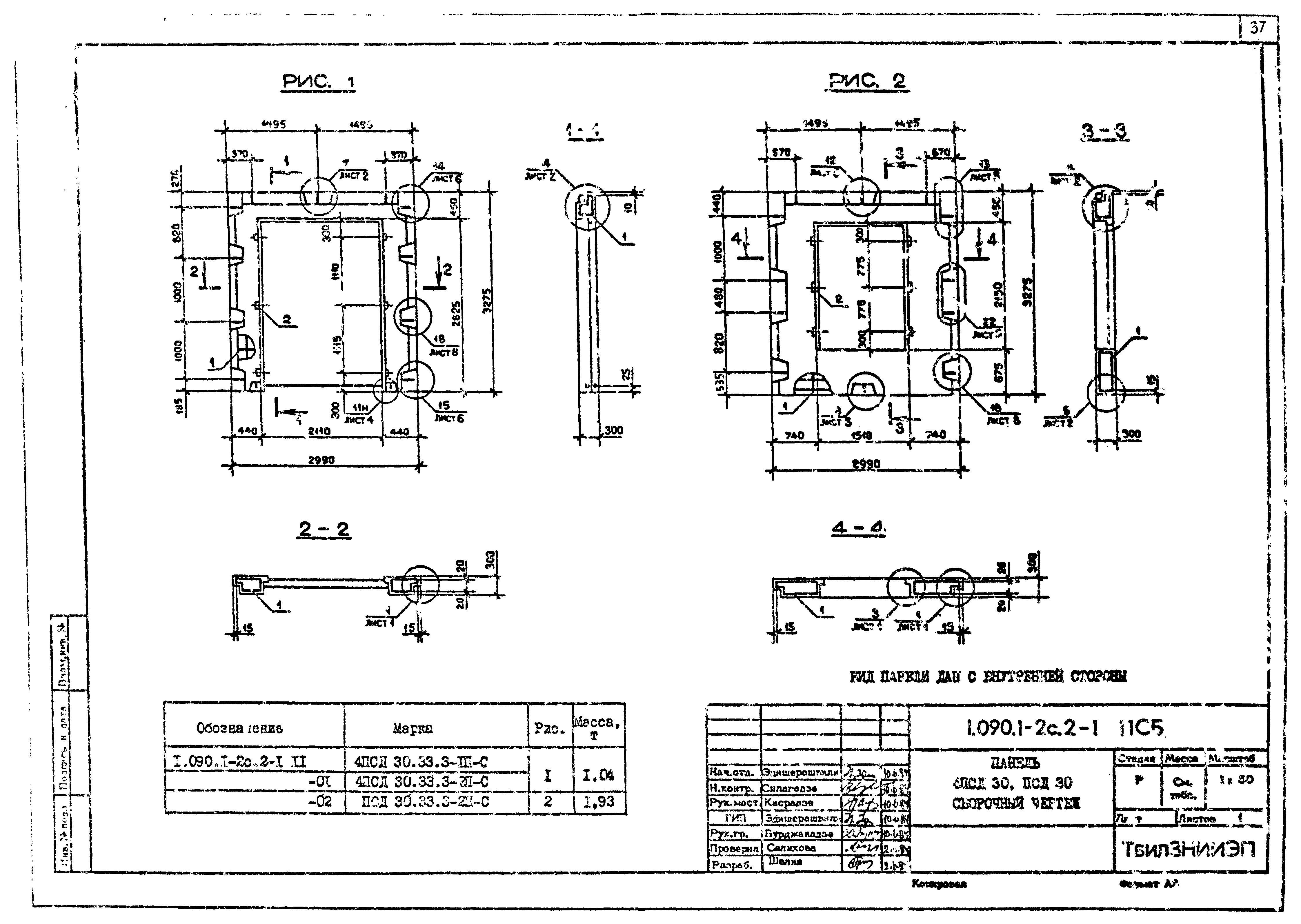
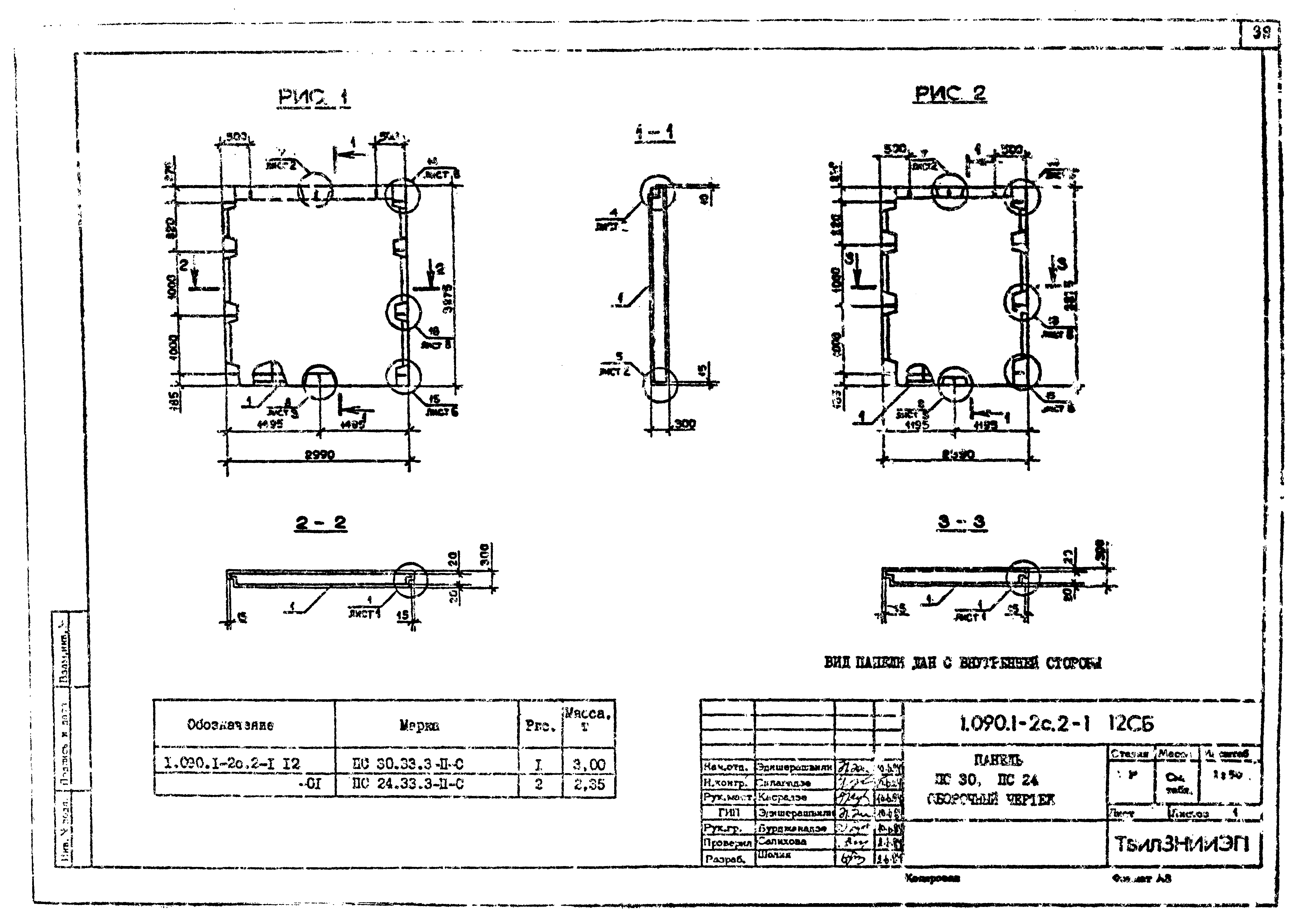
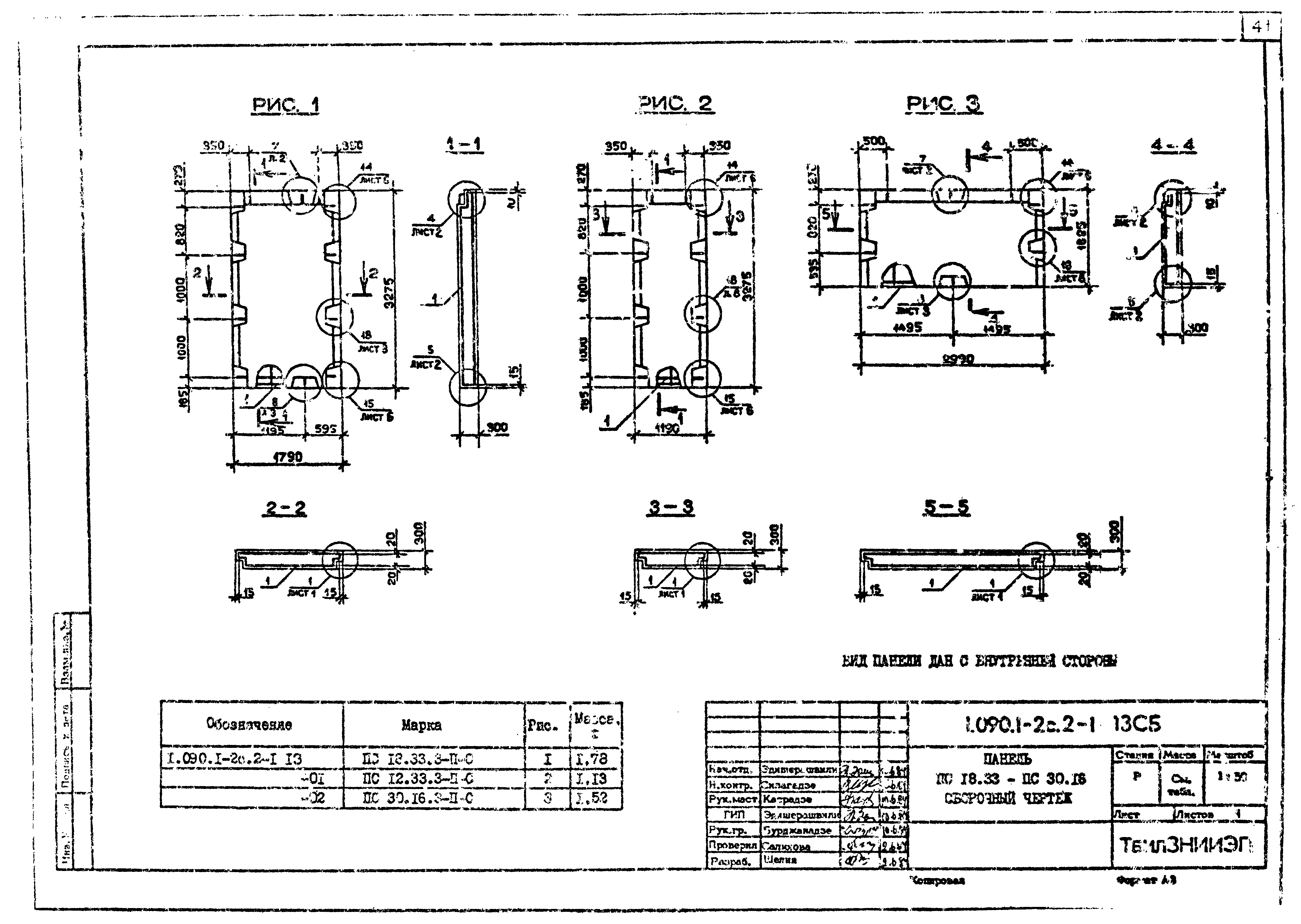
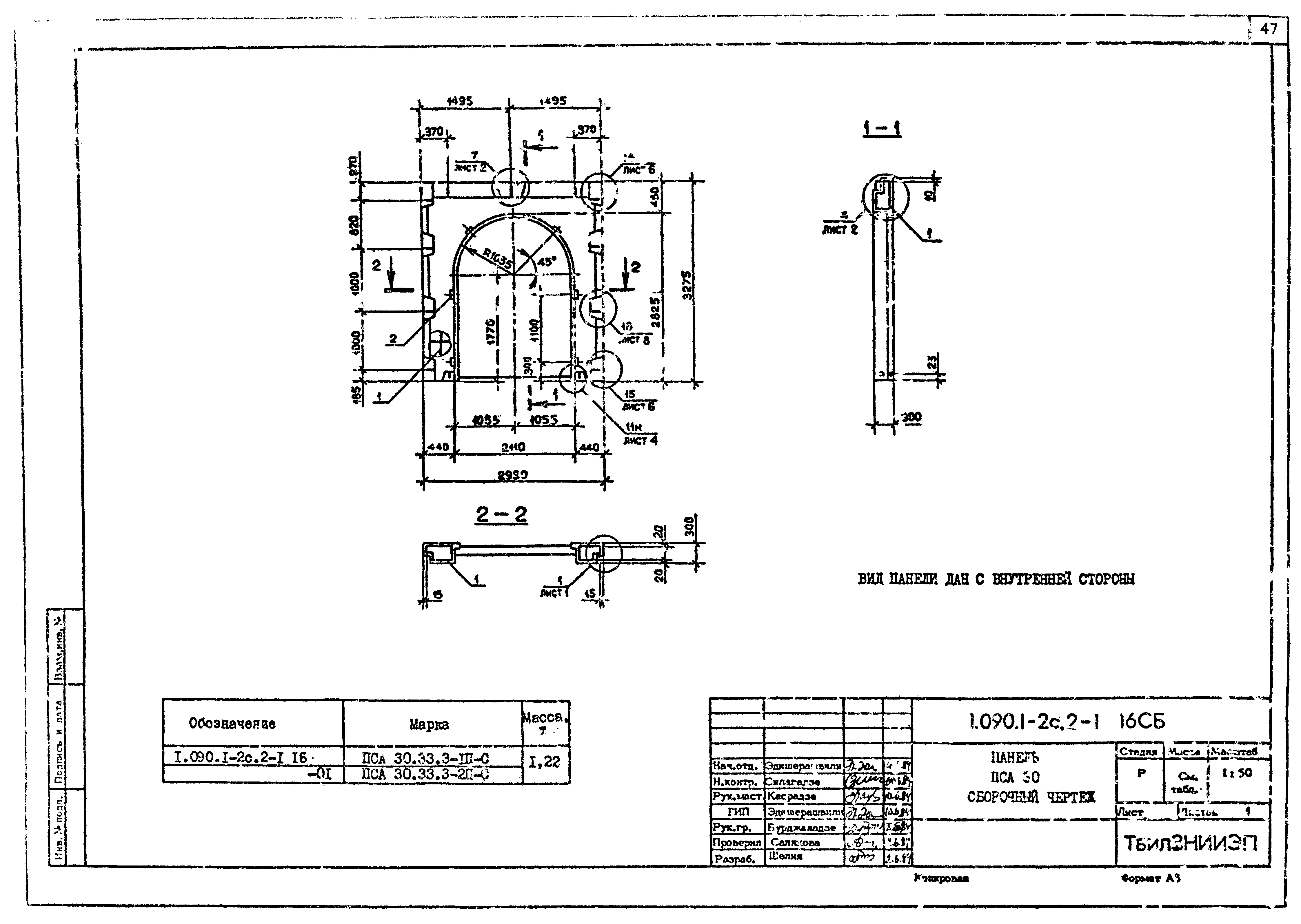
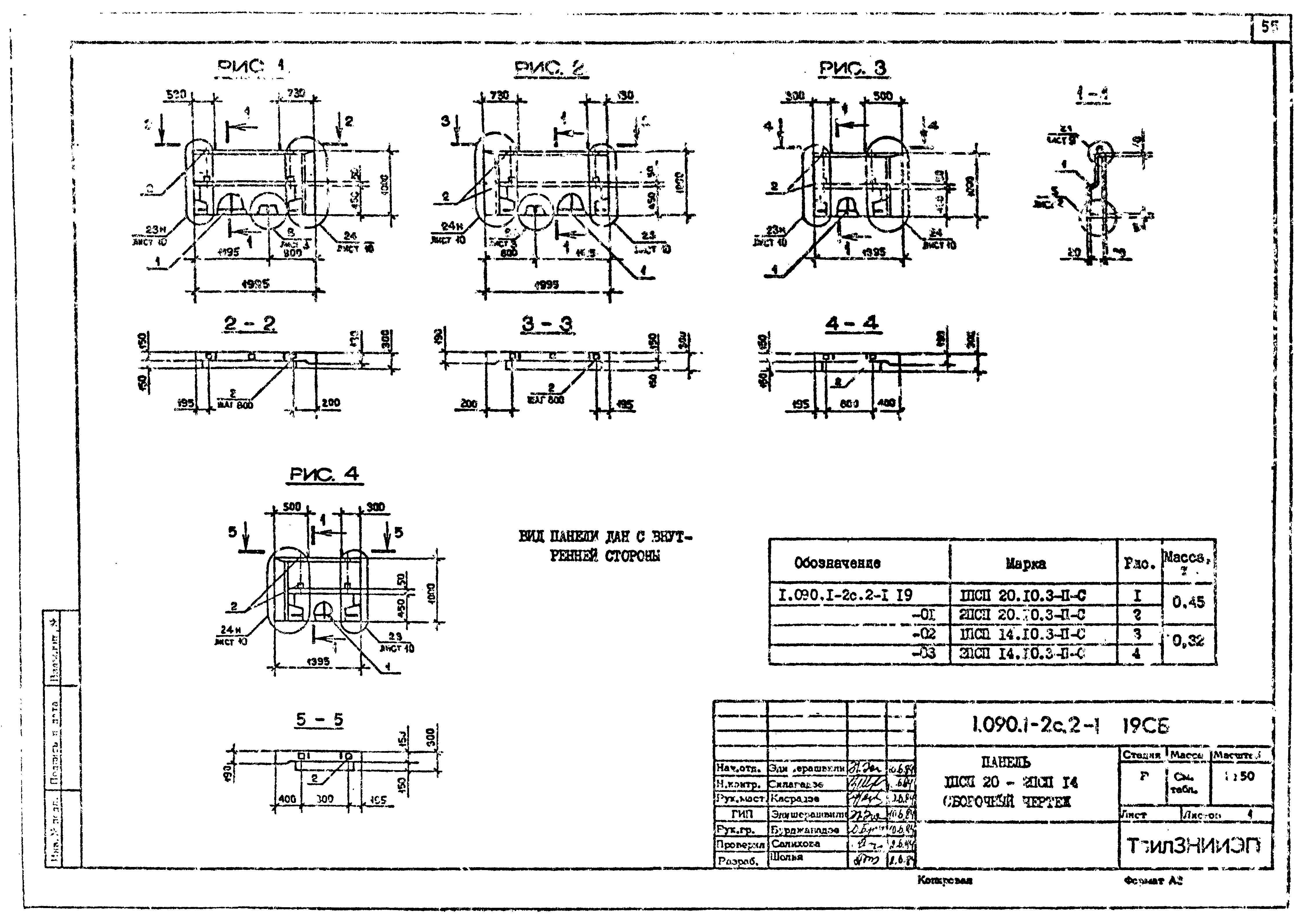
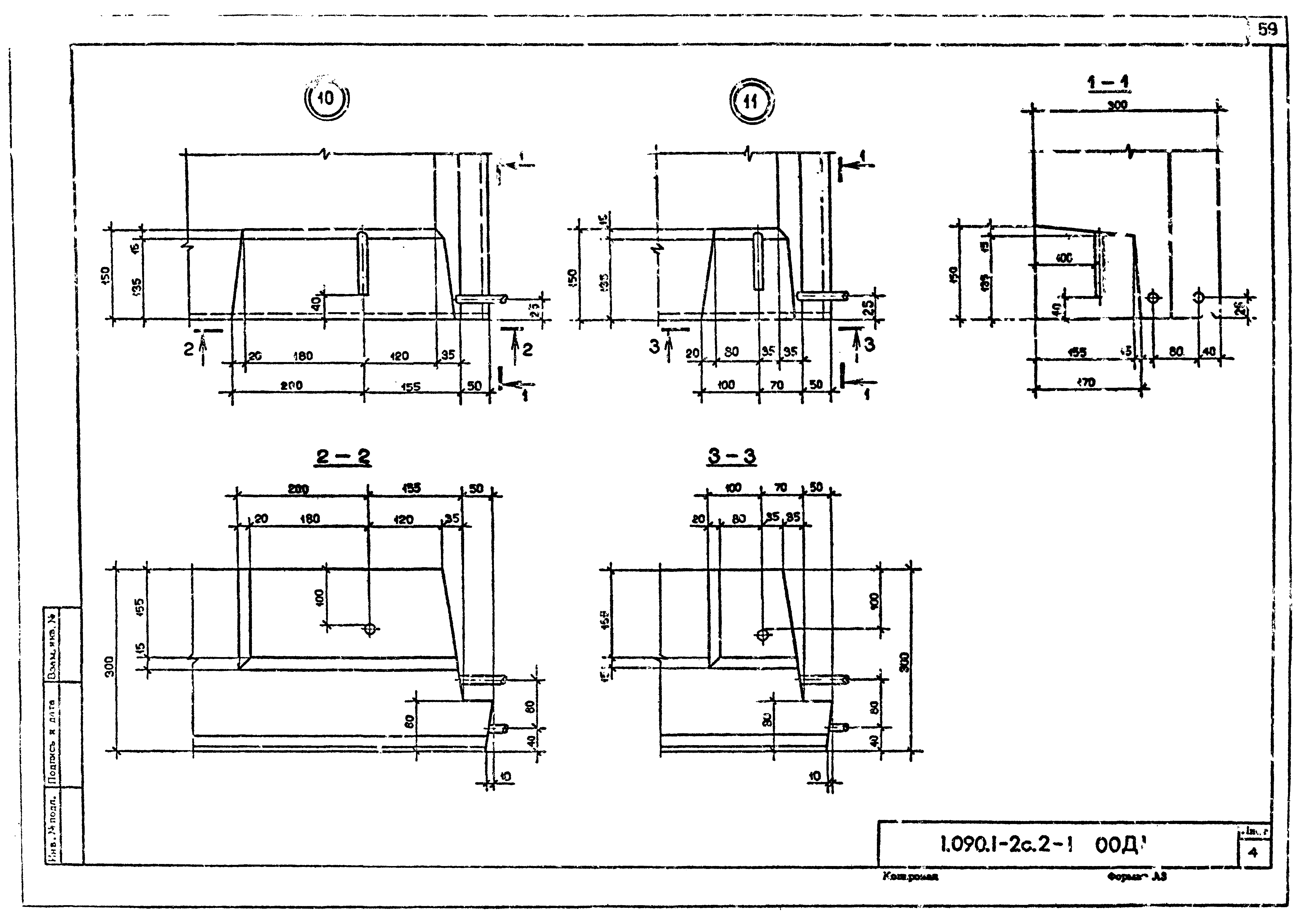
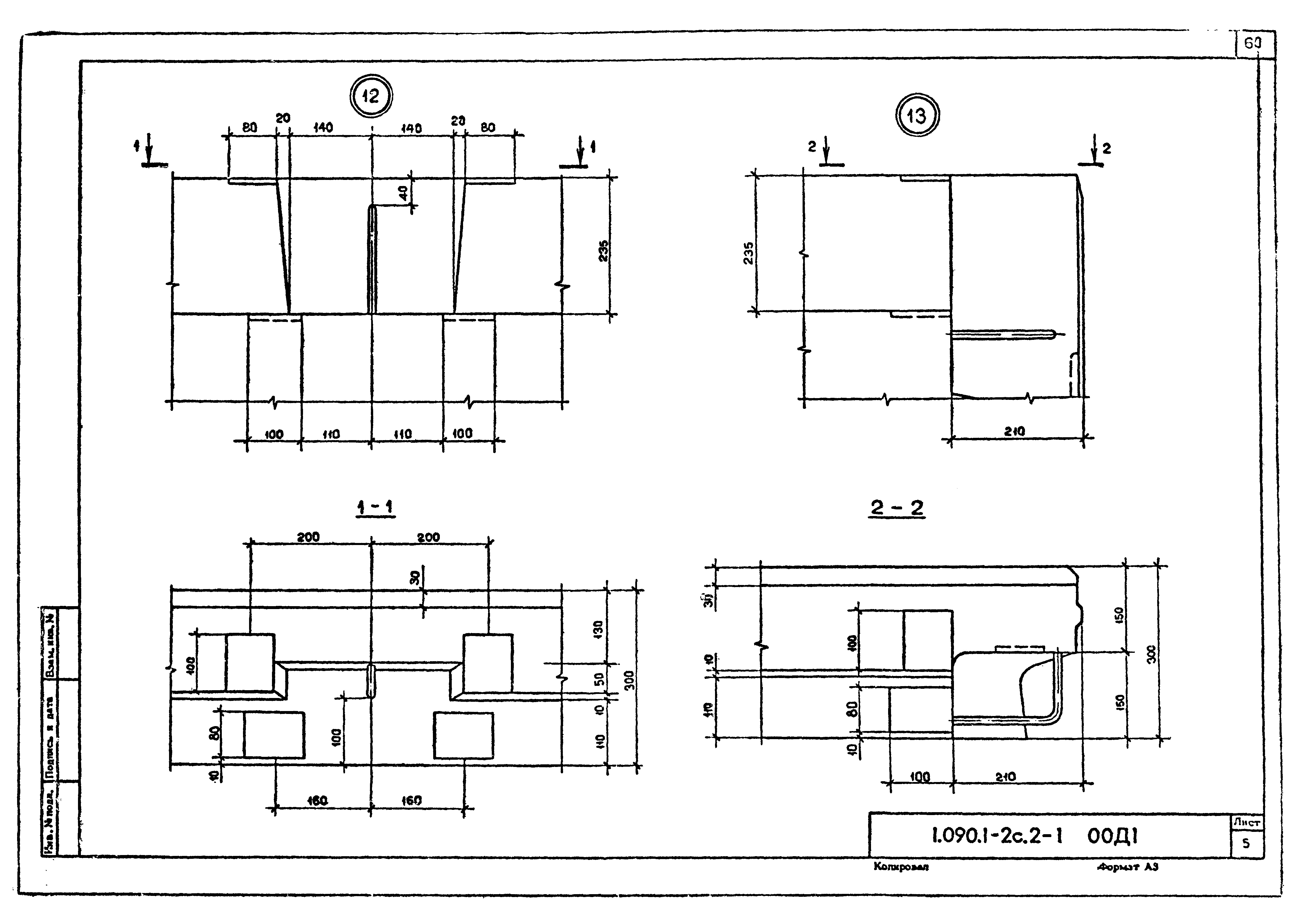
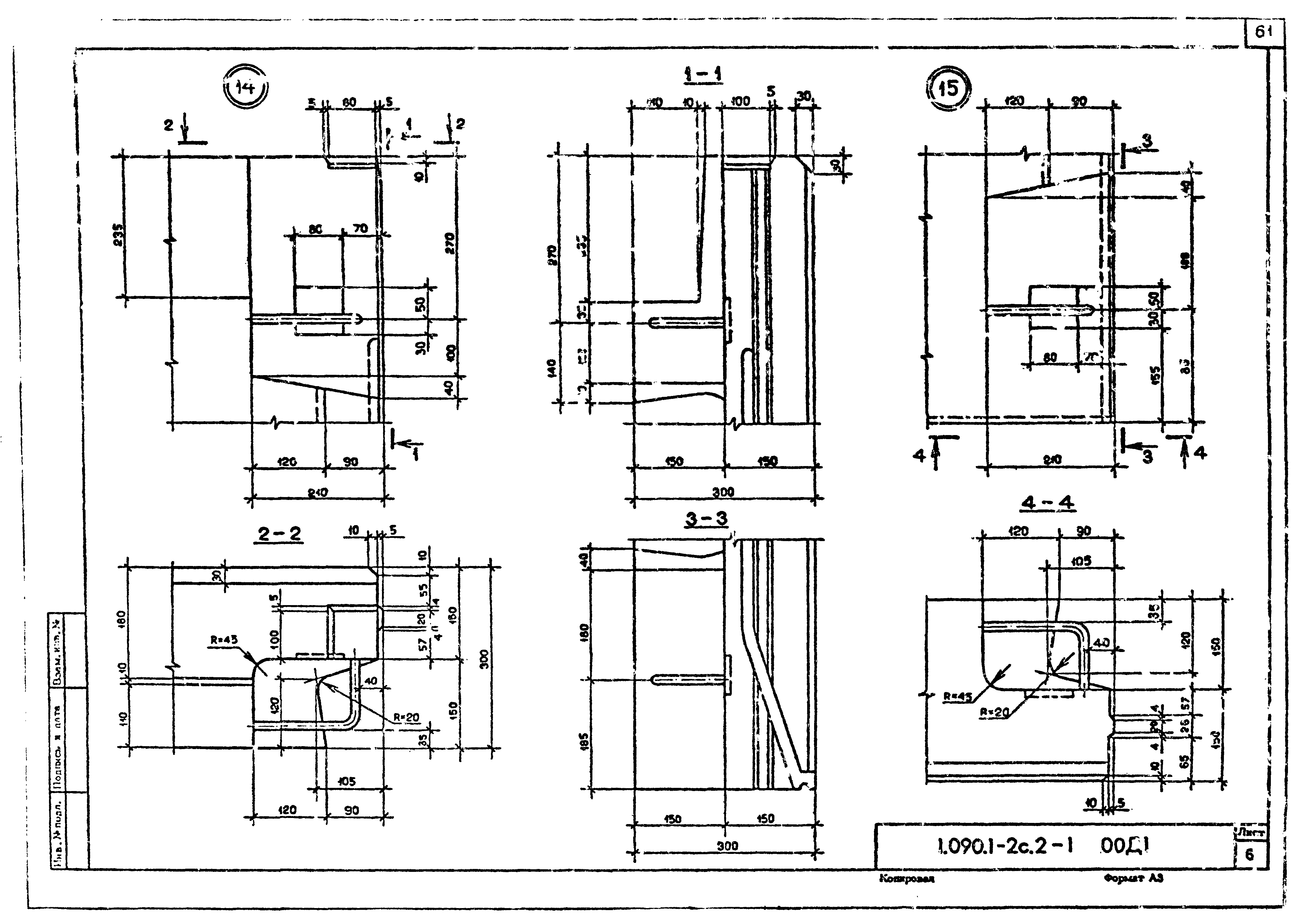
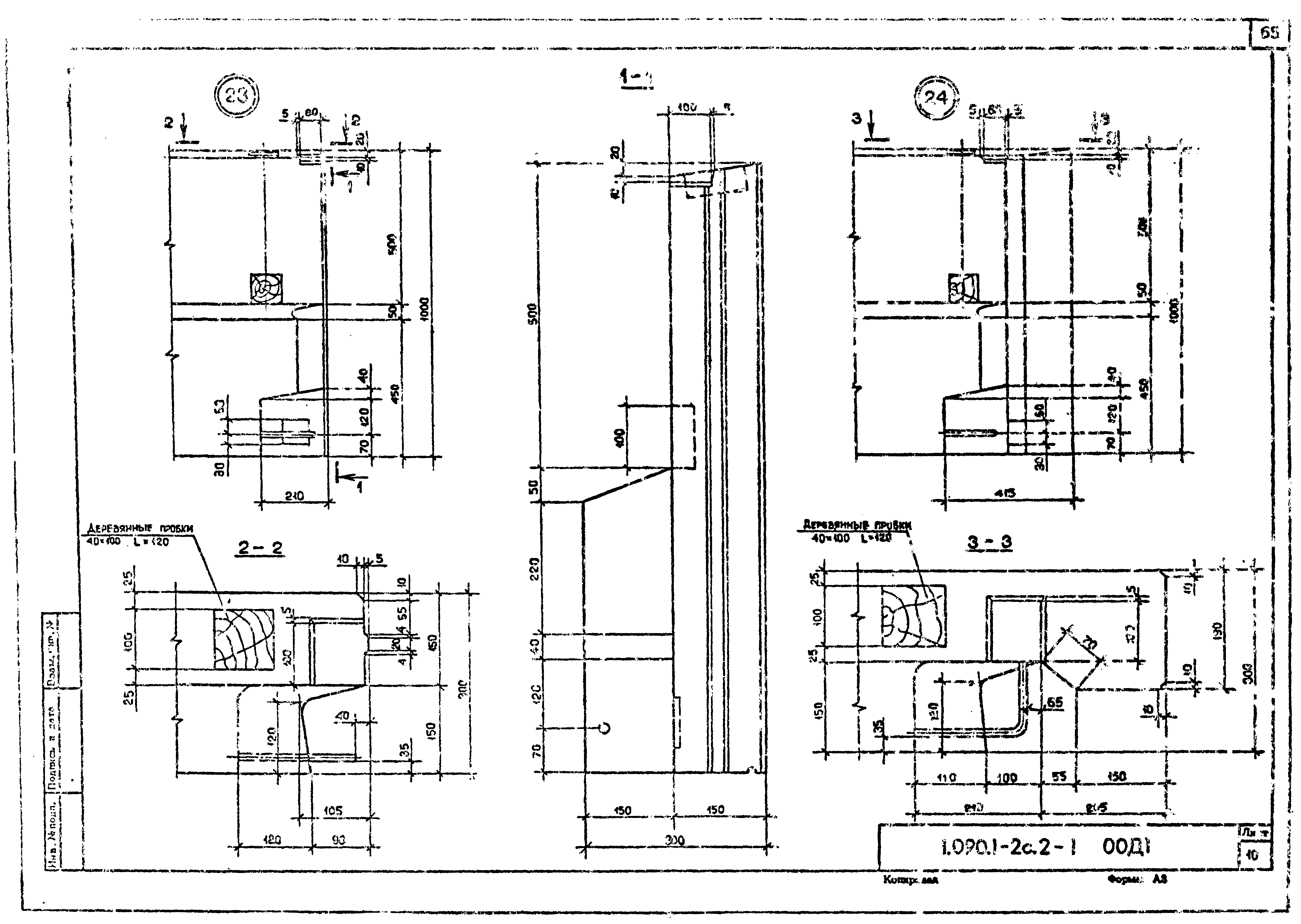
| Оглавление: | 1.090.1-2с.2-1 00ТО Техническое описание 1.090.1-2с.2-1 01 Панель 1ПСО30-6ПСО30 1.090.1-2с.2-1 02 Панель 7ПСО30-9ПСО30 1.090.1-2с.2-1 03 Панель 1ПСО32-2ПСО32 1.090.1-2с.2-1 04 Панель 1ПСО60-2ПСО60 1.090.1-2с.2-1 05 Панель 3ПСО60-4ПСО60 1.090.1-2с.2-1 06 Панель 1ПСБ30-2ПСБ30 1.090.1-2с.2-1 07 Панель ПСЛ30 1.090.1-2с.2-1 08 Панель 1ПСЛ30-4ПСЛ30 1.090.1-2с.2-1 09 Панель 5ПСЛ30-8ПСЛ30 1.090.1-2с.2-1 10 Панель 1ПСД30-3ПСД30 1.090.1-2с.2-1 11 Панель 4ПСД30-ПСД30 1.090.1-2с.2-1 12 Панель ПС30, ПС24 1.090.1-2с.2-1 13 Панель ПС18.33-ПС30.16 1.090.1-2с.2-1 14 Панель 1ПС32-1ПС14 1.090.1-2с.2-1 15 Панель 2ПС32-2ПС14 1.090.1-2с.2-1 16 Панель ПСЛ 30 1.090.1-2с.2-1 17 Панель ПСП60-ПСП12 1.090.1-2с.2-1 18 Панель 1ПСП32; 2ПСП32 1.090.1-2с.2-1 19 Панель 1ПСП20-2ПСП14 1.090.1-2с.2-1 00Д1 Узлы опалубочные 1.090.1-2с.2-1 00РС Ведомость расхода стали |
| Разработан: | ТбилЗНИИЭП |
| Утверждён: | 01.11.1984 Госстрой СССР (Государственный комитет Совета Министров СССР по делам строительства) (USSR Gosstroy ИИ-31) |






































































