Скачать Серия 1.090.1-2с Выпуск 2-5. Панели наружных стен однослойные для зданий с высотой этажа 3,3 и 3,0 м. Арматурные и закладные изделия. Рабочие чертежиДата актуализации: 01.01.2021
|
| Обозначение: | Серия 1.090.1-2с |
| Обозначение англ: | Series 1.090.1-2с |
| Статус: | не действует |
| Название рус.: | Выпуск 2-5. Панели наружных стен однослойные для зданий с высотой этажа 3,3 и 3,0 м. Арматурные и закладные изделия. Рабочие чертежи |
| Дата добавления в базу: | 01.09.2013 |
| Дата актуализации: | 01.01.2021 |
| Дата введения: | 01.01.1985 |
| Дата окончания срока действия: | 01.04.1991 |
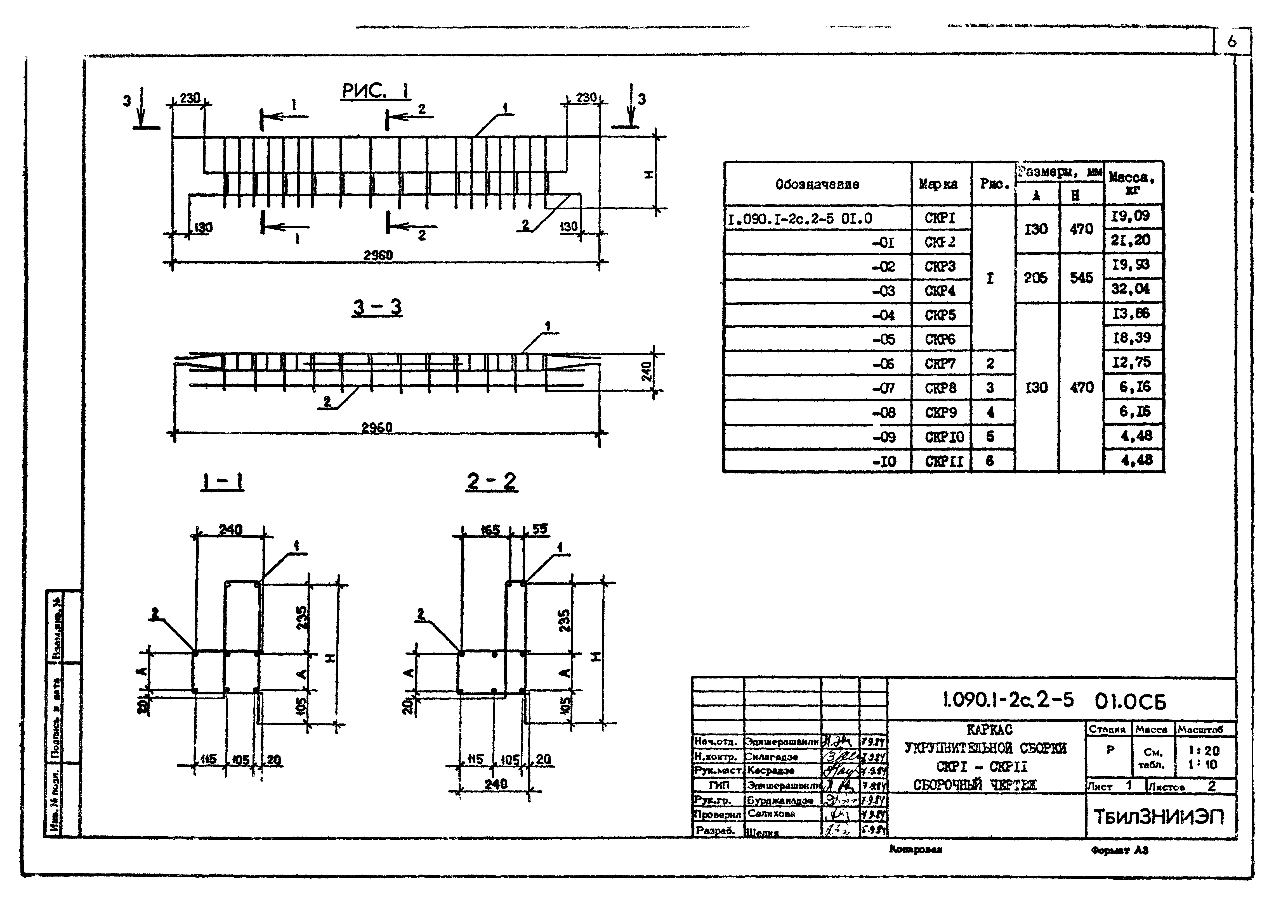
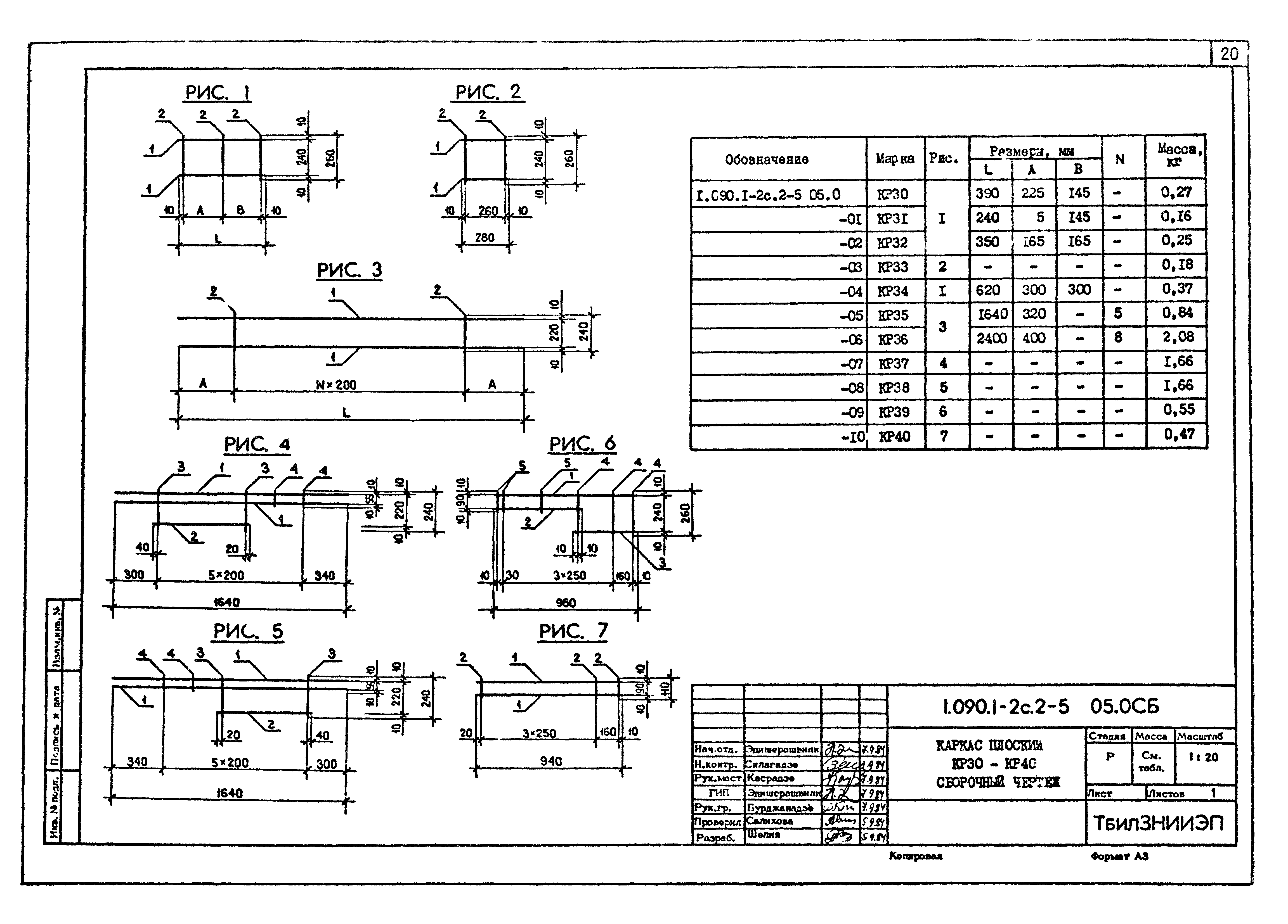
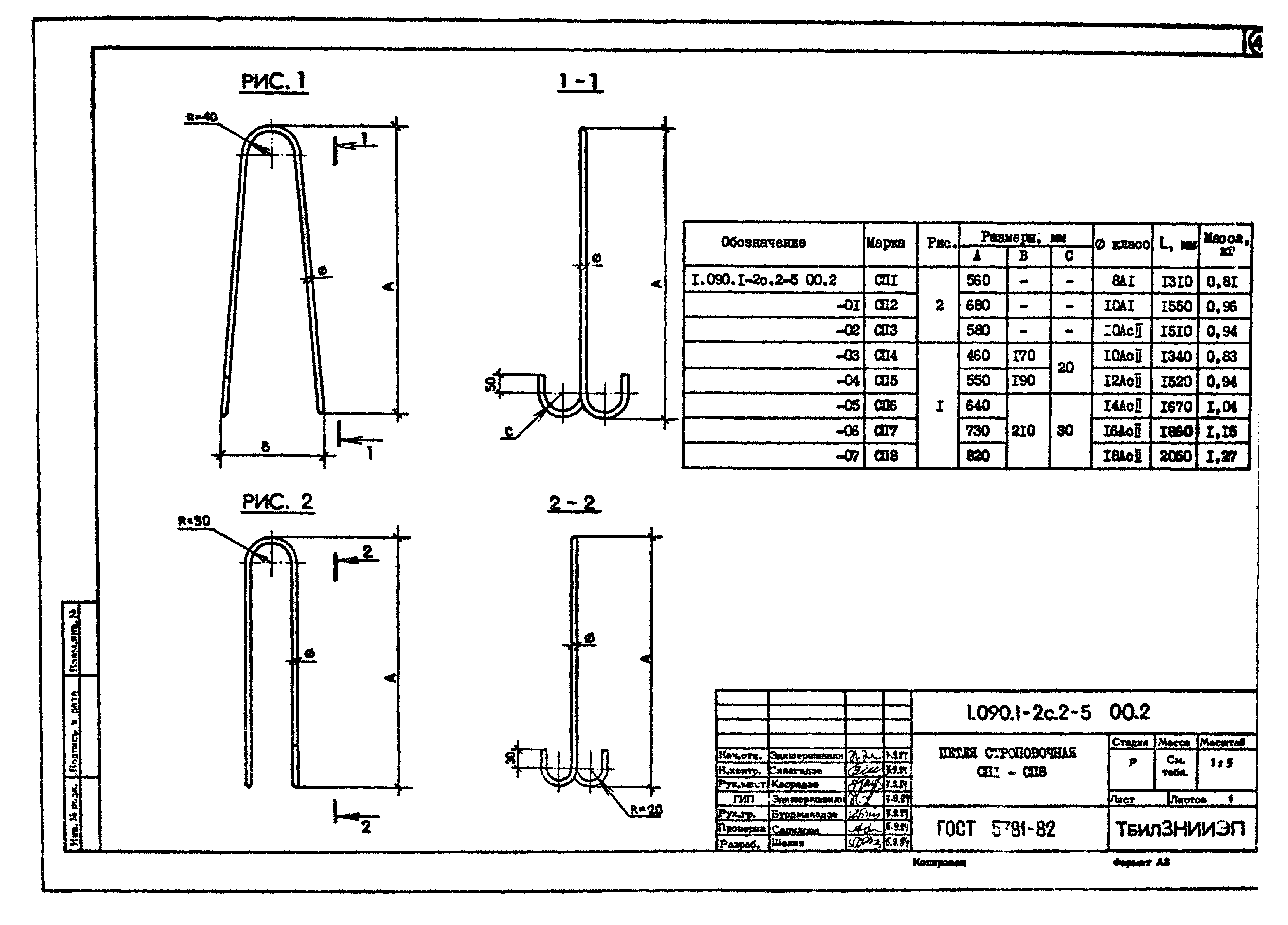
| Оглавление: | 1.090.1-2с.2-5 00.0ТО Техническое описание 1.090.1-2с.2-5 01.0 Каркас укрупнительной сборки СКР1-СКР11 1.090.1-2с.2-5 02.0 Каркас плоский КР1-КР8 1.090.1-2с.2-5 03.0 Каркас плоский КР9-КР18 1.090.1-2с.2-5 04.0 Каркас плоский КР19-КР29 1.090.1-2с.2-5 05.0 Каркас плоский КР30-КР40 1.090.1-2с.2-5 06.0 Сетка С1-С6 1.090.1-2с.2-5 07.0 Сетка С7, С8, С9 1.090.1-2с.2-5 08.0 Сетка С10-С17 1.090.1-2с.2-5 09.0 Сетка С18, С19 1.090.1-2с.2-5 10.0 Сетка С20-С28 1.090.1-2с.2-5 11.0 Изделие закладное МН1-МН3 1.090.1-2с.2-5 12.0 Изделие закладное МН4, МН5 1.090.1-2с.2-5 13.0 Изделие закладное МН6, МН7 1.090.1-2с.2-5 00.1 Стержень гнутый АН1-АН6 1.090.1-2с.2-5 00.2 Петля строповочная СП1-СП8 |
| Разработан: | ТбилЗНИИЭП |
| Утверждён: | 01.11.1984 Госстрой СССР (Государственный комитет Совета Министров СССР по делам строительства) (USSR Gosstroy ИИ-31) |










































