Скачать Типовой проект 902-1-132.88 Альбом II. Часть 1, 2. Нестандартизированное оборудованиеДата актуализации: 01.01.2021
|
| Обозначение: | Типовой проект 902-1-132.88 |
| Обозначение англ: | 902-1-132.88 |
| Статус: | не определен законодательством |
| Название рус.: | Альбом II. Часть 1, 2. Нестандартизированное оборудование |
| Дата добавления в базу: | 01.09.2013 |
| Дата актуализации: | 01.01.2021 |
| Дата введения: | 25.12.1987 |
| Дата окончания срока действия: | 30.06.2003 |
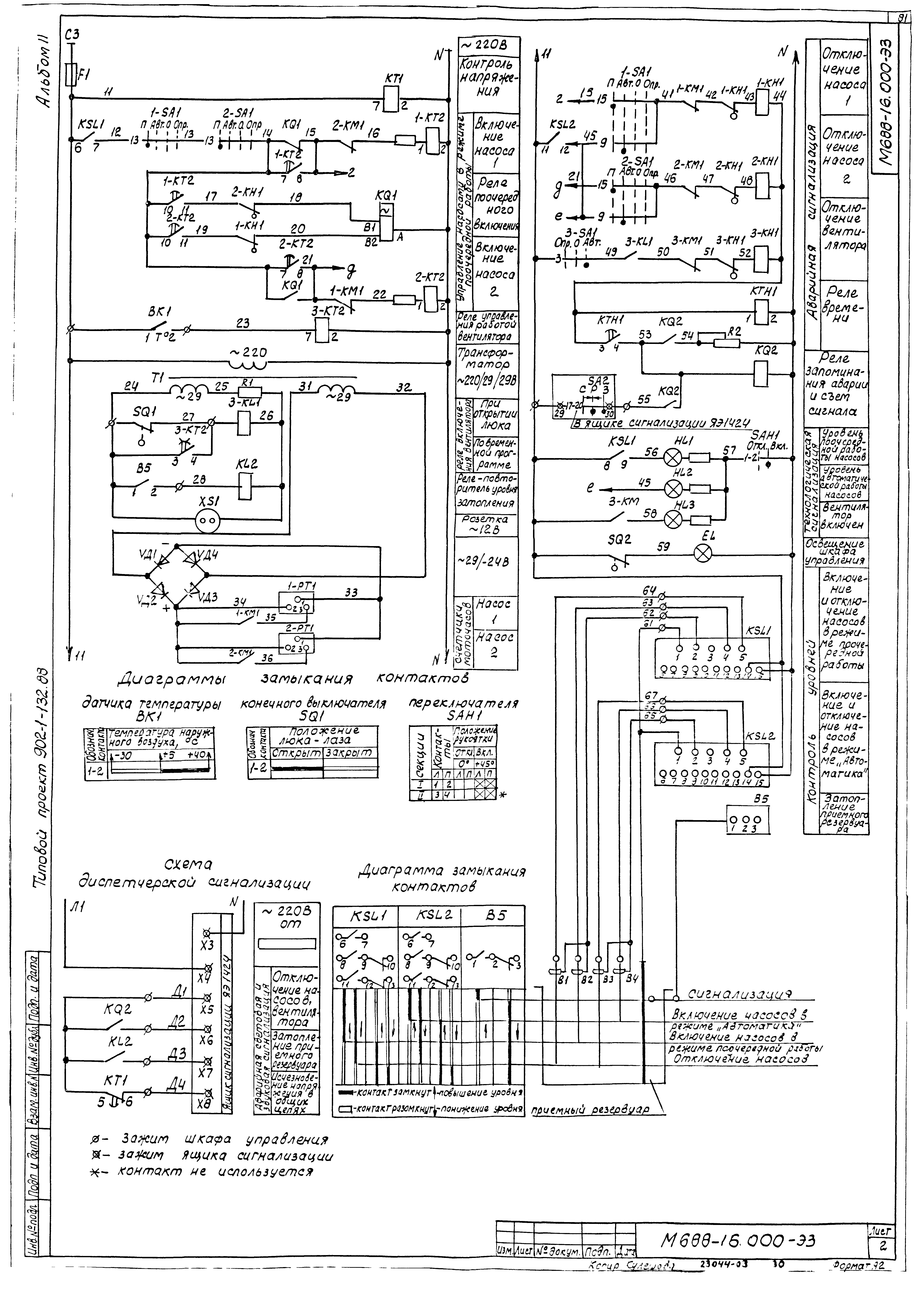
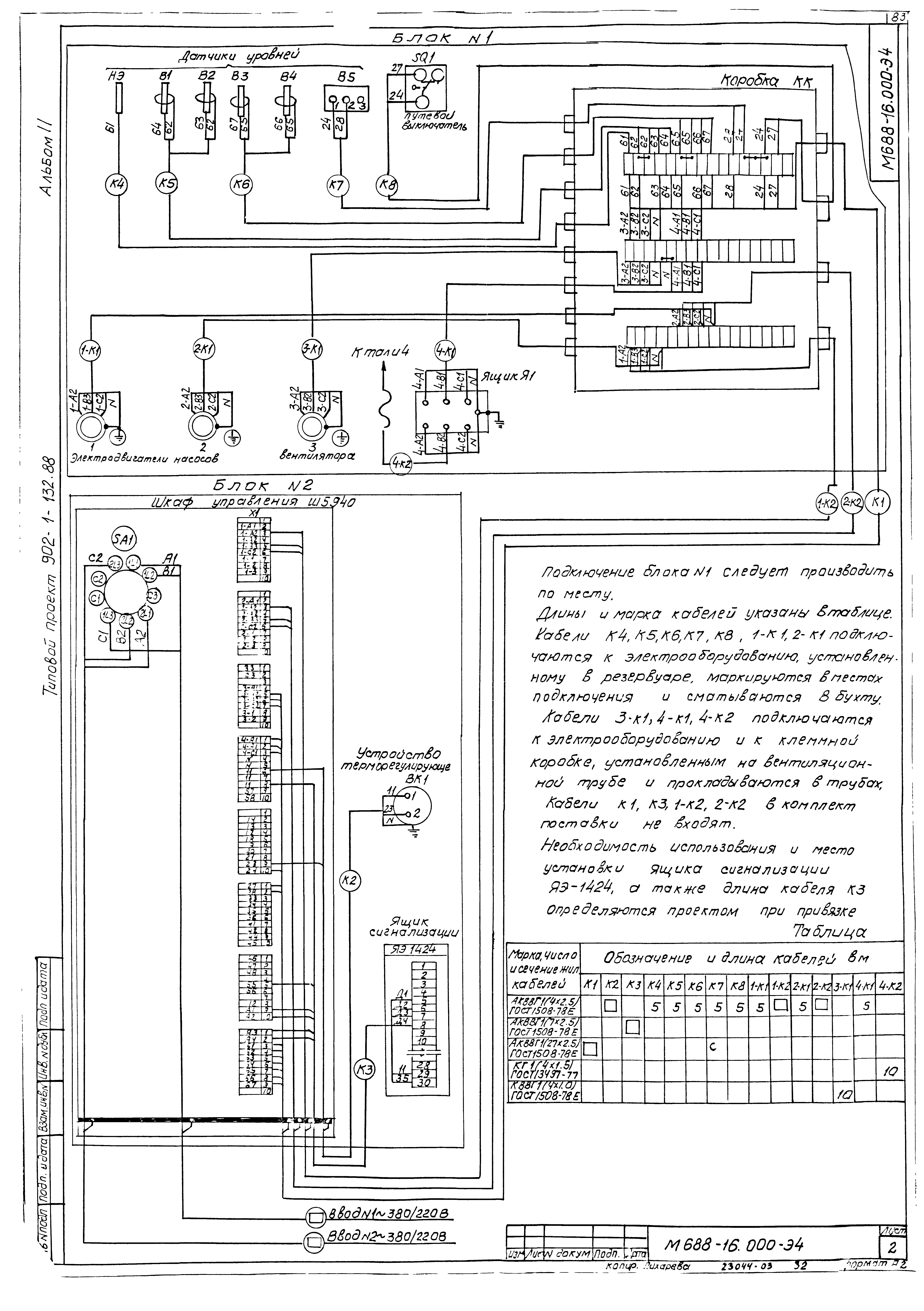
| Оглавление: | Содержание альбома Часть 1 ТП 902-1-132.88 М688-00.000 Канализационная насосная станция в комплектно-блочном исполнении с погружными электронасосами производительностью 5 - 25 куб. м/ч ТП 902-1-132.88 М688-00.000 М4 Канализационная насосная станция в комплектно-блочном исполнении с погружными электронасосами производительностью 5 - 25 куб. м/ч. Монтажный чертеж ТП 902-1-132.88 М688-00.000 ВС Канализационная насосная станция в комплектно-блочном исполнении с погружными электронасосами производительностью 5 - 25 куб. м/ч. Ведомость спецификаций ТП 902-1-132.88 М688-00.000 ВП Канализационная насосная станция в комплектно-блочном исполнении с погружными электронасосами производительностью 5 - 25 куб. м/ч. Ведомость покупных изделий ТП 902-1-132.88 М688-01.000 Решетка-заслонка ТП 902-1-132.88 М688-01.100 Решетка ТП 902-1-132.88 М688-02.100 Запор ТП 902-1-132.88 М688-01.000 СБ Решетка-заслонка. Сборочный чертеж ТП 902-1-132.88 М688-01.101 Упор ТП 902-1-132.88 М688-01.102 Уголок ТП 902-1-132.88 М688-01.100 СБ Решетка. Сборочный чертеж ТП 902-1-132.88 М688-01.103 Пластина ТП 902-1-132.88 М688-01.002 Направляющая ТП 902-1-132.88 М688-01.001 Пластина ТП 902-1-132.88 М688-01.003 Заслонка ТП 902-1-132.88 М688-01.005 Ось ТП 902-1-132.88 М688-01.004 Прокладка ТП 902-1-132.88 М688-02.300 СБ Петля. Сборочный чертеж ТП 902-1-132.88 М688-02.001 Ось ТП 902-1-132.88 М688-02.000 Контейнер решетчатый ТП 902-1-132.88 М688-02.300 Петля ТП 902-1-132.88 М688-02.200 Рамка ТП 902-1-132.88 М688-02.000 СБ Контейнер решетчатый. Сборочный чертеж ТП 902-1-132.88 М688-02.101 Крючок ТП 902-1-132.88 М688-02.102 Втулка ТП 902-1-132.88 М688-02.100 СБ Запор. Сборочный чертеж ТП 902-1-132.88 М688-02.401 Лист ТП 902-1-132.88 М688-02.400 Дно ТП 902-1-132.88 М688-02.400 СБ Дно. Сборочный чертеж ТП 902-1-132.88 М688-02.301 Скоба ТП 902-1-132.88 М688-02.200 СБ Рамка. Сборочный чертеж ТП 902-1-132.88 М688-03.000 Запор ТП 902-1-132.88 М688-05.100 Кронштейн ТП 902-1-132.88 М688-05.002 Петля ТП 902-1-132.88 М688-03.003 Рукоятка ТП 902-1-132.88 М688-03.000 СБ Запор. Сборочный чертеж ТП 902-1-132.88 М688-04.000 Контейнер герметический ТП 902-1-132.88 М688-04.100 Корпус ТП 902-1-132.88 М688-04.200 Крышка ТП 902-1-132.88 М688-02.200 СБ Крышка. Сборочный чертеж ТП 902-1-132.88 М688-04.000 СБ Контейнер герметический. Сборочный чертеж ТП 902-1-132.88 М688-04.100 СБ Корпус. Сборочный чертеж ТП 902-1-132.88 М688-04.101 Цилиндр ТП 902-1-132.88 М688-04.102 Скоба ТП 902-1-132.88 М688-04.201 Ручка ТП 902-1-132.88 М688-04.202 Обечайка ТП 902-1-132.88 М688-05.001 Колесо ТП 902-1-132.88 М688-05.002 Ось ТП 902-1-132.88 М688-05.003 Крючок ТП 902-1-132.88 М688-05.000 Блок ТП 902-1-132.88 М688-05.000 СБ Блок. Сборочный чертеж ТП 902-1-132.88 М688-05.102 Уголок ТП 902-1-132.88 М688-05.101 Скоба ТП 902-1-132.88 М688-05.100 СБ Кронштейн. Сборочный чертеж ТП 902-1-132.88 М688-07.000 Шкаф металлический ТП 902-1-132.88 М688-06.000 Короб воздухоотводящий ТП 902-1-132.88 М688-06.100 Короб ТП 902-1-132.88 М688-06.101 Лоток ТП 902-1-132.88 М688-06.100 СБ Короб. Сборочный чертеж ТП 902-1-132.88 М688-06.000 СБ Короб воздухоотводящий. Сборочный чертеж ТП 902-1-132.88 М688-07.000 СБ Шкаф металлический. Сборочный чертеж ТП 902-1-132.88 М688-07.001 Боковина ТП 902-1-132.88 М688-07.002 Уголок ТП 902-1-132.88 М688-07.003 Уголок ТП 902-1-132.88 М688-07.004 Уголок ТП 902-1-132.88 М688-07.005 Уголок ТП 902-1-132.88 М688-07.006 Створка ТП 902-1-132.88 М688-07.007 Прокладка ТП 902-1-132.88 М688-06.102 Крышка ТП 902-1-132.88 М688-09.000 Крышка ТП 902-1-132.88 М688-08.000 Заземление ТП 902-1-132.88 М688-09.100 Рама ТП 902-1-132.88 М688-09.200 Люк ТП 902-1-132.88 М688-08.000 СБ Заземление. Сборочный чертеж ТП 902-1-132.88 М688-09.000 СБ Крышка. Сборочный чертеж ТП 902-1-132.88 М688-09.100 СБ Рама. Сборочный чертеж ТП 902-1-132.88 М688-09.200 СБ Люк. Сборочный чертеж ТП 902-1-132.88 М688-09.108 Петля ТП 902-1-132.88 М688-09.109 Кольцо ТП 902-1-132.88 М688-09.001 Прокладка ТП 902-1-132.88 М688-09.101 Крышка ТП 902-1-132.88 М688-09.106 Крышка ТП 902-1-132.88 М688-09.113 Угольник стяжной ТП 902-1-132.88 М688-09.107 Переходник ТП 902-1-132.88 М688-09.202 Ручка ТП 902-1-132.88 М688-09.112 Угольник ТП 902-1-132.88 М688-09.111 Стяжка ТП 902-1-132.88 М688-10.000 Стрела ТП 902-1-132.88 М688-09.203 Крюк ТП 902-1-132.88 М688-10.000 СБ Стрела. Сборочный чертеж ТП 902-1-132.88 М688-10.002 СБ Втулка ТП 902-1-132.88 М688-10.003 Вкладыш ТП 902-1-132.88 М688-10.001 Пята ТП 902-1-132.88 М688-10.004 Цапфа ТП 902-1-132.88 М688-10.005 Кронштейн ТП 902-1-132.88 М688-10.006 Ребро ТП 902-1-132.88 М688-10.007 Кожух ТП 902-1-132.88 М688-10.008 Уголок ТП 902-1-132.88 М688-10.009 Уголок ТП 902-1-132.88 М688-10.011 Уголок ТП 902-1-132.88 М688-10.021 Труба ТП 902-1-132.88 М688-10.017 Скоба ТП 902-1-132.88 М688-10.023 Втулка ТП 902-1-132.88 М688-10.022 Пята ТП 902-1-132.88 М688-11.000 Труба приточная ТП 902-1-132.88 М688-12.301 Труба ТП 902-1-132.88 М688-12.302 Патрубок ТП 902-1-132.88 М688-11.001 Конус ТП 902-1-132.88 М688-11.002 Патрубок ТП 902-1-132.88 М688-11.000 СБ Труба приточная. Сборочный чертеж ТП 902-1-132.88 М688-11.003 Скоба ТП 902-1-132.88 М688-11.004 Заглушка ТП 902-1-132.88 М688-11.006 Труба ТП 902-1-132.88 М688-14.024 Скоба Часть 2 ТП 902-1-132.88 М688-12.000 Труба вентиляционная ТП 902-1-132.88 М688-12.200 Ящик ТП 902-1-132.88 М688-12.100 Стойка ТП 902-1-132.88 М688-12.000 СБ Труба вентиляционная. Сборочный чертеж ТП 902-1-132.88 М688-12.100 СБ Стойка. Сборочный чертеж ТП 902-1-132.88 М688-12.111 Ребро ТП 902-1-132.88 М688-12.102 Ребро ТП 902-1-132.88 М688-12.104 Фланец ТП 902-1-132.88 М688-12.109 Ребро ТП 902-1-132.88 М688-12.217 Петля ТП 902-1-132.88 М688-12.103 Конус ТП 902-1-132.88 М688-12.108 Кронштейн ТП 902-1-132.88 М688-12.105 Опора ТП 902-1-132.88 М688-12.107 Основание ТП 902-1-132.88 М688-12.201 Стержень ТП 902-1-132.88 М688-12.202 Шайба ТП 902-1-132.88 М688-12.300 Опора ТП 902-1-132.88 М688-12.210 Корпус ТП 902-1-132.88 М688-12.220 Дверь ТП 902-1-132.88 М688-13.000 СБ Трубопровод. Сборочный чертеж ТП 902-1-132.88 М688-12.220 СБ Дверь. Сборочный чертеж ТП 902-1-132.88 М688-12.200 СБ Ящик. Сборочный чертеж ТП 902-1-132.88 М688-12.216 Петля ТП 902-1-132.88 М688-12.213 Дно ТП 902-1-132.88 М688-12.210 СБ Корпус. Сборочный чертеж ТП 902-1-132.88 М688-12.214 Скоба ТП 902-1-132.88 М688-12.215 Крюк ТП 902-1-132.88 М688-12.222 Скоба ТП 902-1-132.88 М688-12.223 Скоба ТП 902-1-132.88 М688-07.219 Уголок ТП 902-1-132.88 М688-13.000 Трубопровод ТП 902-1-132.88 М688-14.000 Резервуар приемный ТП 902-1-132.88 М688-14.000 СБ Резервуар приемный. Сборочный чертеж ТП 902-1-132.88 М688-14.003 Кронштейн ТП 902-1-132.88 М688-14.021 Скоба ТП 902-1-132.88 М688-14.001 Фланец ТП 902-1-132.88 М688-14.002 Крюк ТП 902-1-132.88 М688-14.004 Ребро ТП 902-1-132.88 М688-14.005 Ребро ТП 902-1-132.88 М688-14.006 Ребро ТП 902-1-132.88 М688-14.007 Ребро ТП 902-1-132.88 М688-14.008 Ребро ТП 902-1-132.88 М688-14.100 Дно ТП 902-1-132.88 М688-14.200 Патрубок ТП 902-1-132.88 М688-14.100 СБ Дно. Сборочный чертеж ТП 902-1-132.88 М688-14.101 Фланец ТП 902-1-132.88 М688-14.102 Ребро ТП 902-1-132.88 М688-14.103 Лист ТП 902-1-132.88 М688-14.108 Шпилька ТП 902-1-132.88 М688-14.025 Кронштейн ТП 902-1-132.88 М688-14.023 Направляющая ТП 902-1-132.88 М688-14.200 СБ Патрубок. Сборочный чертеж ТП 902-1-132.88 М688-14.032 Конус ТП 902-1-132.88 М688-14.009 Скоба ТП 902-1-132.88 М688-14.022 Корпус ТП 902-1-132.88 М688-15.000 Рукав ТП 902-1-132.88 М688-12.300 СБ Опора. Сборочный чертеж ТП 902-1-132.88 М688-15.000 СБ Рукав. Сборочный чертеж ТП 902-1-132.88 М688-16.000-Э3 Электрооборудование. Схема электрическая принципиальная ТП 902-1-132.88 М688-16.000-Э4 Электрооборудование. Схема электрическая соединений ТП 902-1-132.88 М688-16.000.СБ Электрооборудование. Сборочный чертеж Конструкторская документация ТП 902-1-132.88 М688-Д Указания по антикоррозионной защите ТП 902-1-132.88 М688-16.000 Электрооборудование ТП 902-1-132.88 М688-16.001 Колено |
| Разработан: | Харьковский Водоканалпроект |
| Утверждён: | 25.12.1987 Госстрой СССР (Государственный комитет Совета Министров СССР по делам строительства) (USSR Gosstroy 102) |
| Издан: | ЦИТП Госстроя СССР (CITP, Gosstroy (USSR) 1988 г. ) |





















































































