Скачать Типовой проект 902-1-133.88 Альбом 1. Пояснительная записка. Технологические решения. Конструкции железобетонные. Силовое электрооборудование. Спецификации оборудованияДата актуализации: 01.01.2021
|
| Обозначение: | Типовой проект 902-1-133.88 |
| Обозначение англ: | 902-1-133.88 |
| Статус: | не определен законодательством |
| Название рус.: | Альбом 1. Пояснительная записка. Технологические решения. Конструкции железобетонные. Силовое электрооборудование. Спецификации оборудования |
| Дата добавления в базу: | 01.09.2013 |
| Дата актуализации: | 01.01.2021 |
| Дата введения: | 11.03.1988 |
| Дата окончания срока действия: | 30.06.2003 |
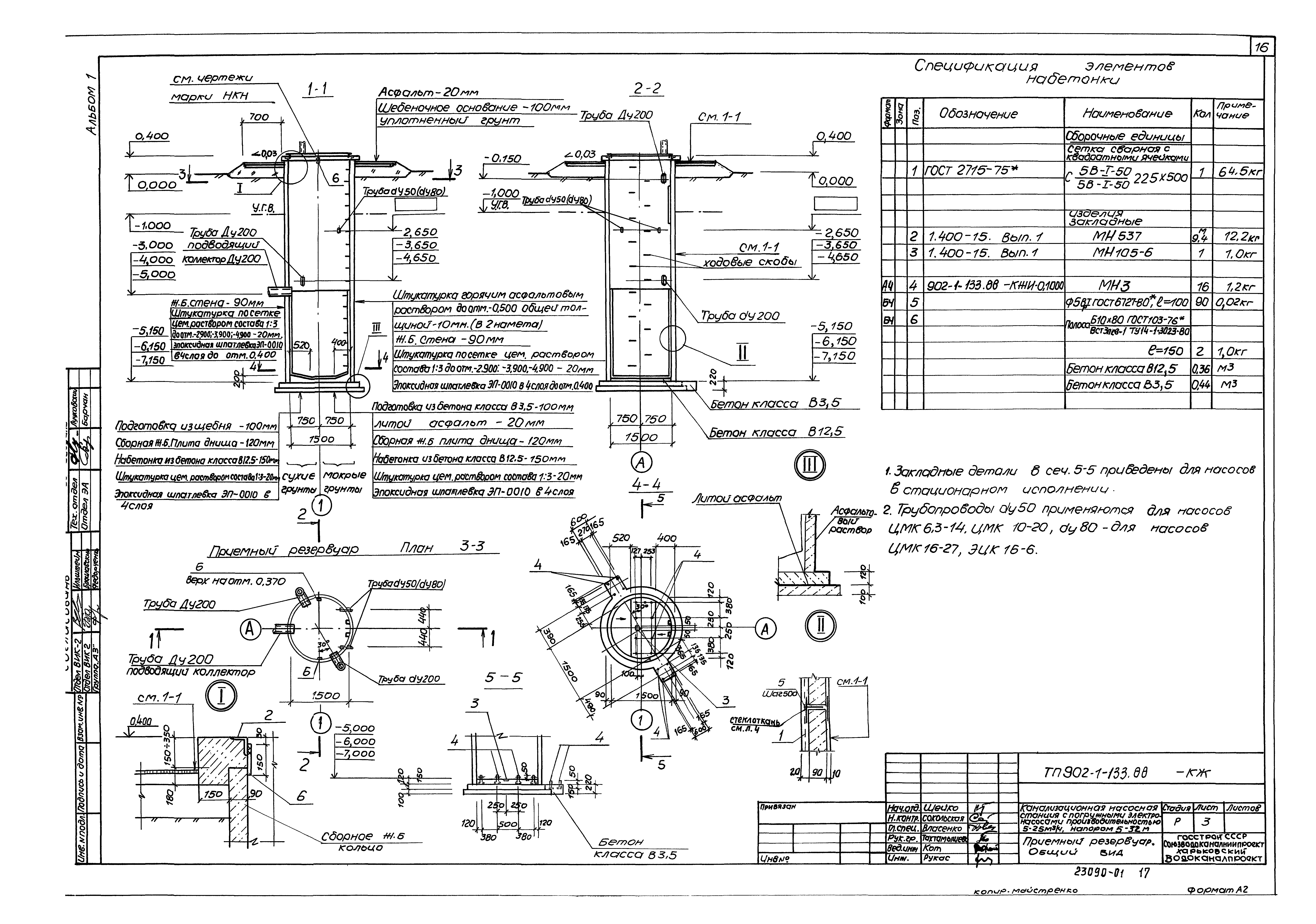
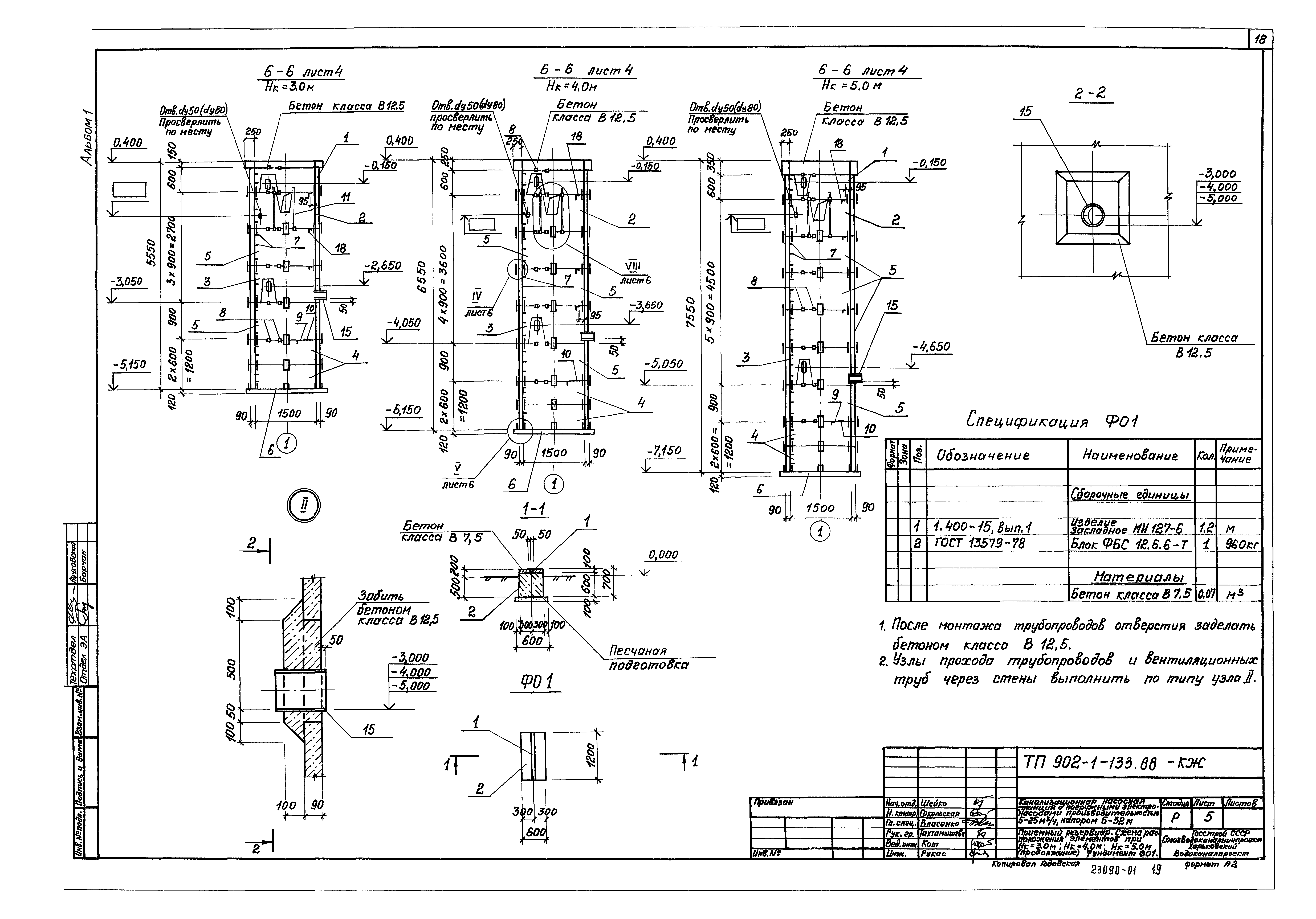
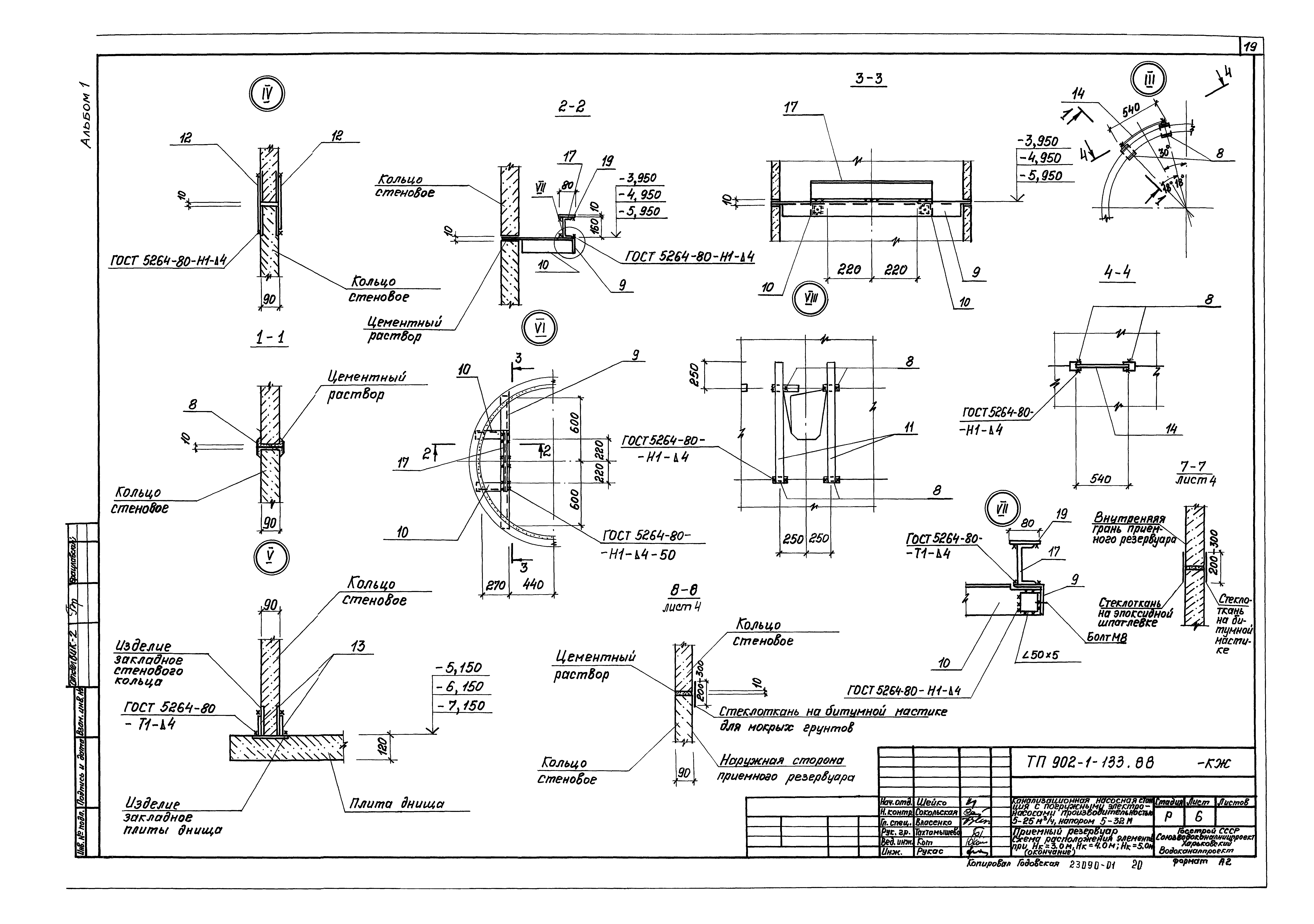
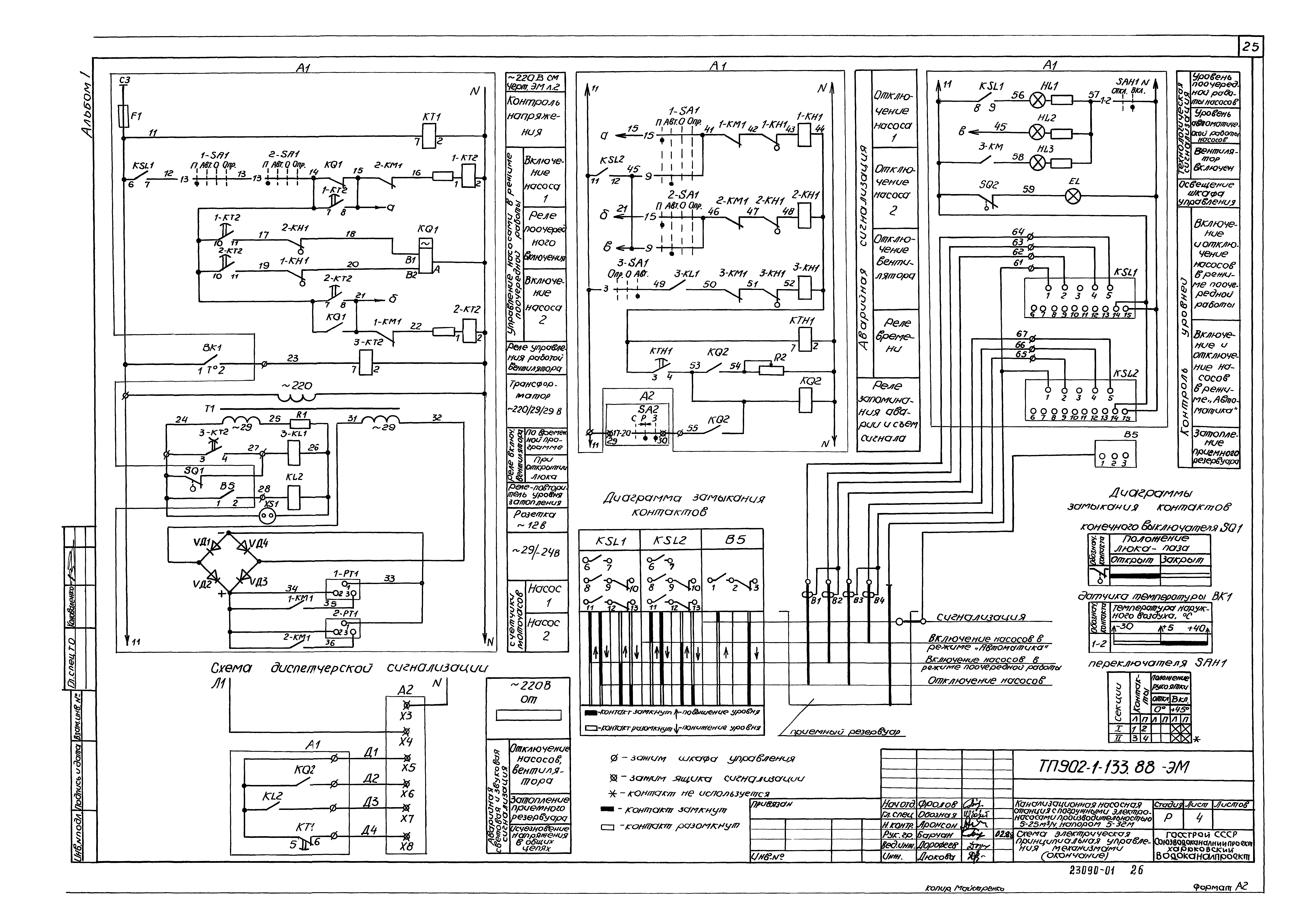
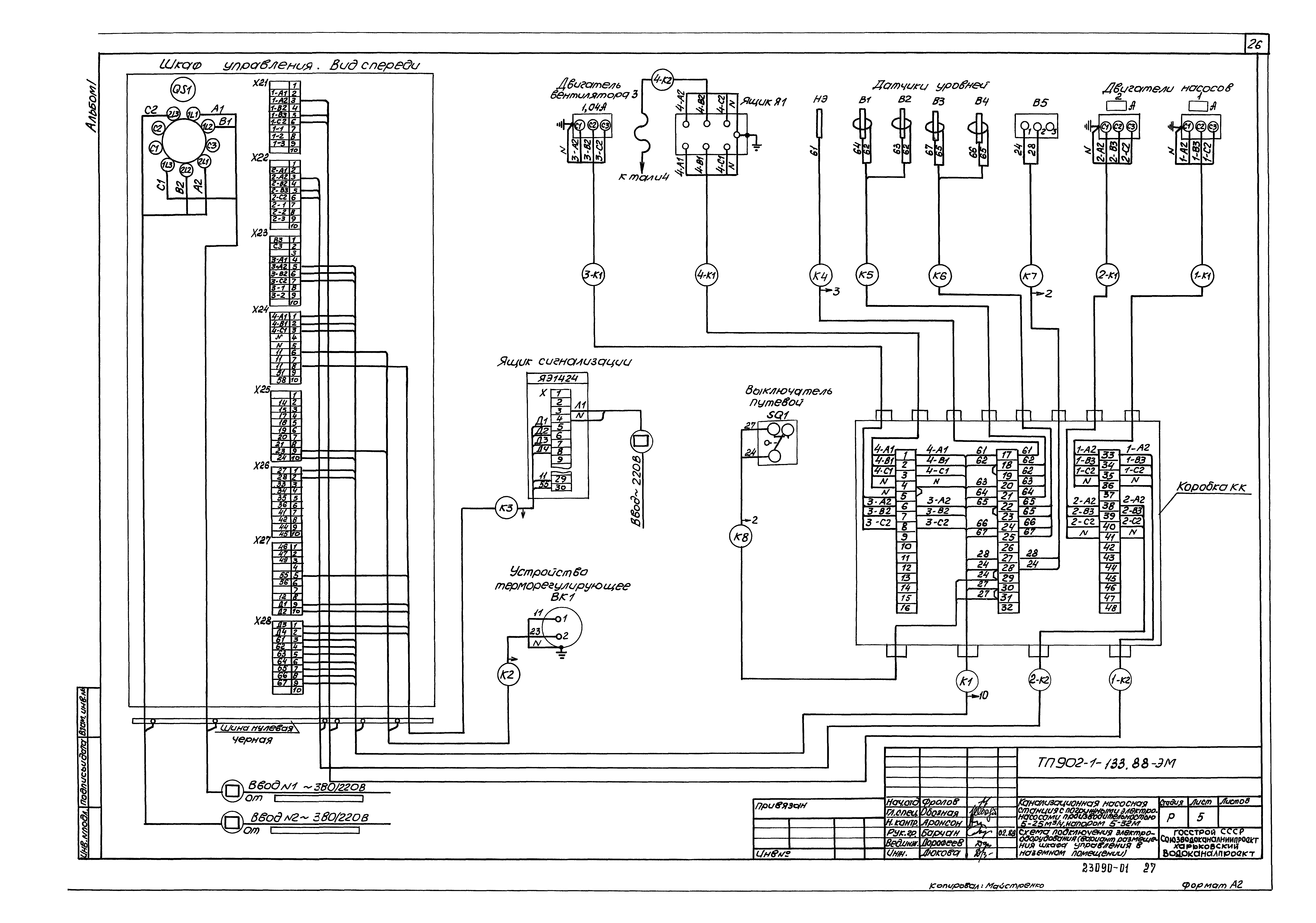
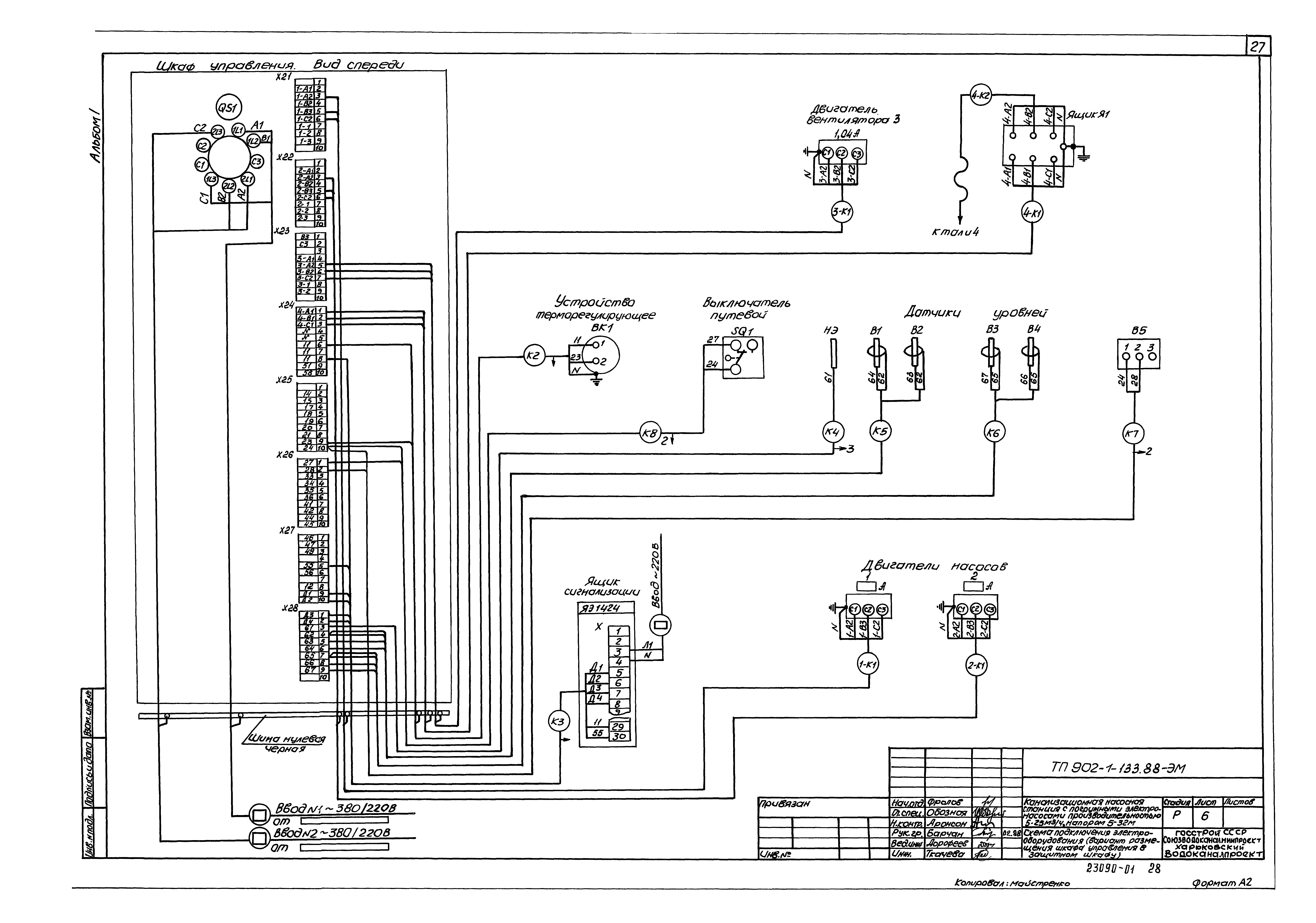
| Оглавление: | ТП 902-1-133.88-ПЗ Пояснительная записка ТП 902-1-133.88-НК Основной комплект марки НК ТП 902-1-133.88-НК Общие данные ТП 902-1-133.88-НК Планы 1-1 и 2-2. Разрез 3-3 (для насосов в стационарном исполнении) ТП 902-1-133.88-НК Планы 1-1 и 2-2. Разрез 3-3 (для насосов в поперечном исполнении) ТП 902-1-133.88-КЖ Основной комплект марки КЖ ТП 902-1-133.88-КЖ Общие данные (начало) ТП 902-1-133.88-КЖ Общие данные (окончание) ТП 902-1-133.88-КЖ Приемный резервуар. Общий вид ТП 902-1-133.88-КЖ Приемный резервуар. Схема расположения элементов при Нк=3,0м; Нк=4,0м; Нк=5,0м (начало) ТП 902-1-133.88-КЖ Приемный резервуар. Схема расположения элементов при Нк=3,0м; Нк=4,0м; Нк=5,0м (продолжение). Фундамент ФО1 ТП 902-1-133.88-КЖ Приемный резервуар. Схема расположения элементов при Нк=3,0м; Нк=4,0м; Нк=5,0м (окончание) ТП 902-1-133.88-КЖ Кольца стеновые ТП 902-1-133.88-КЖ Ведомость расхода стали ТП 902-1-133.88-КЖ Кольца стеновые (сборочный чертеж) ТП 902-1-133.88-КЖ Плита днища ТП 902-1-133.88-КЖ Изделие закладное МН3 ТП 902-1-133.88-КЖ Изделие закладное МН2 ТП 902-1-133.88-ЭМ Основной комплект марки ЭМ ТП 902-1-133.88-ЭМ Общие данные ТП 902-1-133.88-ЭМ Схема электрическая принципиальная распределительной сети ~380/220В ТП 902-1-133.88-ЭМ Схема электрическая принципиальная управления механизмами ТП 902-1-133.88-ЭМ Схема подключения электрооборудования (вариант размещения шкафа управления в наземном помещении) ТП 902-1-133.88-ЭМ Схема подключения электрооборудования (вариант размещения шкафа управления в защитном шкафу) ТП 902-1-133.88-ЭМ Схема подключения электрооборудования. Прокладка кабелей (вариант размещения шкафа управления в наземном помещении) ТП 902-1-133.88-ЭМ Схема подключения электрооборудования. Прокладка кабелей (вариант размещения шкафа управления в защитном шкафу) ТП 902-1-133.88-ЭМ Кабельный журнал ТП 902-1-133.88-НК.СО Спецификации оборудования по рабочим чертежам основного комплекта марки НК ТП 902-1-133.88-ЭМ.СО Спецификации оборудования по рабочим чертежам основного комплекта марки ЭМ |
| Разработан: | Харьковский Водоканалпроект |
| Утверждён: | 25.01.1988 Госстрой СССР (Государственный комитет Совета Министров СССР по делам строительства) (USSR Gosstroy 6) |
| Издан: | ГУП ЦПП (CPP GUP 2002 г. ) |






































