Скачать Сортамент холодногнутых профилей из оцинкованной стали для строительстваДата актуализации: 01.01.2021 |
| Статус: | действует |
| Название рус.: | Сортамент холодногнутых профилей из оцинкованной стали для строительства |
| Дата добавления в базу: | 01.09.2013 |
| Дата актуализации: | 01.01.2021 |
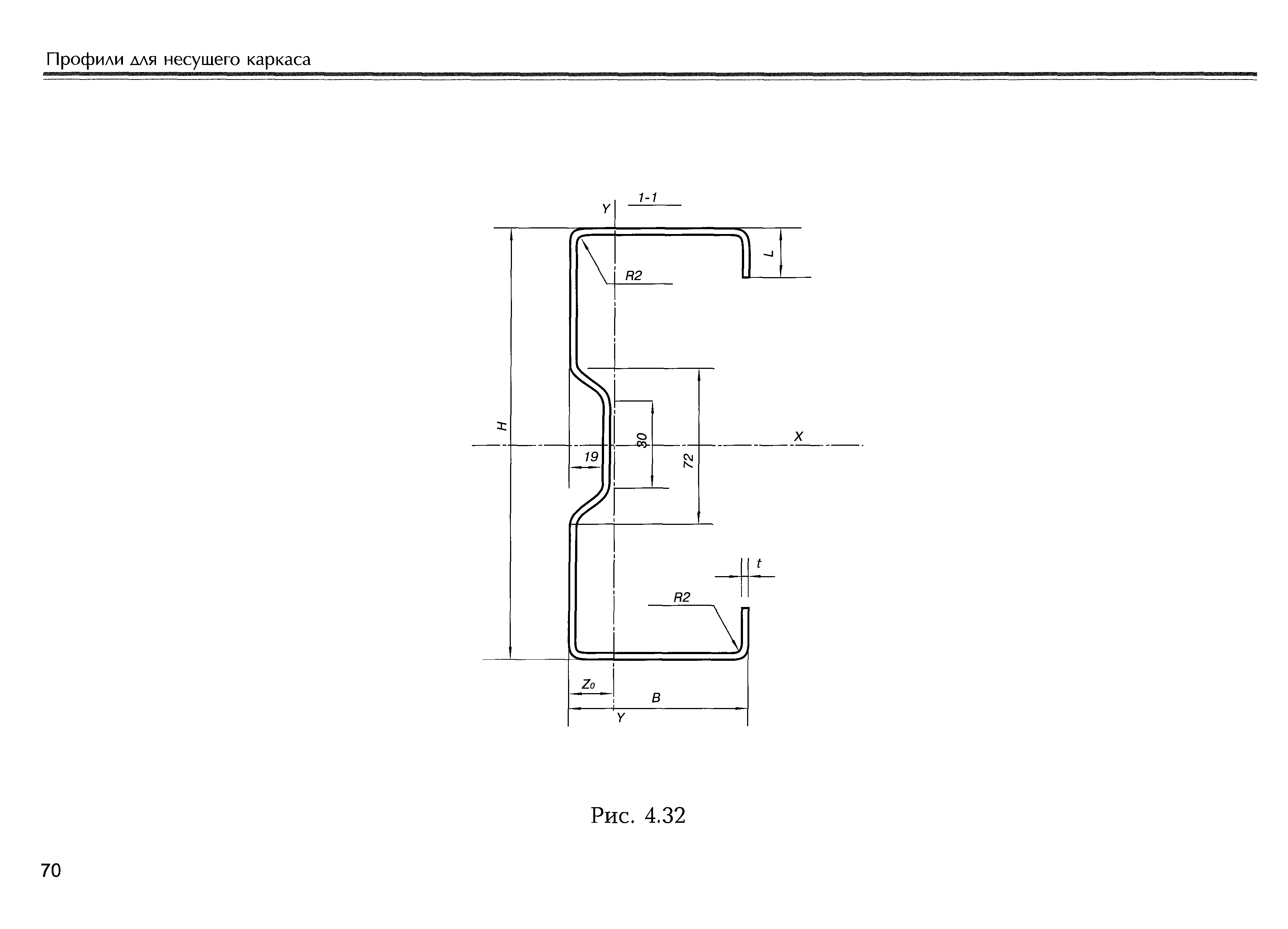
| Область применения: | Сортамент распространяется на гнутые профили, предназначенные для применения в строительных конструкциях в качестве настилов покрытия, стеновых ограждений и кровель, облицовок стен и перегородок, элементов несущего каркаса, фахверков и подвесных потолков, армирующих элементов окон и дверей из ПВХ. |
| Оглавление: | 1 Общие данные 2 Профили для настилов покрытия 3 Профили для стен, кровель, элементов водостока и обустройства кровель 4 Профили для несущего каркаса 5 Профили для фахверка и перегородок 6 Профили для облицовки стен 7 Профили для подвесных потолков 8 Армирующие профили для конструкций из ПВХ Дополнения к разделу 2 Дополнения к разделу 3 Нормативные ссылки |
| Разработан: | ЗАО ЦНИИПСК им. Мельникова |
| Утверждён: | 01.01.2002 ЗАО ЦНИИПСК им. Мельникова |
| Нормативные ссылки: |
|

























































































































































