Скачать Серия 1.243.1 КЛ-3 Выпуск 1-1. Панели длиной от 179 до 419 см, шириной 119 и 149 смДата актуализации: 01.01.2021
|
| Обозначение: | Серия 1.243.1 КЛ-3 |
| Обозначение англ: | Series 1.243.1 КЛ-3 |
| Статус: | не действует |
| Название рус.: | Выпуск 1-1. Панели длиной от 179 до 419 см, шириной 119 и 149 см |
| Дата добавления в базу: | 01.09.2013 |
| Дата актуализации: | 01.01.2021 |
| Область применения: | Настоящий выпуск содержит рабочую документацию железобетонных сплошных панелей перекрытий длиной от 1790 до 4190 мм |
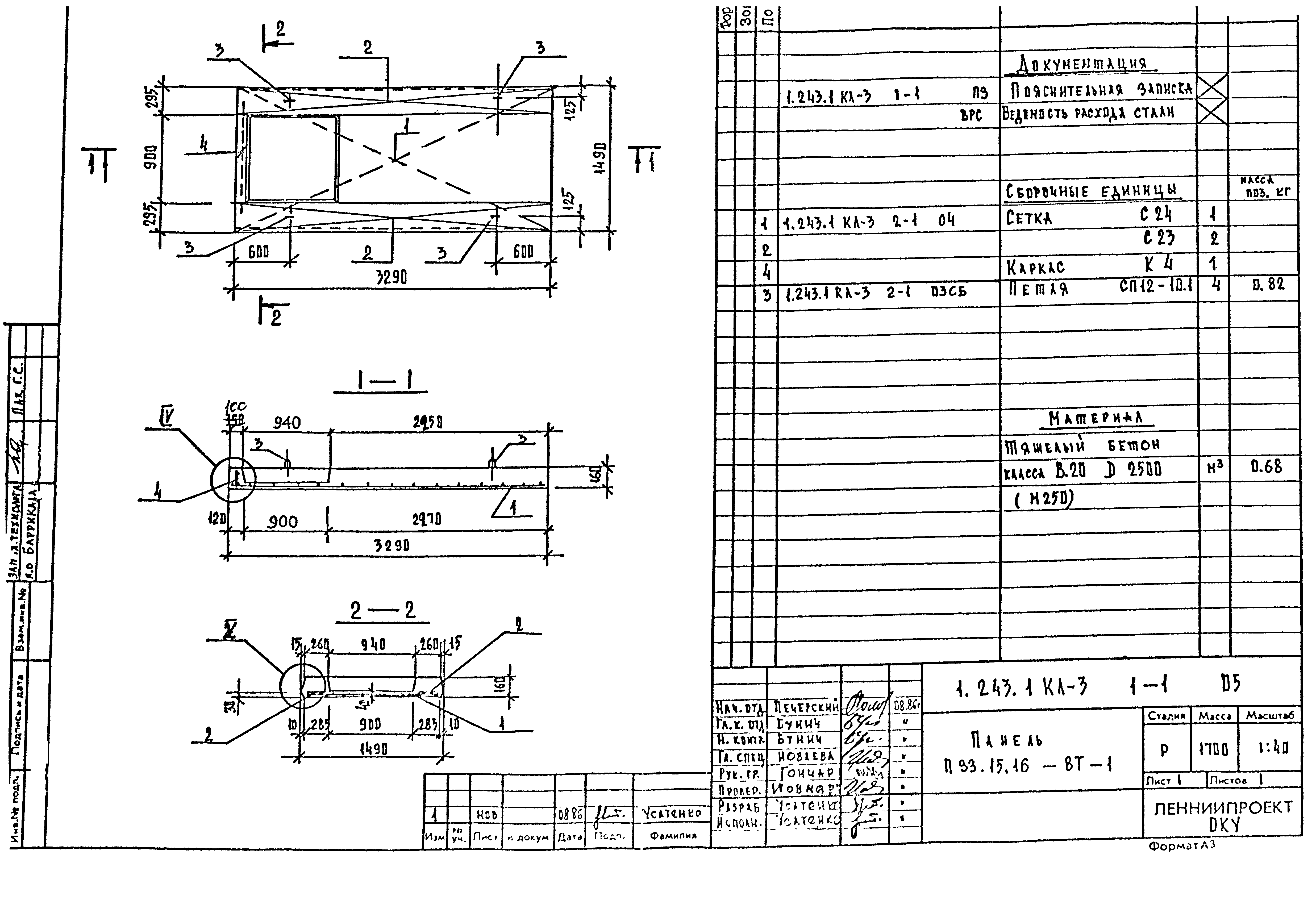
| Оглавление: | 1.243.1 КЛ-3 1-1 Обложка Титульный лист 1.243.1 КЛ-3 1-1 ИК Информационная карта 1.243.1 КЛ-3 1-1 СС Состав серии 1.243.1 КЛ-3 1-1 С Содержание 1.243.1 КЛ-3 1-1 ПЗ Пояснительная записка 1.243.1 КЛ-3 1-1 ДИ Данные для испытаний 1.243.1 КЛ-3 1-1 Н Номенклатура 1.243.1 КЛ-3 1-1 01 Панели: П18.12.12-8Т;П18.15.12-8Т;П21.12.12-8Т;П21.15.12-8Т;П24.12.12-8Т;П24.15.12-8Т;П27.12.12-8Т;П27.15.12-8Т 1.243.1 КЛ-3 1-1 01СБ Панели: П18.12.12-8Т;П18.15.12-8Т;П21.12.12-8Т;П21.15.12-8Т;П24.12.12-8Т;П24.15.12-8Т;П27.12.12-8Т;П27.15.12-8Т. Сборочный чертеж 1.243.1 КЛ-3 1-1 02 Панели: П30.12.16-8Т;П30.15.16-8Т;П33.12.16-8Т;П33.15.16-8Т;П36.12.16-8Т;П36.15.16-8Т;П39.12.16-8Т;П39.15.16-6Т;П42.12.16-6Т;П42.15.16-6Т 1.243.1 КЛ-3 1-1 02СБ Панели: П30.12.16-8Т;П30.15.16-8Т;П33.12.16-8Т;П33.15.16-8Т;П36.12.16-8Т;П36.15.16-8Т;П39.12.16-8Т;П39.15.16-6Т;П42.12.16-6Т;П42.15.16-6Т. Сборочный чертеж 1.243.1 КЛ-3 1-1 03 Детали 1,2,3 1.243.1 КЛ-3 1-1 ВМС Ведомость расхода стали на элемент, кг 1.243.1 КЛ-3 1-1 04 Панель П18.18.6-10Т 1.243.1 КЛ-3 1-1 05 Панель П33.15.16-8Т-1 1.243.1 КЛ-3 1-1 06 Детали 4,5 |
| Разработан: | Ленниипроект |
| Утверждён: | 14.08.1985 Ленниипроект (85-У) |


















