Скачать Типовой проект 407-3-662.03 Альбом 2. Электротехническая часть. Электросиловое оборудование. Электромонтажные конструкцииДата актуализации: 01.01.2021
|
| Обозначение: | Типовой проект 407-3-662.03 |
| Обозначение англ: | 407-3-662.03 |
| Статус: | не определен законодательством |
| Название рус.: | Альбом 2. Электротехническая часть. Электросиловое оборудование. Электромонтажные конструкции |
| Дата добавления в базу: | 01.09.2013 |
| Дата актуализации: | 01.01.2021 |
| Дата введения: | 23.09.2004 |
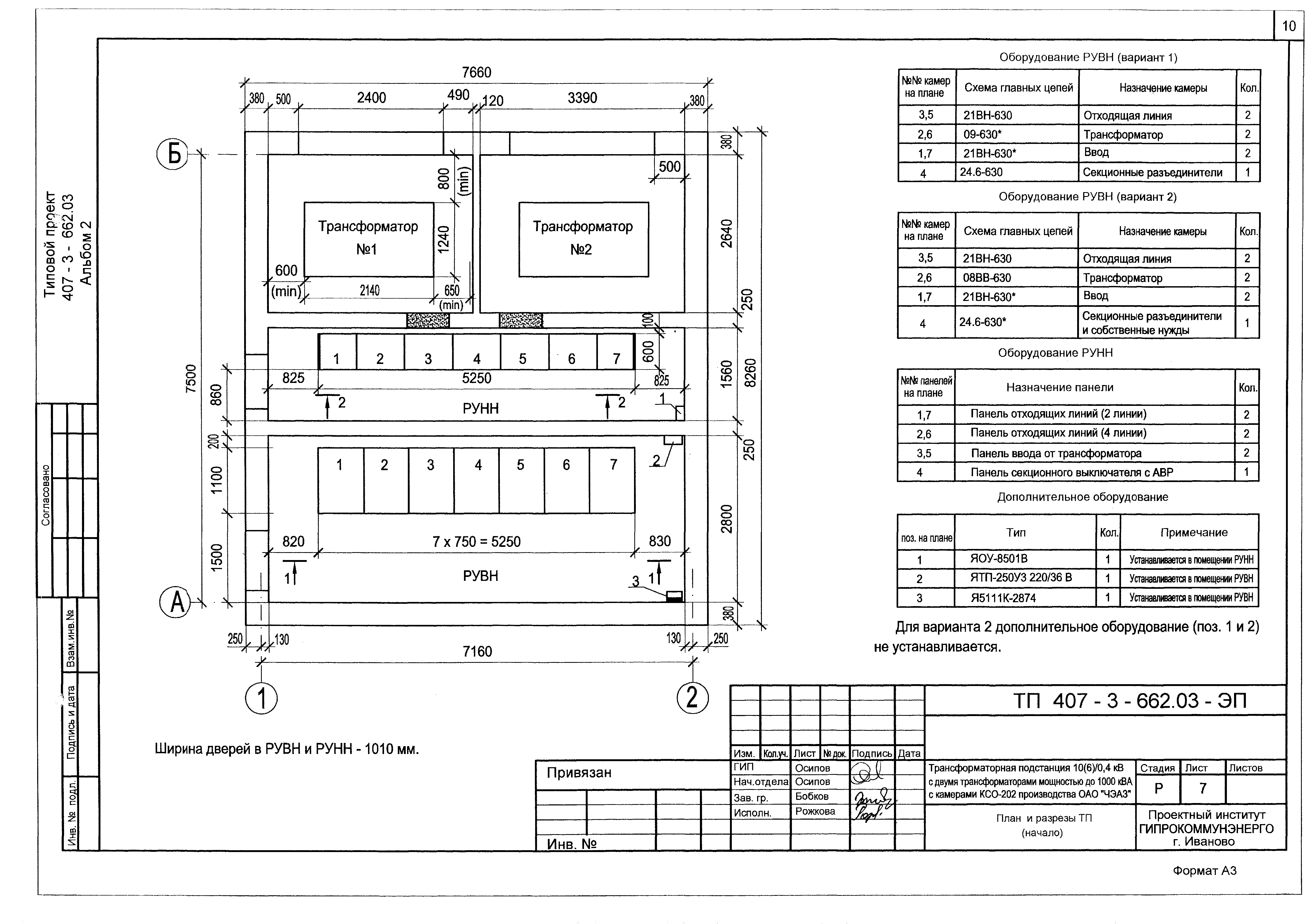
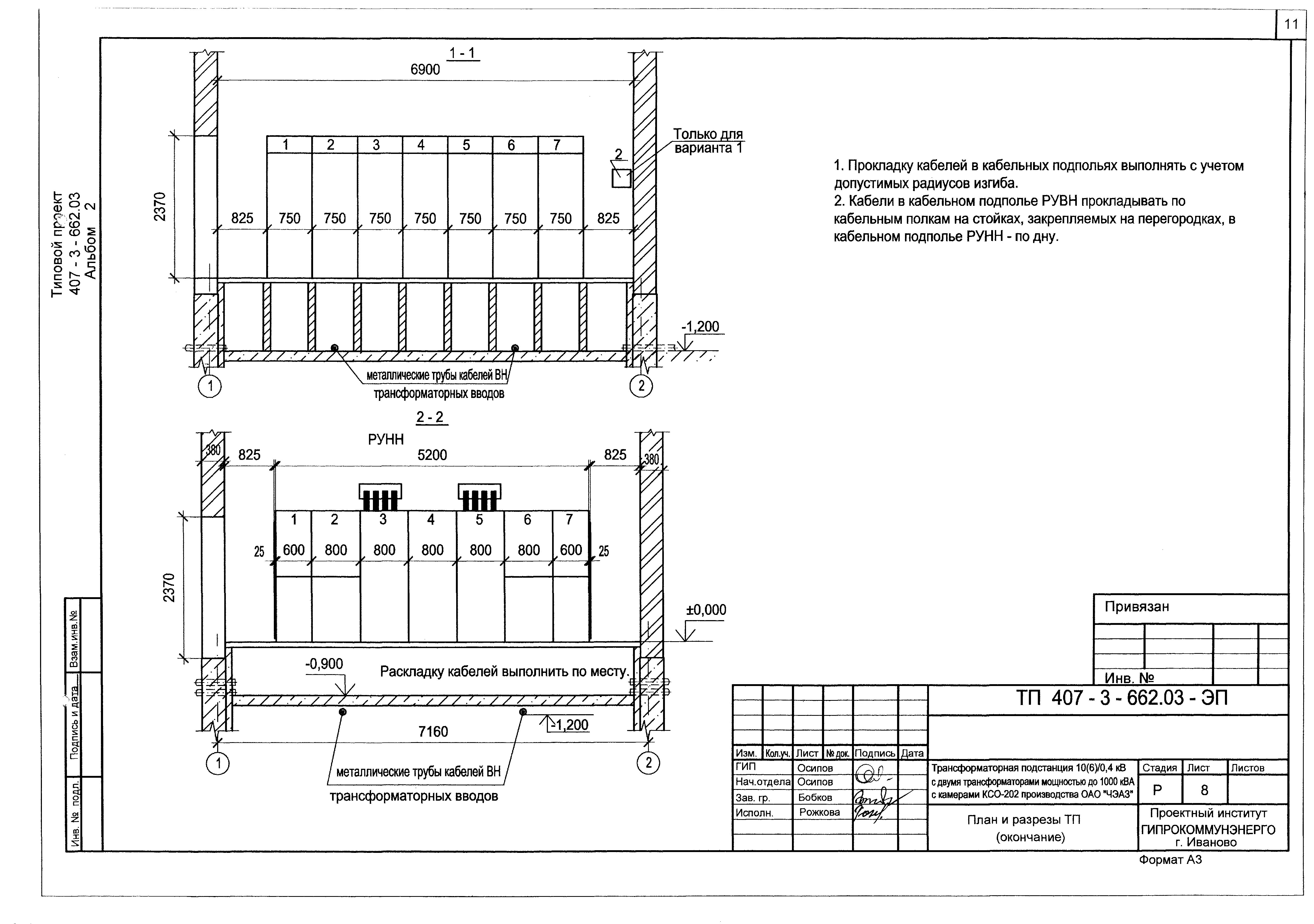
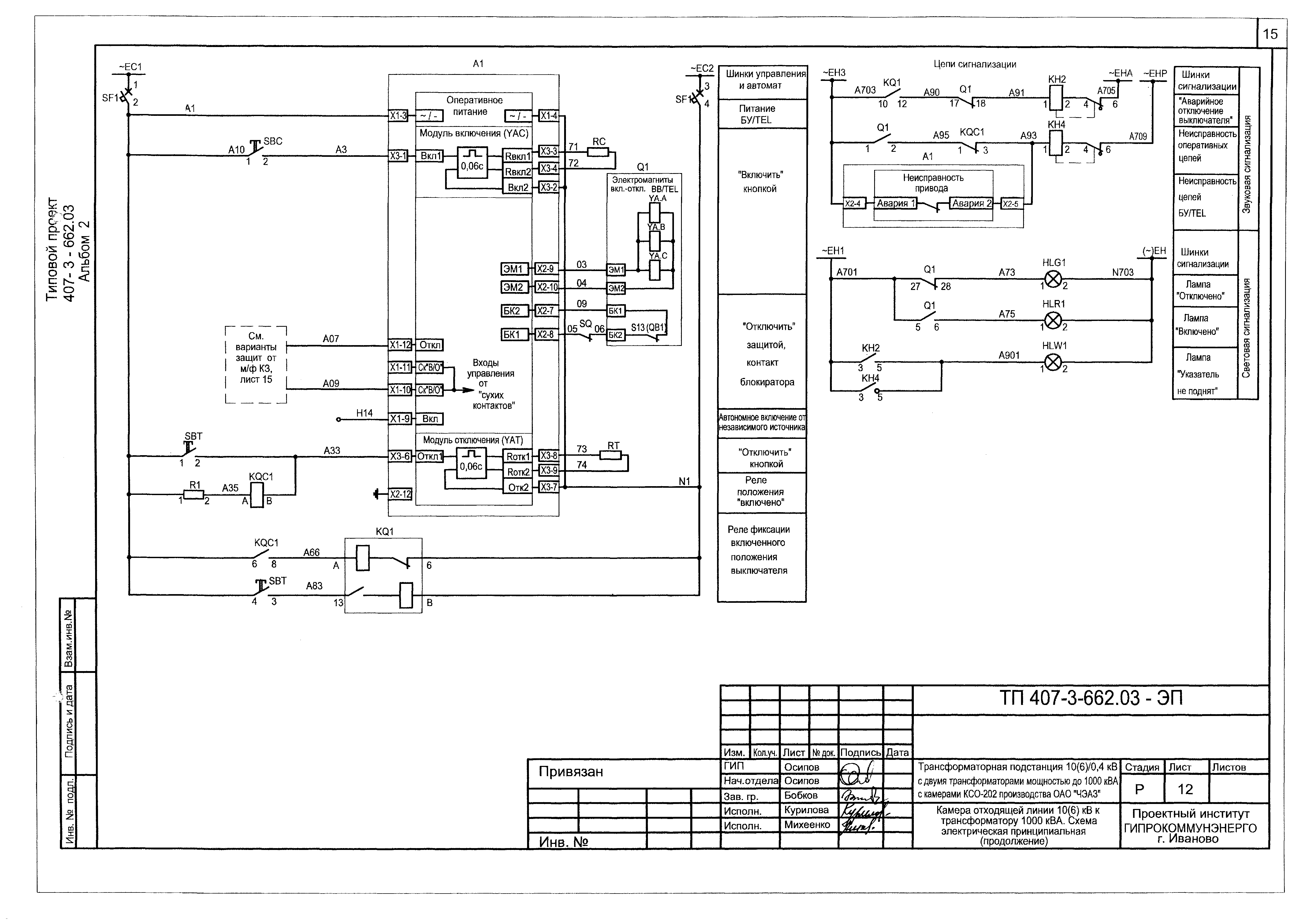
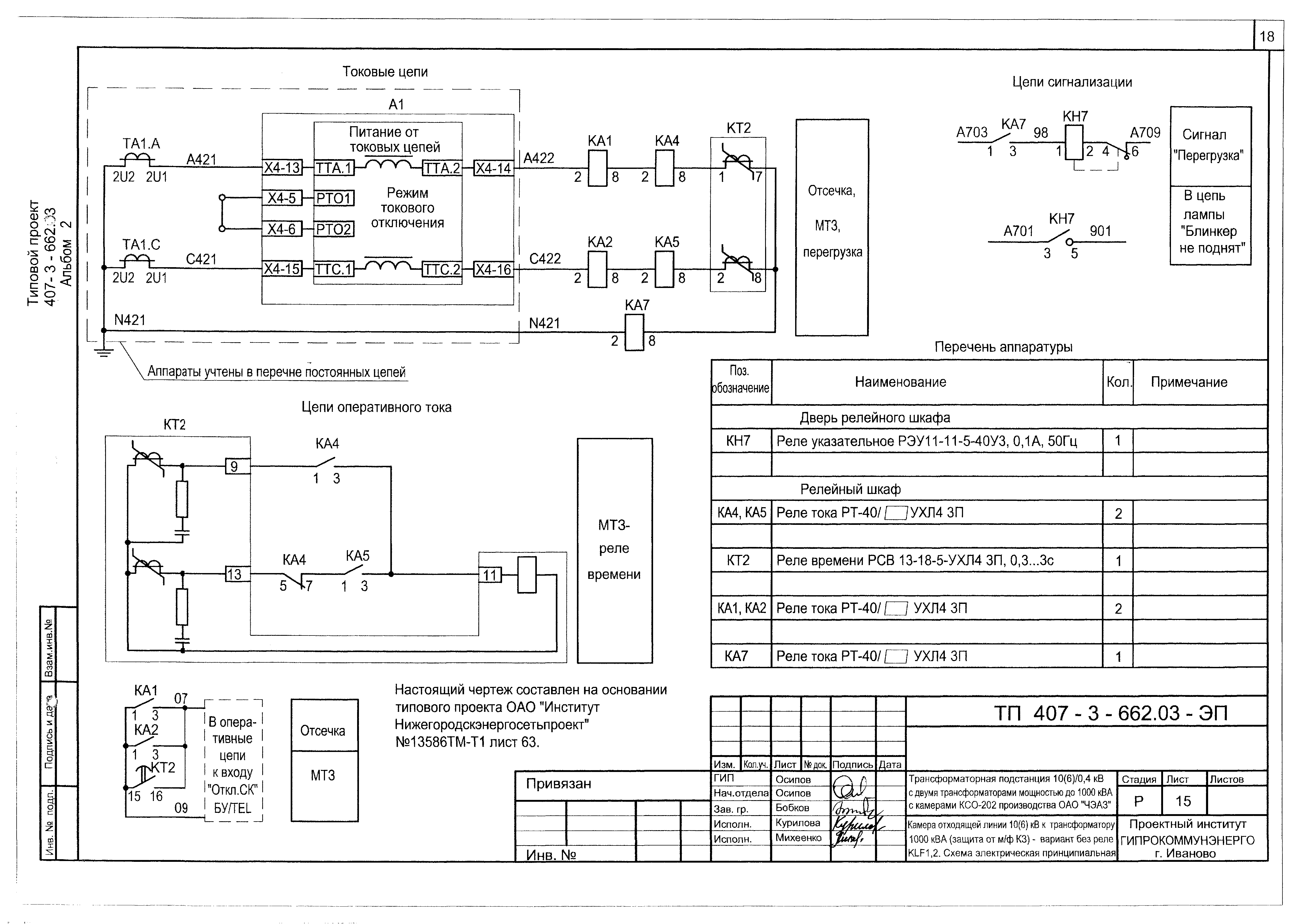
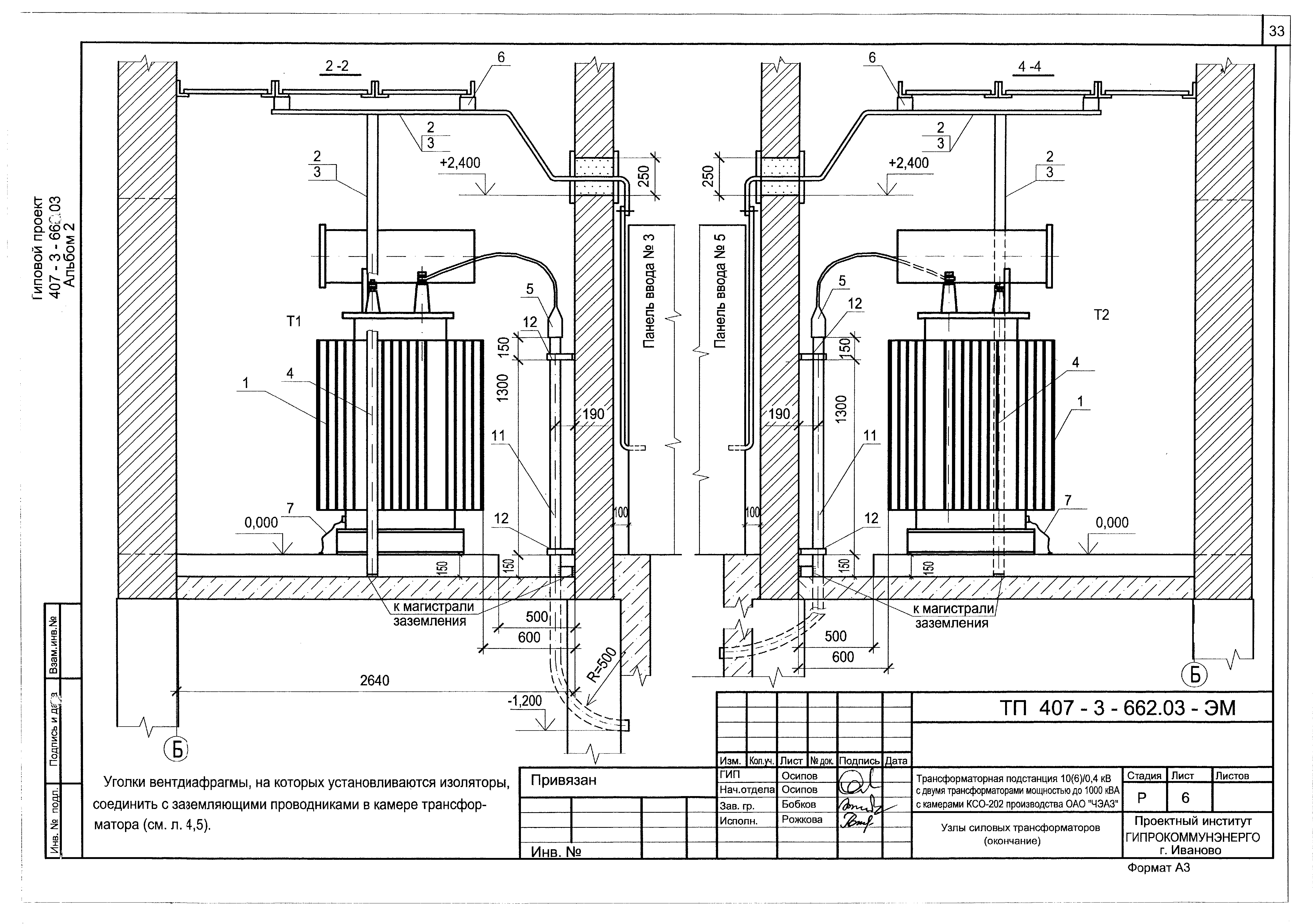
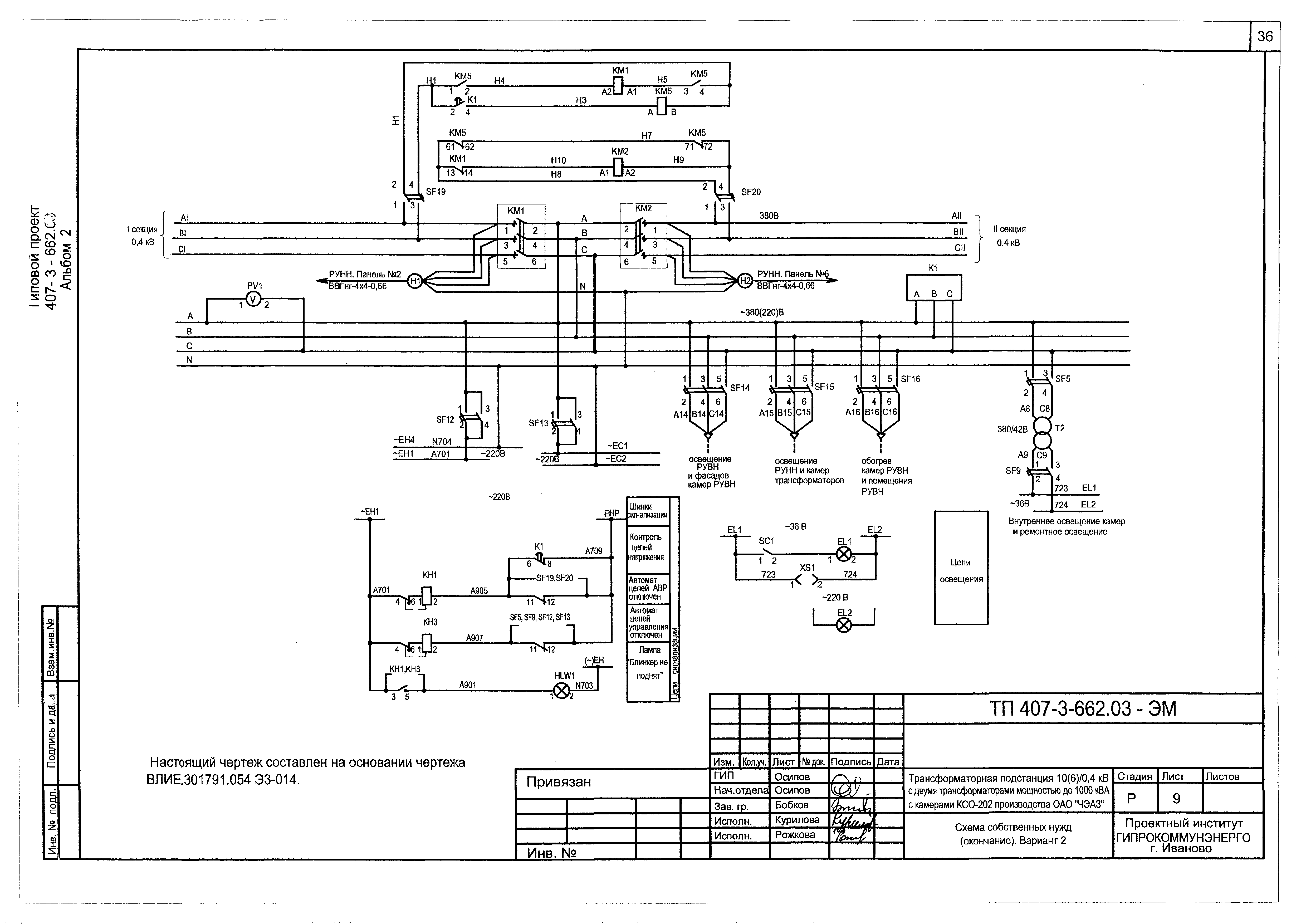
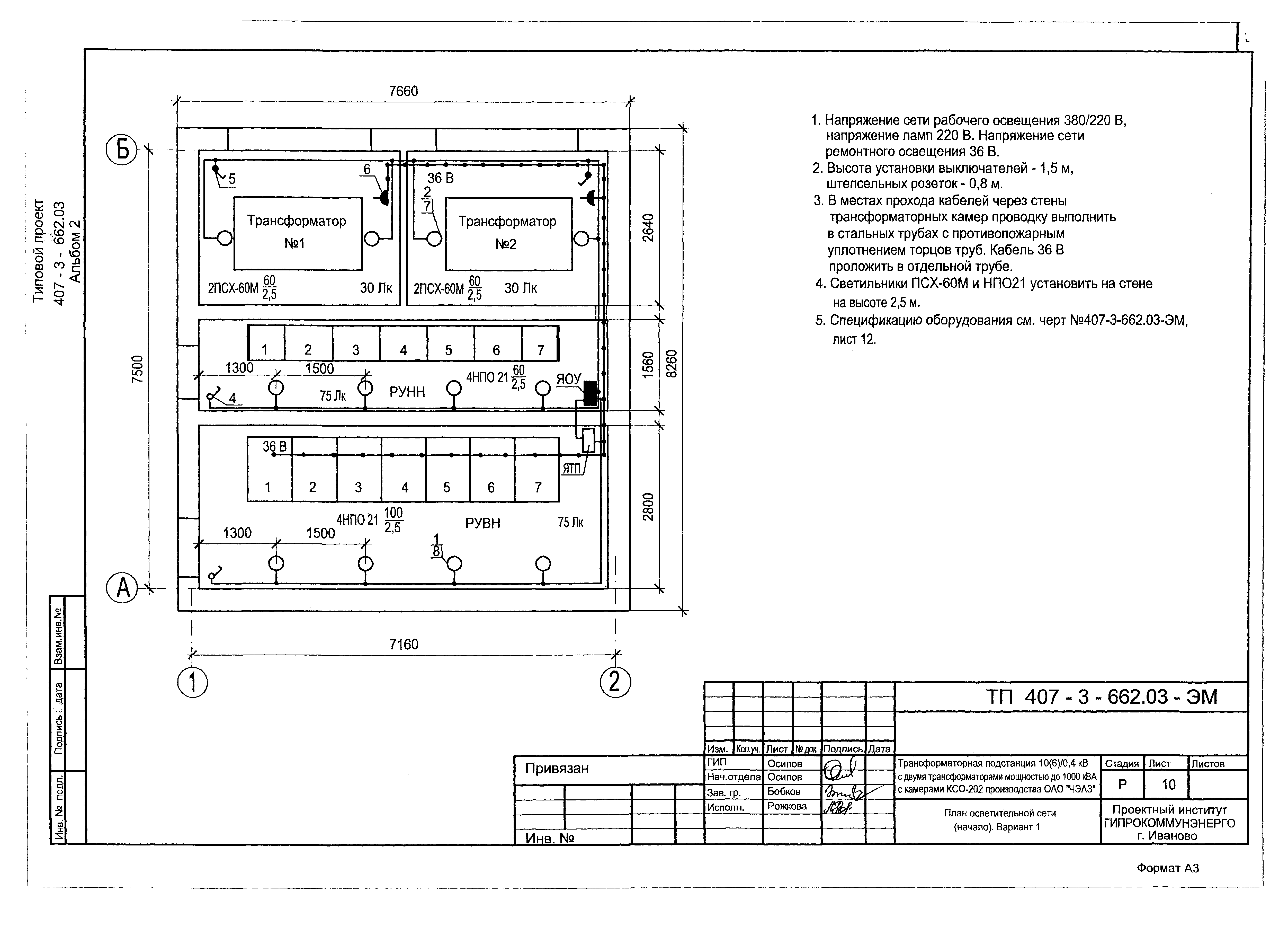
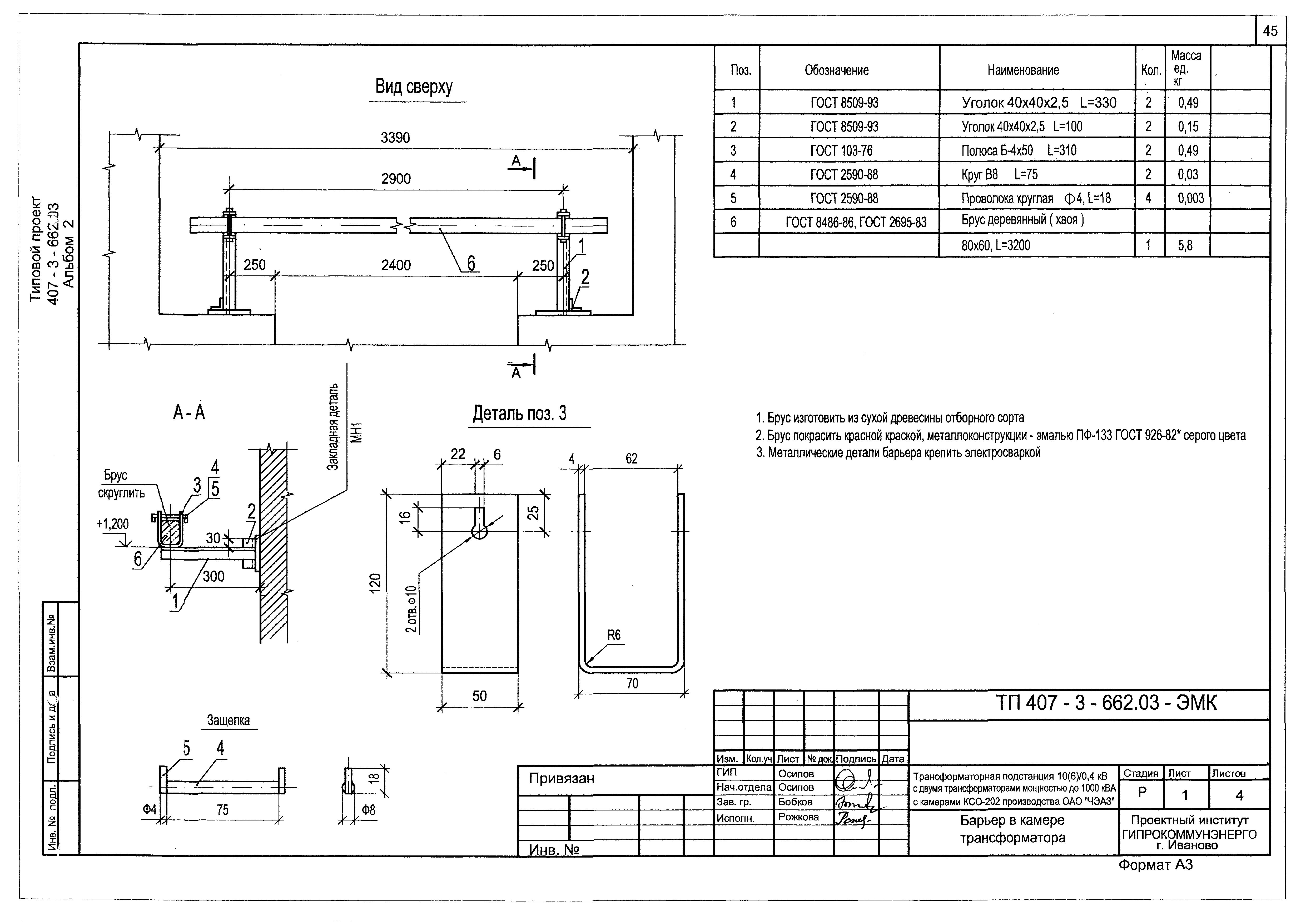
| Оглавление: | ТП 407-3-662.03-СА Содержание альбома ТП 407-3-662.03-ЭП Электротехническая часть - ЭП ТП 407-3-662.03-ЭП Общие данные (начало) ТП 407-3-662.03-ЭП Общие данные (окончание) ТП 407-3-662.03-ЭП Схема электрических соединений 10(6) кВ. Вариант 1 ТП 407-3-662.03-ЭП Схема электрических соединений 10(6) кВ. Вариант 2 ТП 407-3-662.03-ЭП Схема электрических соединений 0,4 кВ (с выключателями на отходящих линиях) ТП 407-3-662.03-ЭП Основное оборудование щита 0,4 кВ ТП 407-3-662.03-ЭП План и разрезы ТП (начало) ТП 407-3-662.03-ЭП План и разрезы ТП (окончание) ТП 407-3-662.03-ЭП Кабельный журнал ТП 407-3-662.03-ЭП План прокладки кабелей ТП 407-3-662.03-ЭП Камера отходящей линии 10(6) кВ к трансформатору 1000 кВА. Схема электрическая принципиальная (начало) ТП 407-3-662.03-ЭП Камера отходящей линии 10(6) кВ к трансформатору 1000 кВА. Схема электрическая принципиальная (продолжение) ТП 407-3-662.03-ЭП Камера отходящей линии 10(6) кВ к трансформатору 1000 кВА. Схема электрическая принципиальная (окончание) ТП 407-3-662.03-ЭП Камера отходящей линии 10(6) кВ к трансформатору 1000 кВА (защита от м/ф кз) - вариант с реле KLF1,2. Схема электрическая принципиальная ТП 407-3-662.03-ЭП Камера отходящей линии 10(6) кВ к трансформатору 1000 кВА (защита от м/ф кз) - вариант без реле KLF1,2. Схема электрическая принципиальная ТП 407-3-662.03-ЭП Камера отходящей линии 10(6) кВ к трансформатору 1000 кВА (защита от м/ф кз) - вариант с реле РТ-85. Схема электрическая принципиальная ТП 407-3-662.03-ЭП Камера отходящей линии 10(6) кВ к трансформатору 1000 кВА (защита от м/ф кз) - вариант с реле KLF1,2. Перечень аппаратуры ТП 407-3-662.03-ЭП Центральная сигнализация. Схема электрическая принципиальная(начало) ТП 407-3-662.03-ЭП Центральная сигнализация. Схема электрическая принципиальная (окончание) ТП 407-3-662.03-ЭП РУ-10(6) кВ. План шинок ТП 407-3-662.03-ЭП Ввод 0,4 кВ трансформатора. Схема электрическая принципиальная ТП 407-3-662.03-ЭП Секционный автомат 0,4 кВ. Схема электрическая принципиальная ТП 407-3-662.03-ЭП Ввод 0,4 кВ трансформатора. Перечень аппаратуры ТП 407-3-662.03-ЭП Секционный автомат 0,4 кВ. Перечень аппаратуры ТП 407-3-662.03-ЭП Трансформатор Т1(Т2). Ряды зажимов панелей вводов ТП 407-3-662.03-ЭП Секционный автомат 0,4 кВ. Ряд зажимов панели ТП 407-3-662.03-ЭМ Электросиловое оборудование-ЭМ ТП 407-3-662.03-ЭМ Общие данные ТП 407-3-662.03-ЭМ Узлы силовых трансформаторов (начало) ТП 407-3-662.03-ЭМ Узлы силовых трансформаторов (продолжение) ТП 407-3-662.03-ЭМ Узлы силовых трансформаторов (окончание) ТП 407-3-662.03-ЭМ Схема электрического освещения и отопления. Вариант 1 ТП 407-3-662.03-ЭМ Схема собственных нужд (начало). Вариант 2 ТП 407-3-662.03-ЭМ Схема собственных нужд (окончание). Вариант 2 ТП 407-3-662.03-ЭМ План осветительной сети (начало). Вариант 1 ТП 407-3-662.03-ЭМ План осветительной сети (начало). Вариант 2 ТП 407-3-662.03-ЭМ План осветительной сети (окончание). Вариант 1,2 ТП 407-3-662.03-ЭМ План силовой сети. Вариант 1 ТП 407-3-662.03-ЭМ План силовой сети. Вариант 2 ТП 407-3-662.03-ЭМ Автоматика обогрева. Схема электрическая принципиальная. Вариант 1 ТП 407-3-662.03-ЭМ Автоматика обогрева. Схема электрическая принципиальная. Вариант 2 ТП 407-3-662.03-ЭМ Заземление и молниезащита ТП 407-3-662.03-ЭМ Барьер в камере трансформатора ТП 407-3-662.03-ЭМ Детали оборудования трансформаторных вводов ТП 407-3-662.03-ЭМ Подставка изолирующая ТП 407-3-662.03-ЭМ Ведомость изделий МЭЗ |
| Разработан: | ОГУП ПИ Гипрокоммунэнерго |
| Утверждён: | 23.09.2004 ОАО ЧЭАЗ (360) |
















































