Скачать Типовой проект 704-1-158.83 Альбом III. Оборудование резервуаров для хранения нефтепродуктов с давлением насыщенных паров 200-500 мм рт. ст. при подземной установке в сухих и мокрых грунтахДата актуализации: 01.01.2021
|
| Обозначение: | Типовой проект 704-1-158.83 |
| Обозначение англ: | 704-1-158.83 |
| Статус: | не действует |
| Название рус.: | Альбом III. Оборудование резервуаров для хранения нефтепродуктов с давлением насыщенных паров 200-500 мм рт. ст. при подземной установке в сухих и мокрых грунтах |
| Дата добавления в базу: | 01.09.2013 |
| Дата актуализации: | 01.01.2021 |
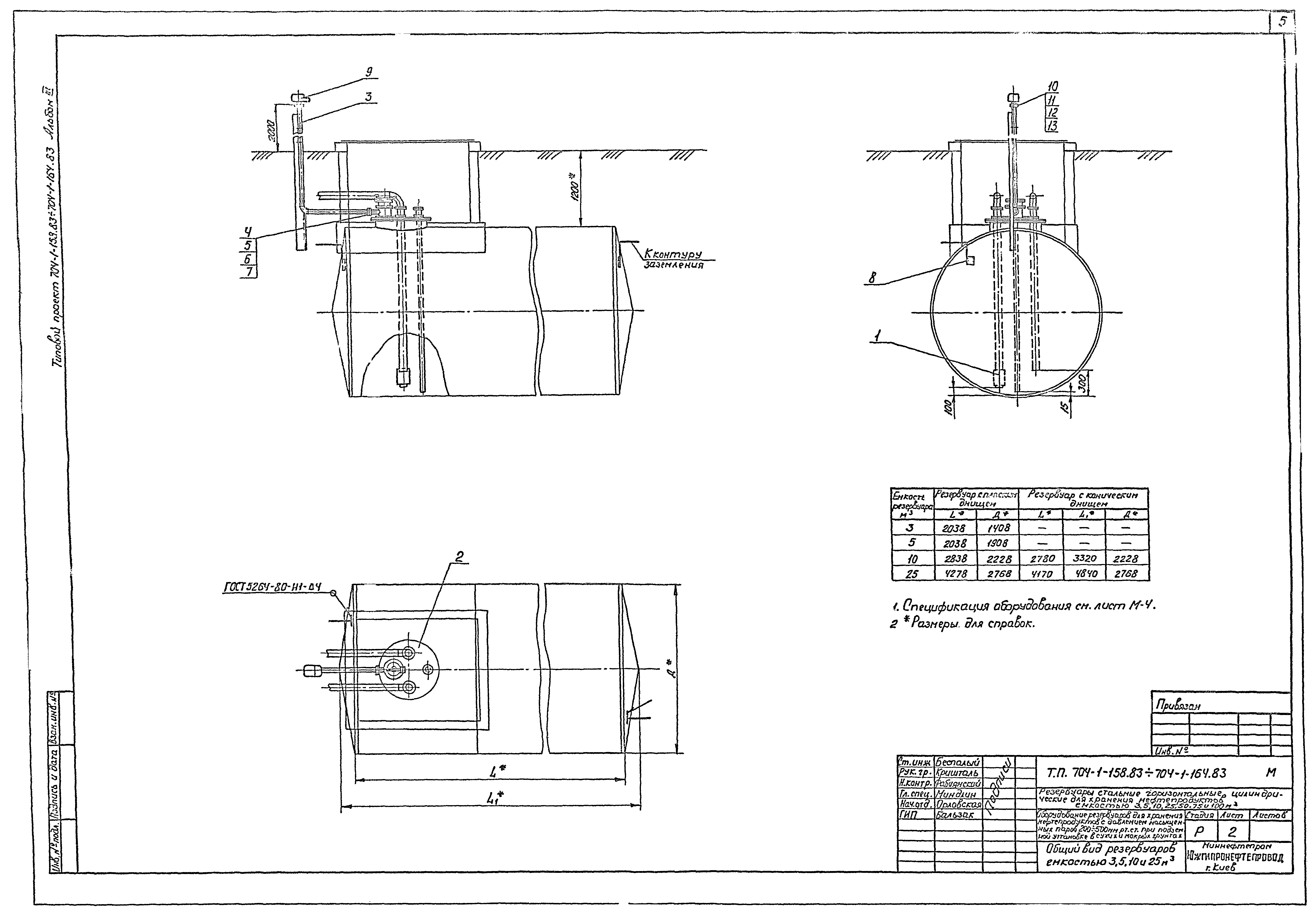
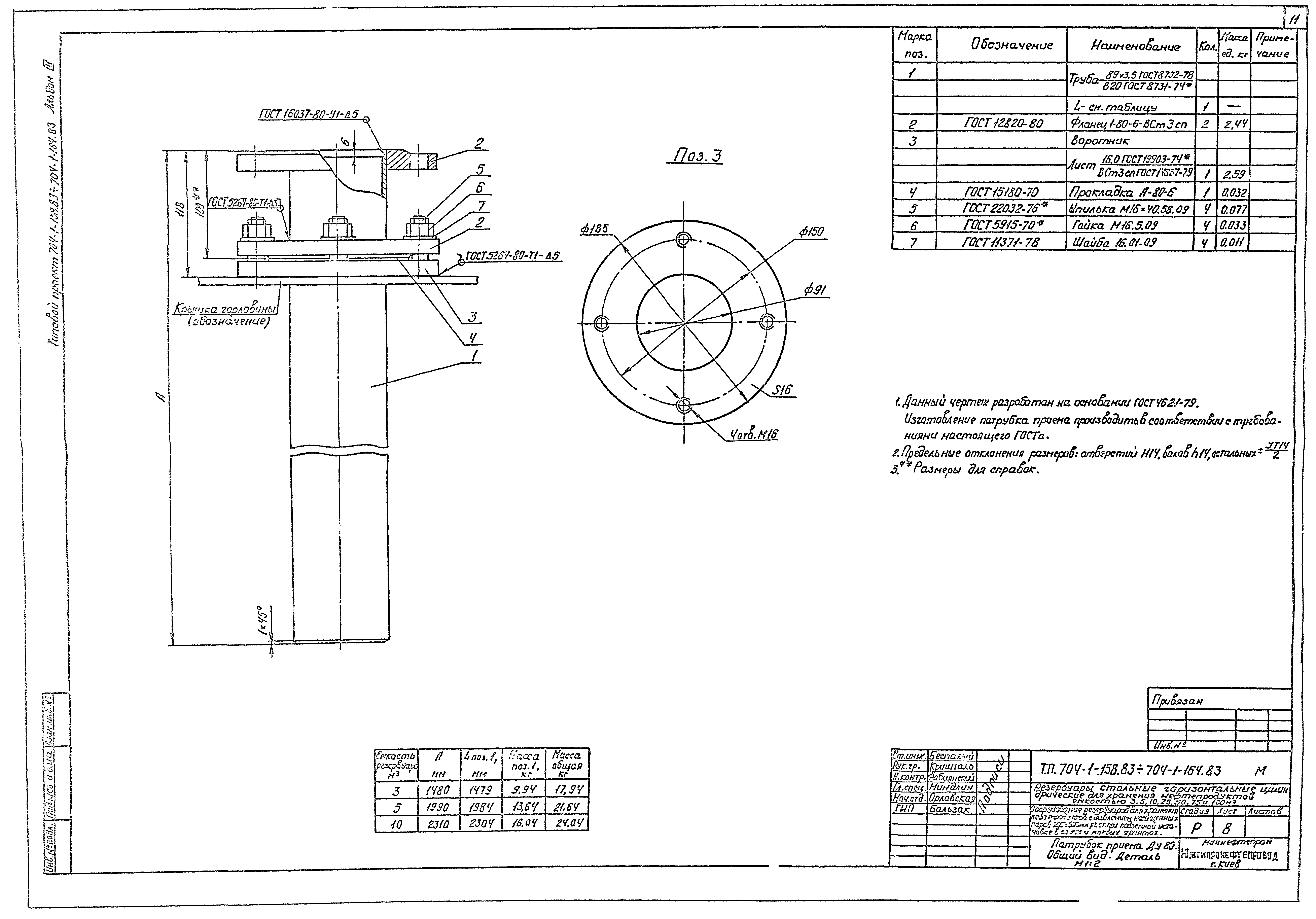
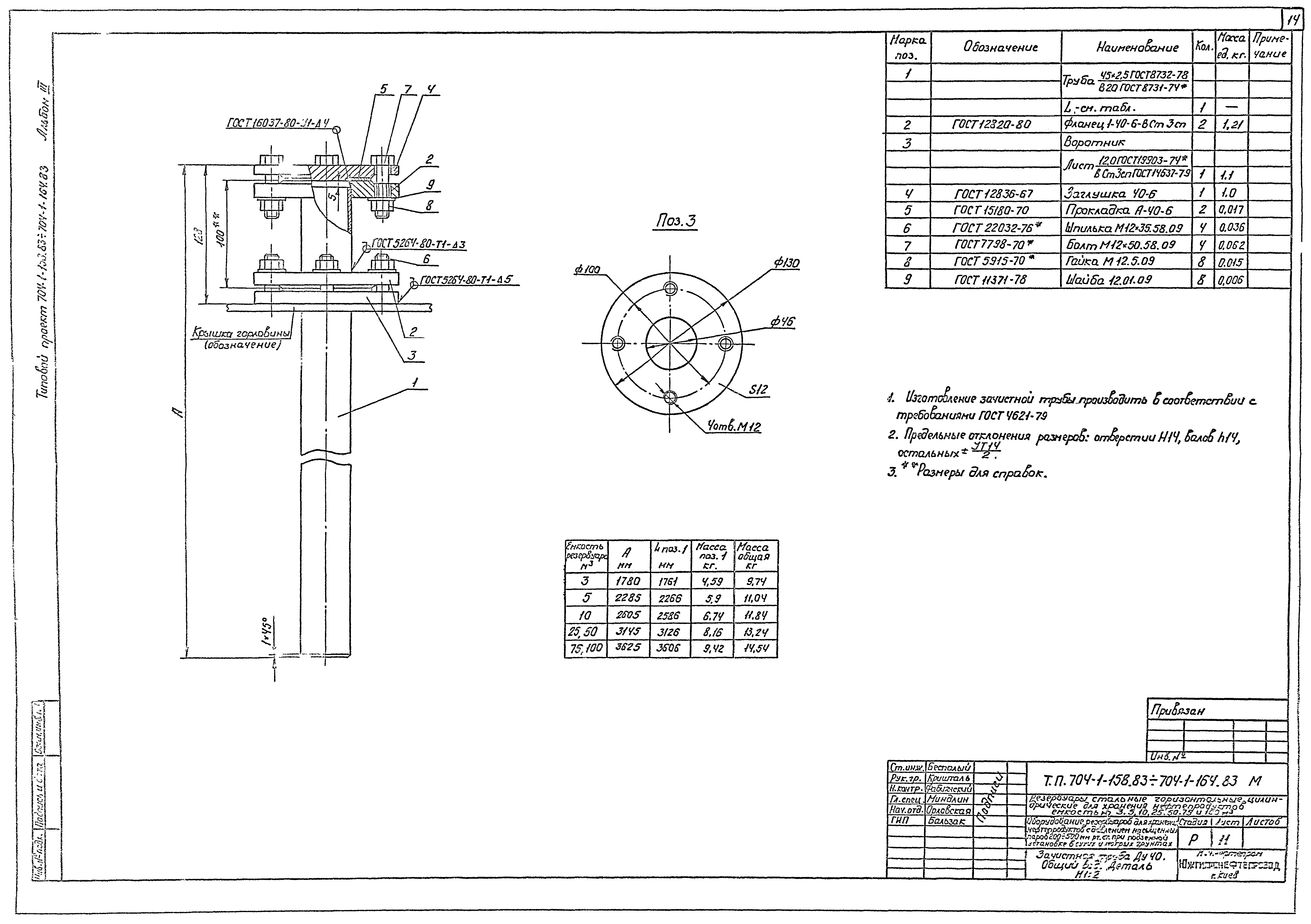
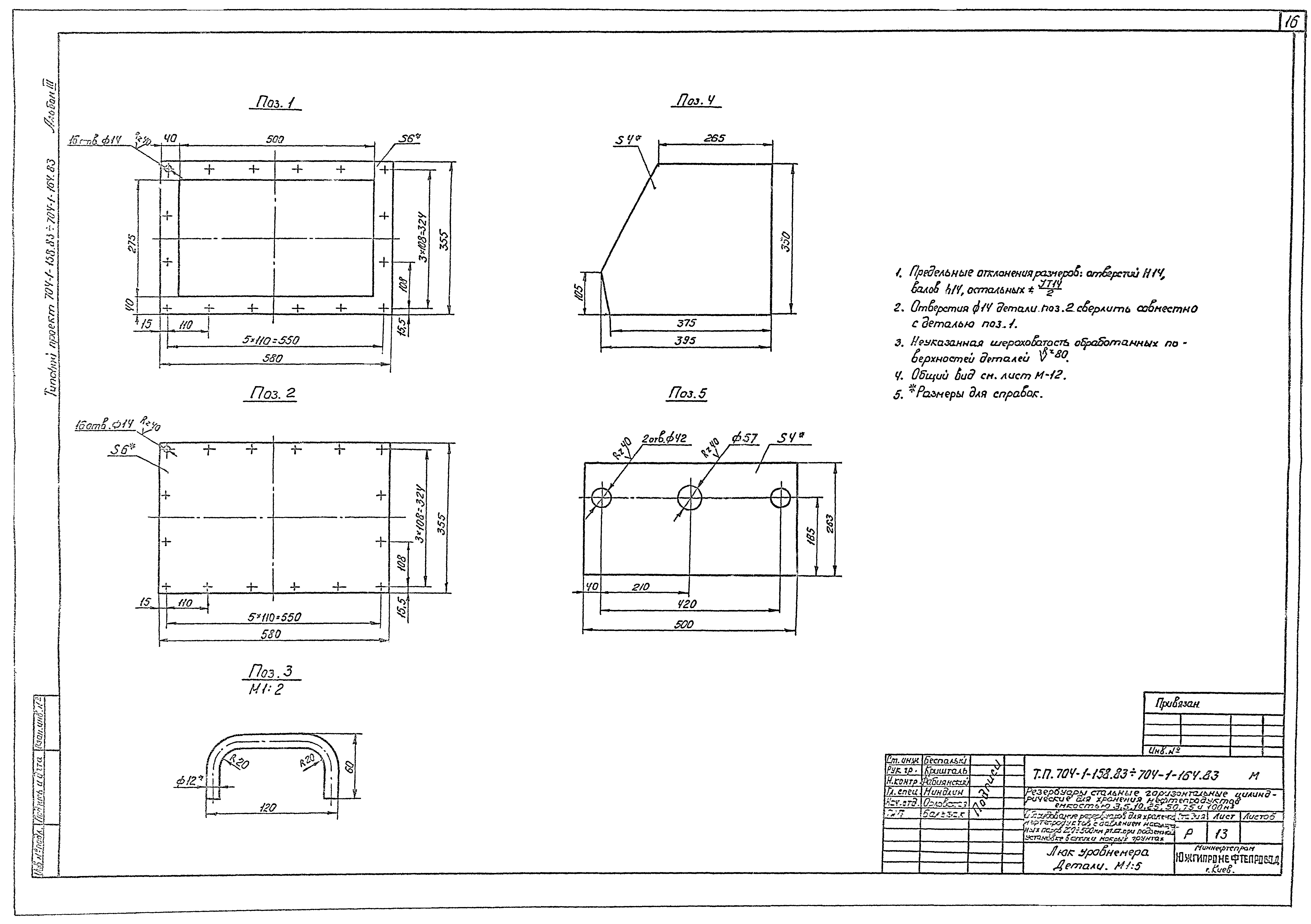
| Оглавление: | Механическая часть Общие данные Общий вид резервуаров емкостью 3, 5, 10 и 25 куб. м Общий вид резервуаров емкостью 50, 75 и 100 куб. м Общий вид резервуаров емкостью 3 - 100 куб. м. Спецификация Установка оборудования на крышке горловины резервуара Патрубок замерного люка. Общий вид Труба дыхательная Патрубок приема Ду80. Общий вид. Деталь Патрубок раздачи Ду80. Общий вид. Детали Патрубок приема ПП. Патрубок раздачи ПР Ду100. Общий вид. Деталь Зачистная труба Ду40. Общий вид. Деталь Люк уровнемера. Общий вид Люк уровнемера. Детали Архитектурно-строительная часть Общие данные Схемы расположения резервуаров в сухих грунтах Схемы расположения резервуаров в мокрых грунтах Поддон Ф1 Анкерный фундамент Ф2 Основание колодца К1 Технологический колодец К2 План расстановки уровнемеров. Фундамент Ф3 Крышка колодца М1 Приемник утечек М-2. Крышка смотровой трубы М3. Закладная деталь №4 Кронштейн М5 Часть КИП и автоматики Общие данные. Функциональная схема автоматики Установка уровнемера |
| Разработан: | Южгипронефтепровод Миннефтепрома СССР |
| Утверждён: | 10.12.1982 Миннефтепром (Minnefteprom ) |



























