Скачать Типовой проект 704-1-161.83 Альбом IV. Оборудование резервуаров для хранения нефтепродуктов с давлением насыщенных паров менее 200 мм рт. ст. при надземной установкеДата актуализации: 01.01.2021
|
| Обозначение: | Типовой проект 704-1-161.83 |
| Обозначение англ: | 704-1-161.83 |
| Статус: | не действует |
| Название рус.: | Альбом IV. Оборудование резервуаров для хранения нефтепродуктов с давлением насыщенных паров менее 200 мм рт. ст. при надземной установке |
| Дата добавления в базу: | 01.09.2013 |
| Дата актуализации: | 01.01.2021 |
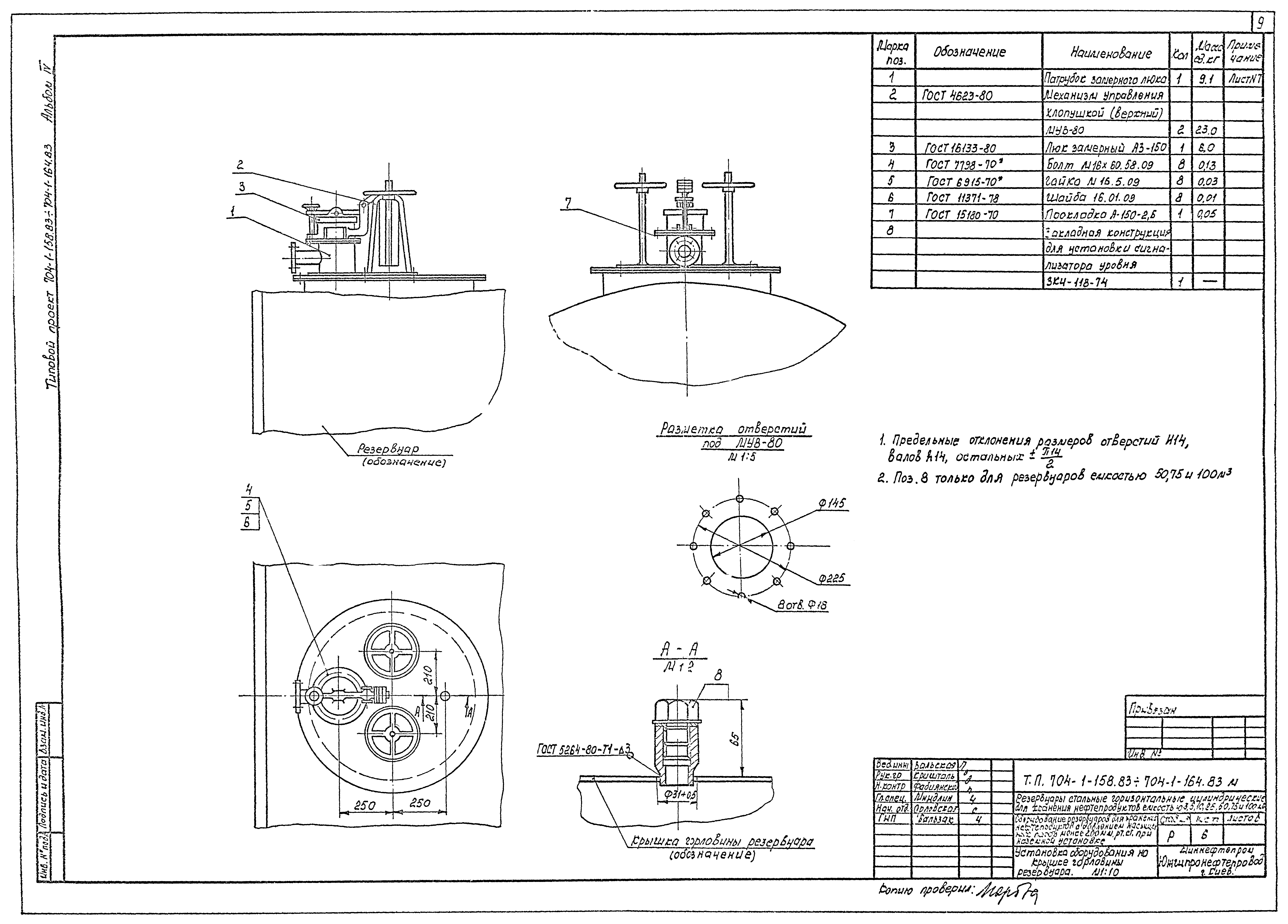
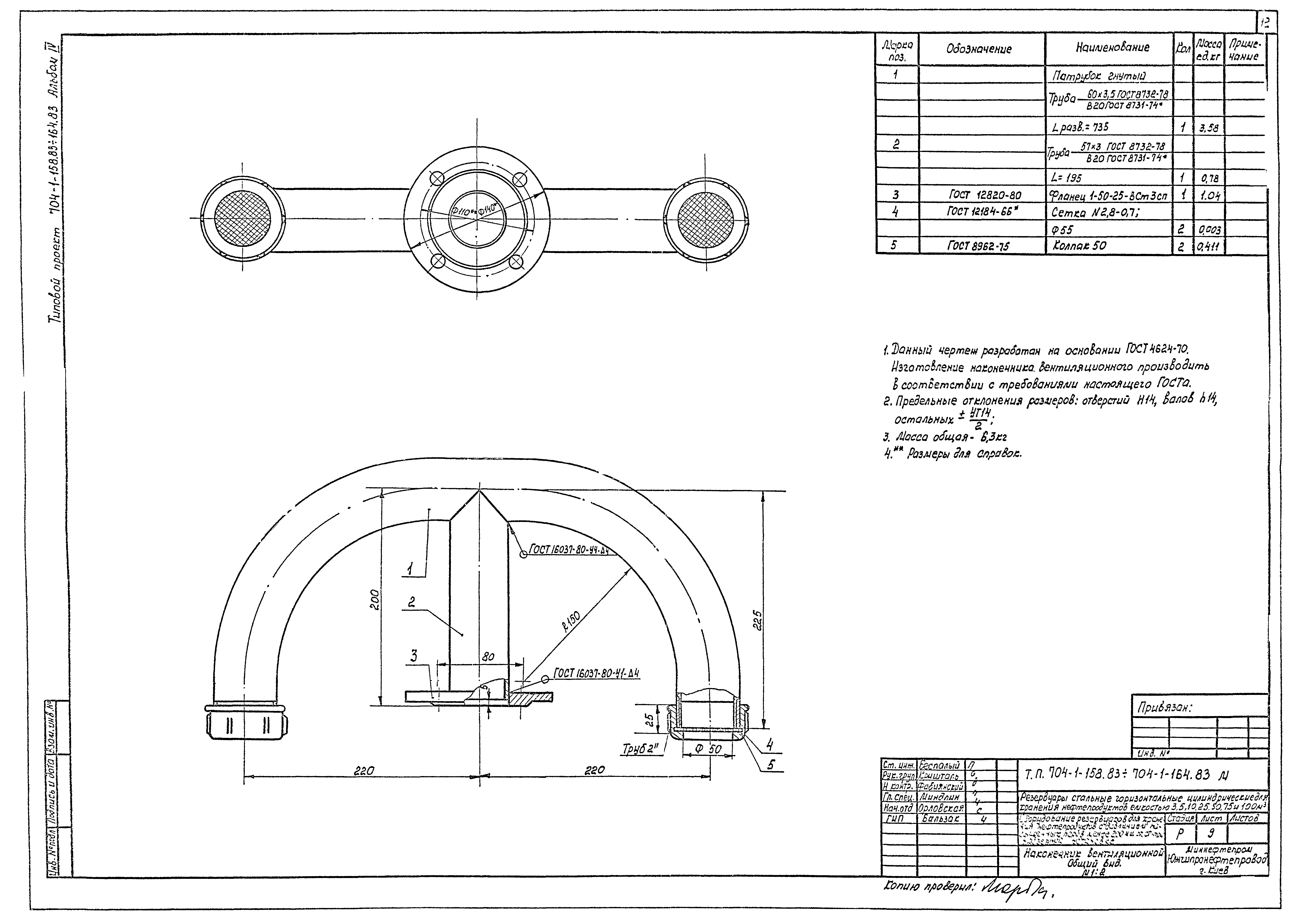
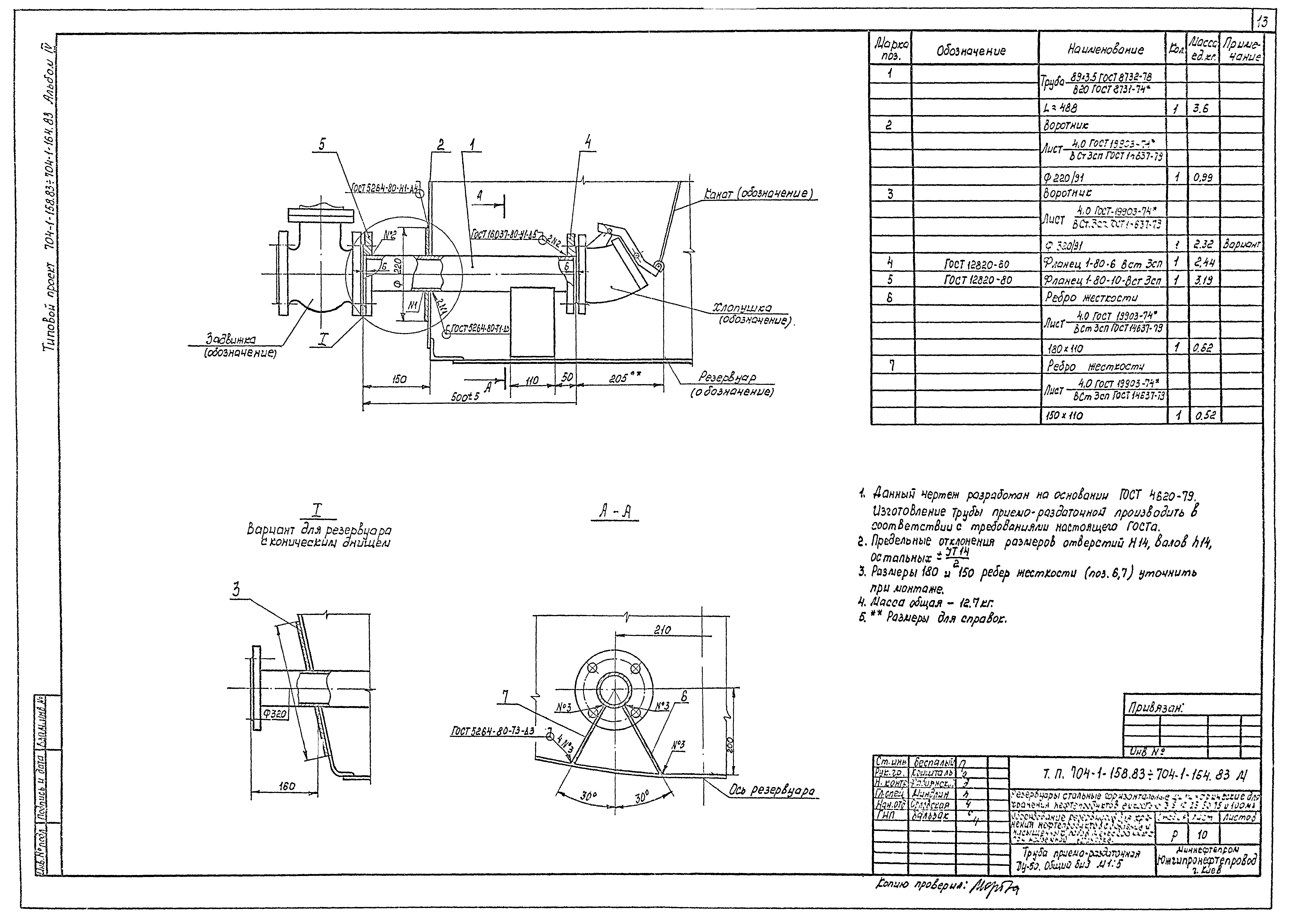
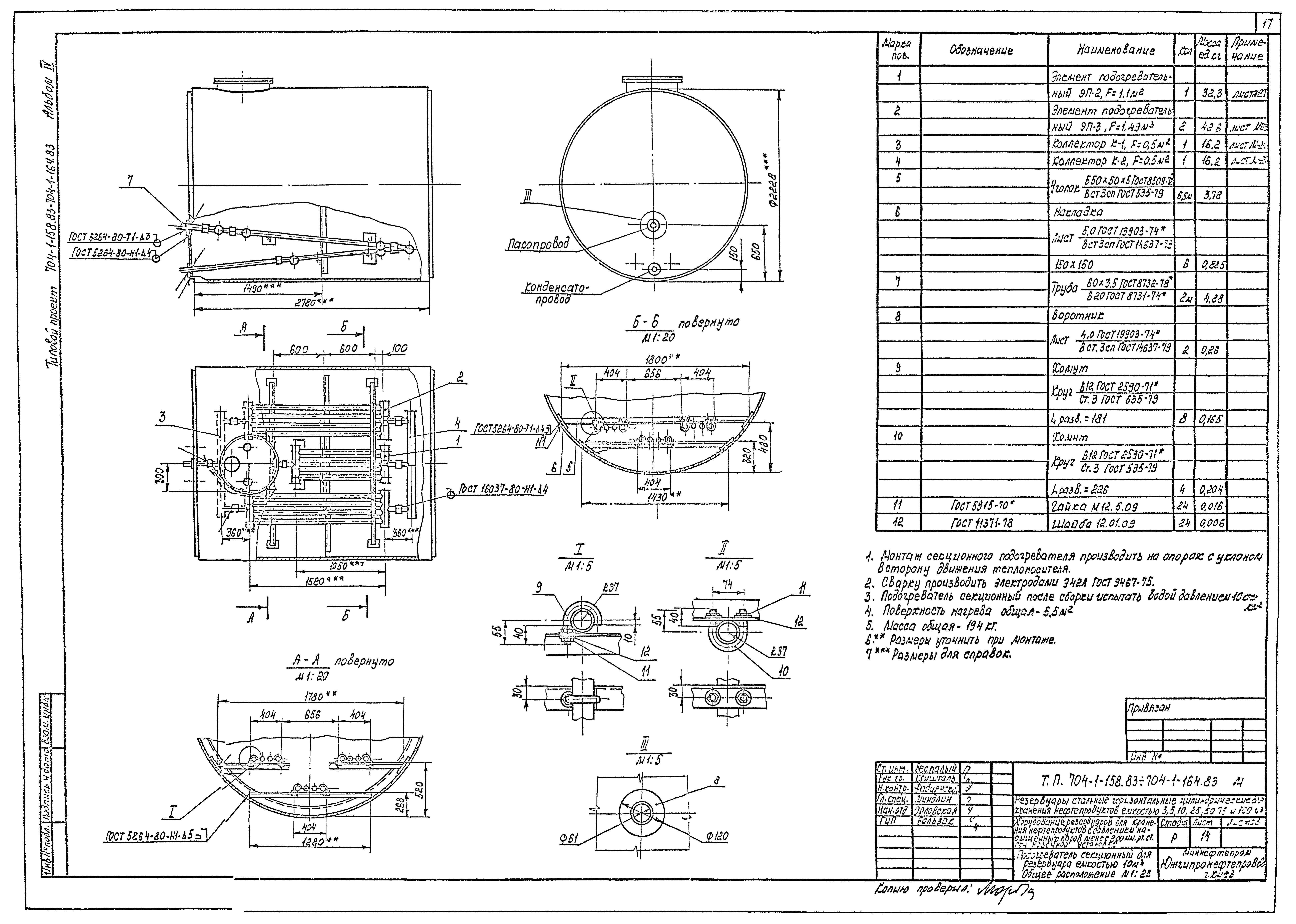
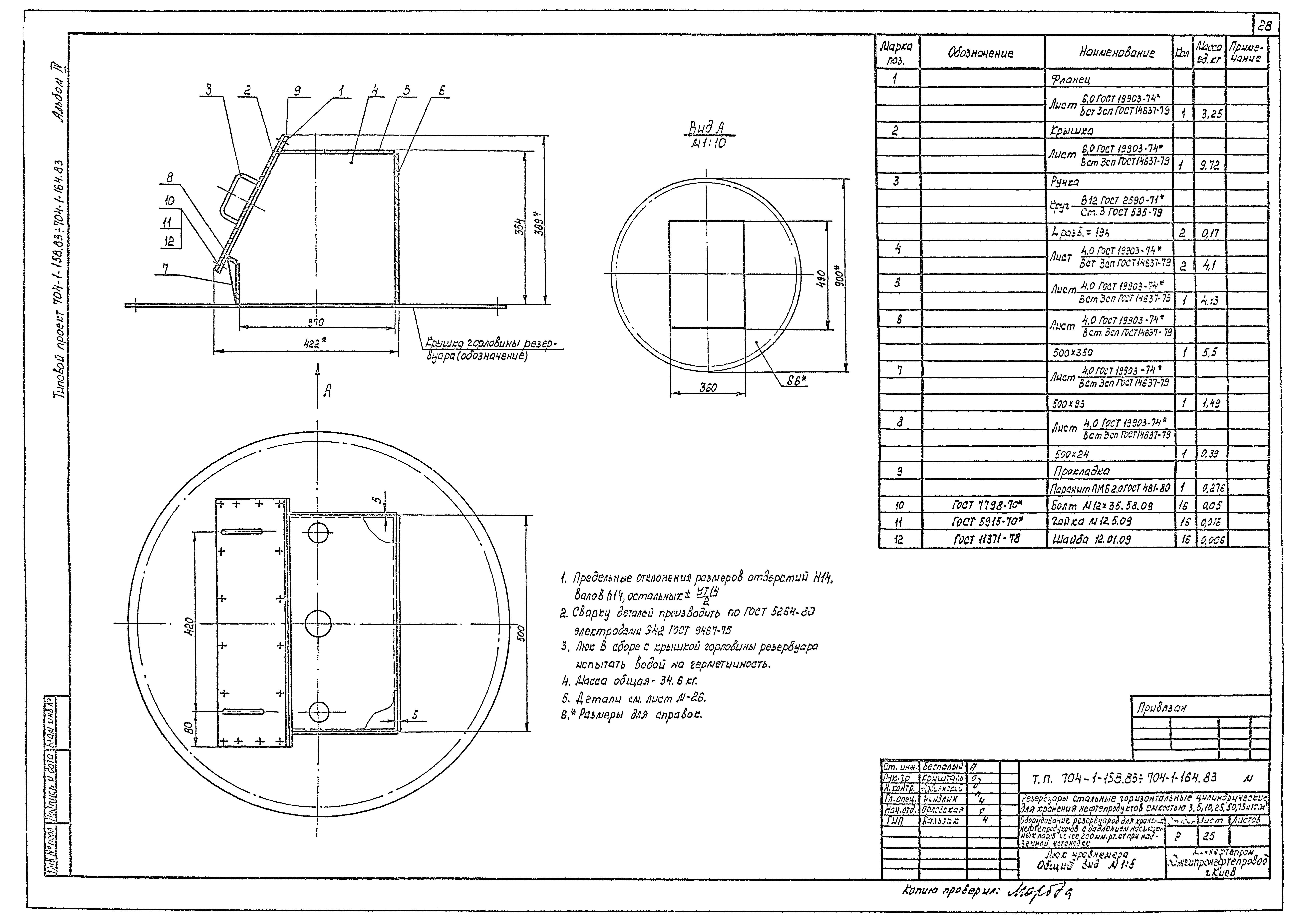
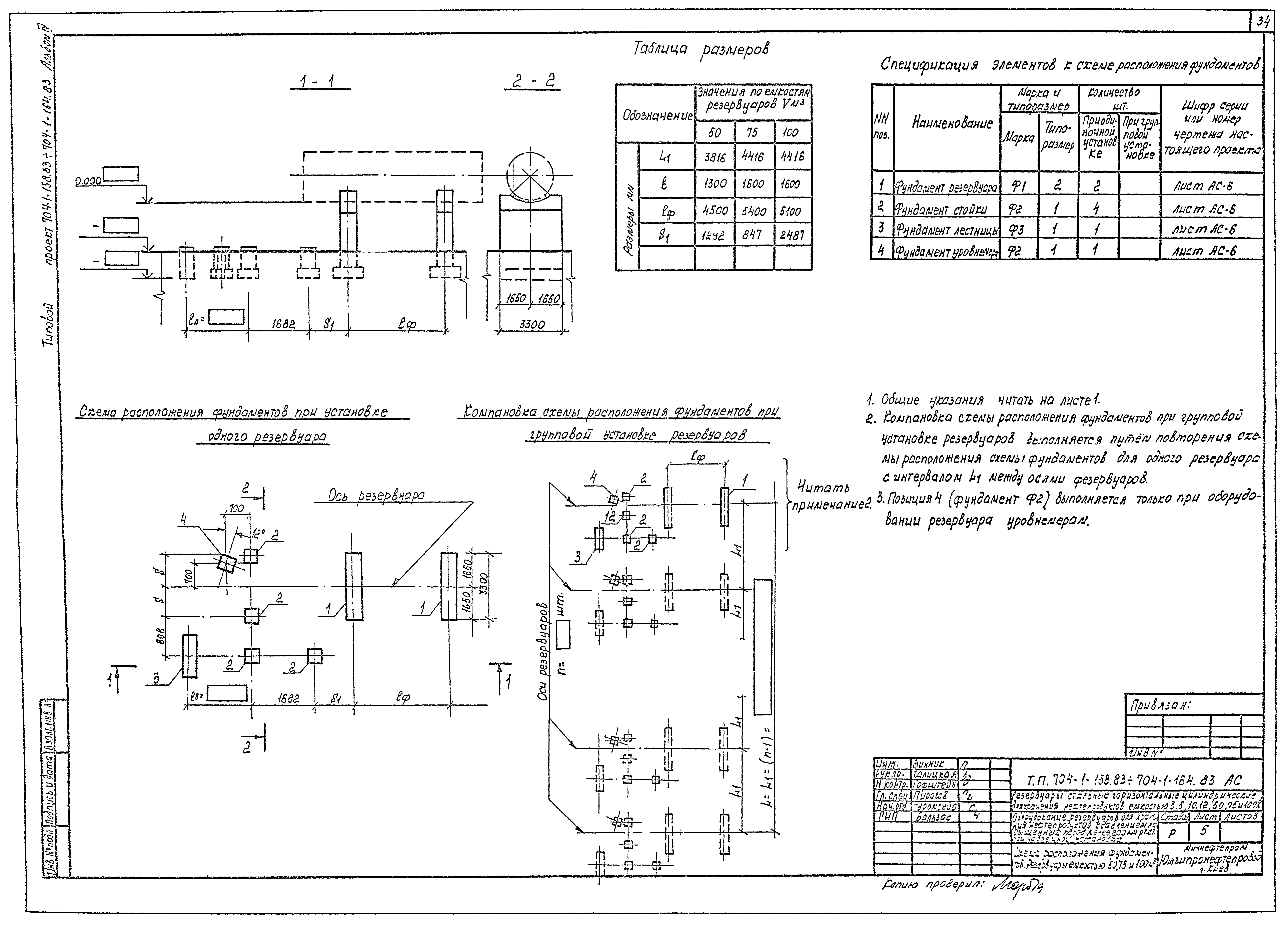
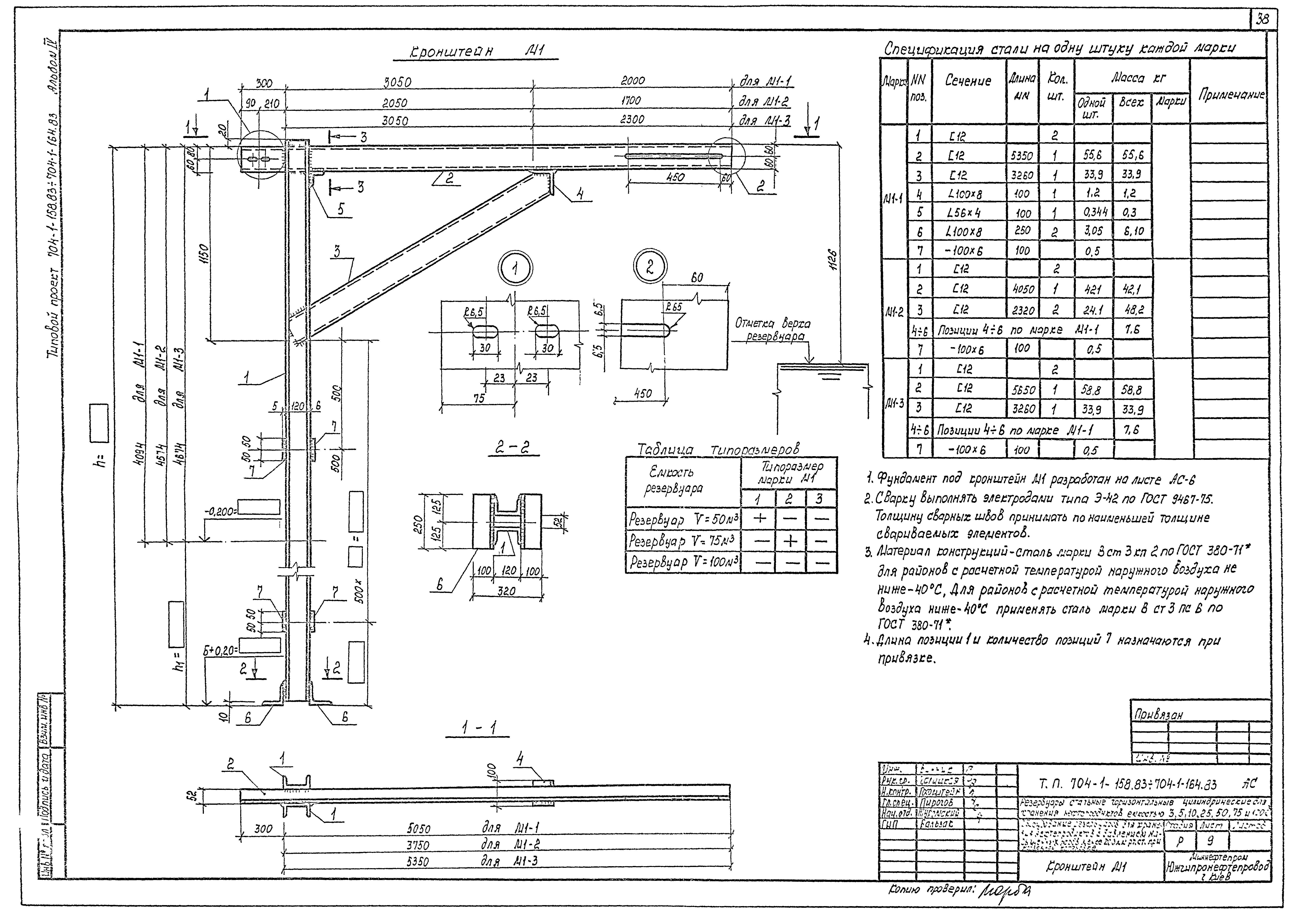
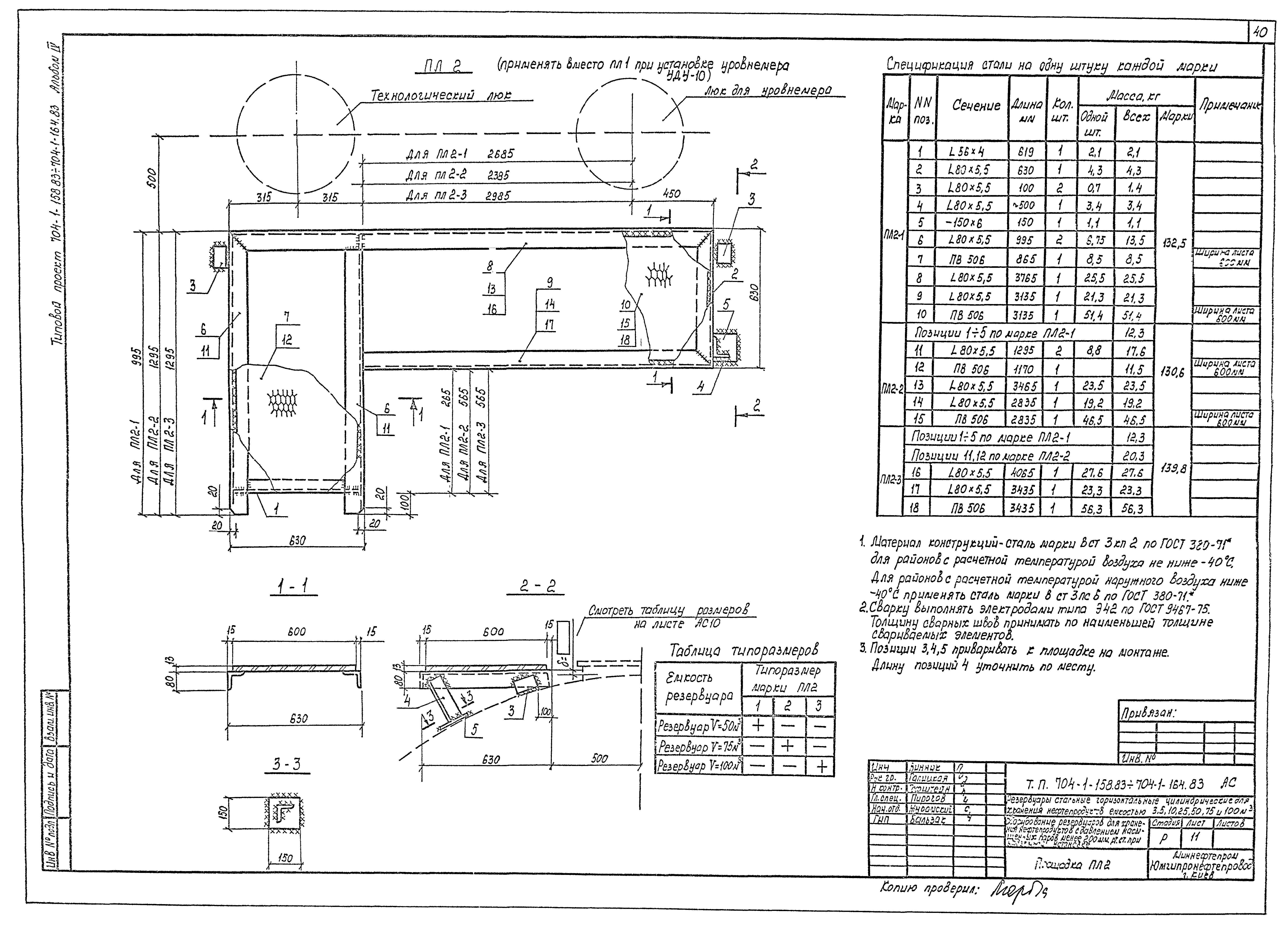
| Оглавление: | Механическая часть Общие данные Общий вид резервуаров емкостью 3, 5, 10 и 25 куб. м Общий вид резервуаров емкостью 50, 75 и 100 куб. м Общий вид резервуаров емкостью 3 - 100 куб. м. Спецификация Установка оборудования на крышке горловины резервуара Патрубок замерного люка. Общий вид Труба вентиляционная Наконечник вентиляционный. Общий вид Труба приемно-раздаточная Ду80. Общий вид Пробка водогрязеспускная. Общий вид. Детали Пробка водогрязеспускная. Детали Подогреватель секционный для резервуаров емкостью 3 куб. м и 5 куб. м. Общие расположения Подогреватель секционный для резервуара емкостью 10 куб. м. Общее расположение Подогреватель секционный для резервуара емкостью 25 куб. м. Общее расположение Подогреватель секционный для резервуара емкостью 25 куб. м. Разрезы, узлы Подогреватель секционный для резервуара емкостью 50 куб. м. Общее расположение Подогреватель секционный для резервуара емкостью 50 куб. м. Разрезы, узлы Подогреватель секционный для резервуара емкостью 75 куб. м. Общее расположение Подогреватель секционный для резервуара емкостью 75 куб. м. Разрезы, узлы Подогреватель секционный для резервуара емкостью 100 куб. м. Общее расположение Подогреватель секционный для резервуара емкостью 100 куб. м. Разрезы, узлы Элемент подогревательный. Общий вид Коллекторы К-1, К-2. Общий вид Люк уровнемера. Общий вид Люк уровнемера. Детали Архитектурно-строительная часть Общие данные Схемы расположения площадок обслуживания. Резервуары емкостью 3, 5, 10, 25 куб. м Схемы расположения площадок обслуживания. Резервуары емкостью 50, 75 и 100 куб. м Схемы расположения фундаментов. Резервуары емкостью 3, 5, 10, 25 куб. м Схемы расположения фундаментов. Резервуары емкостью 60, 76 и 100 куб. м Фундаменты Ф-1, Ф-2, Ф-3 Стойка СТ1 Стремянка С1 Кронштейн М1 Площадка ПЛ1 Площадка ПЛ2 Схема расположения площадок верхнего яруса. Узлы №5, 6, 7 Монтажные узлы Часть КИП и автоматики Общие данные. Функциональная схема автоматики Установка уровнемера Часть теплоснабжение Узел управления системой подогрева. Общие данные Узел управления системой подогрева. План. Разрез. Схема |
| Разработан: | Южгипронефтепровод Миннефтепрома СССР |
| Утверждён: | 10.12.1982 Миннефтепром (Minnefteprom ) |














































