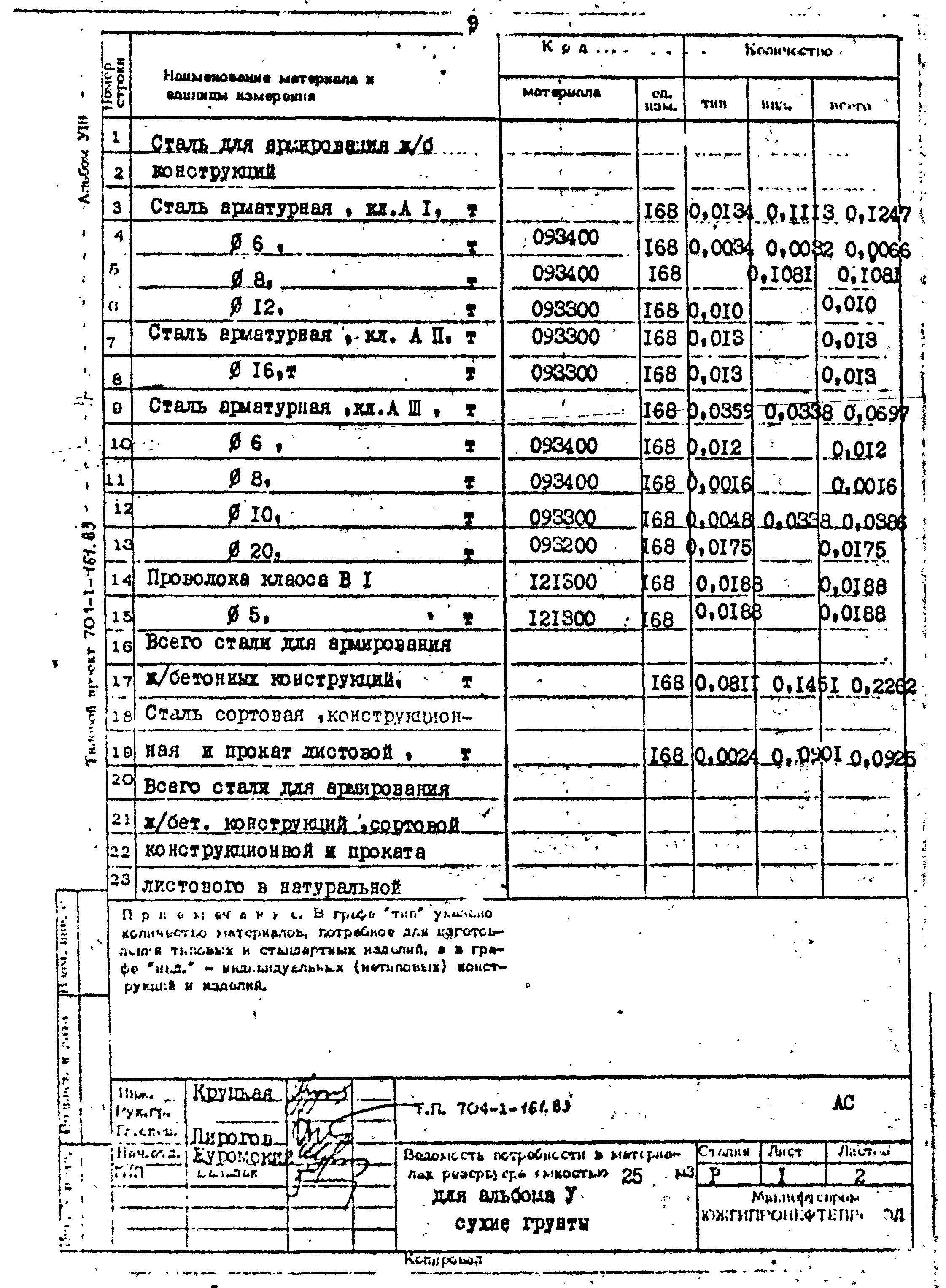
Скачать Типовой проект 704-1-161.83 Альбом VIII. Ведомости материаловДата актуализации: 01.01.2021
|
| Обозначение: | Типовой проект 704-1-161.83 |
| Обозначение англ: | 704-1-161.83 |
| Статус: | не действует |
| Название рус.: | Альбом VIII. Ведомости материалов |
| Дата добавления в базу: | 01.09.2013 |
| Дата актуализации: | 01.01.2021 |
| Разработан: | ЦНИИпроектстальконструкция Южгипронефтепровод Миннефтепрома СССР Проектхимзащита Минмонтажспецстроя СССР |
| Утверждён: | 10.12.1982 Миннефтепром (Minnefteprom ) |









































