Скачать Типовой проект 704-1-162.83 Альбом V. Оборудование резервуаров для хранения нефтепродуктов с давлением насыщенных паров менее 200 мм рт. ст. при подземной установке в сухих и мокрых грунтахДата актуализации: 01.01.2021
|
| Обозначение: | Типовой проект 704-1-162.83 |
| Обозначение англ: | 704-1-162.83 |
| Статус: | не действует |
| Название рус.: | Альбом V. Оборудование резервуаров для хранения нефтепродуктов с давлением насыщенных паров менее 200 мм рт. ст. при подземной установке в сухих и мокрых грунтах |
| Дата добавления в базу: | 01.09.2013 |
| Дата актуализации: | 01.01.2021 |
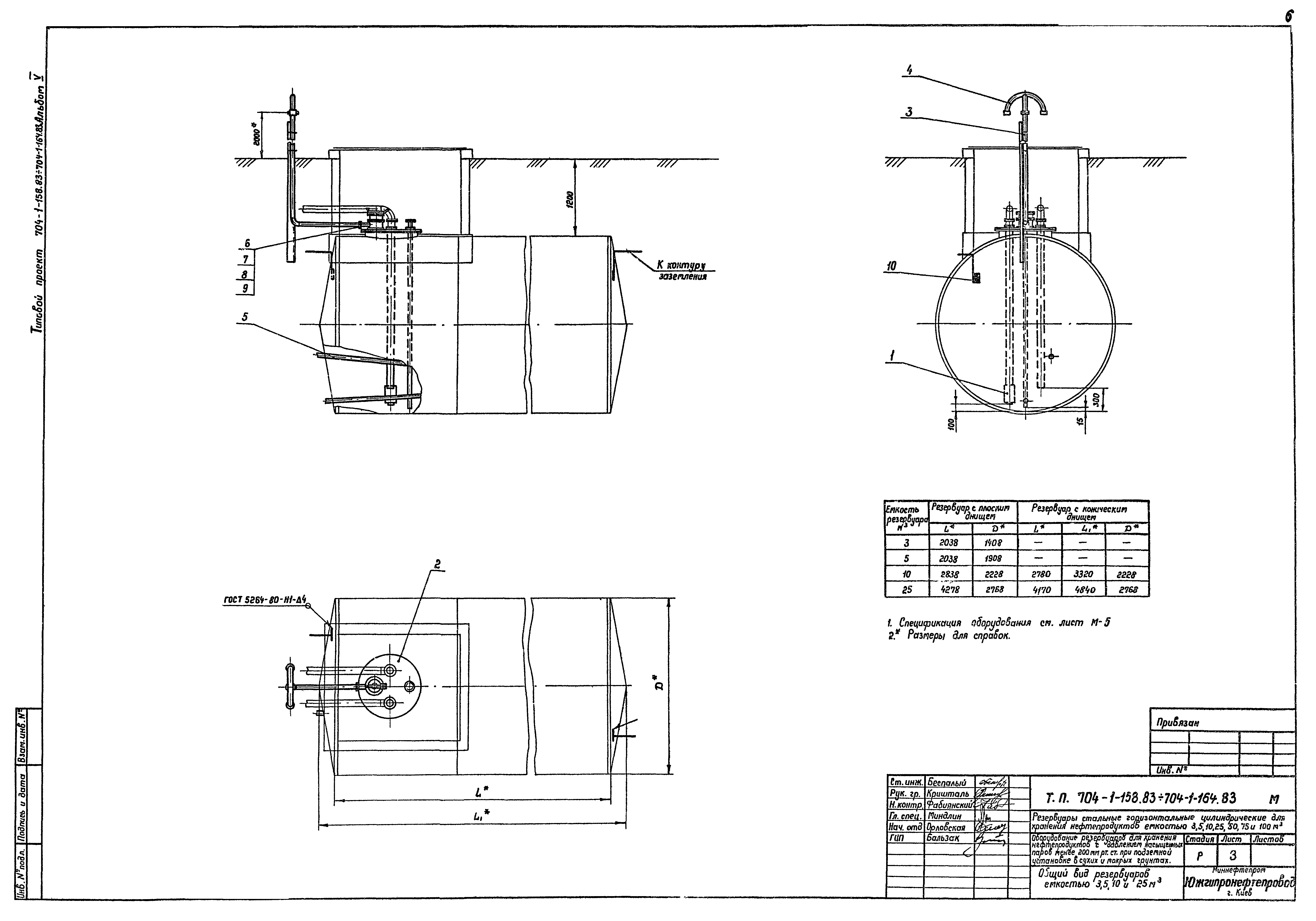
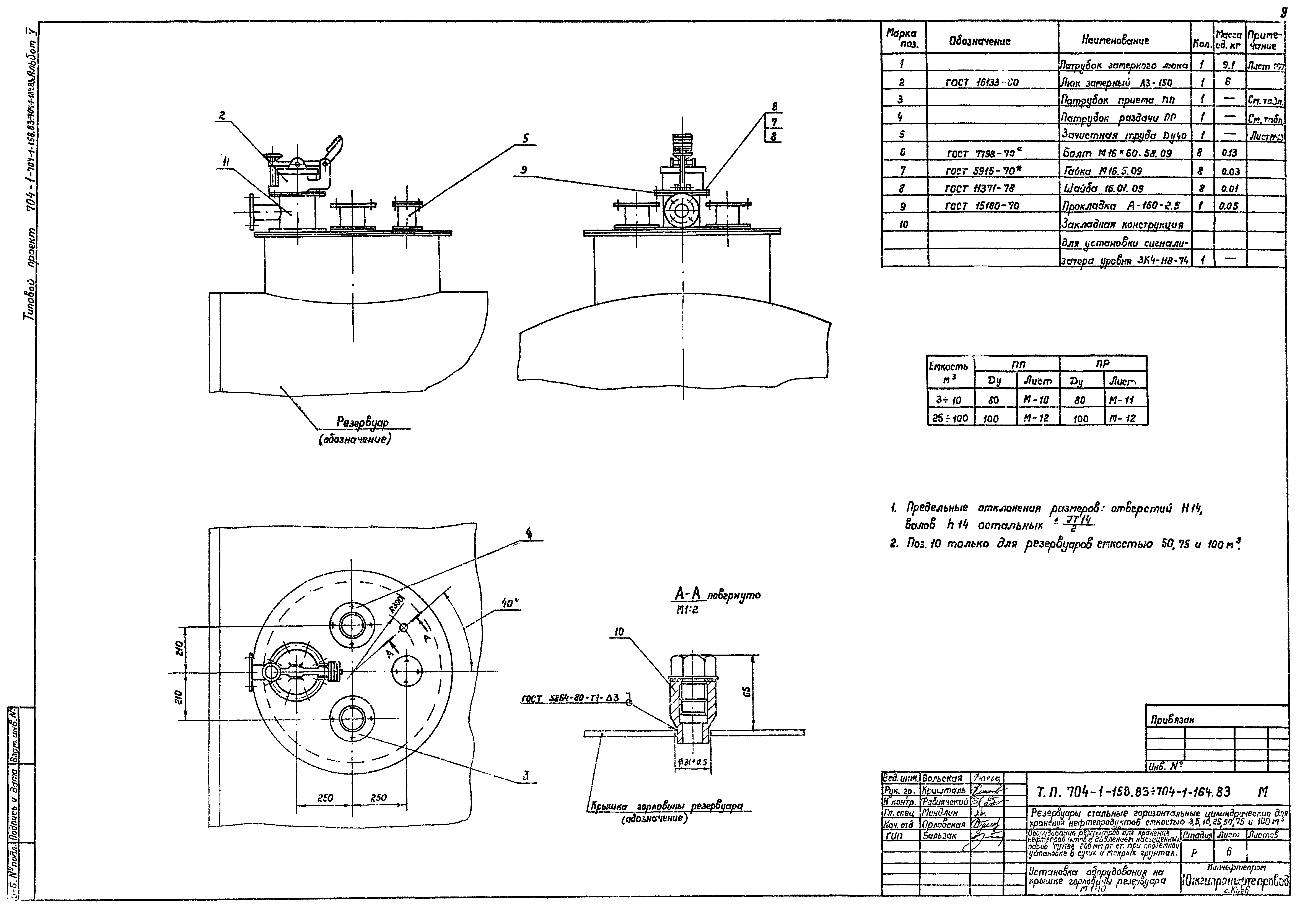
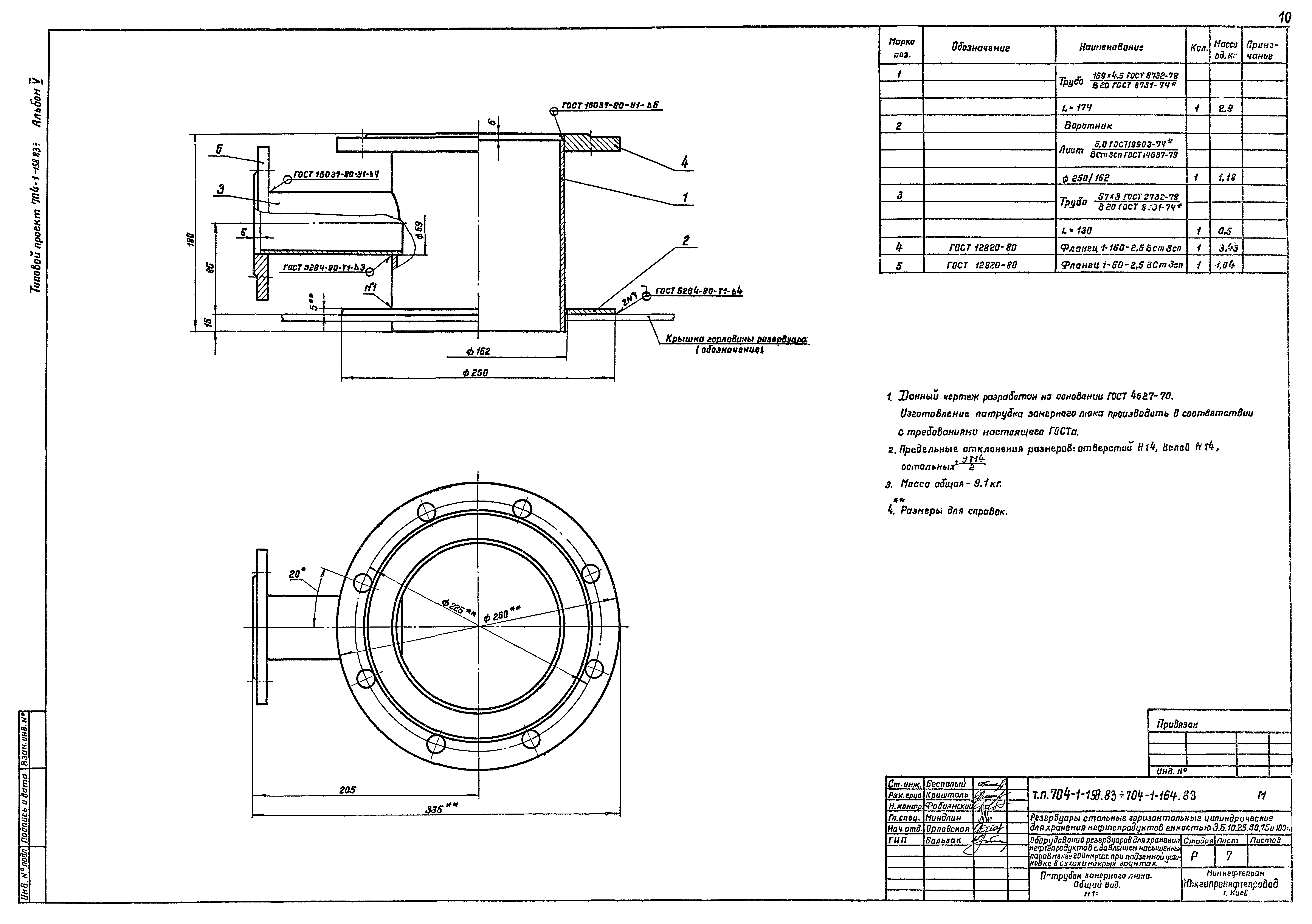
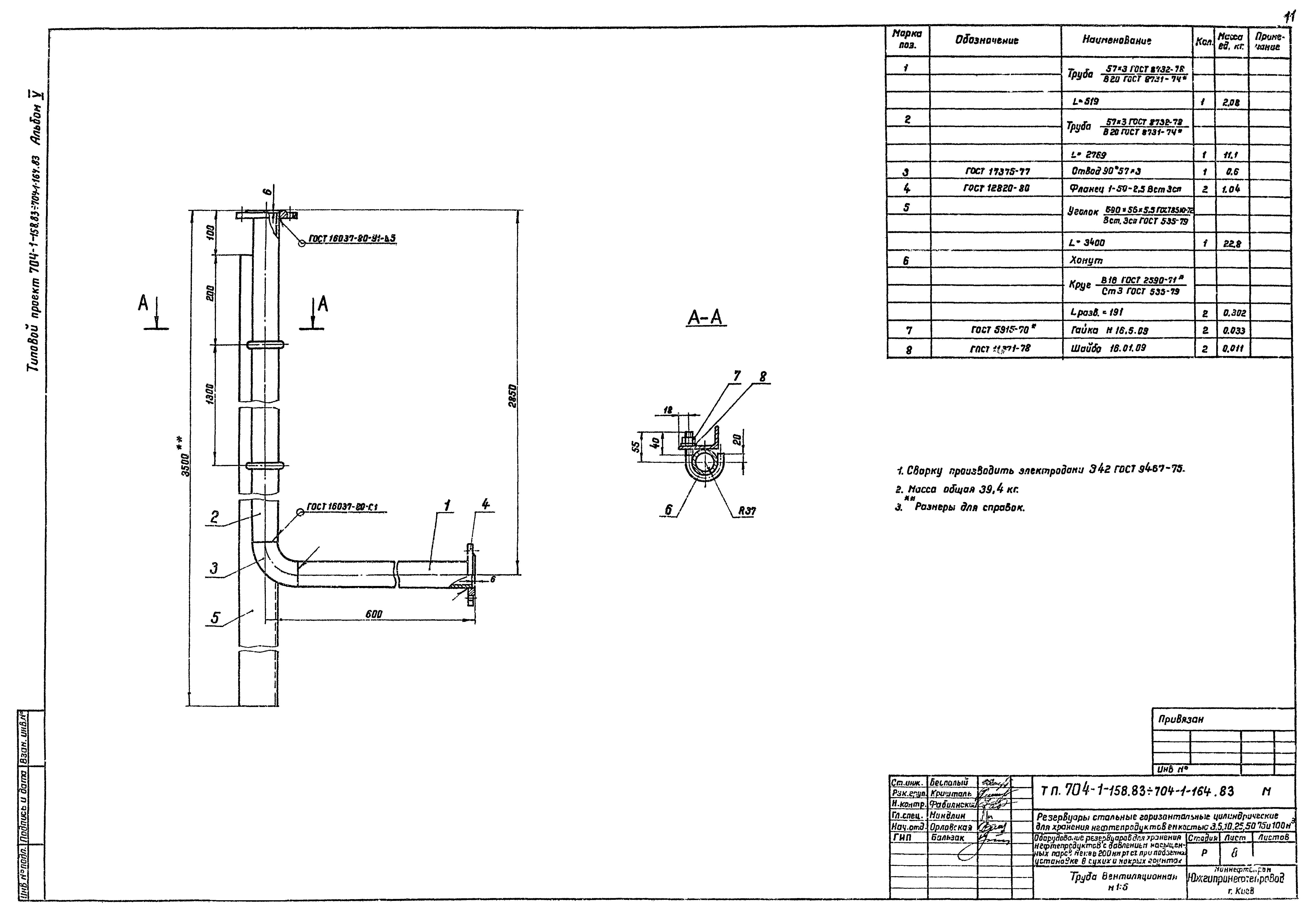
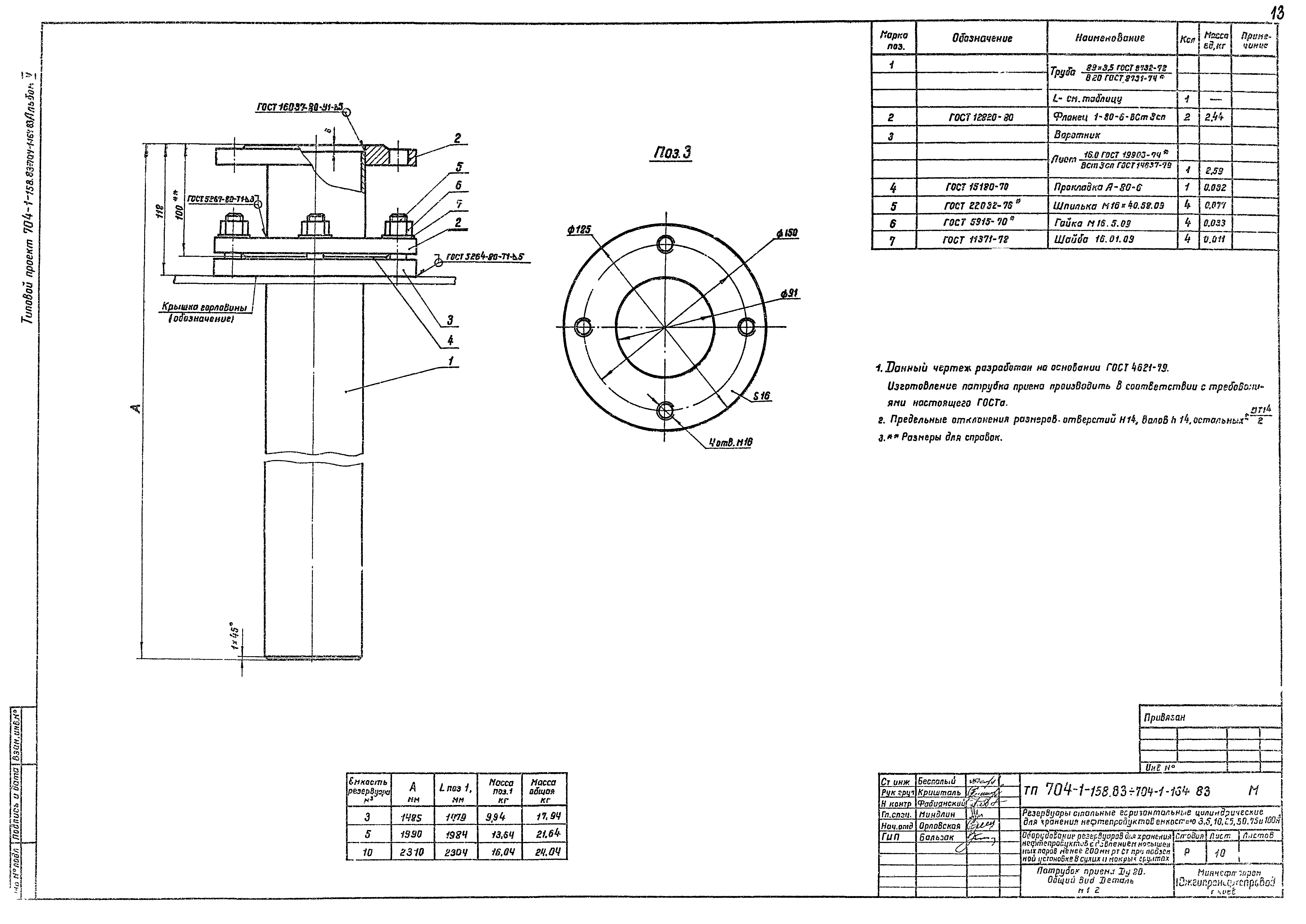
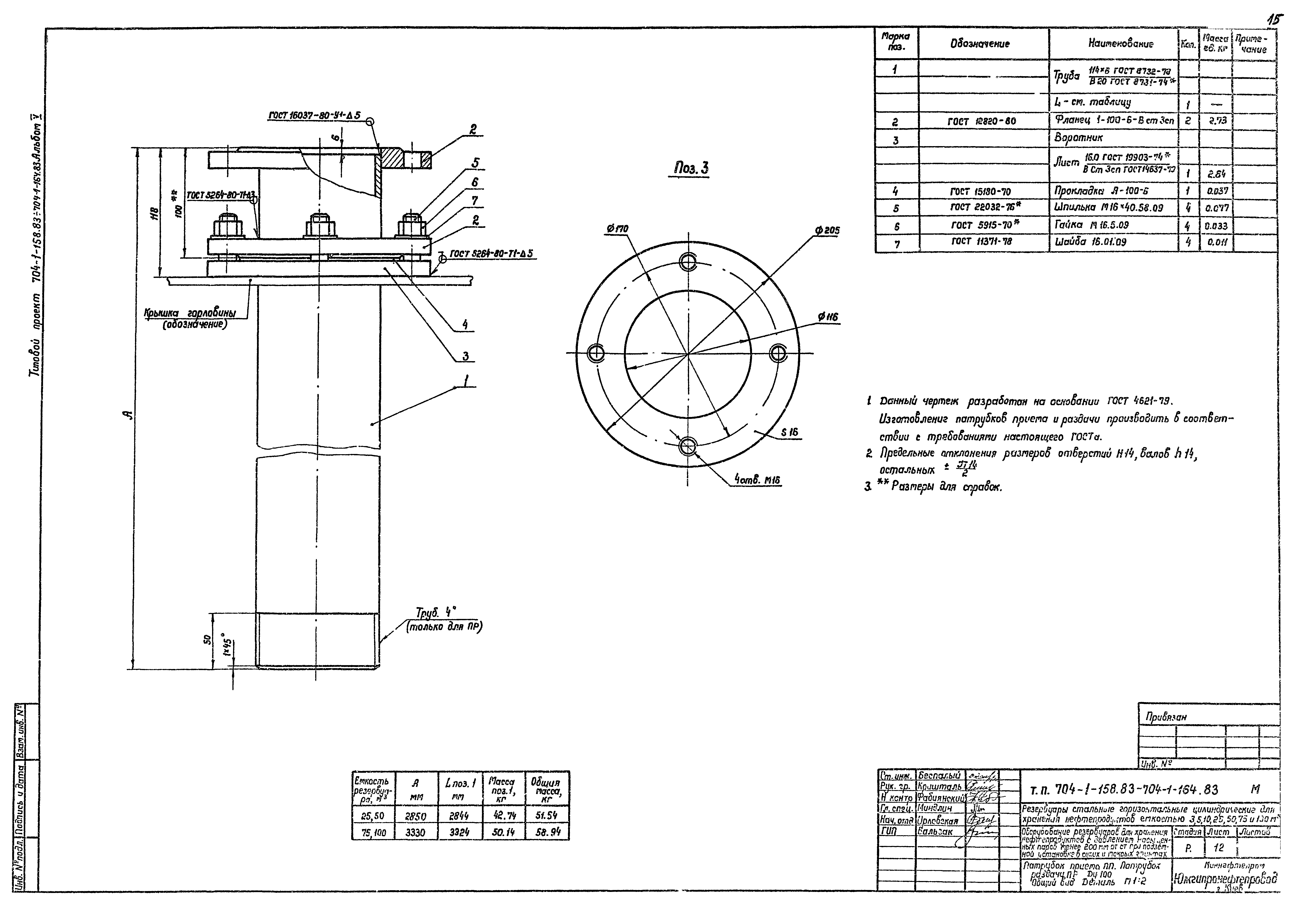
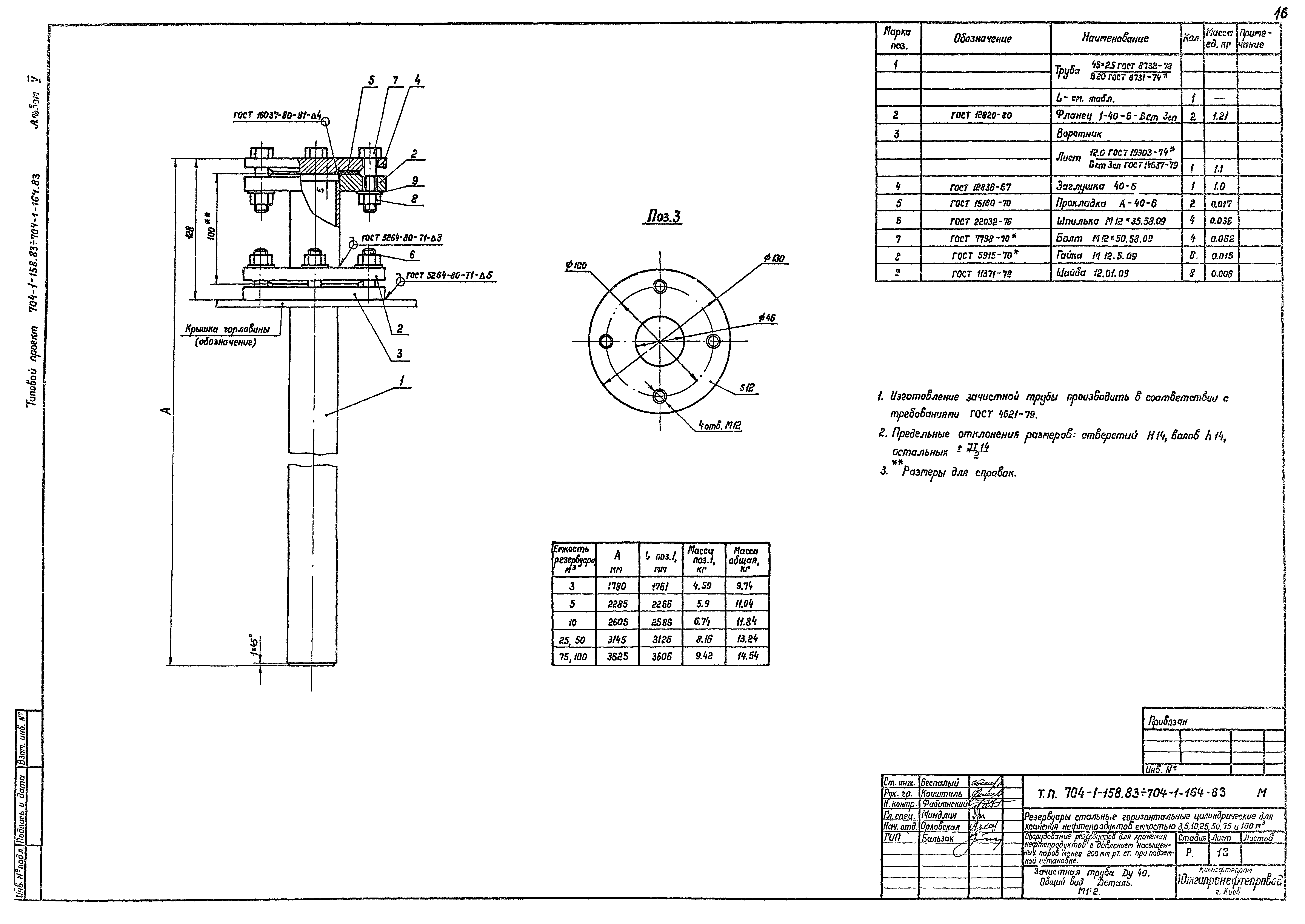
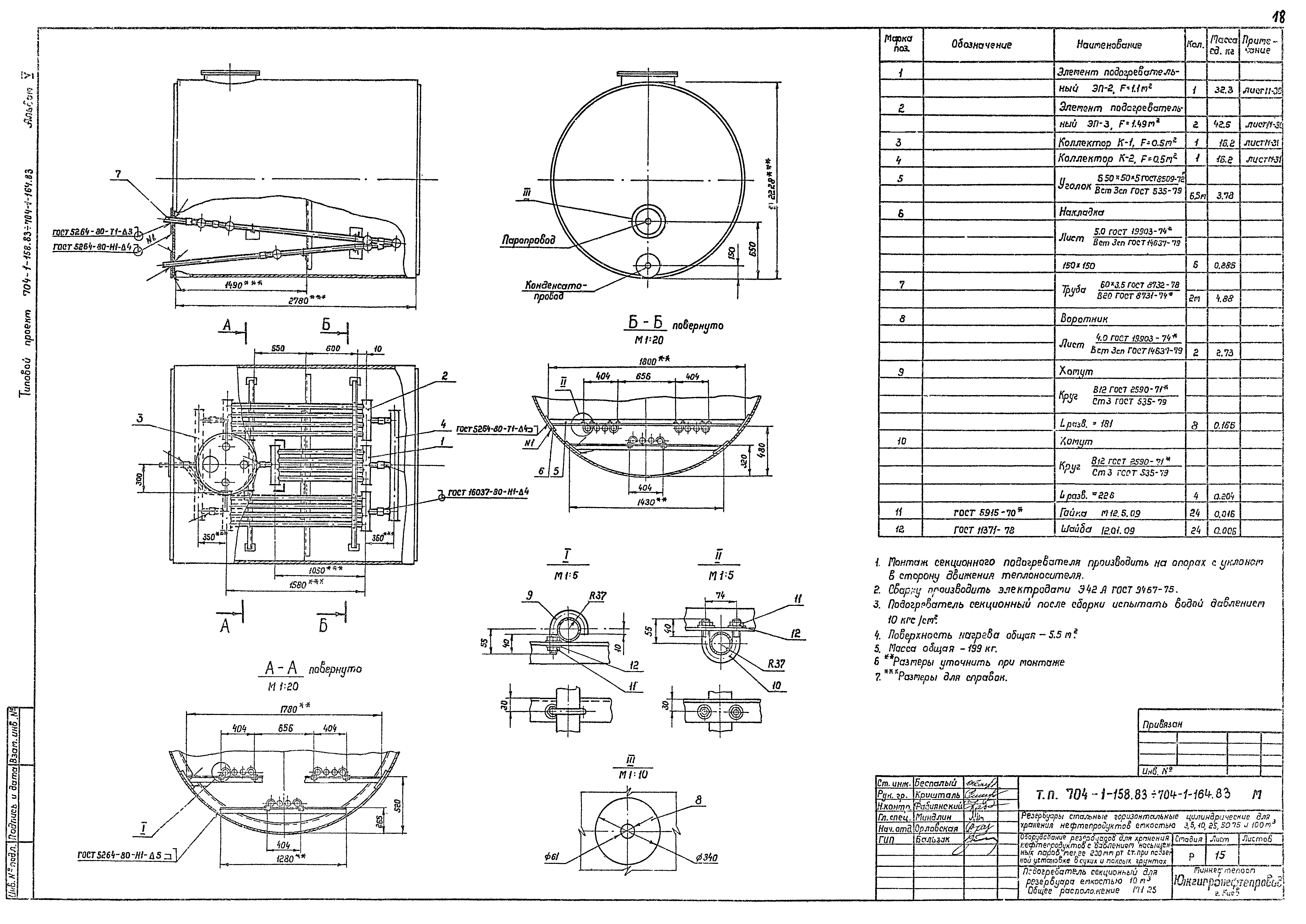
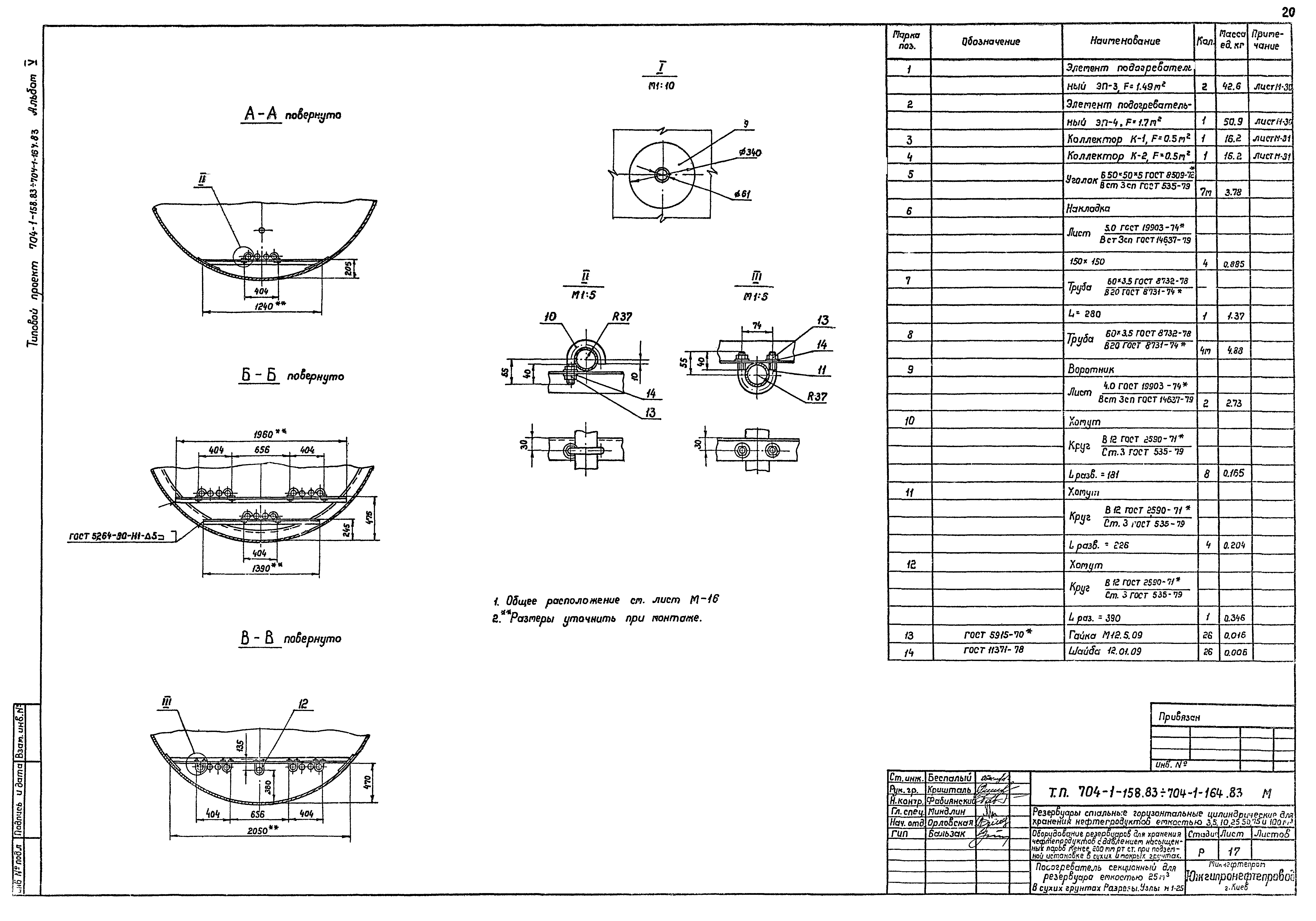
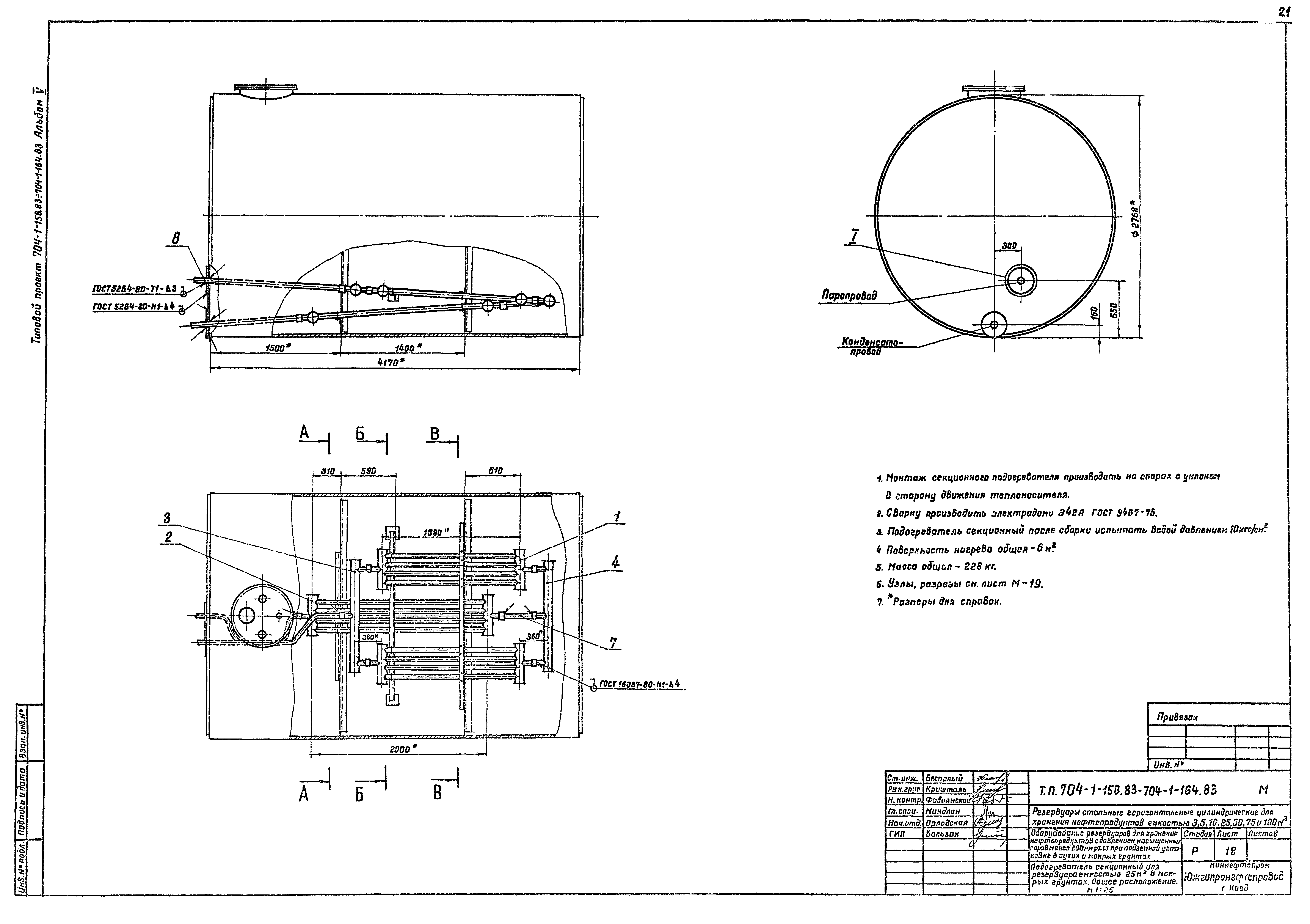
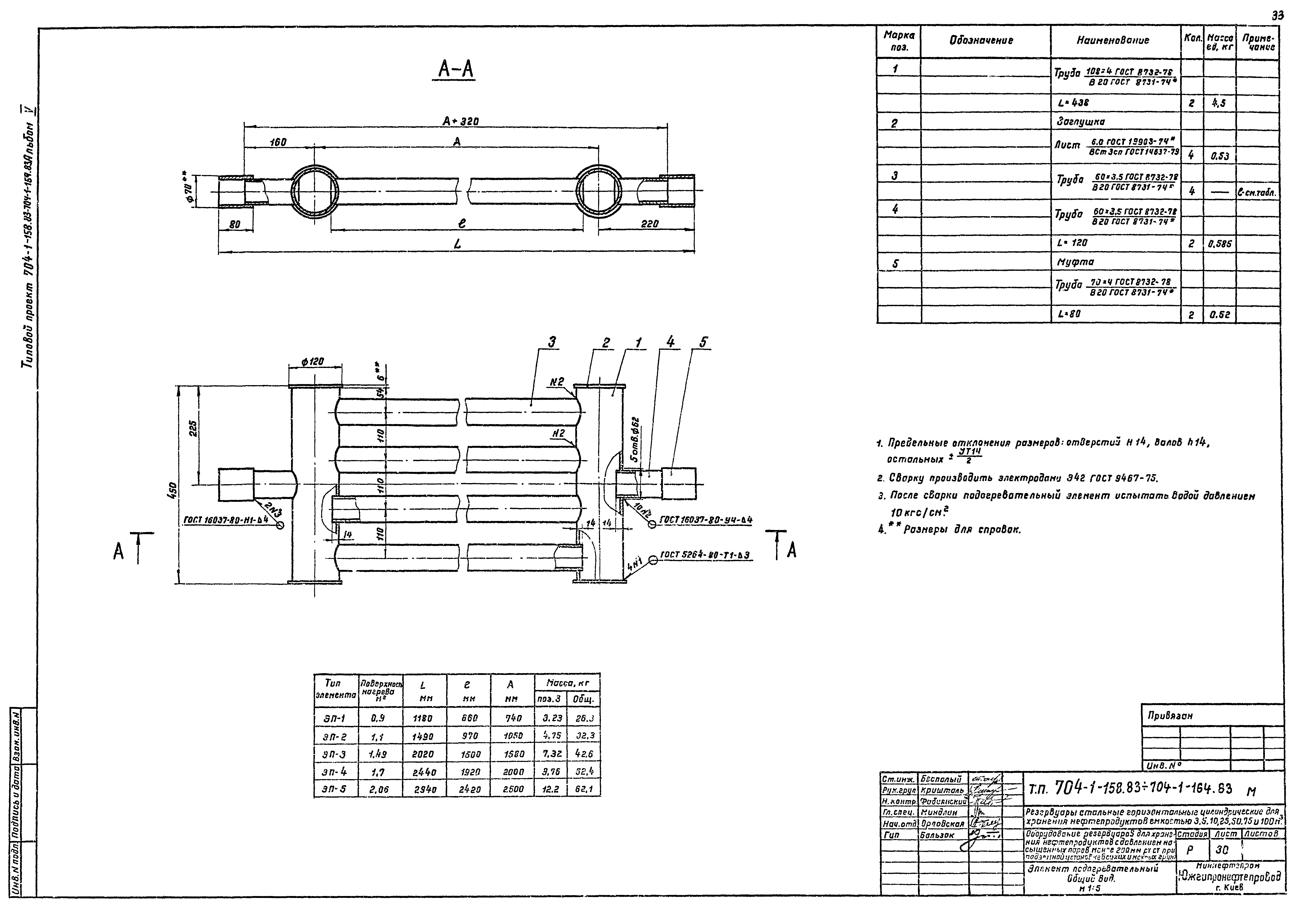
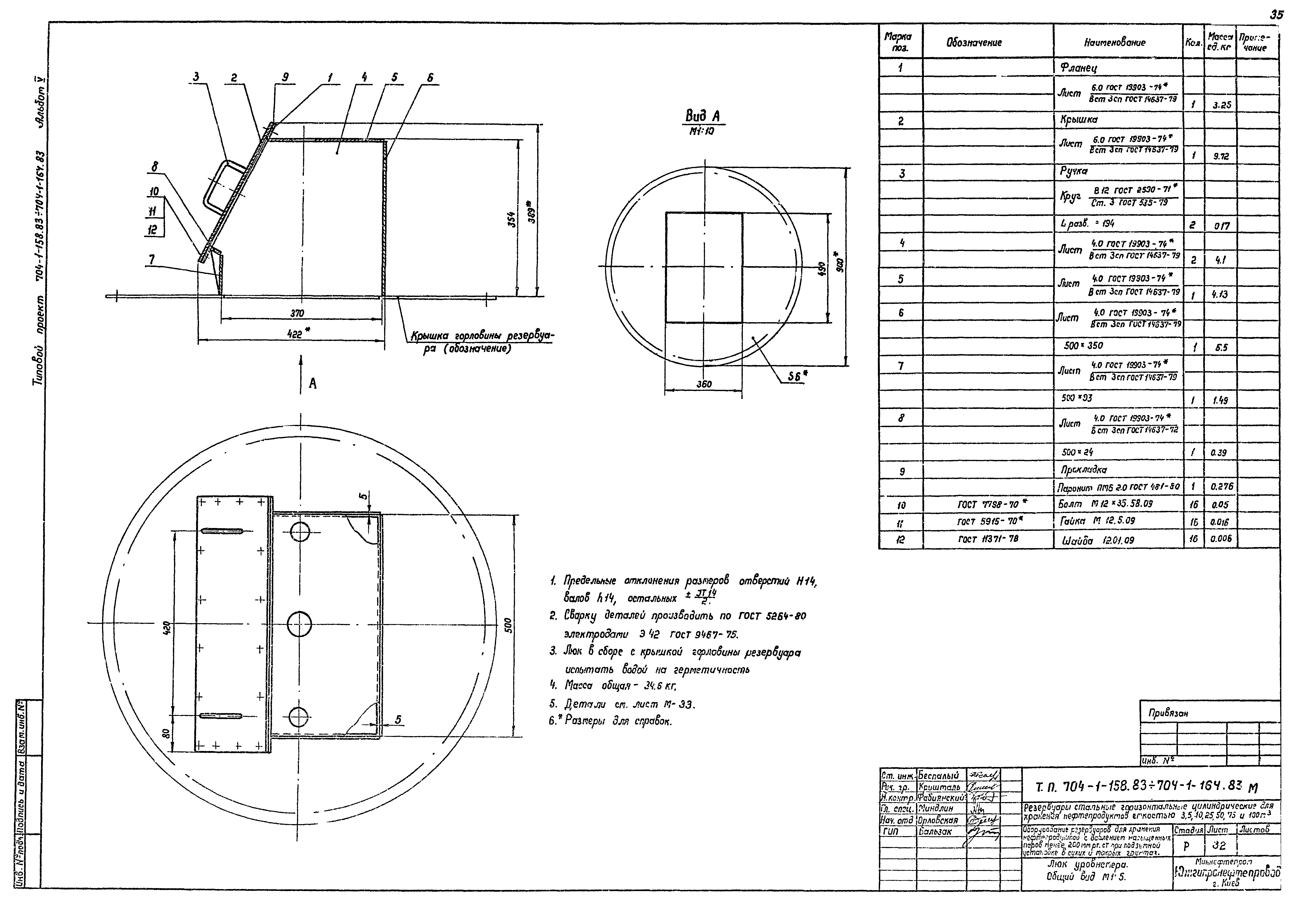
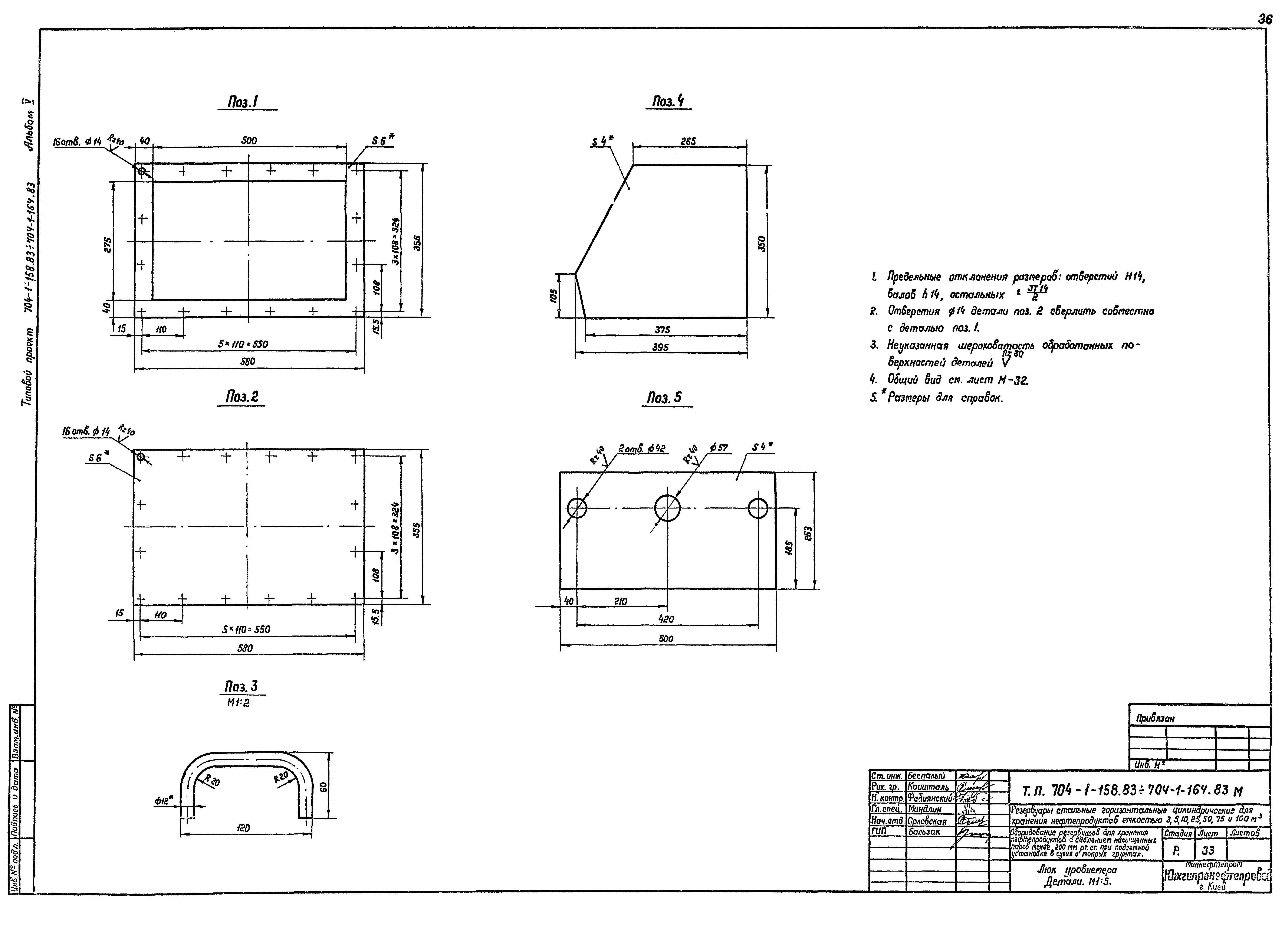
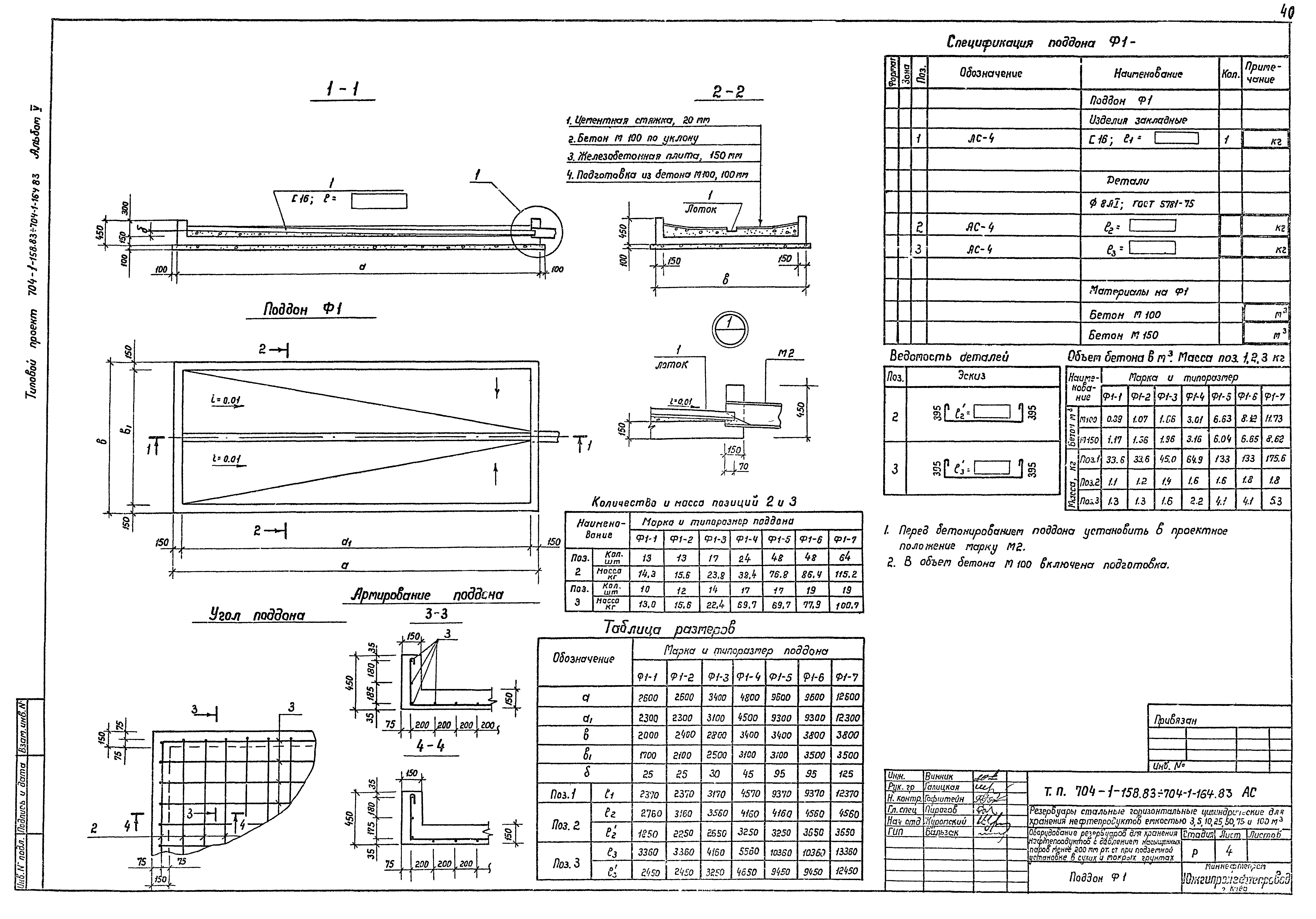
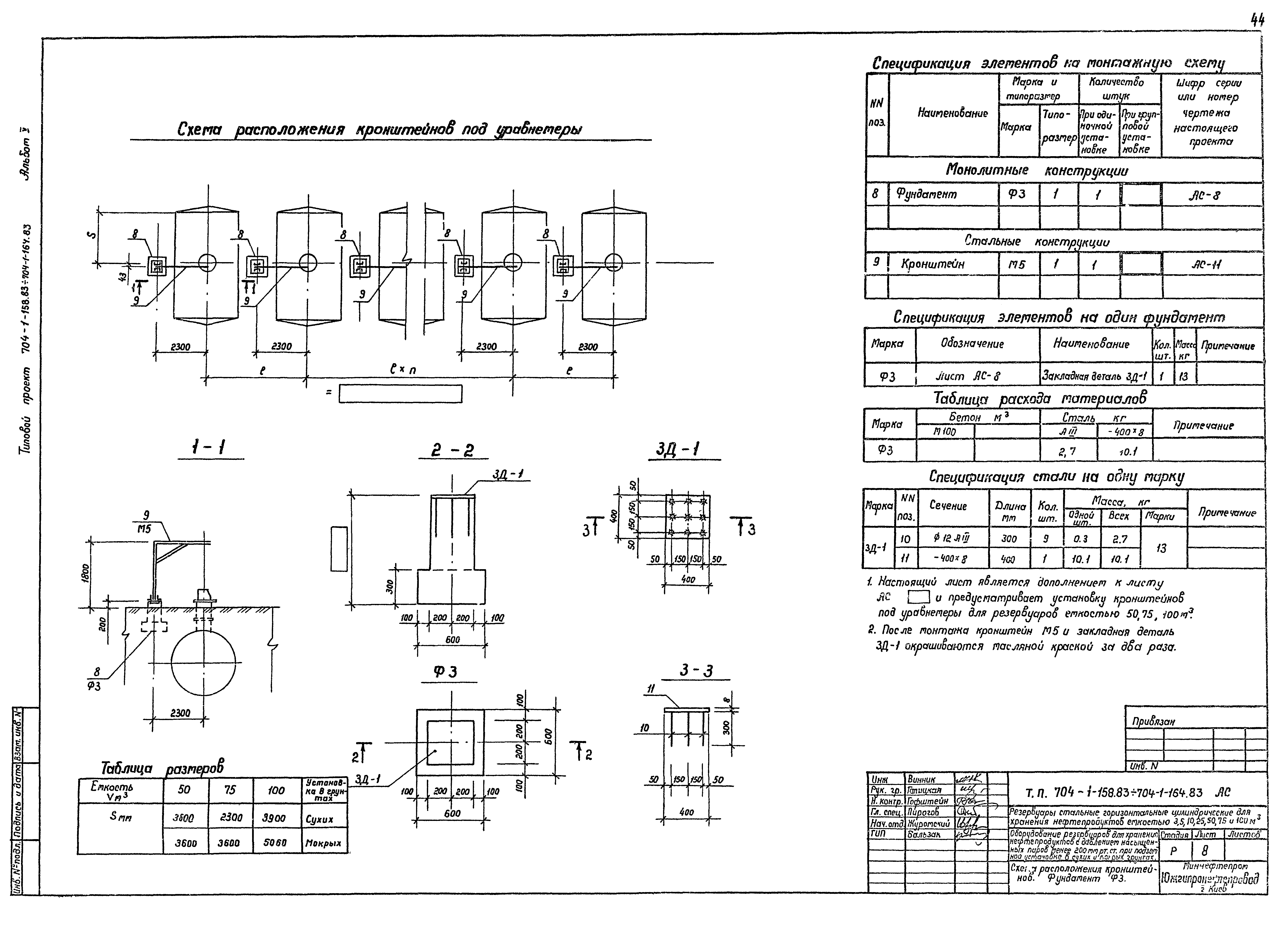
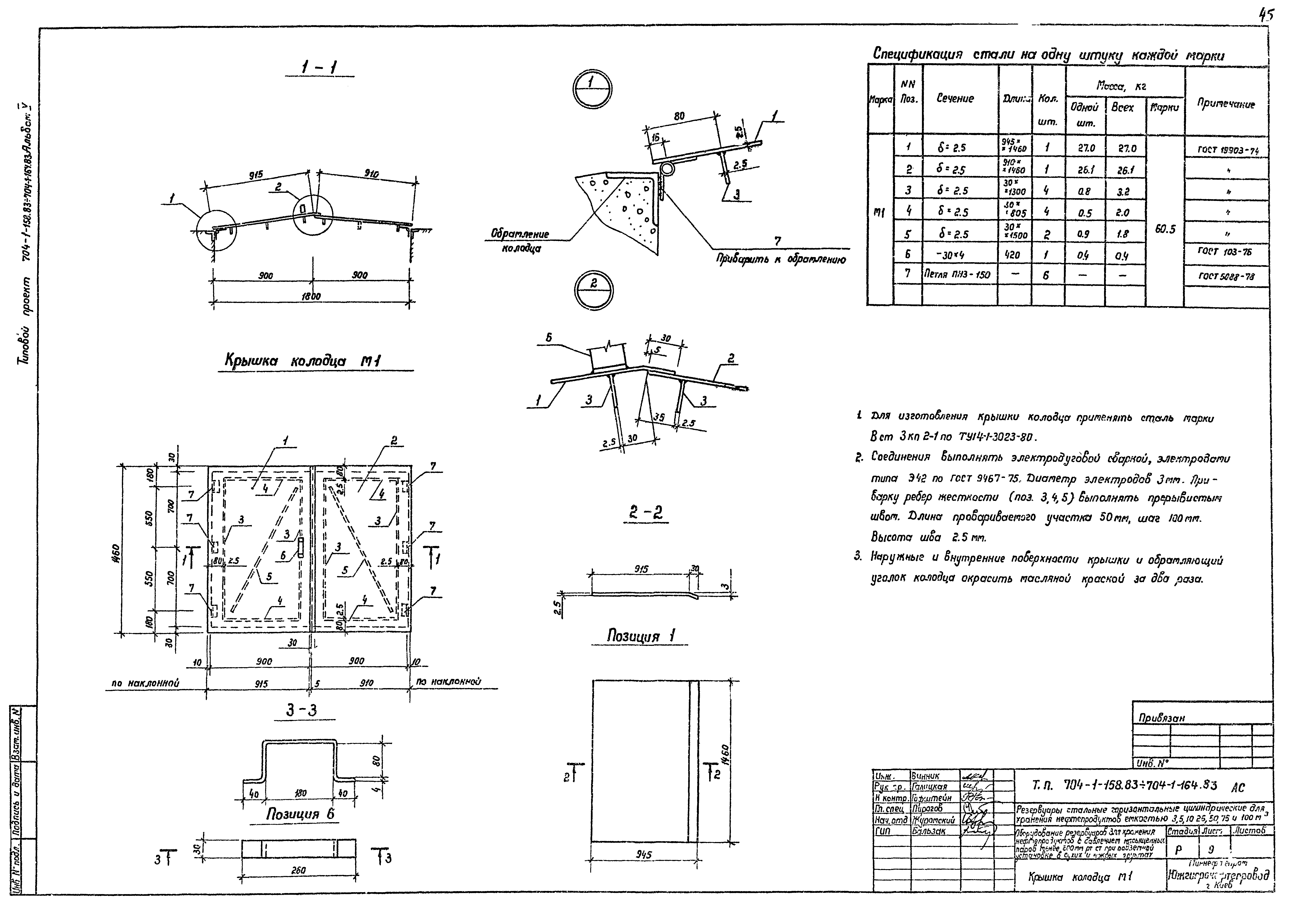
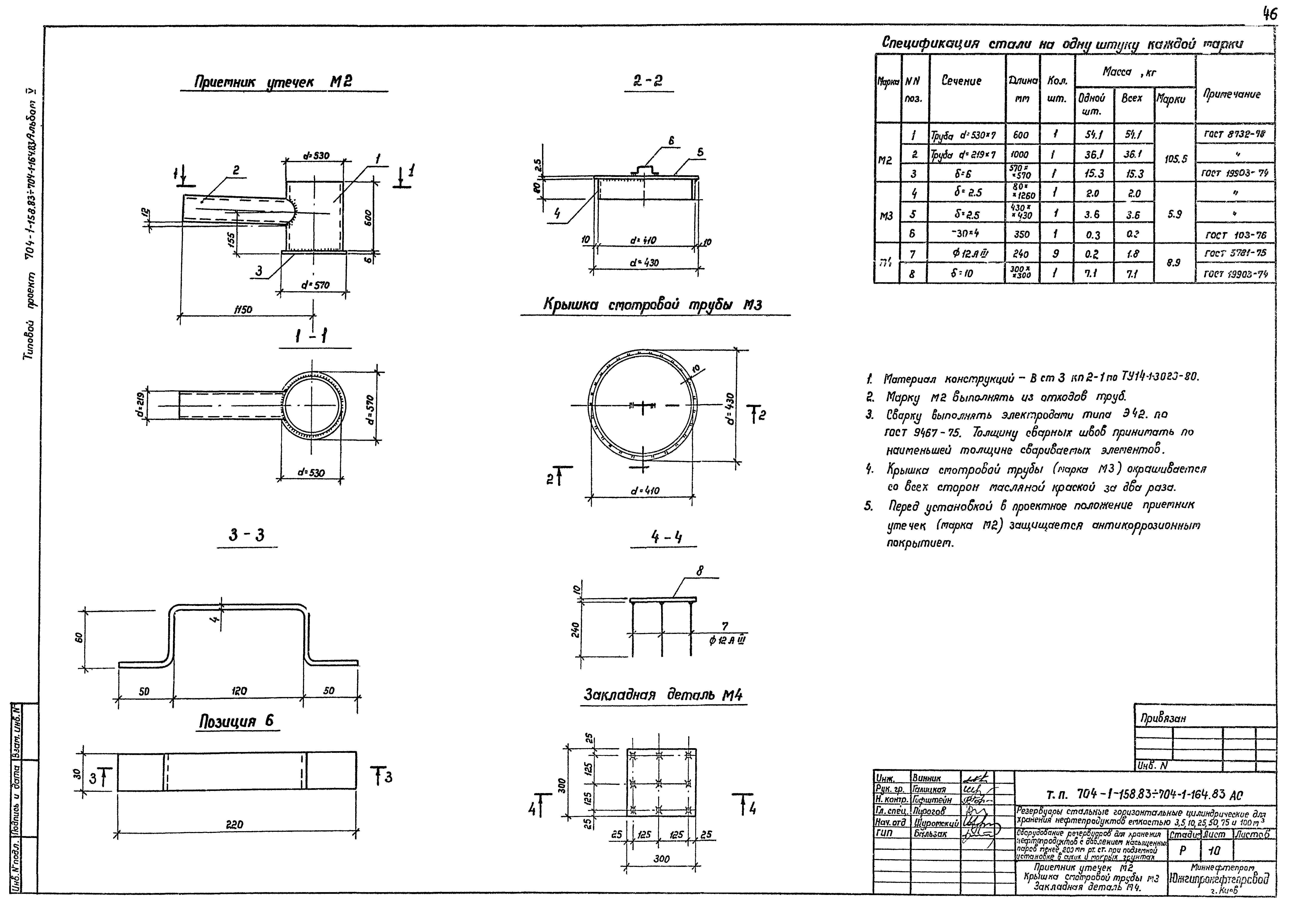
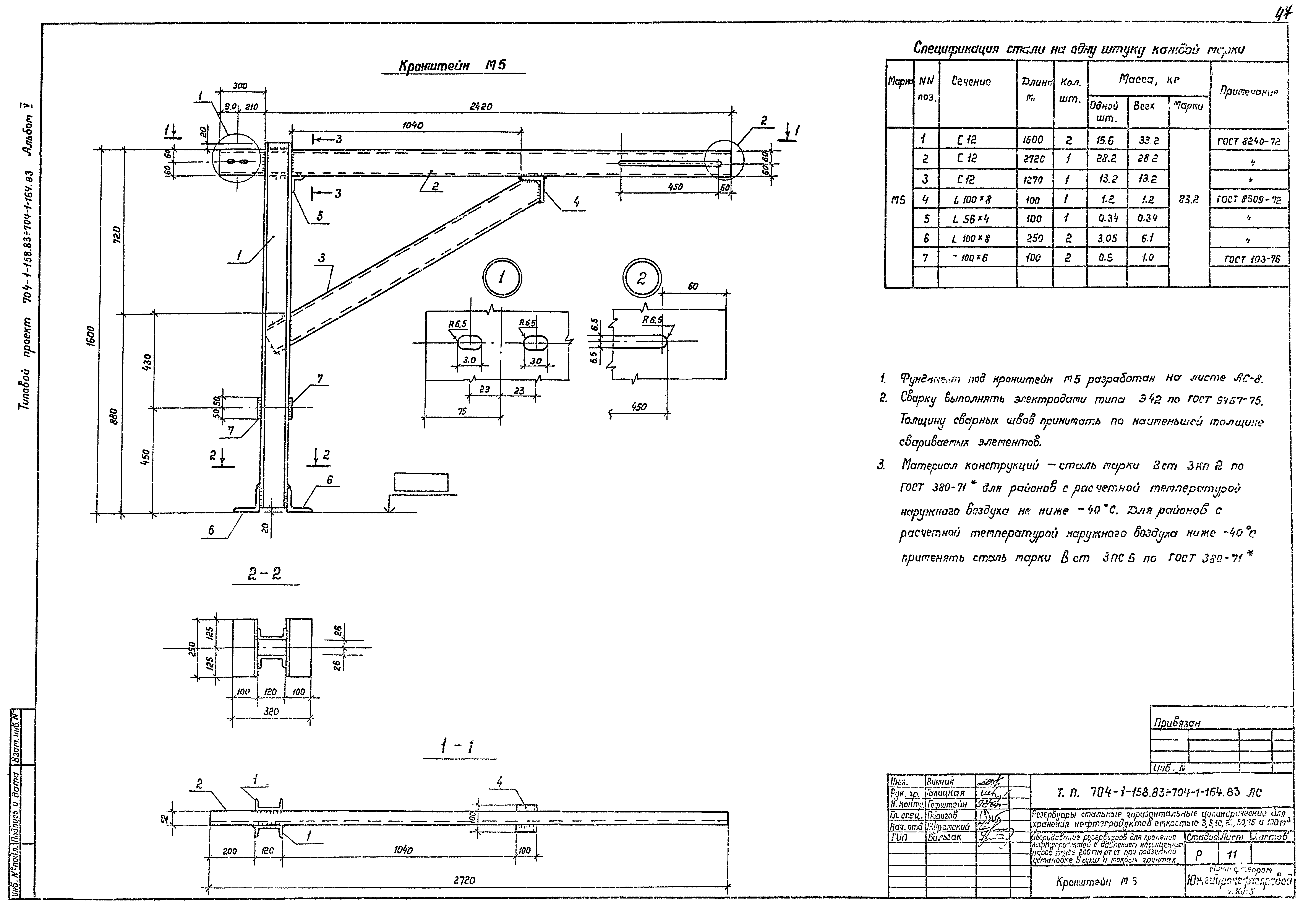
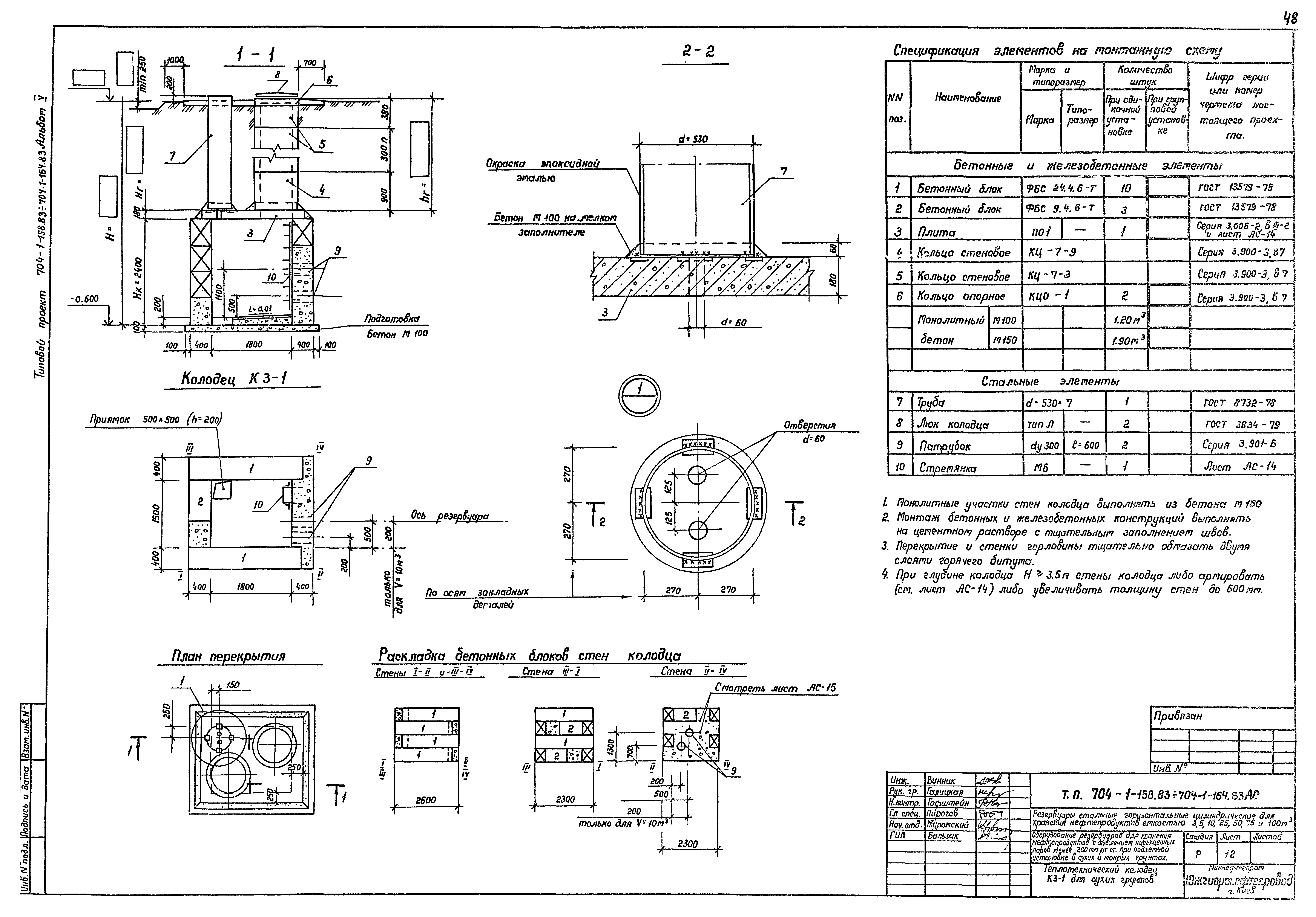
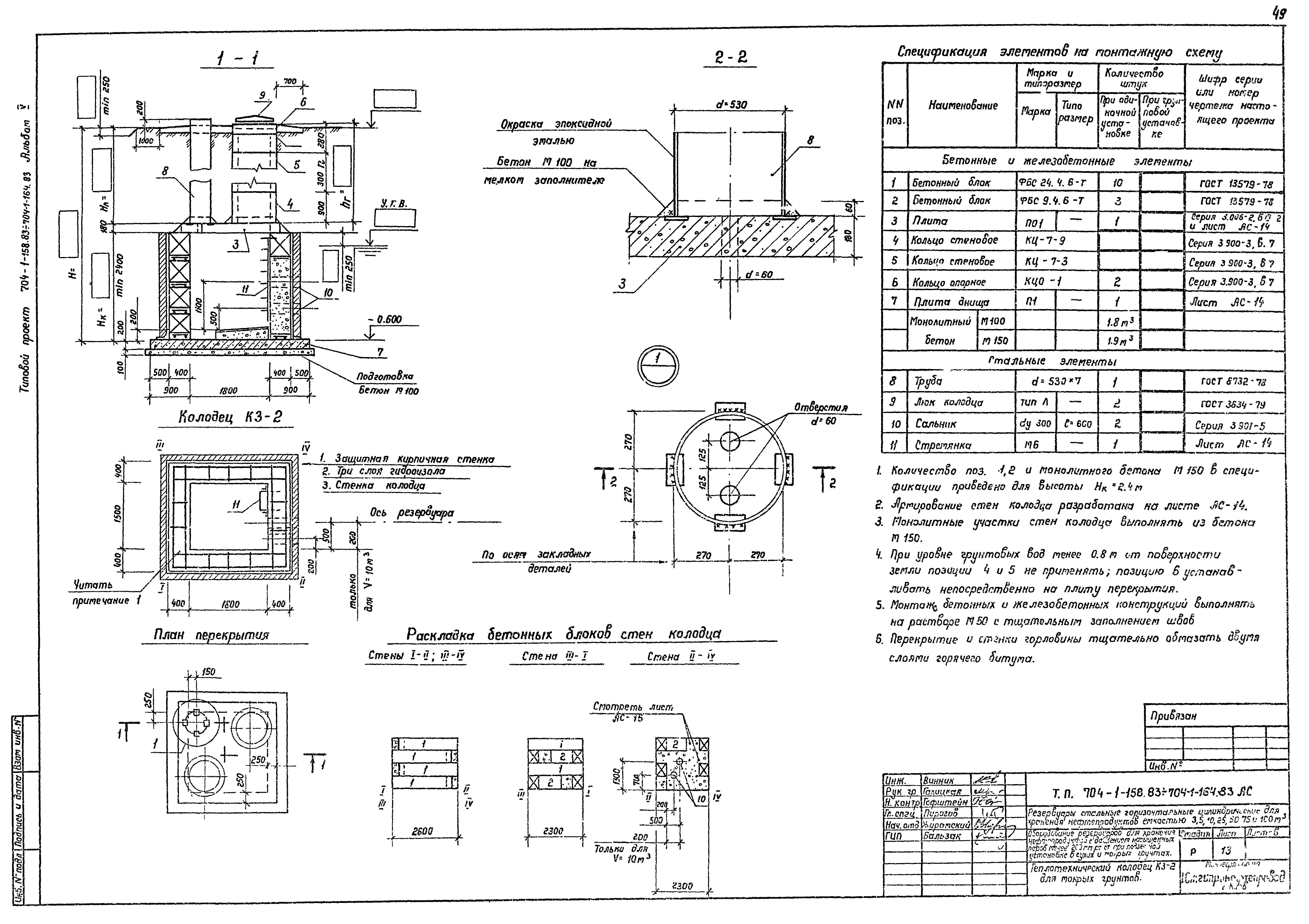
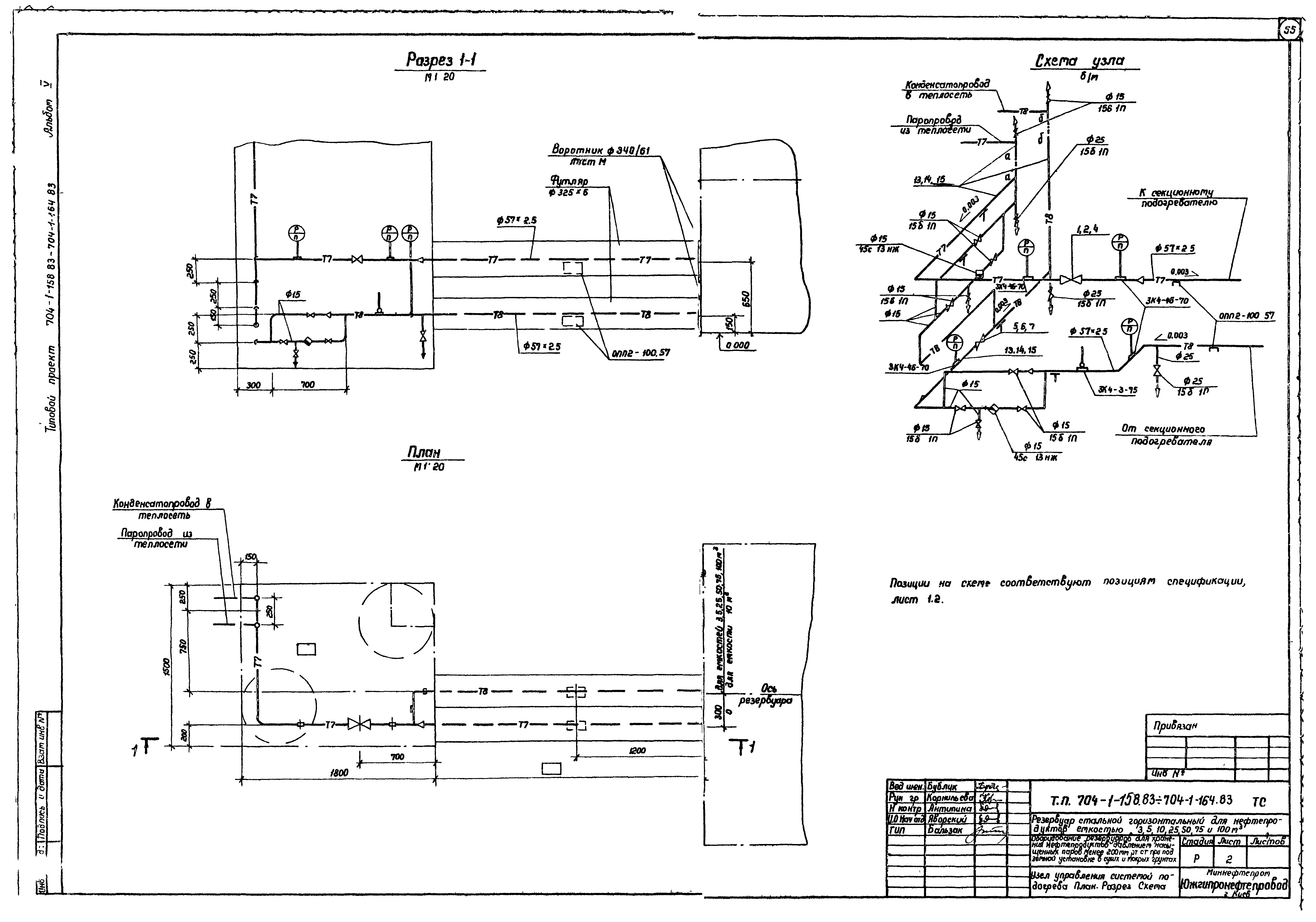
| Оглавление: | Механическая часть Общие данные Общий вид резервуаров емкостью 3, 5, 10 и 25 куб. м Общий вид резервуаров емкостью 50, 75 и 100 куб. м Общий вид резервуаров емкостью 3 - 100 куб. м. Спецификация Установка оборудования на крышке горловины резервуара Патрубок замерного люка. Общий вид Труба вентиляционная Наконечник вентиляционный Патрубок приема Ду80. Общий вид. Деталь Патрубок раздачи Ду80. Общий вид. Детали Патрубок приема ПП. Патрубок раздачи ПР Ду 100. Общий вид. Деталь Зачистная труба Ду40. Общий вид. Деталь Подогреватель секционный для резервуаров емкостью 3 куб. м и 5 куб. м. Общее расположение Подогреватель секционный для резервуара емкостью 10 куб. м. Общее расположение Подогреватель секционный для резервуара емкостью 25 куб. м в сухих грунтах. Общее расположение Подогреватель секционный для резервуара емкостью 25 куб. м в сухих грунтах. Разрезы, узлы Подогреватель секционный для резервуара емкостью 25 куб. м в мокрых грунтах. Общее расположение Подогреватель секционный для резервуара емкостью 25 куб. м в мокрых грунтах. Разрезы, узлы Подогреватель секционный для резервуара емкостью 50 куб. м. Общее расположения Подогреватель секционный для резервуара емкостью 50 куб. м. Разрезы, узлы Подогреватель секционный для резервуара емкостью 75 куб. м в сухих грунтах. Общее расположение Подогреватель секционный для резервуара емкостью 75 куб. м в сухих грунтах. Разрезы, узлы Подогреватель секционный для резервуара емкостью 75 куб. м в мокрых грунтах. Общее расположение Подогреватель секционный для резервуара емкостью 75 куб. м в мокрых грунтах. Разрезы, узлы Подогреватель секционный для резервуара емкостью 100 куб. м в сухих грунтах. Общее расположение Подогреватель секционный для резервуара емкостью 100 куб. м в сухих грунтах. Разрезы, узлы Подогреватель секционный для резервуара емкостью 100 куб. м в мокрых грунтах. Общее расположение Подогреватель секционный для резервуара емкостью 100 куб. м в мокрых грунтах. Разрезы, узлы Элемент подогревательный. Общий вид Коллекторы К-1, К-2. Общий вид Люк уровнемера. Общий вид Люк уровнемера. Детали Архитектурно-строительная часть Общие данные Схемы расположения резервуаров в сухих грунтах Схемы расположения резервуаров в мокрых грунтах Поддон Ф-1 Анкерный фундамент Ф-2 Основание колодца К-1 Технологический колодец К-2 План расстановки уровнемеров. Фундамент Ф-3 Крышка колодца М-1 Приемник утечек М-2. Крышка смотровой трубы М-3. Закладная деталь М-4 Кронштейн М-5 Теплотехнический колодец К3-1 для сухих грунтов Теплотехнический колодец К3-2 для мокрых грунтов Армирование колодца. Плита днища П1. Стремянка М6 Часть КИП и автоматики Общие данные. Функциональная схема автоматики Установка уровнемера Часть теплоснабжение Узел управления системой подогрева. Общие данные Узел управления системой подогрева. План. Разрез. Схема |
| Разработан: | Южгипронефтепровод Миннефтепрома СССР |
| Утверждён: | 10.12.1982 Миннефтепром (Minnefteprom ) |






















































