Скачать Типовой проект 704-1-163.83 Альбом II. Оборудование резервуаров для хранения нефтепродуктов с давлением насыщенных паров 200 - 500 мм рт. Ст. при надземной установкеДата актуализации: 01.01.2021
|
| Обозначение: | Типовой проект 704-1-163.83 |
| Обозначение англ: | 704-1-163.83 |
| Статус: | не действует |
| Название рус.: | Альбом II. Оборудование резервуаров для хранения нефтепродуктов с давлением насыщенных паров 200 - 500 мм рт. Ст. при надземной установке |
| Дата добавления в базу: | 01.09.2013 |
| Дата актуализации: | 01.01.2021 |
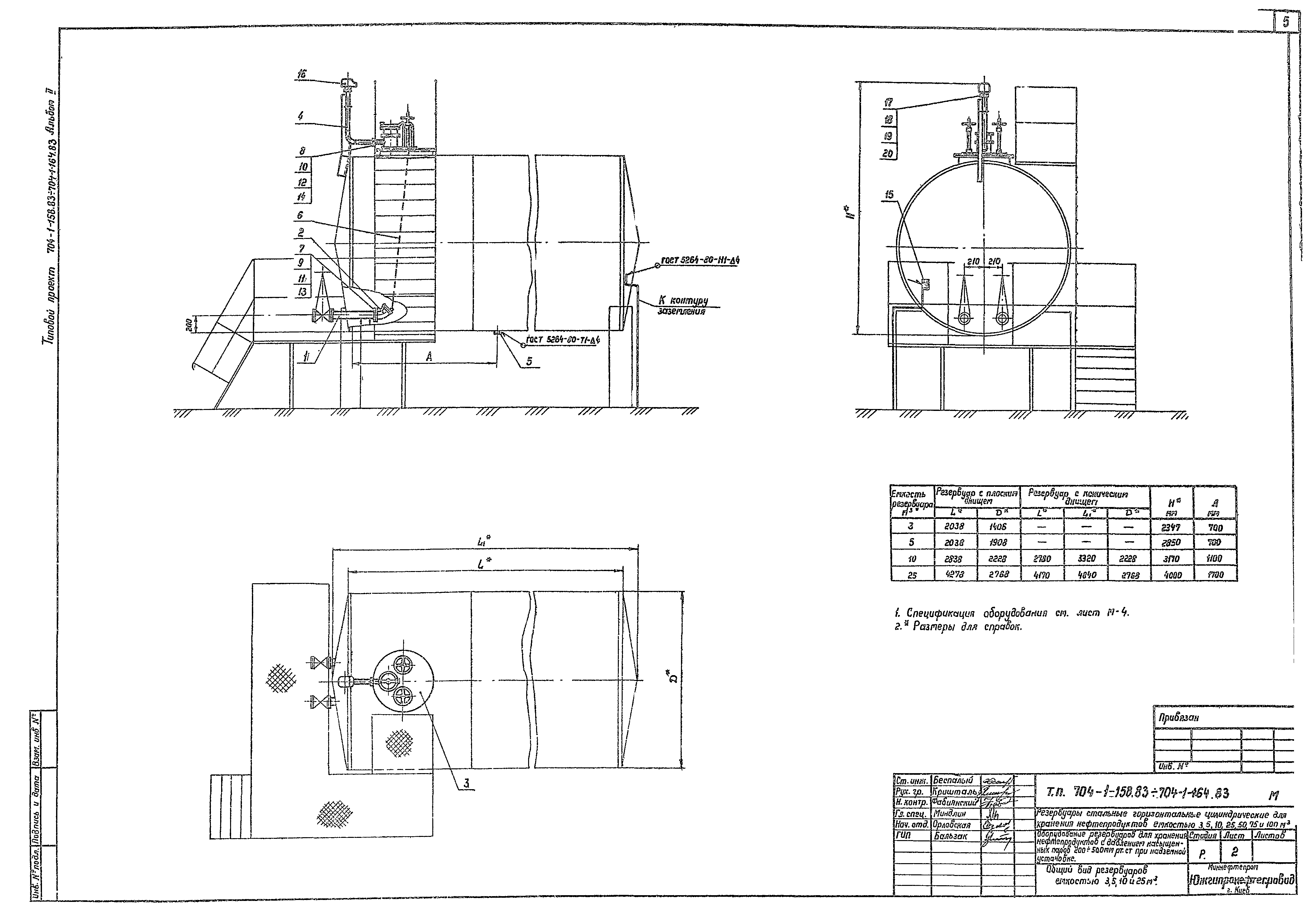
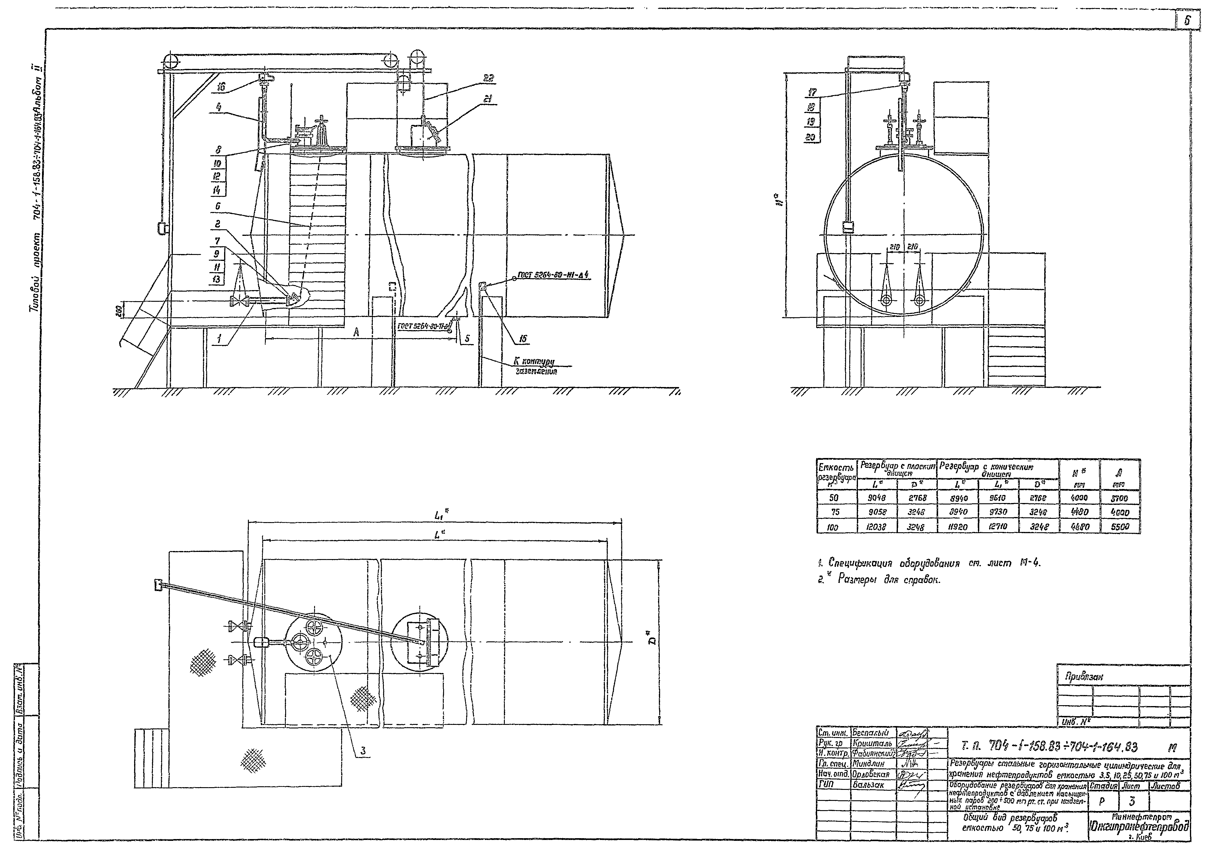
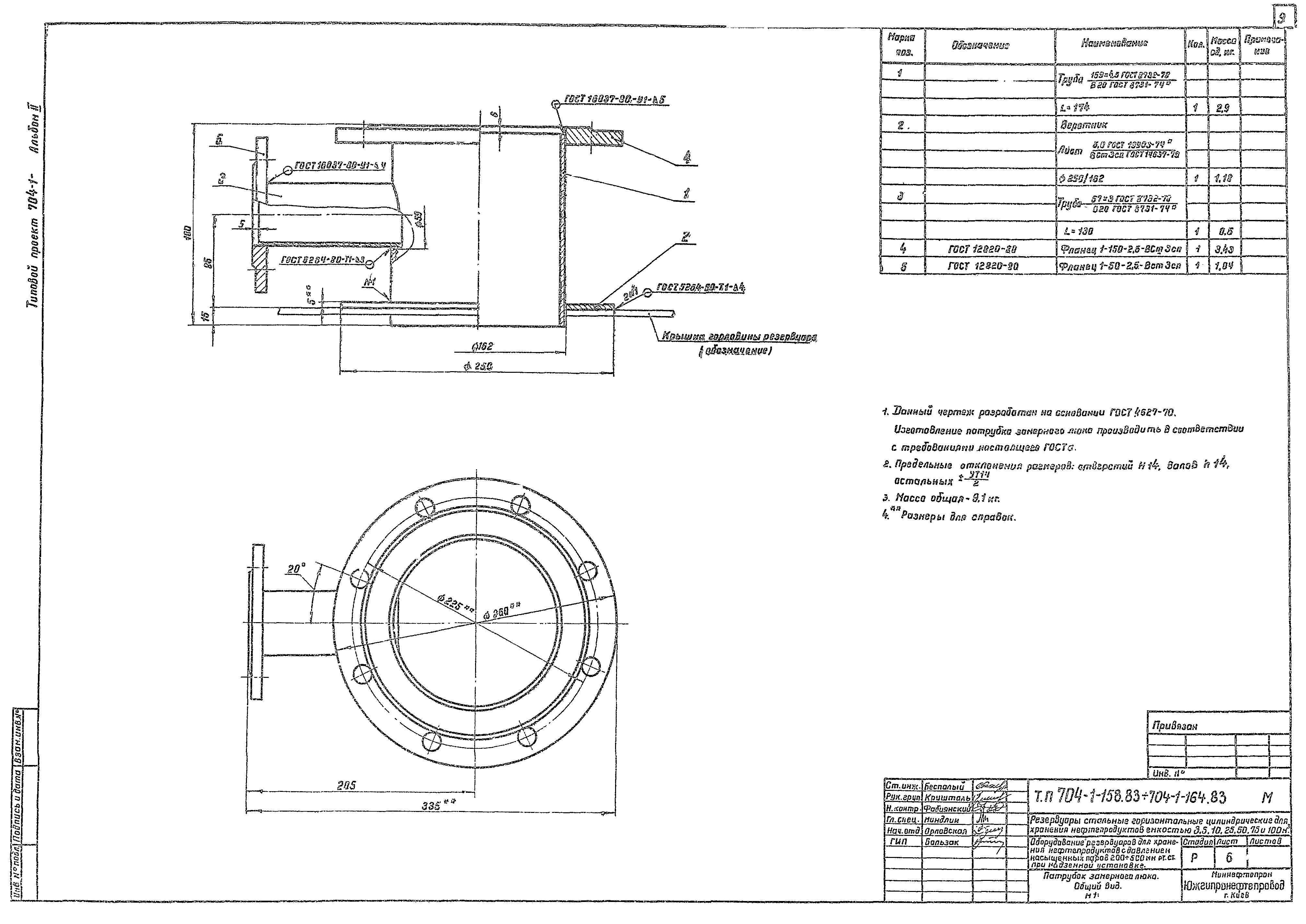
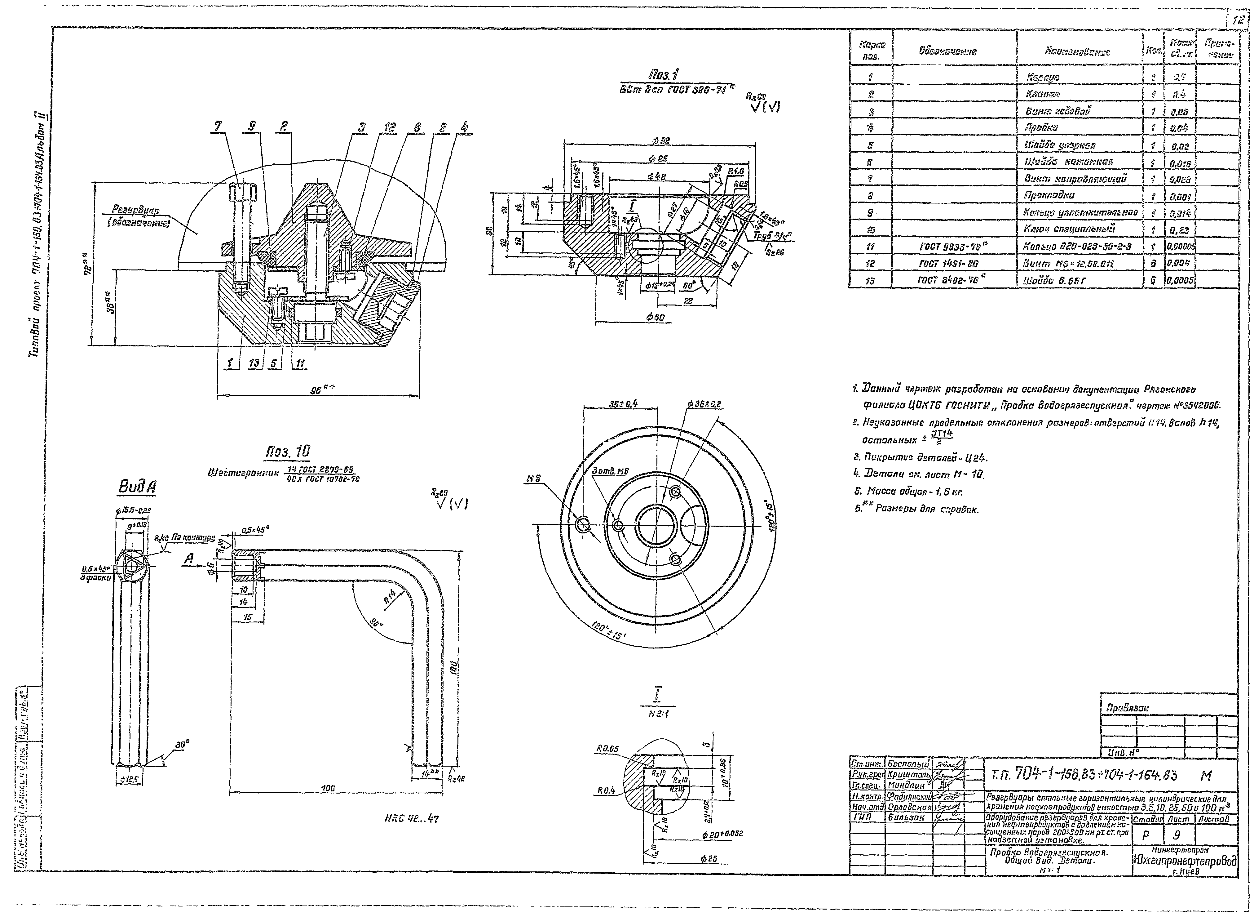
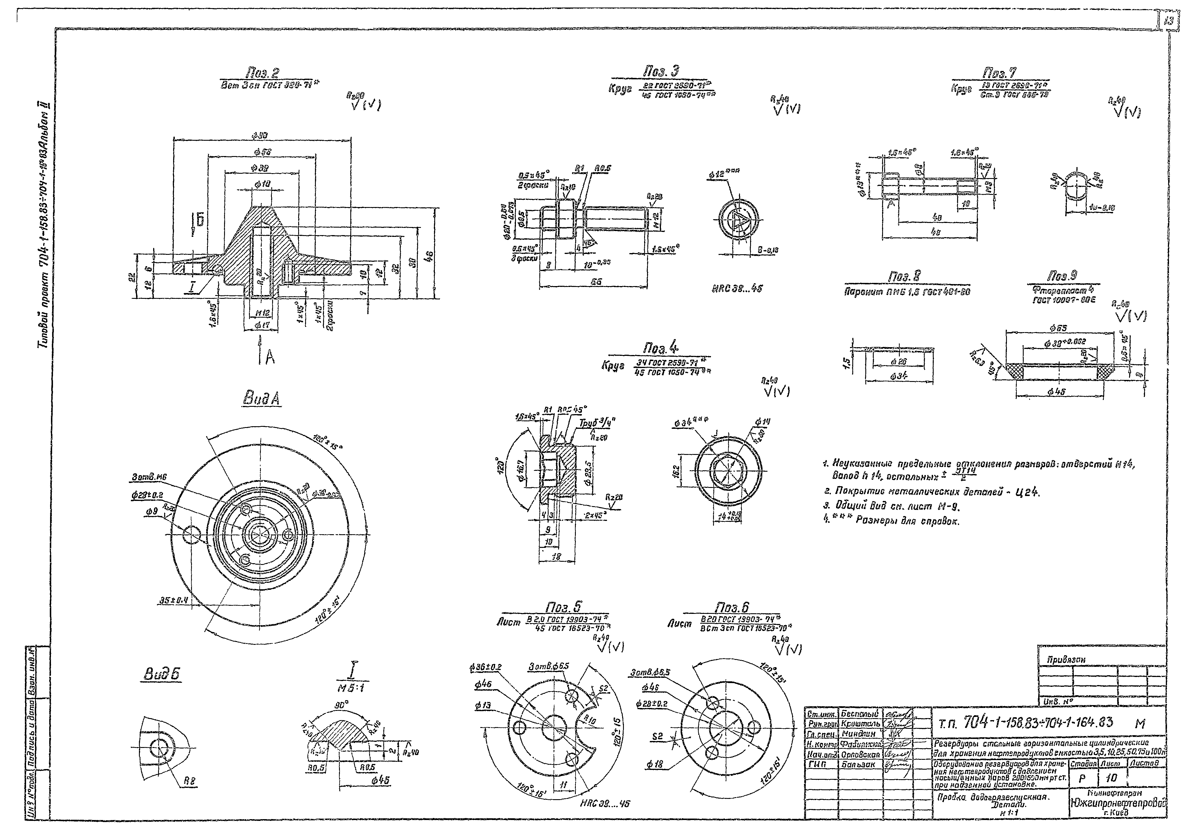
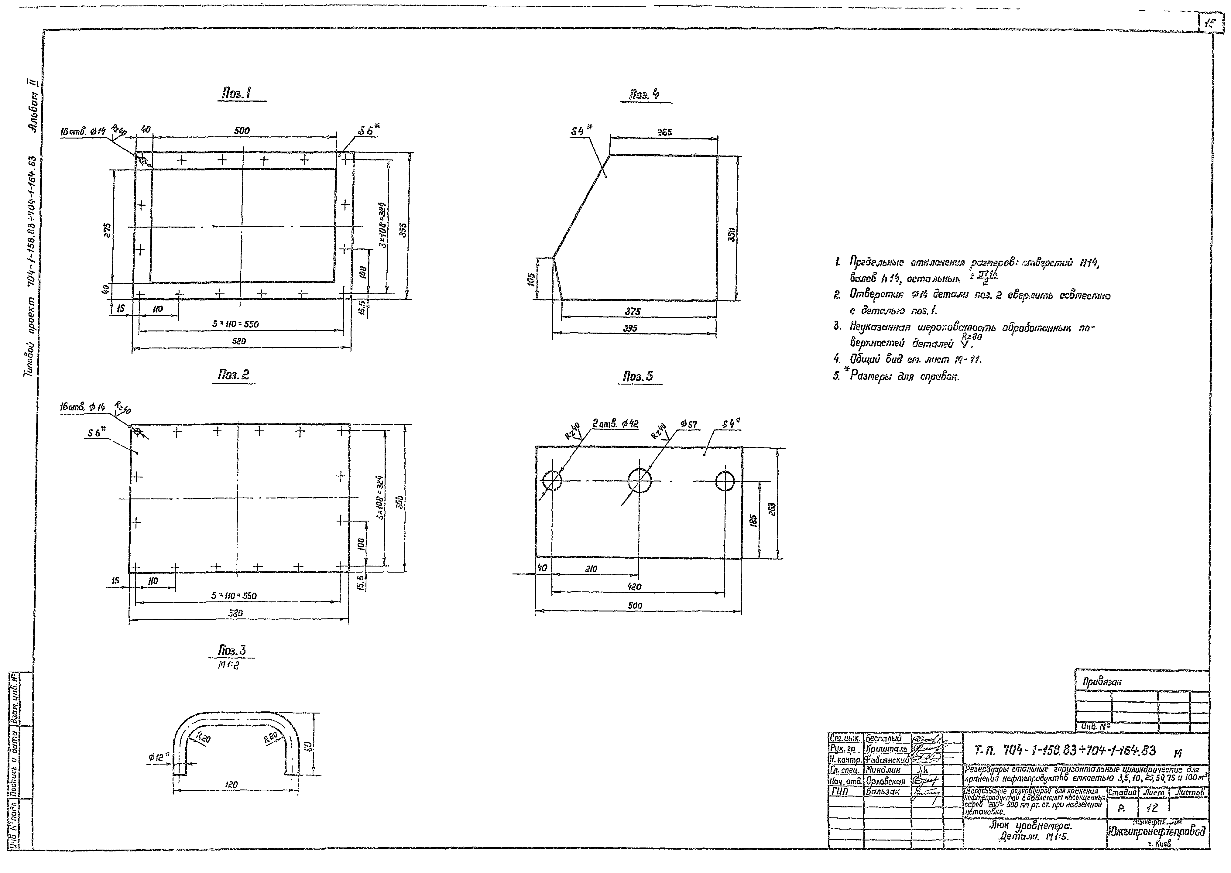
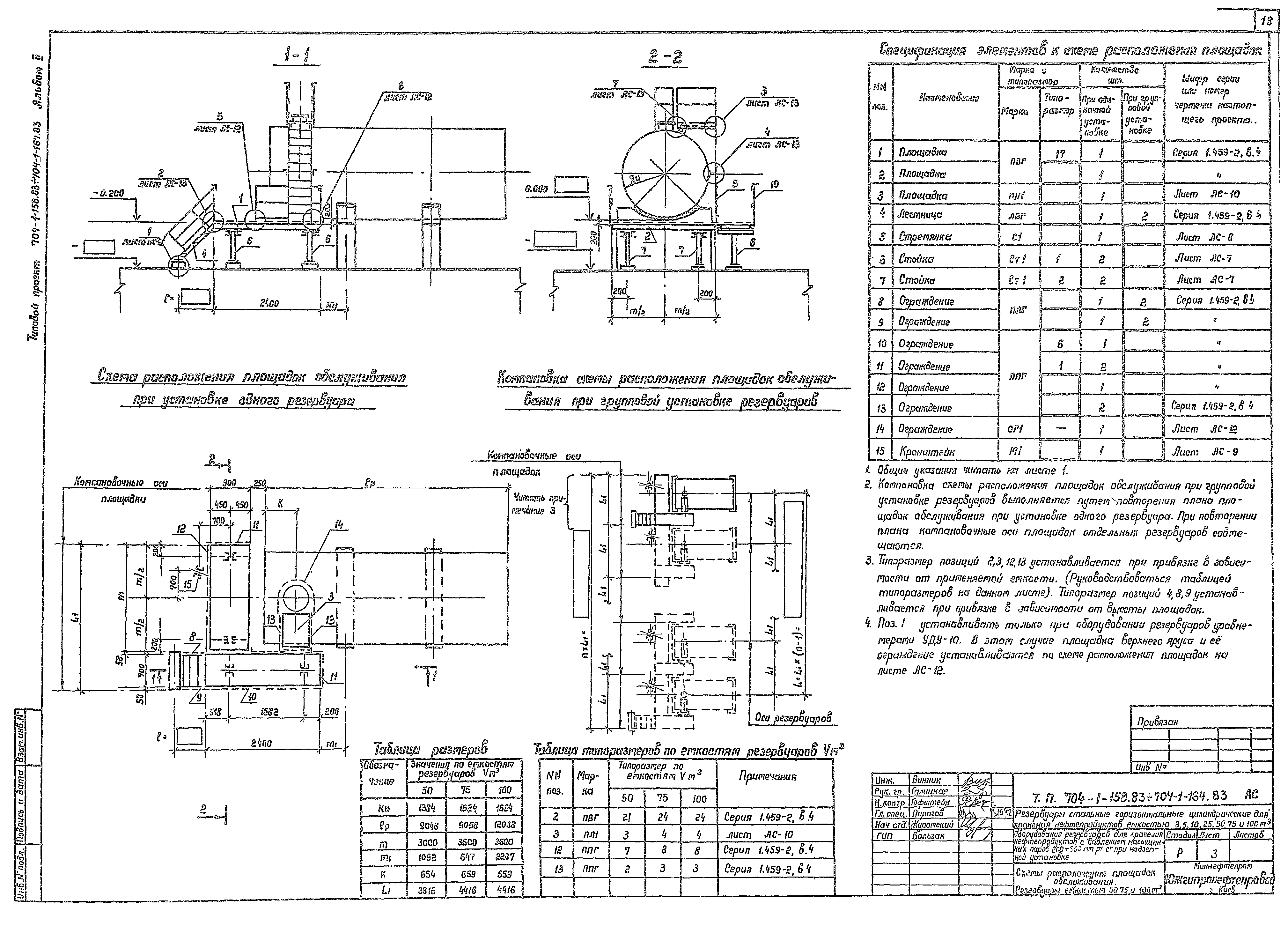
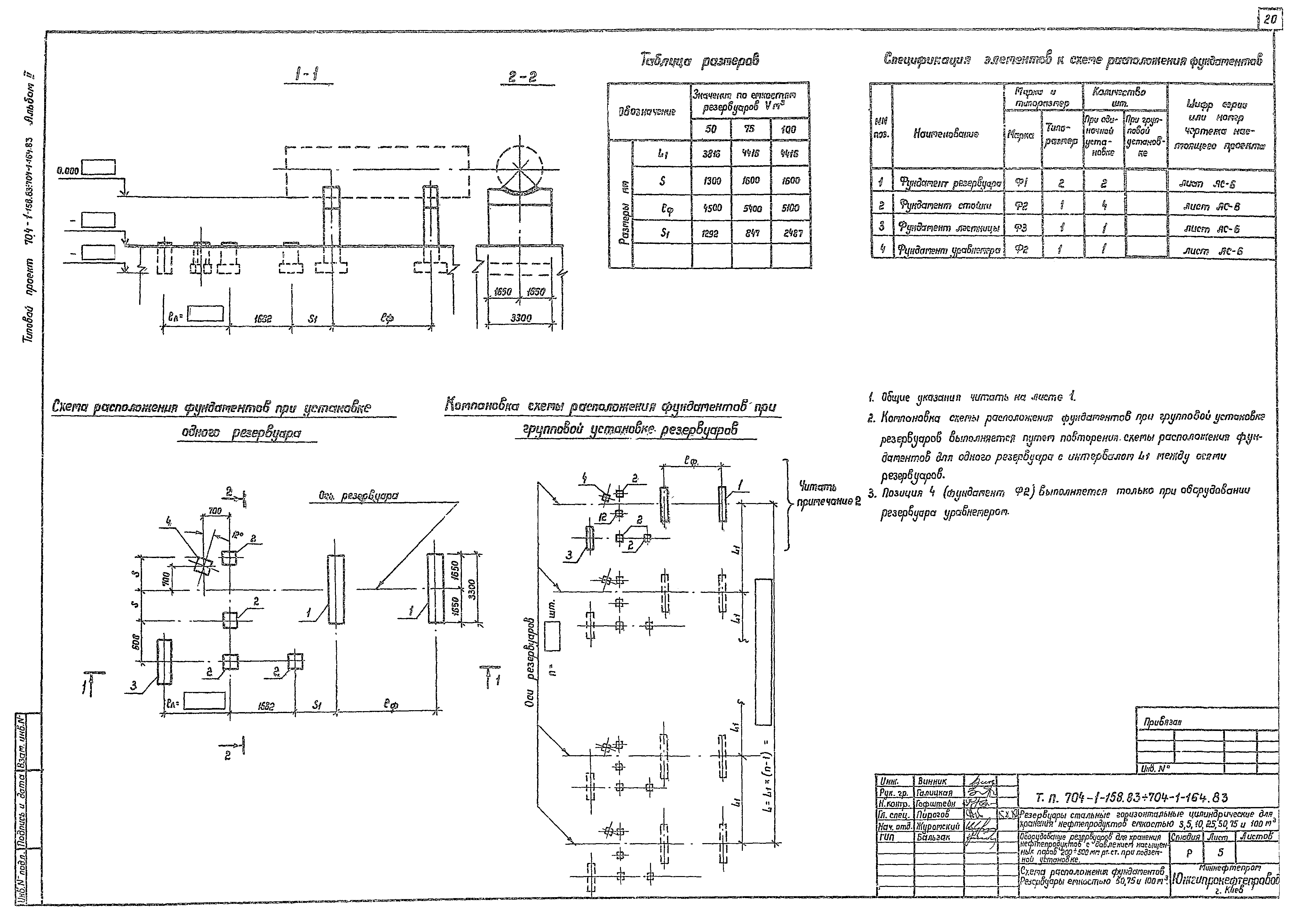
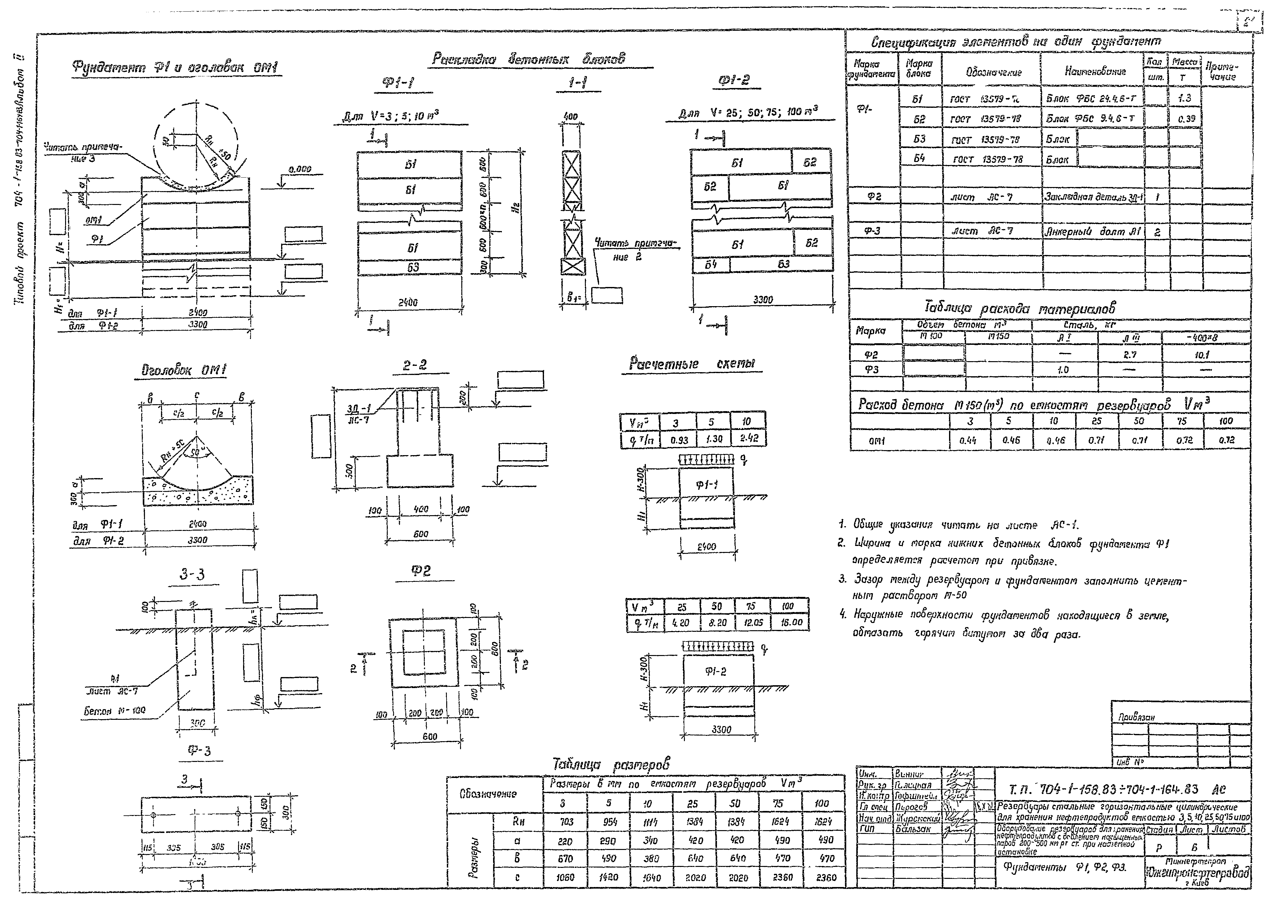
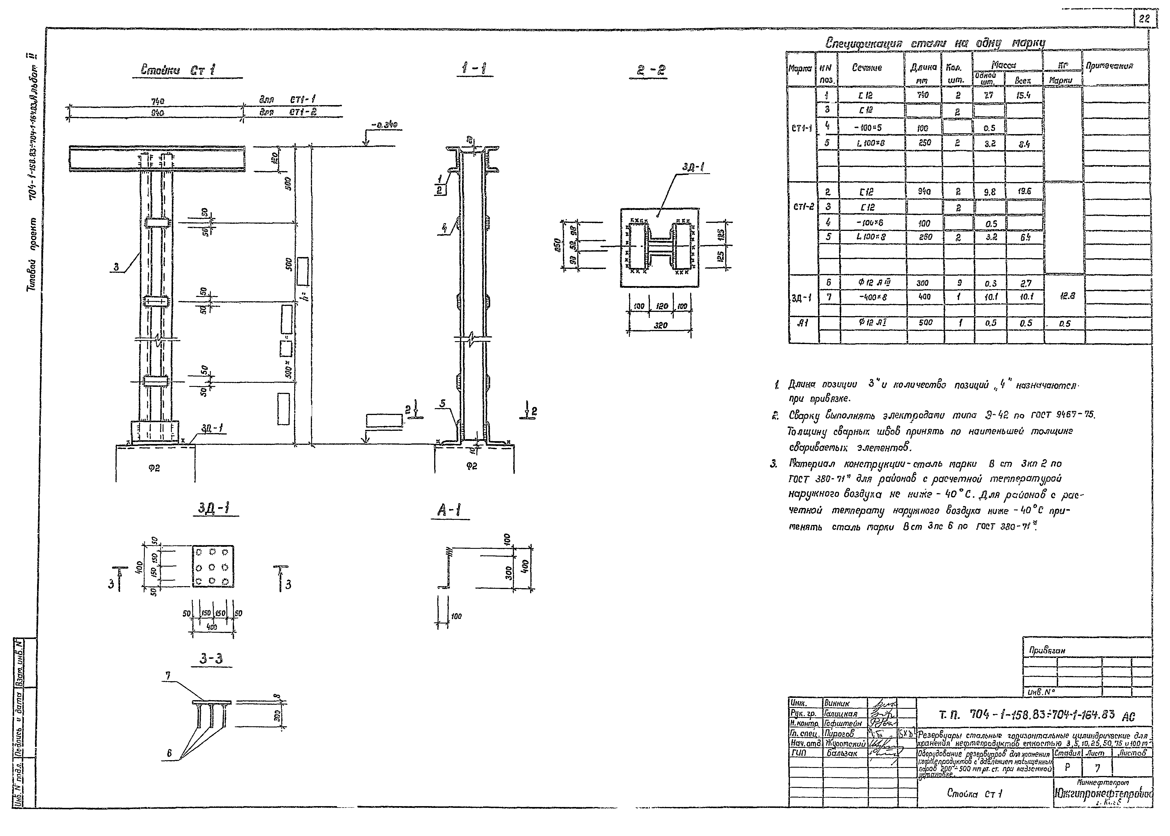
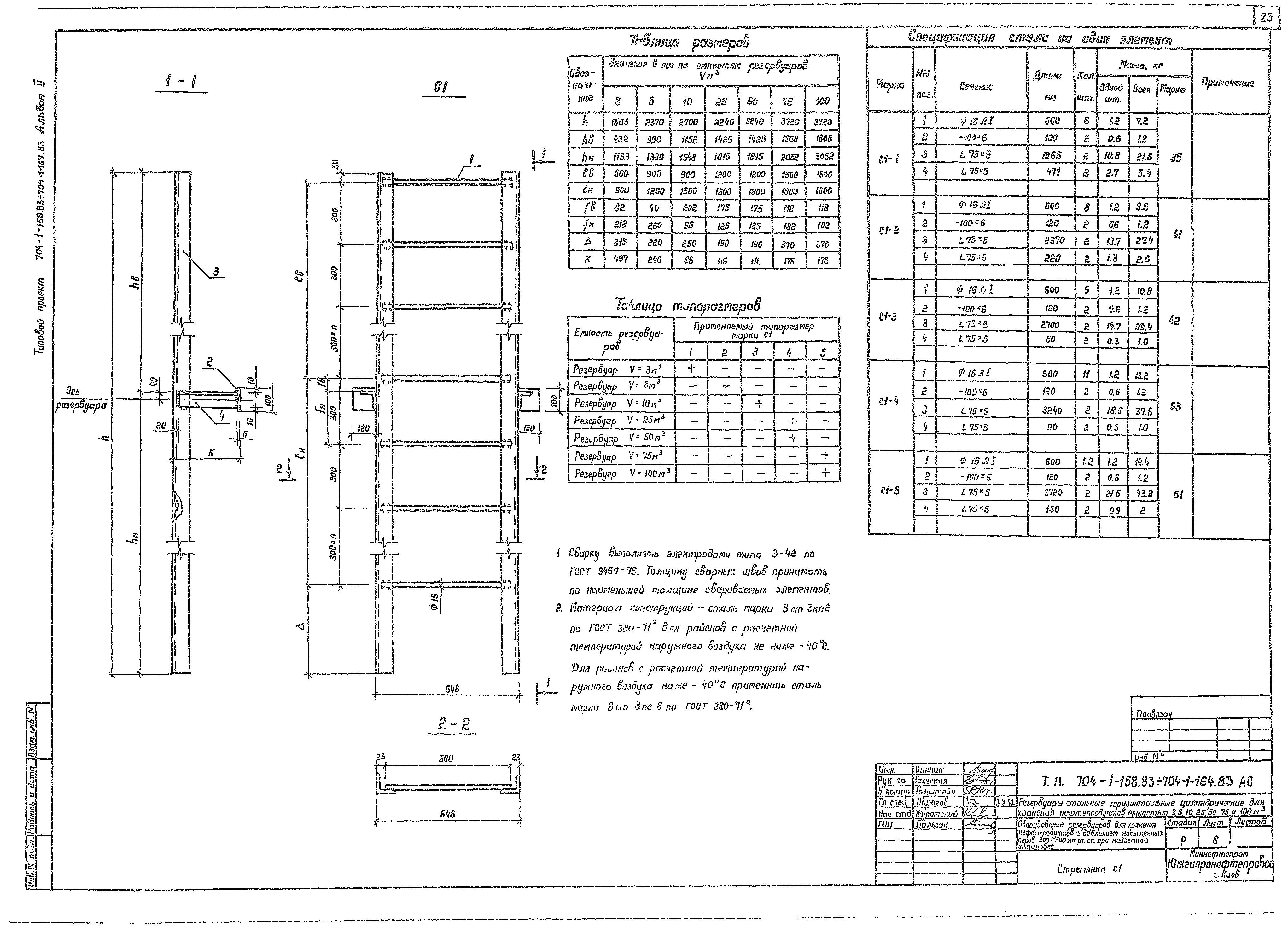
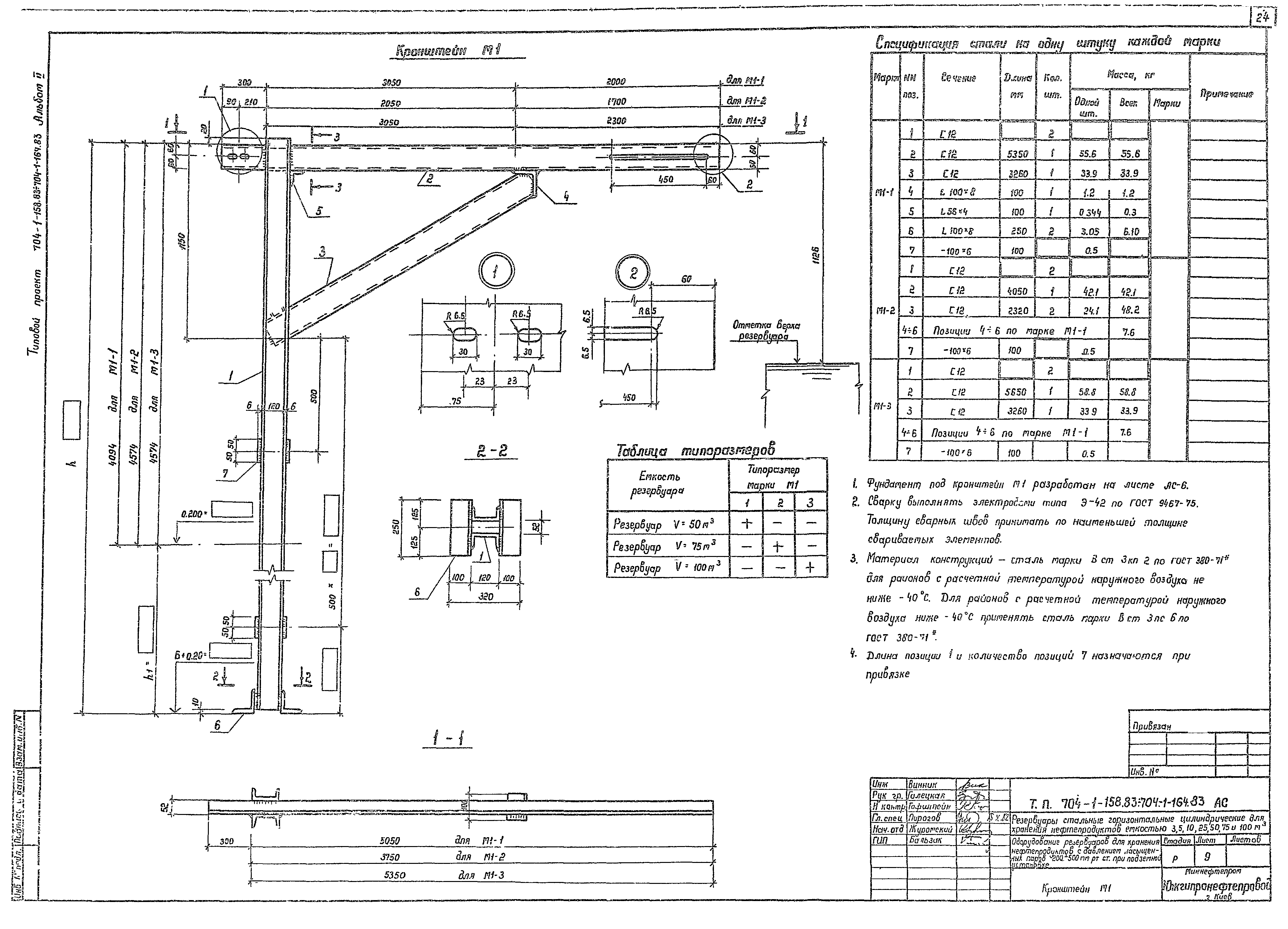
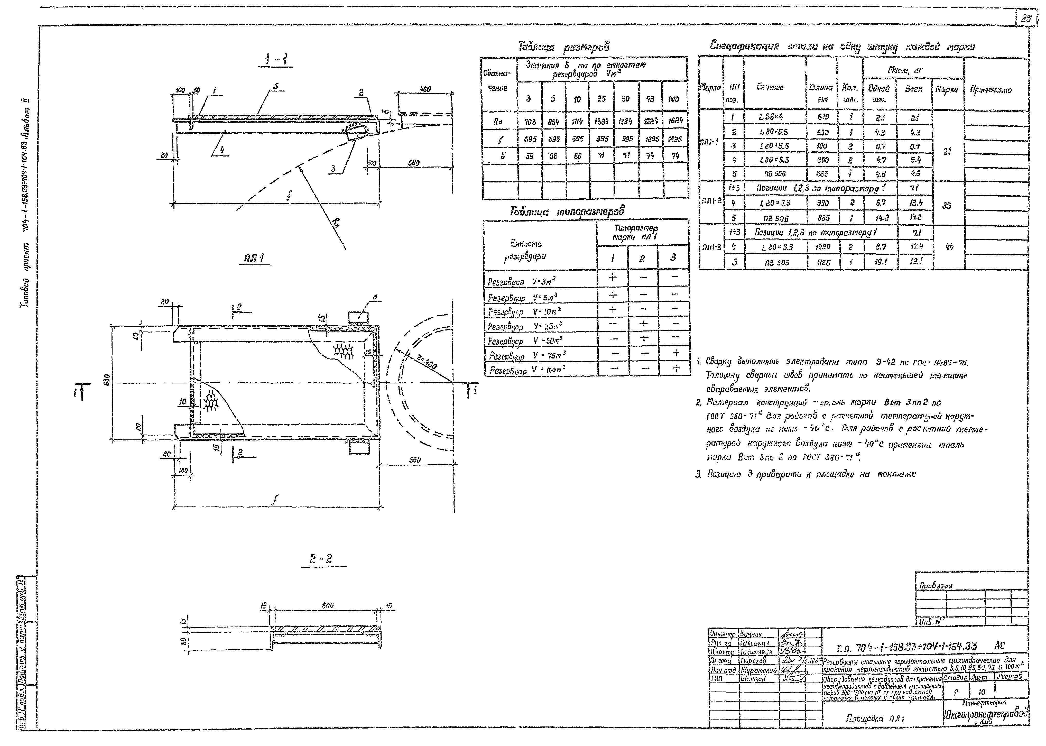
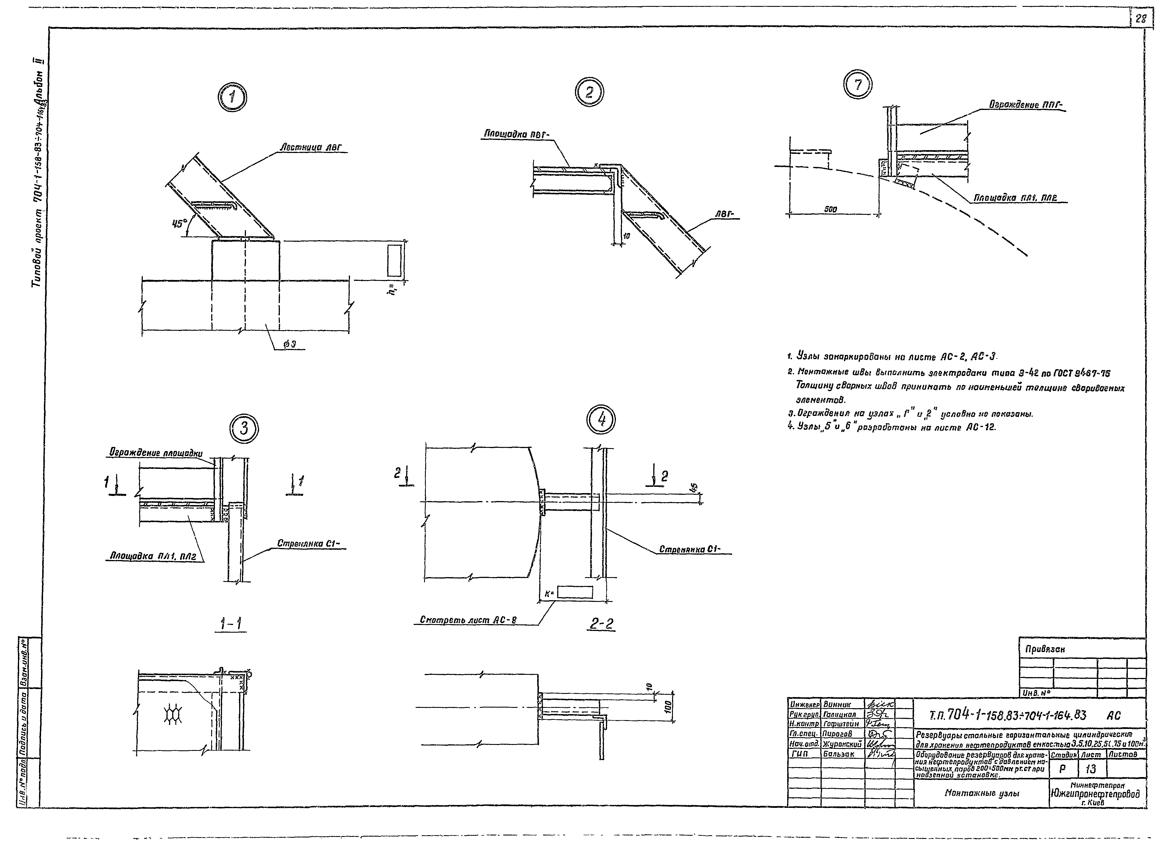
| Оглавление: | Механическая часть Общие данные Общий вид резервуаров емкостью 3, 5, 16 и 25 куб. м Общий вид резервуаров емкостью 50, 75 и 100 куб. м Общий вид резервуаров емкостью 3 - 100 куб. м. Спецификация Установка оборудования на крышке горловины резервуара Патрубок замерного люка. Общий вид Труба дыхательная Труба приемно-раздаточная Ду80. Общий вид Пробка водогрязевыпускная. Общий вид. Детали Пробка водогрязевыпускная. Детали Люк уровнемера. Общий вид Люк уровнемера. Детали Архитектурно-строительная часть Общие данные Схемы расположения площадок обслуживания. Резервуары емкостью 3, 5, 10, 25 куб. м Схемы расположения площадок обслуживания. Резервуары емкостью 50, 75 и 100 куб. м Схемы расположения фундаментов. Резервуары емкостью 3, 5, 10, 25 куб. м Схемы расположения фундаментов. Резервуары емкостью 50, 75 и 100 куб. м Фундаменты Ф-1, Ф-2, Ф-3 Стойка СТ1 Стремянка С1 Кронштейн М1 Площадка ПЛ1 Площадка ПЛ2 Схема расположения площадок верхнего яруса. Узлы №5, 6, 7 Монтажные узлы Часть КИП и автоматики Общие данные. Функциональная схема автоматики Установка уровнемера |
| Разработан: | Южгипронефтепровод Миннефтепрома СССР |
| Утверждён: | 10.12.1982 Миннефтепром (Minnefteprom ) |





























