Скачать Типовой проект 704-1-163.83 Альбом VIII. Ведомости материаловДата актуализации: 01.01.2021
|
| Обозначение: | Типовой проект 704-1-163.83 |
| Обозначение англ: | 704-1-163.83 |
| Статус: | не действует |
| Название рус.: | Альбом VIII. Ведомости материалов |
| Дата добавления в базу: | 01.09.2013 |
| Дата актуализации: | 01.01.2021 |
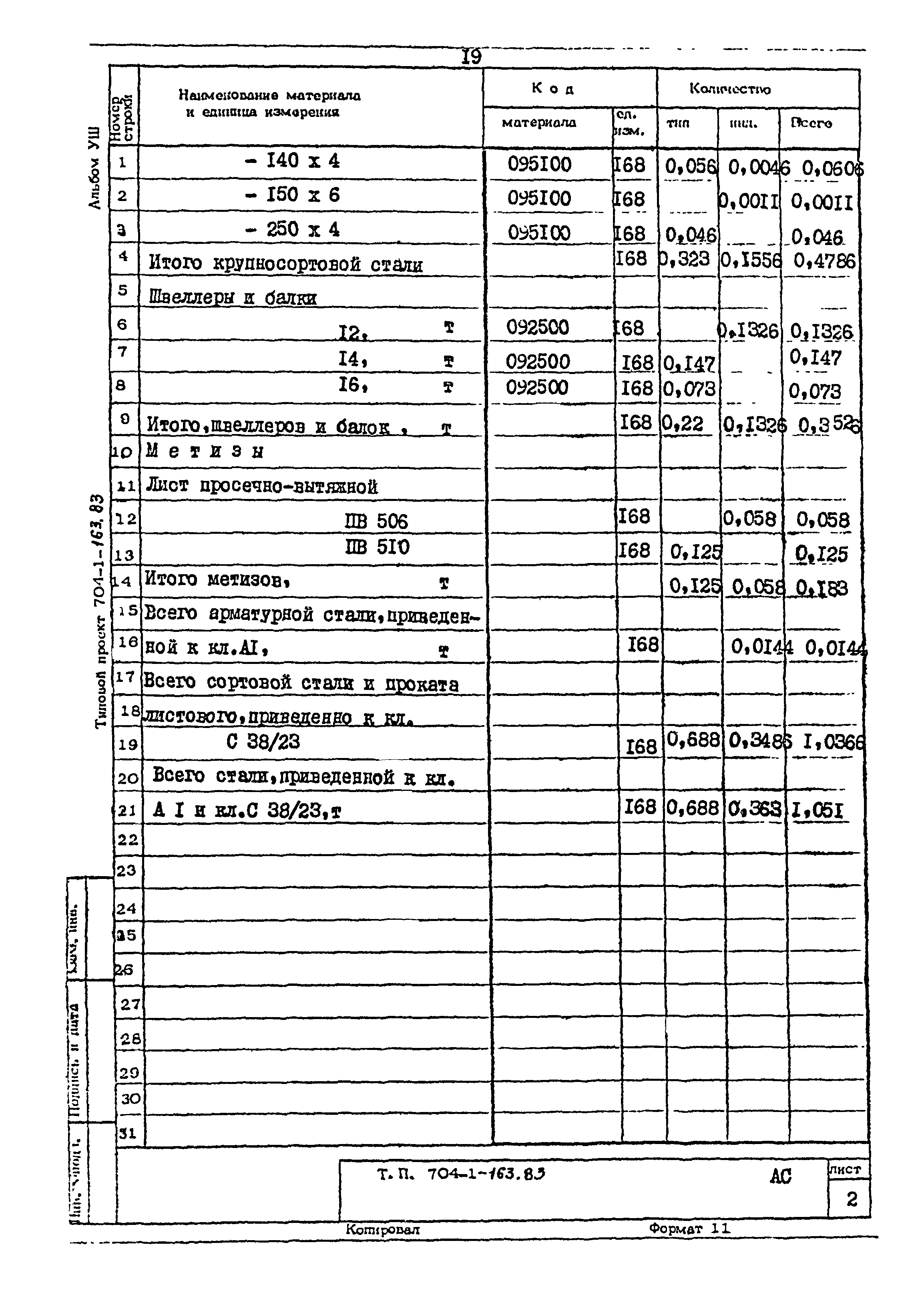
| Оглавление: | ТП 704-1-163.83 АС Закладные детали монолитных конструкций ТП 704-1-163.83 АС Сталь для армирования ж/бетонных конструкций. Сухие грунты ТП 704-1-163.83 АС Сталь для армирования ж/бетонных конструкций. Мокрые грунты ТП 704-1-163.83 АС Сталь для армирования ж/бетонных конструкций. Сухие грунты ТП 704-1-163.83 АС Сталь для армирования ж/бетонных конструкций. Мокрые грунты ТП 704-1-163.83 АС Цемент и инертные ТП 704-1-163.83 АС Цемент и инертные. Сухие грунты ТП 704-1-163.83 АС Цемент и инертные. Мокрые грунты ТП 704-1-163.83 АС Цемент и инертные. Сухие грунты ТП 704-1-163.83 АС Цемент и инертные. Мокрые грунты ТП 704-1-163.83 АС Сталь для изготовления конструктивных элементов ТП 704-1-163.83 АС Сталь для изготовления конструктивных элементов. Сухие грунты ТП 704-1-163.83 АС Сталь для изготовления конструктивных элементов. Мокрые грунты ТП 704-1-163.83 АС Сталь для изготовления конструктивных элементов. Сухие грунты ТП 704-1-163.83 АС Сталь для изготовления конструктивных элементов. Мокрые грунты ТП 704-1-163.83 М Прокат и др. ТП 704-1-163.83 ТС Прокат и др. ТП 704-1-163.83 Дробь чугунная и стальная техническая |
| Разработан: | ЦНИИпроектстальконструкция Южгипронефтепровод Миннефтепрома СССР Проектхимзащита Минмонтажспецстроя СССР |
| Утверждён: | 10.12.1982 Миннефтепром СССР |











































