Скачать ВНТП 56-94 Нормы технологического проектирования предприятий по производству картофелепродуктовДата актуализации: 01.01.2021
|
| Обозначение: | ВНТП 56-94 |
| Обозначение англ: | VNTP 56-94 |
| Статус: | действует |
| Название рус.: | Нормы технологического проектирования предприятий по производству картофелепродуктов |
| Дата добавления в базу: | 01.09.2013 |
| Дата актуализации: | 01.01.2021 |
| Дата введения: | 27.09.1994 |
| Область применения: | Нормы распространяются на проектно-сметную документацию для строительства новых, расширения, реконструкции и технического перевооружения действующих предприятий по производству картофелепродуктов, а также используются при обосновании целесообразности проектирования и строительства предприятий. |
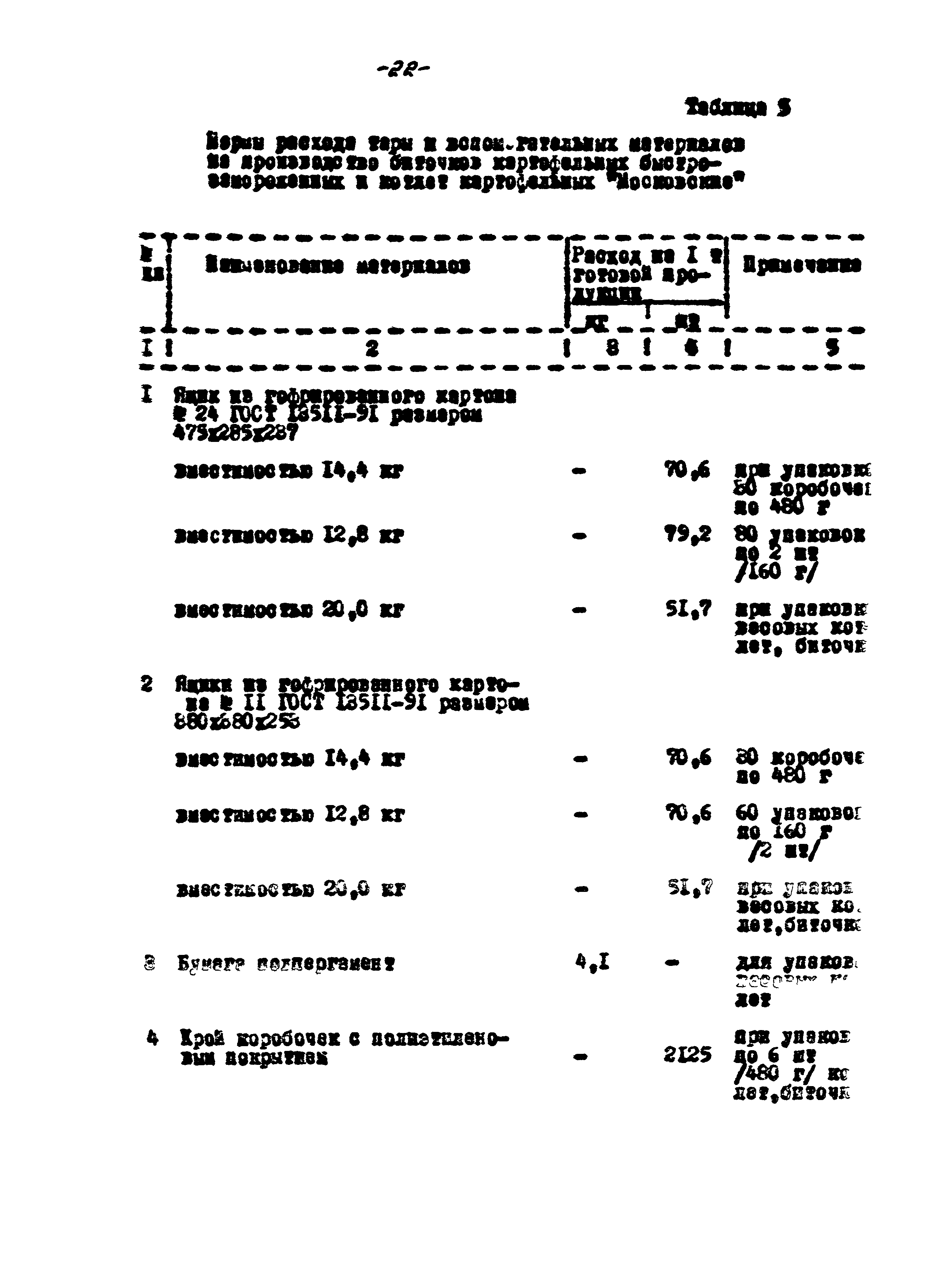
| Оглавление: | 1 Общие положения 2 Производственная мощность и режим работы предприятия 3 Основные нормативы для разработки технологической части проекта 4 Требования технологического процесса к другим частям проекта 5 Требования к электротехнической части, автоматизации производственных процессов связи и сигнализации 6 Противопожарные мероприятия Приложения |
| Разработан: | АО Гипропищепром-1 |
| Утверждён: | 27.09.1994 Комитет РФ по пищевой и перерабатывающей промышленности (Food and Food Processing Industry Committee ) |
| Принят: | 04.08.1994 Госкомсанэпиднадзор (Goskomsanepidnadzor 11-13/191-115) 29.07.1994 ГУГПС МВД России (GUGPS, Russian Federation Ministry of Internal Affairs 20/2.2/1323) 31.03.1994 ВНИИ ПП и СПТ |
| Заменяет собой: |
|
| Нормативные ссылки: |
|













































































































































