Скачать Типовой проект 901-4-76.83 Альбом III. Конструкции железобетонныеДата актуализации: 01.01.2021
|
| Обозначение: | Типовой проект 901-4-76.83 |
| Обозначение англ: | 901-4-76.83 |
| Статус: | не определен законодательством |
| Название рус.: | Альбом III. Конструкции железобетонные |
| Дата добавления в базу: | 01.09.2013 |
| Дата актуализации: | 01.01.2021 |
| Дата введения: | 19.12.1983 |
| Дата окончания срока действия: | 30.06.2003 |
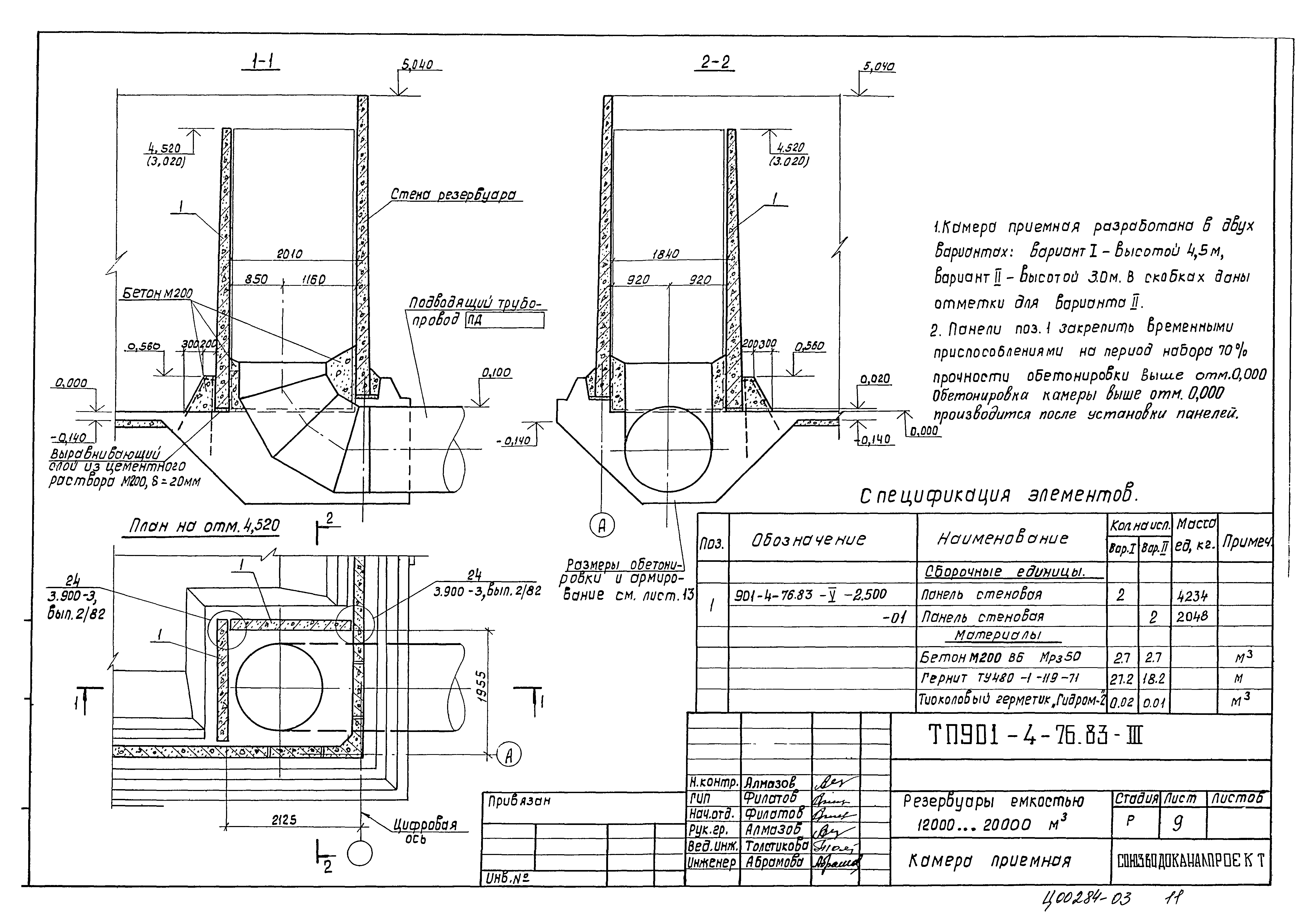
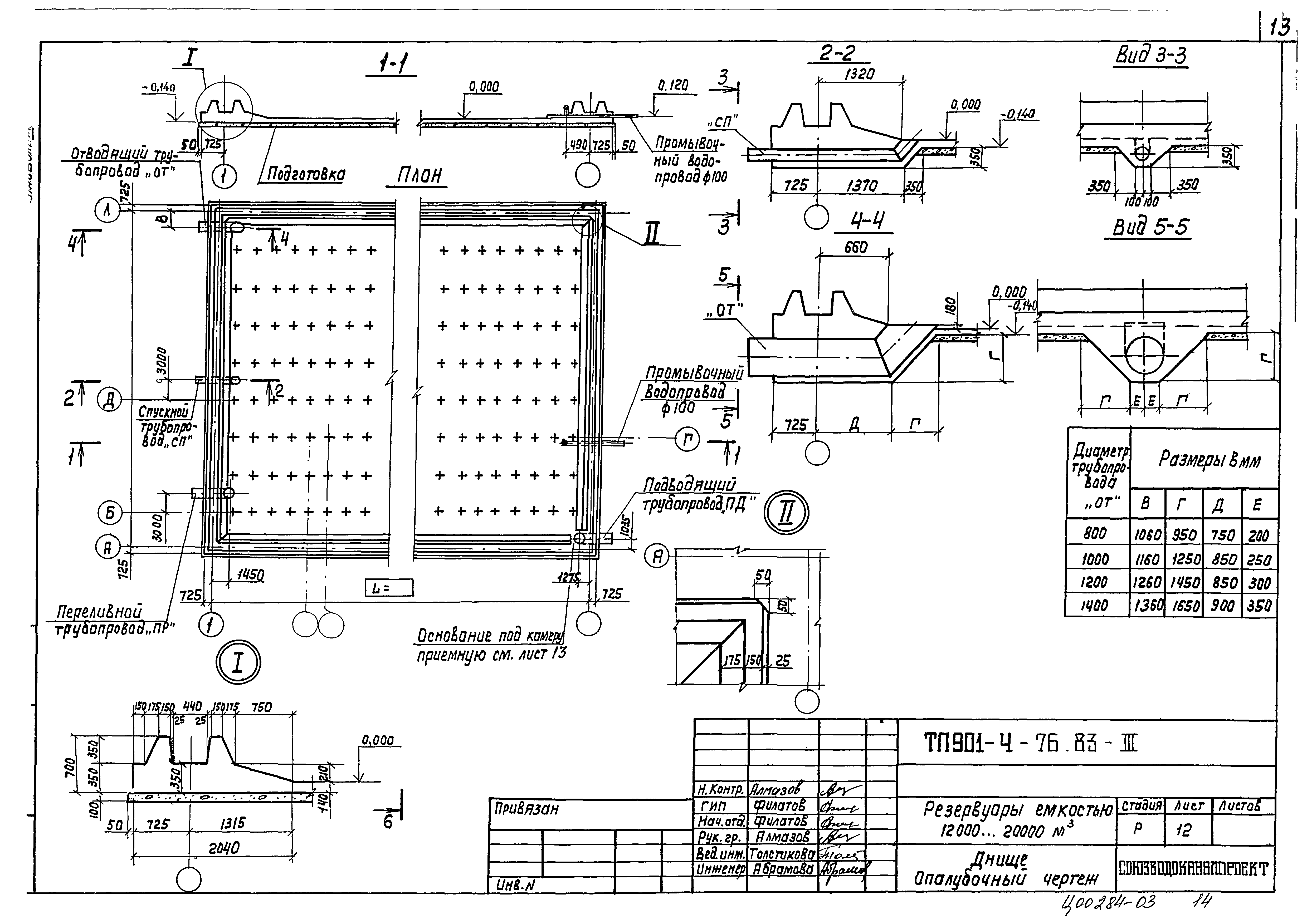
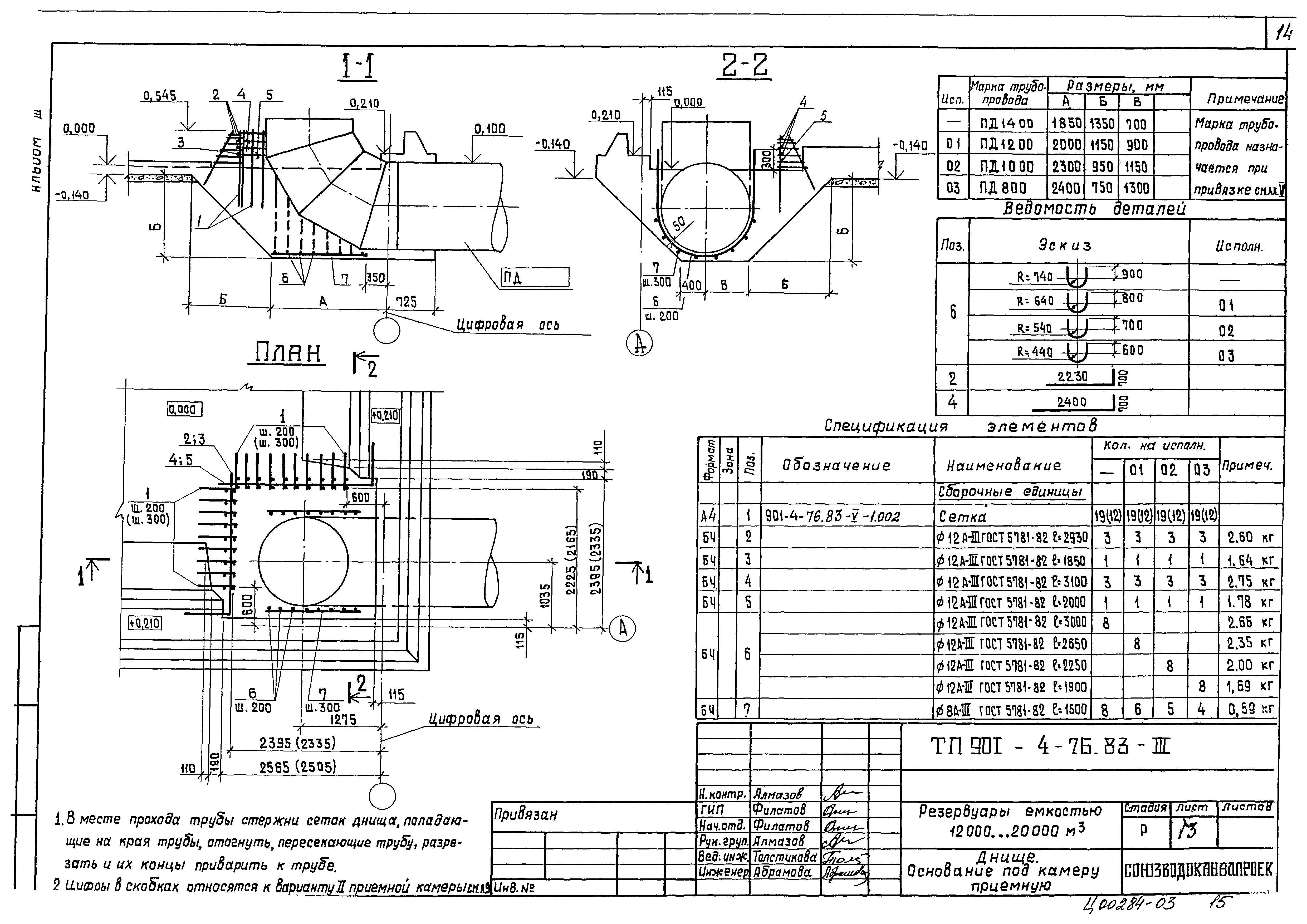
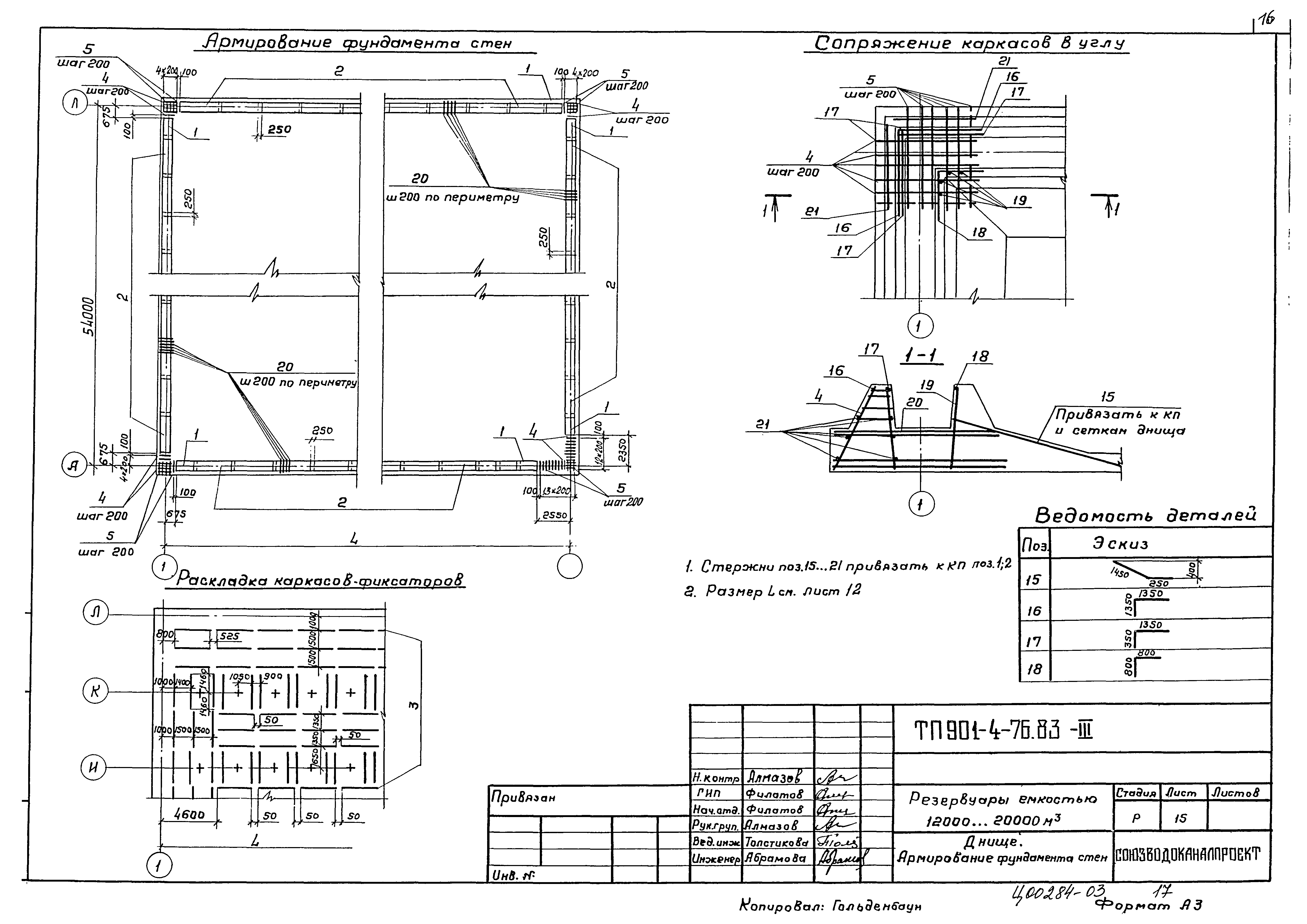
| Оглавление: | Рабочие чертежи основного комплекта III Общие данные План. Разрезы Спецификация к схемам расположения элементов сборных конструкций резервуара Схемы расположения элементов сборных конструкций резервуара Схема установки панелей перегородки Камера переливная Камера приемная Днище. Спецификация элементов. Ведомость расхода стали Днище. Опалубочный чертеж Днище. Основание под камеру приемную Днище. Армирование Днище. Армирование фундамента стен Днище. Разрезы |
| Разработан: | Союзводоканалпроект ЦНИИпромзданий НИИЖБ |
| Утверждён: | 30.06.1982 Госстрой СССР (Государственный комитет Совета Министров СССР по делам строительства) (USSR Gosstroy 53) |

















