Скачать Типовой проект 901-4-76.83 Альбом V. Строительные изделия резервуаров емкостью 1500…20000 куб. мДата актуализации: 01.01.2021
|
| Обозначение: | Типовой проект 901-4-76.83 |
| Обозначение англ: | 901-4-76.83 |
| Статус: | не определен законодательством |
| Название рус.: | Альбом V. Строительные изделия резервуаров емкостью 1500…20000 куб. м |
| Дата добавления в базу: | 01.09.2013 |
| Дата актуализации: | 01.01.2021 |
| Дата введения: | 19.12.1983 |
| Дата окончания срока действия: | 30.06.2003 |
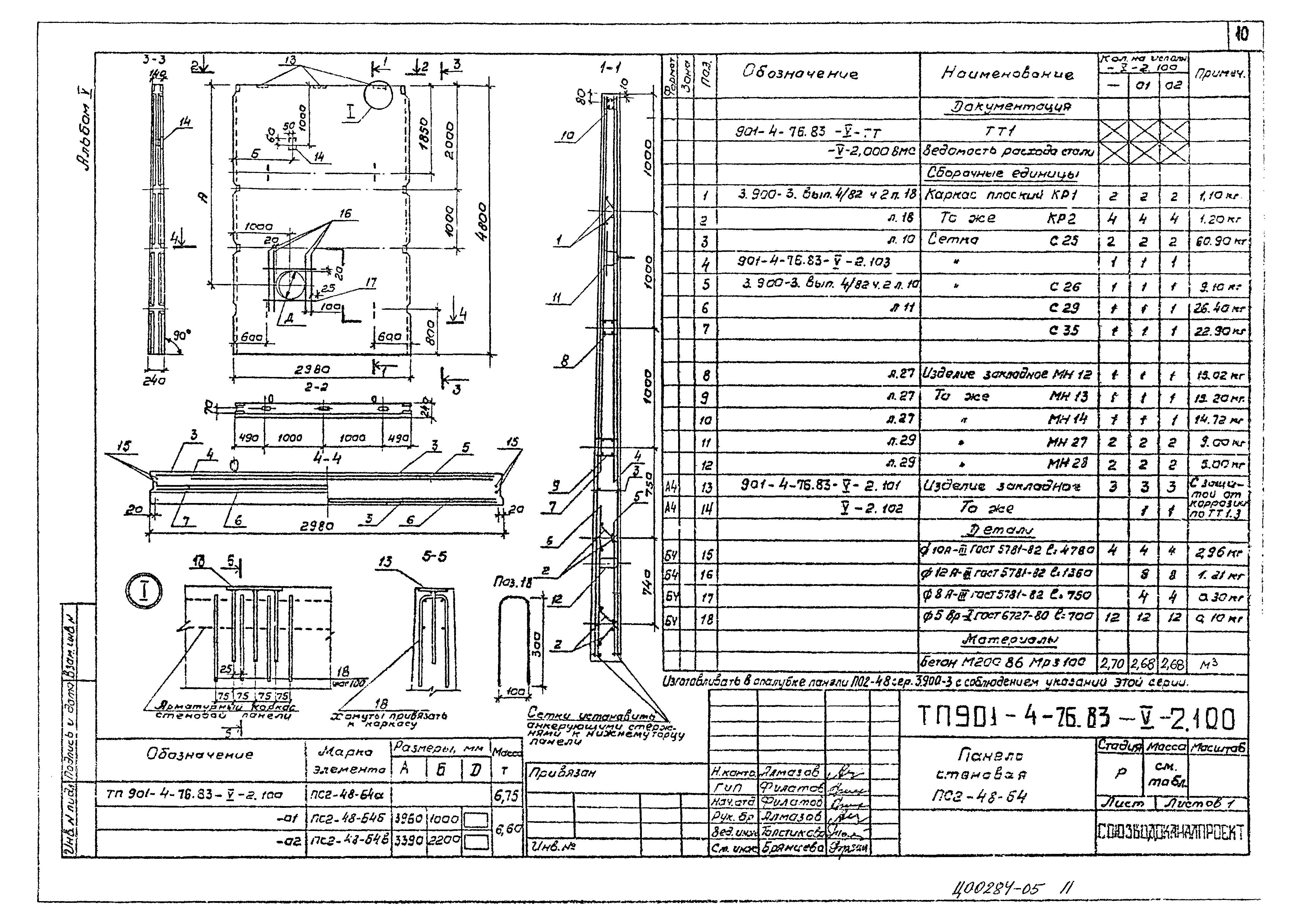
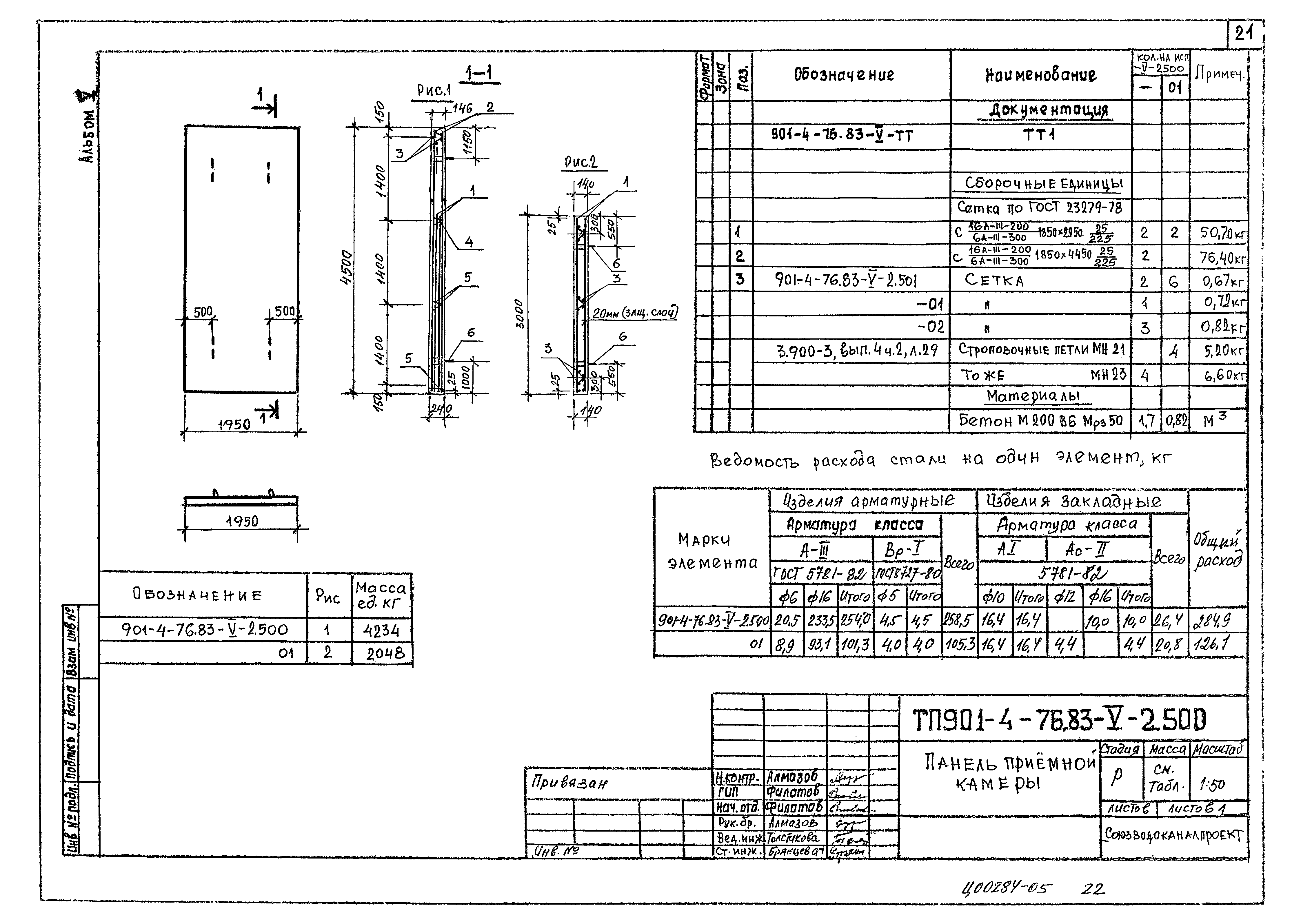
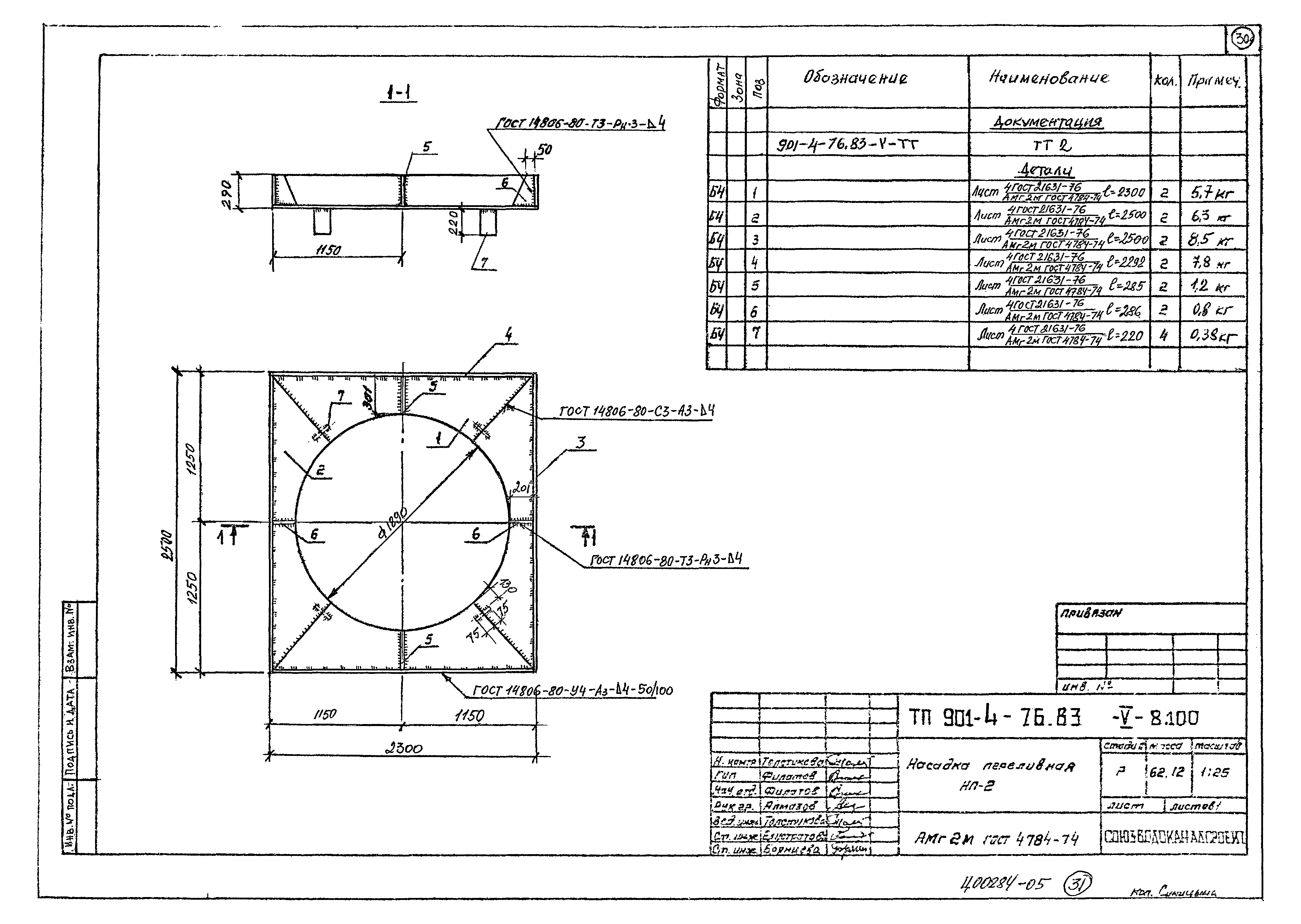
| Оглавление: | 901-4-76.83 V-ТТ Технические требования 901-4-76.83 V-1.100 Каркас пространственный 901-4-76.83 V-1.101 Сетка 901-4-76.83 V-1.001 Сетка 901-4-76.83 V-1.002 Сетка 901-4-76.83 V-1.003 Сетка 901-4-76.83 V-1.004 Сетка 901-4-76.83 V-1.005 Сетка 901-4-76.83 V-1.006 Сетка 901-4-76.83 V-2.200 Панель стеновая ПС48-65 901-4-76.83 V-2.100 Панель стеновая ПС48-54 901-4-76.83 V-2.101 Изделие закладное 901-4-76.83 V-2.102 Изделие закладное 901-4-76.83 V-2.103 Сетка 901-4-76.83 V-2.000ВМС Панель стеновая ПС48-54; 65. Ведомость расхода стали 901-4-76.83 V-2.300 Ведомость расхода стали. Панель стеновая угловая 901-4-76.83 V-2.310 Каркас пространственный 901-4-76.83 V-2.320 Каркас пространственный 901-4-76.83 V-2.321 Сетка 901-4-76.83 V-2.311 Петля строповочная 901-4-76.83 V-2.400 Блок угловой 901-4-76.83 V-2.400СБ Блок угловой. Сборочный чертеж 901-4-76.83 V-2.411 Сетка 901-4-76.83 V-2.410 Каркас пространственный 901-4-76.83 V-2.410СБ Каркас пространственный. Сборочный чертеж 901-4-76.83 V-2.412 Сетка 901-4-76.83 V-2.501 Сетка 901-4-76.83 V-2.500 Панель приемной камеры 901-4-76.83 V-3.100 Плита покрытия 2ПР; 4ПР 901-4-76.83 V-4.000 Хомут 901-4-76.83 V-5.000 Лестница съемная 901-4-76.83 V-6.000 Заглушка 901-4-76.83 V-6.100 Электрод нулевой 901-4-76.83 V-6.200 Бобышка 901-4-76.83 V-6.300 Фланец Ф1 901-4-76.83 V-7.000 Деталь отводящего трубопровода 901-4-76.83 V-7.100 Деталь подводящего трубопровода 901-4-76.83 V-7.200 Деталь переливного трубопровода 901-4-76.83 V-7.300 Деталь спускного трубопровода 901-4-76.83 V-8.000 Насадка переливная НП-1 901-4-76.83 V-8.100 Насадка переливная НП-2 |
| Разработан: | Союзводоканалпроект ЦНИИпромзданий НИИЖБ |
| Утверждён: | 30.06.1982 Госстрой СССР (Государственный комитет Совета Министров СССР по делам строительства) (USSR Gosstroy 53) |






























