Скачать Типовой проект 901-2-163.89 Альбом 3. Подземная часть. Конструкции железобетонные. Конструкции металлические. Строительные изделия

Дата актуализации: 01.01.2021

Типовой проект 901-2-163.89

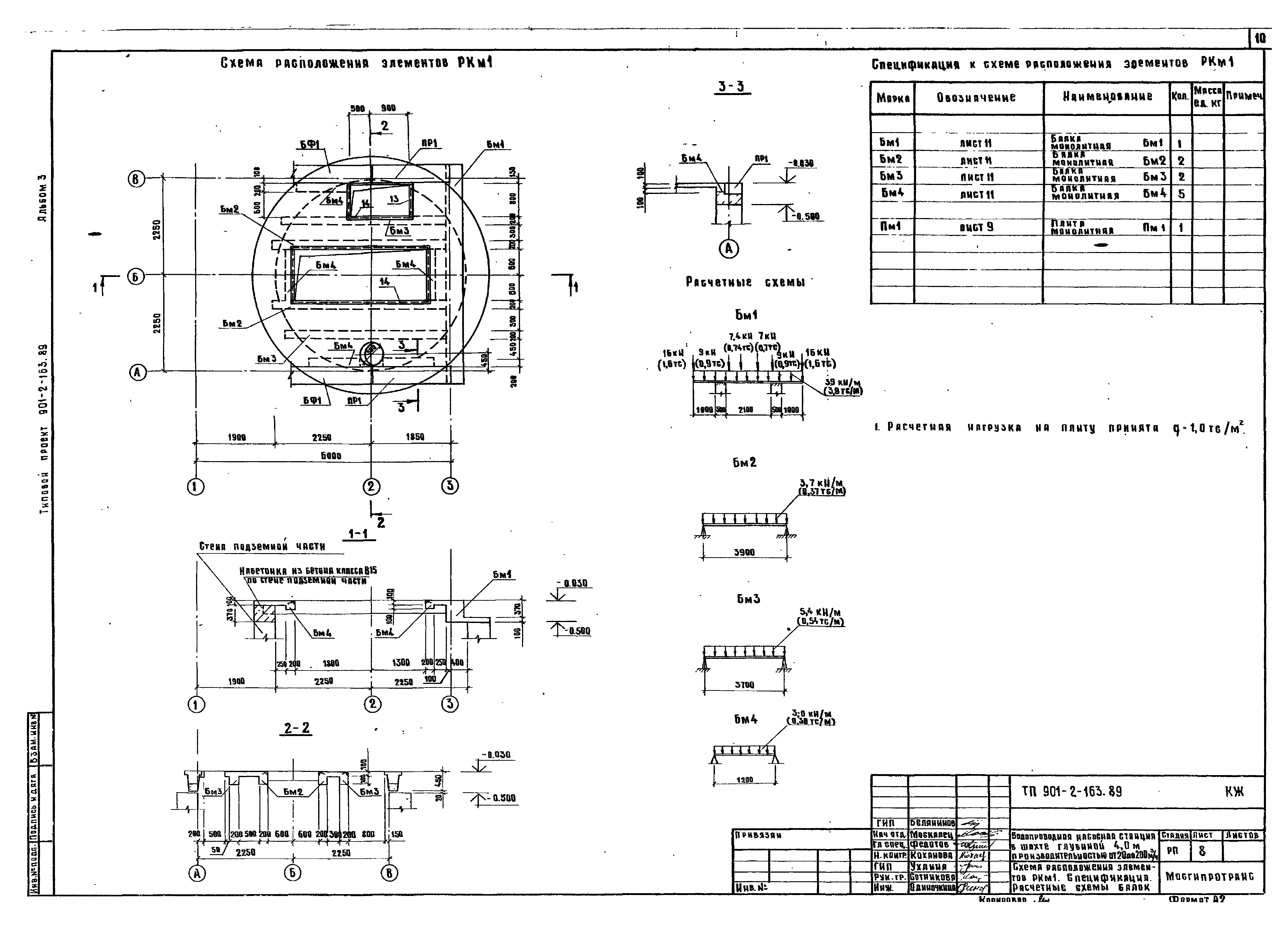
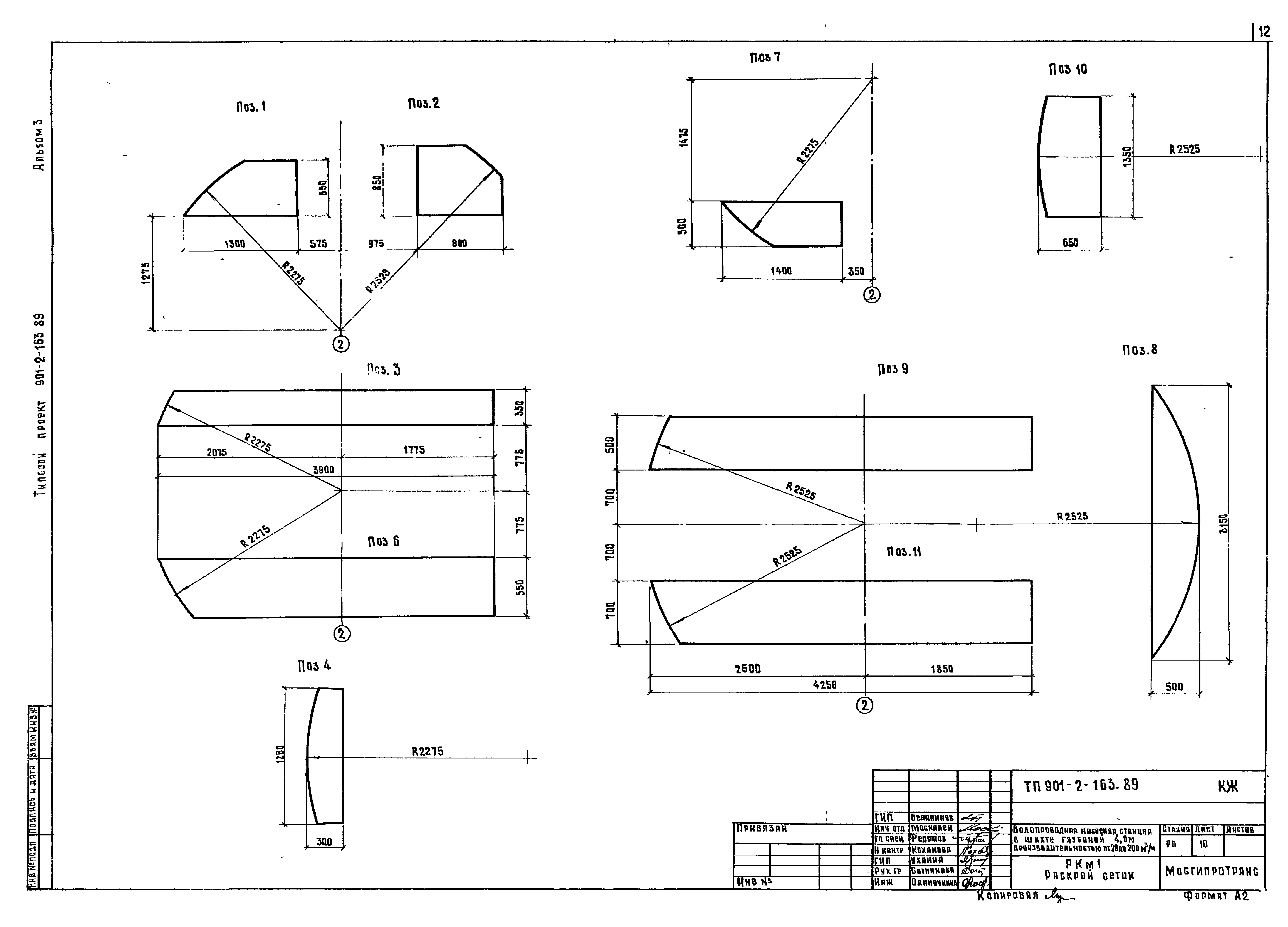
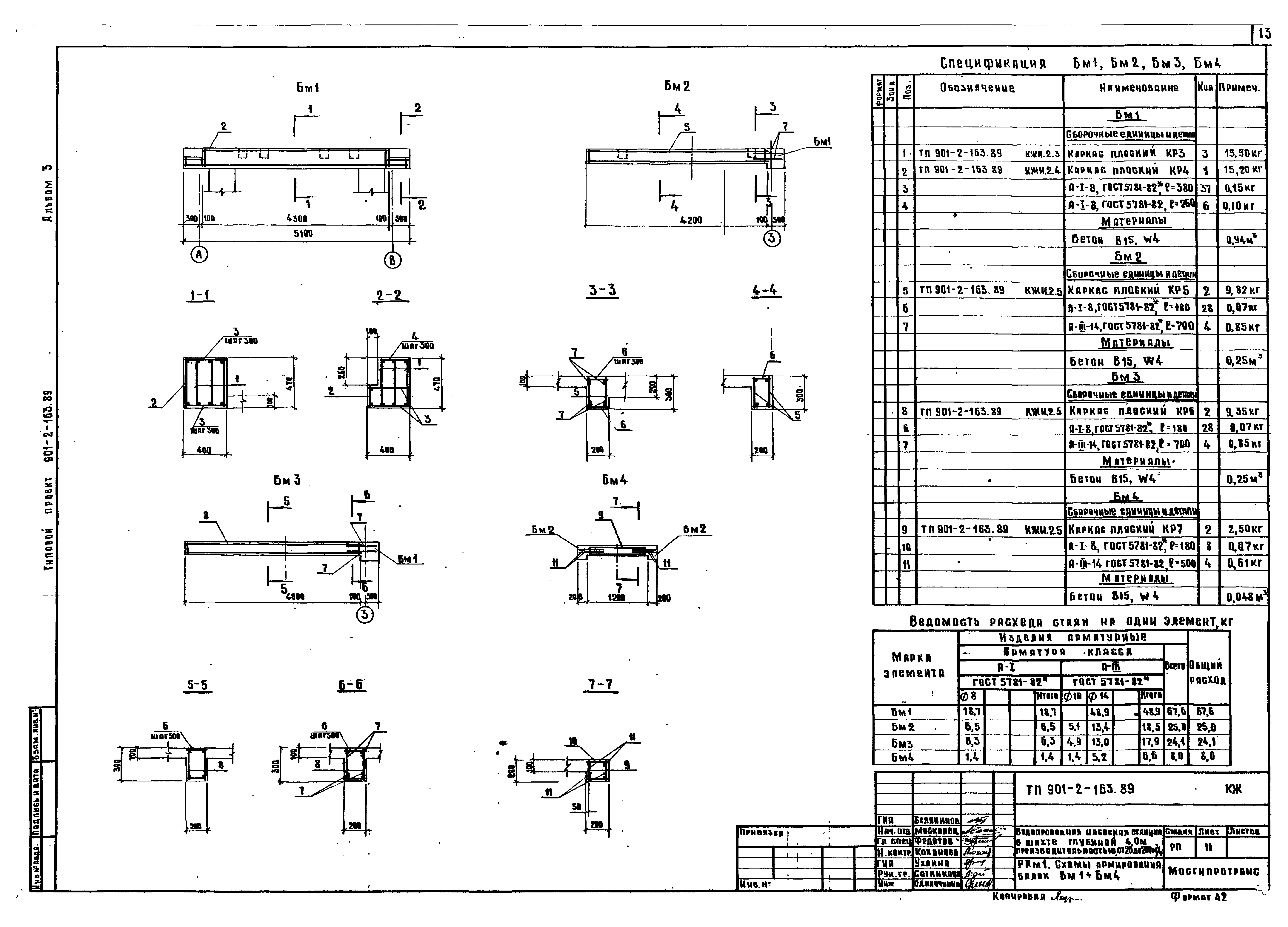
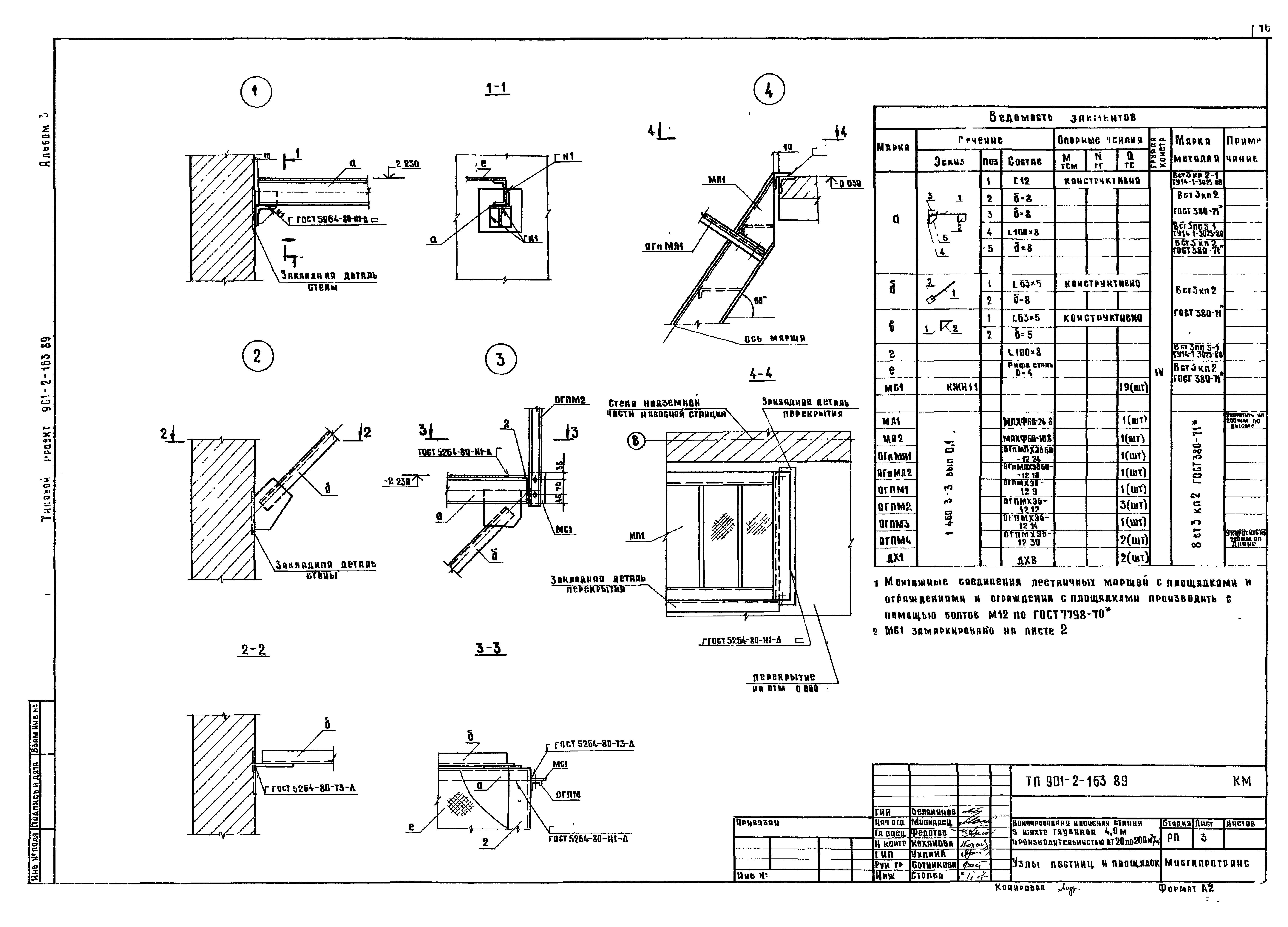
Альбом 3. Подземная часть. Конструкции железобетонные. Конструкции металлические. Строительные изделия

Обозначение: Типовой проект 901-2-163.89
Обозначение англ: 901-2-163.89
Статус:не определен законодательством
Название рус.:Альбом 3. Подземная часть. Конструкции железобетонные. Конструкции металлические. Строительные изделия
Дата добавления в базу:01.09.2013
Дата актуализации:01.01.2021
Дата введения:27.12.1988
Дата окончания срока действия:30.06.2003
Разработан: Мосгипротранс
Утверждён:27.12.1988 Министерство транспортного строительства СССР (USSR Ministry of Transport Construction ГА-968)
Заменяет собой:
Типовой проект 901-2-163.89Типовой проект 901-2-163.89Типовой проект 901-2-163.89Типовой проект 901-2-163.89Типовой проект 901-2-163.89Типовой проект 901-2-163.89Типовой проект 901-2-163.89Типовой проект 901-2-163.89Типовой проект 901-2-163.89Типовой проект 901-2-163.89Типовой проект 901-2-163.89Типовой проект 901-2-163.89Типовой проект 901-2-163.89Типовой проект 901-2-163.89Типовой проект 901-2-163.89Типовой проект 901-2-163.89Типовой проект 901-2-163.89Типовой проект 901-2-163.89Типовой проект 901-2-163.89Типовой проект 901-2-163.89