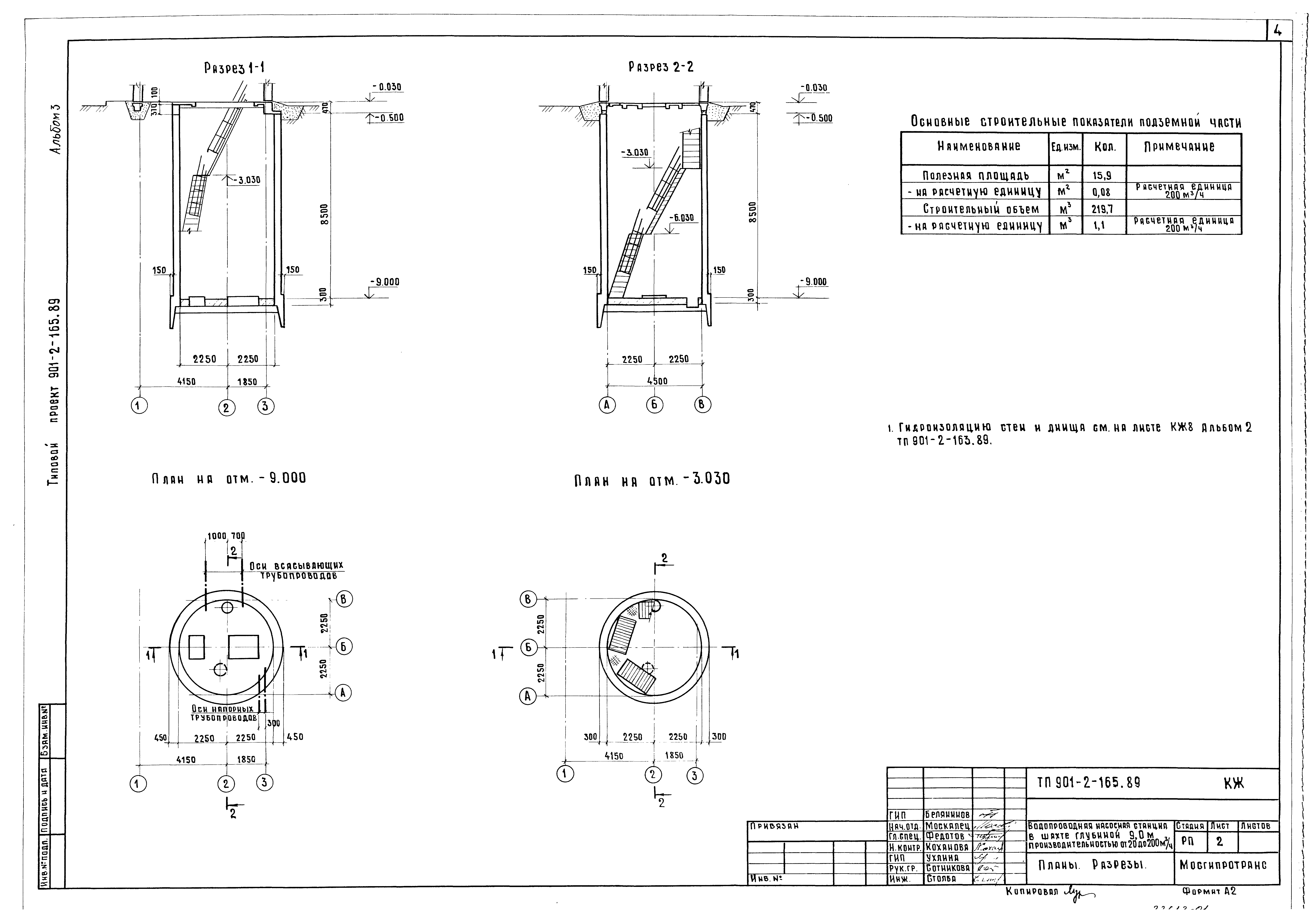
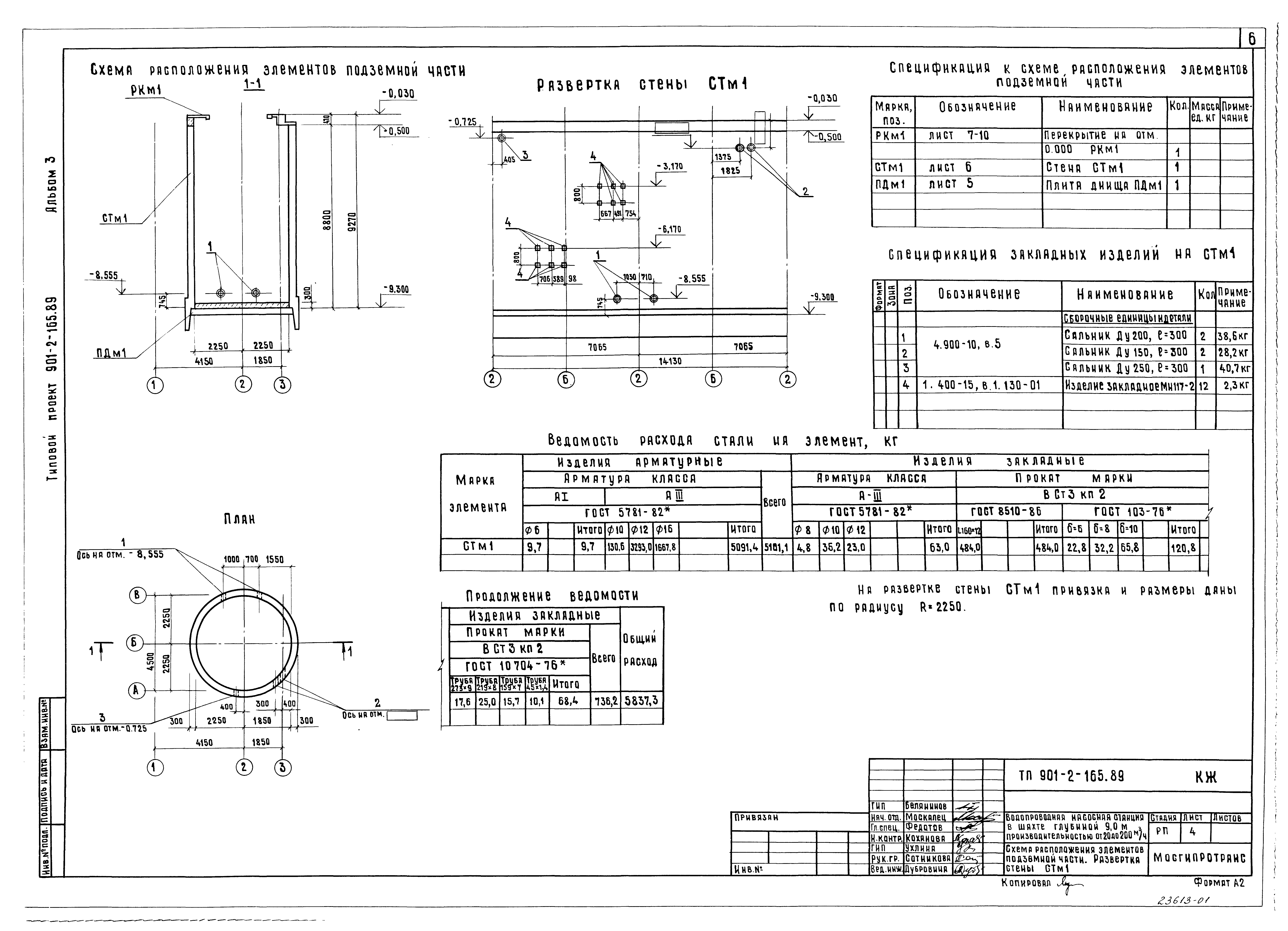
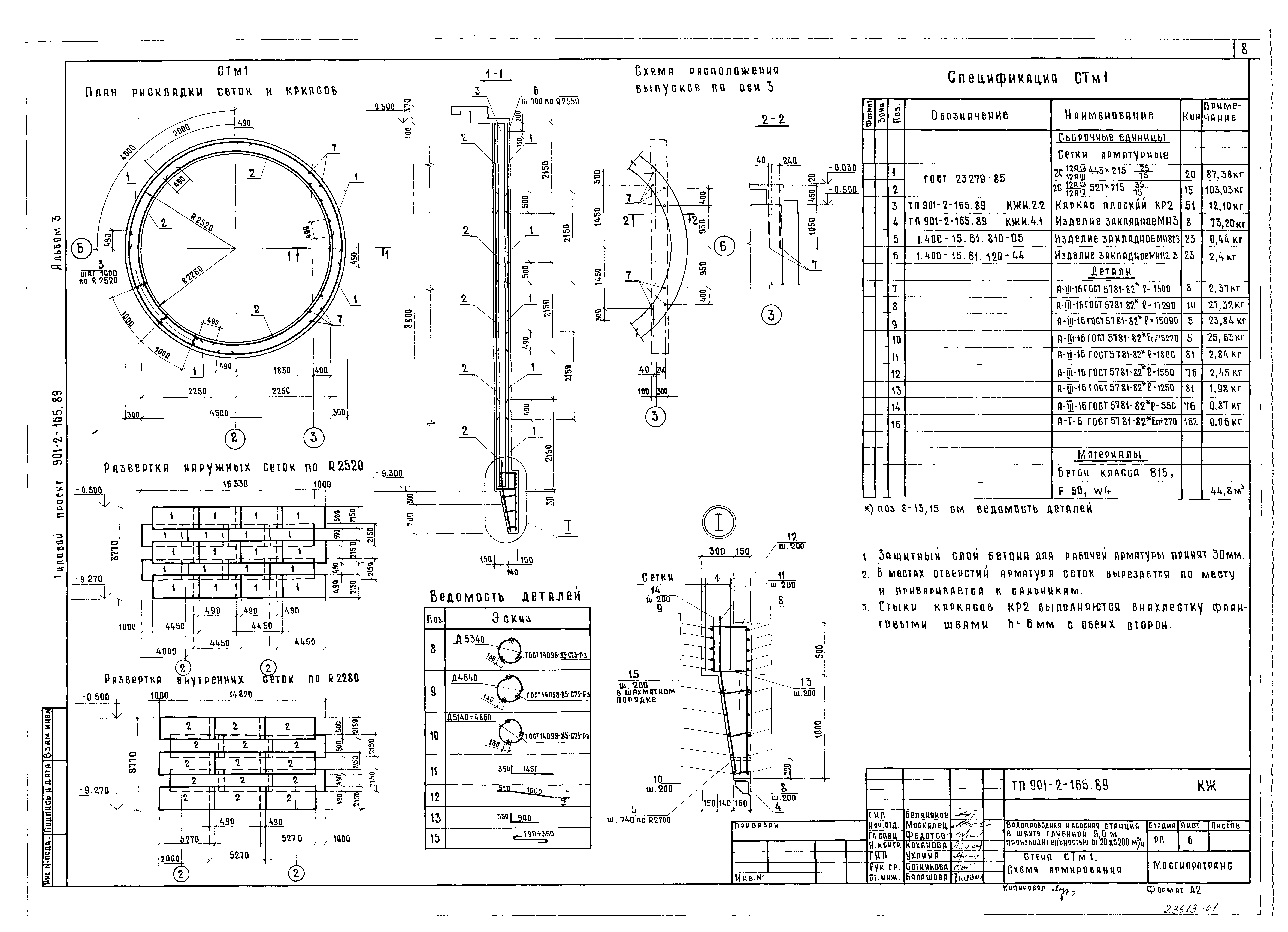
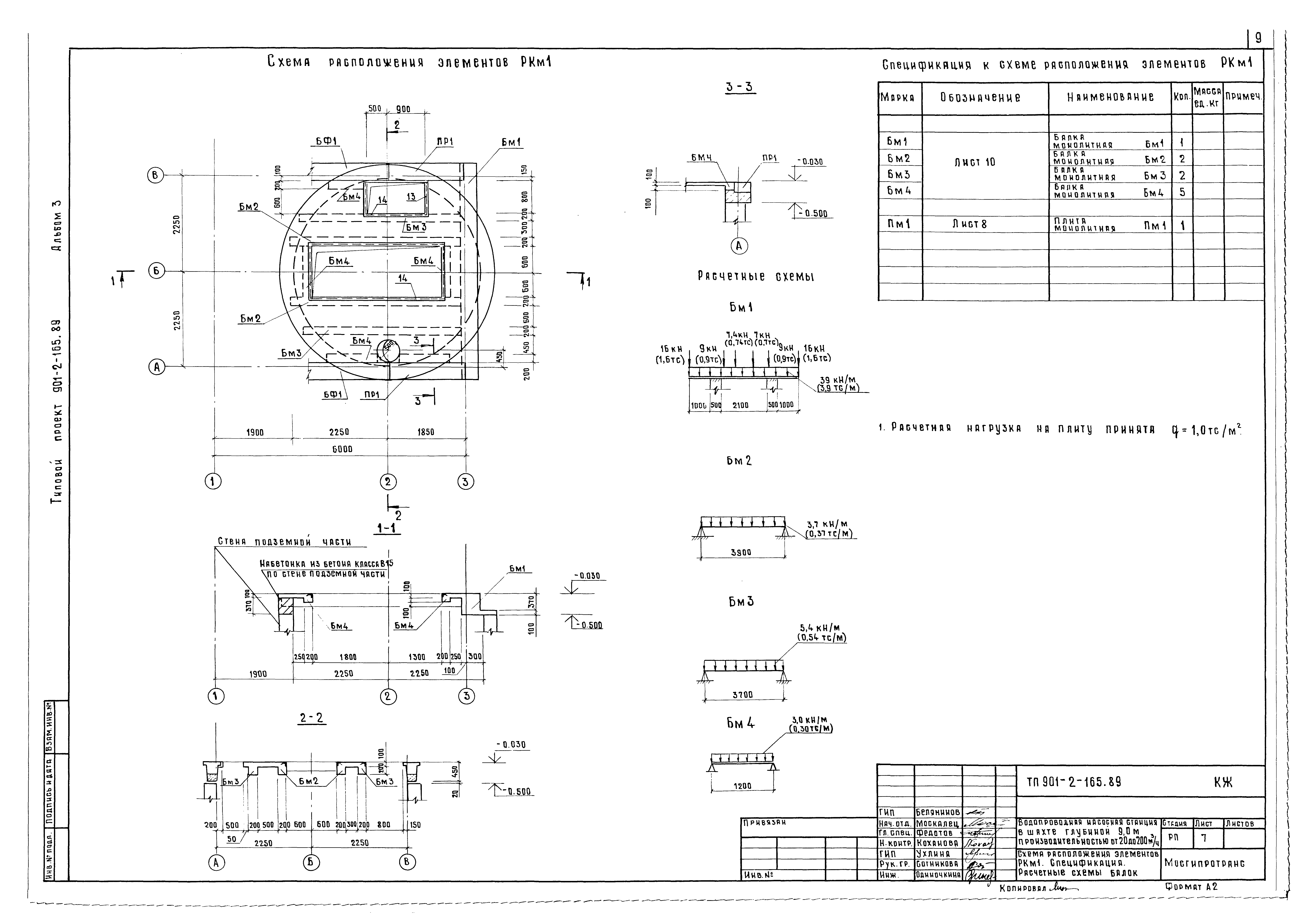
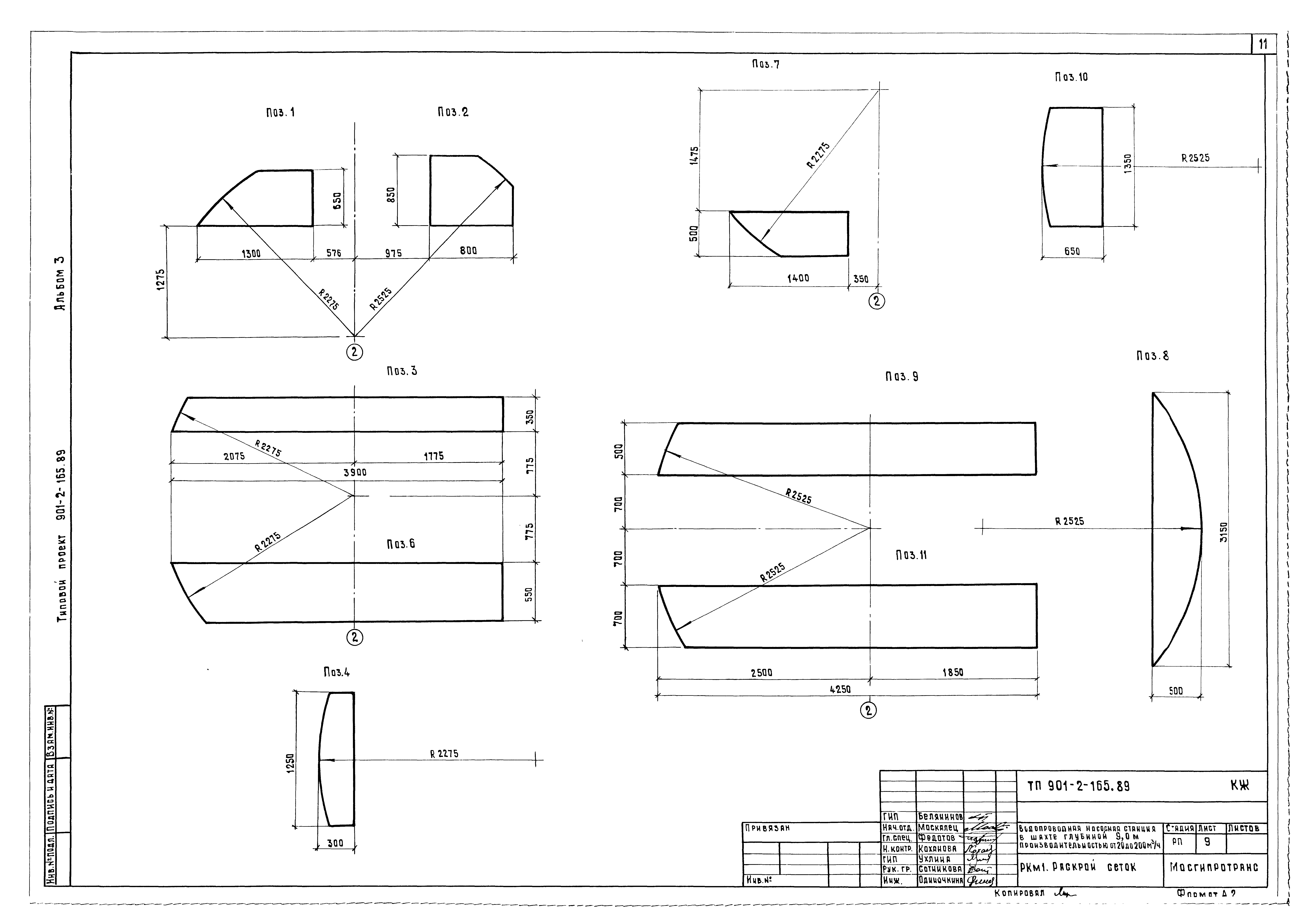
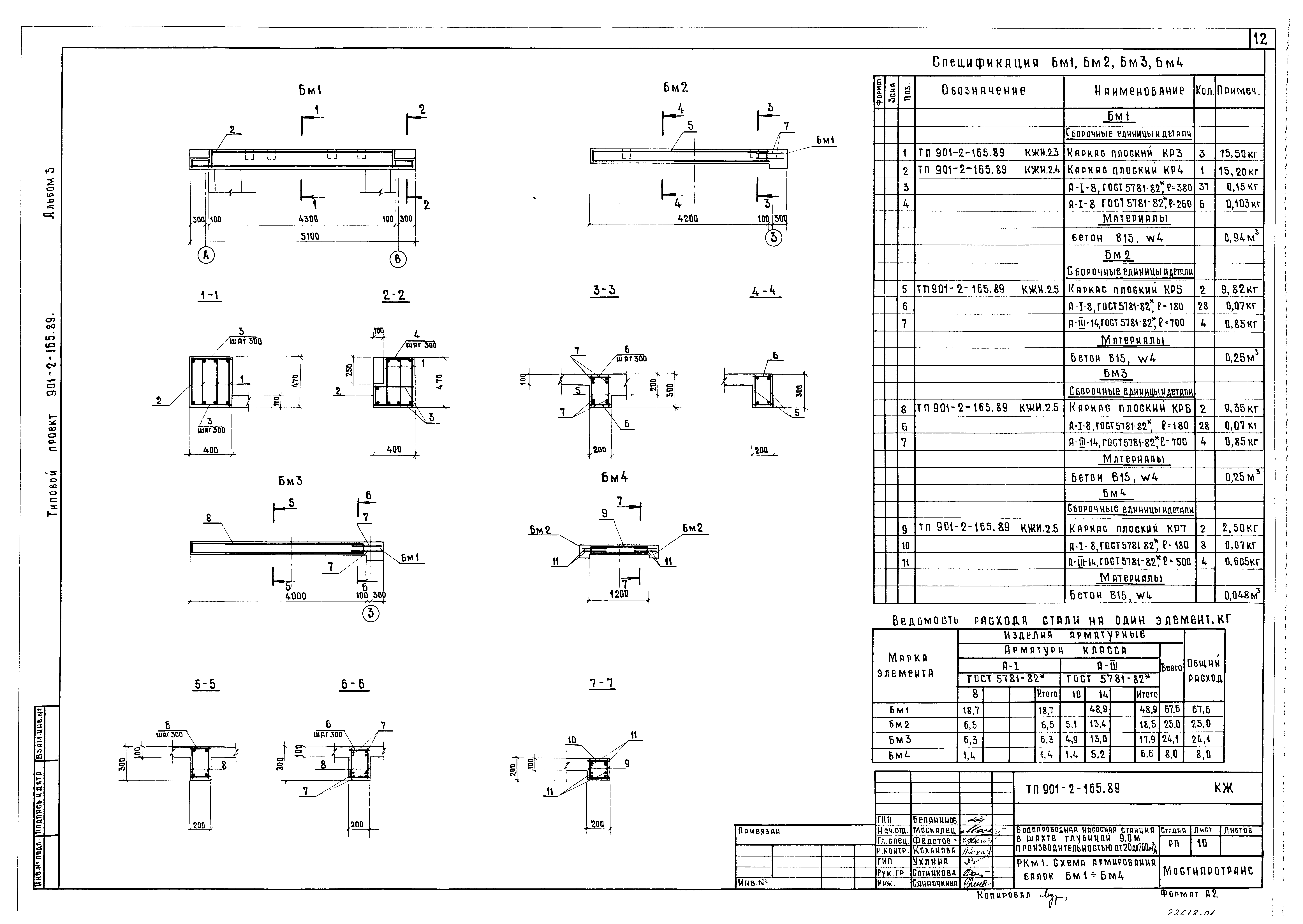
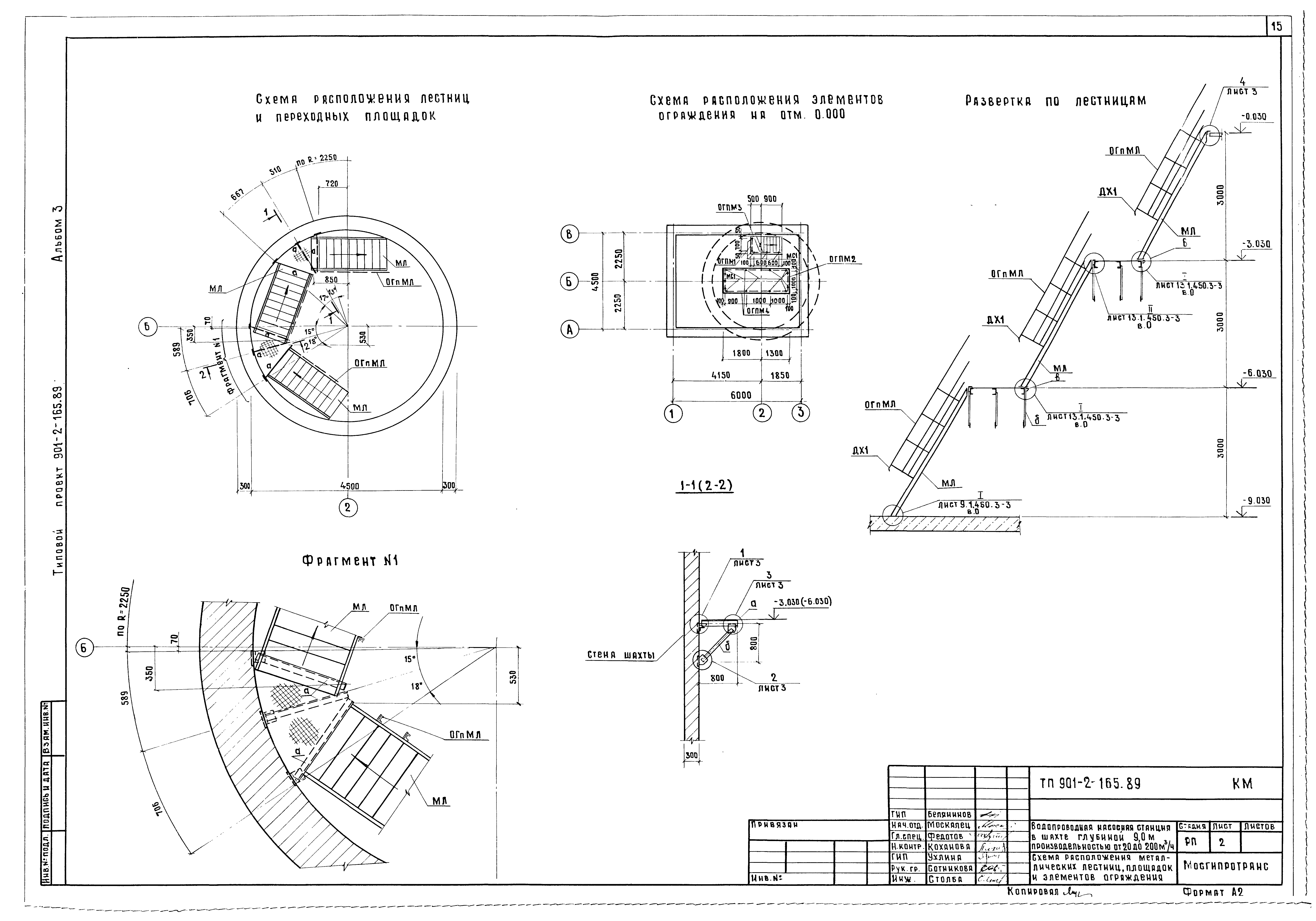
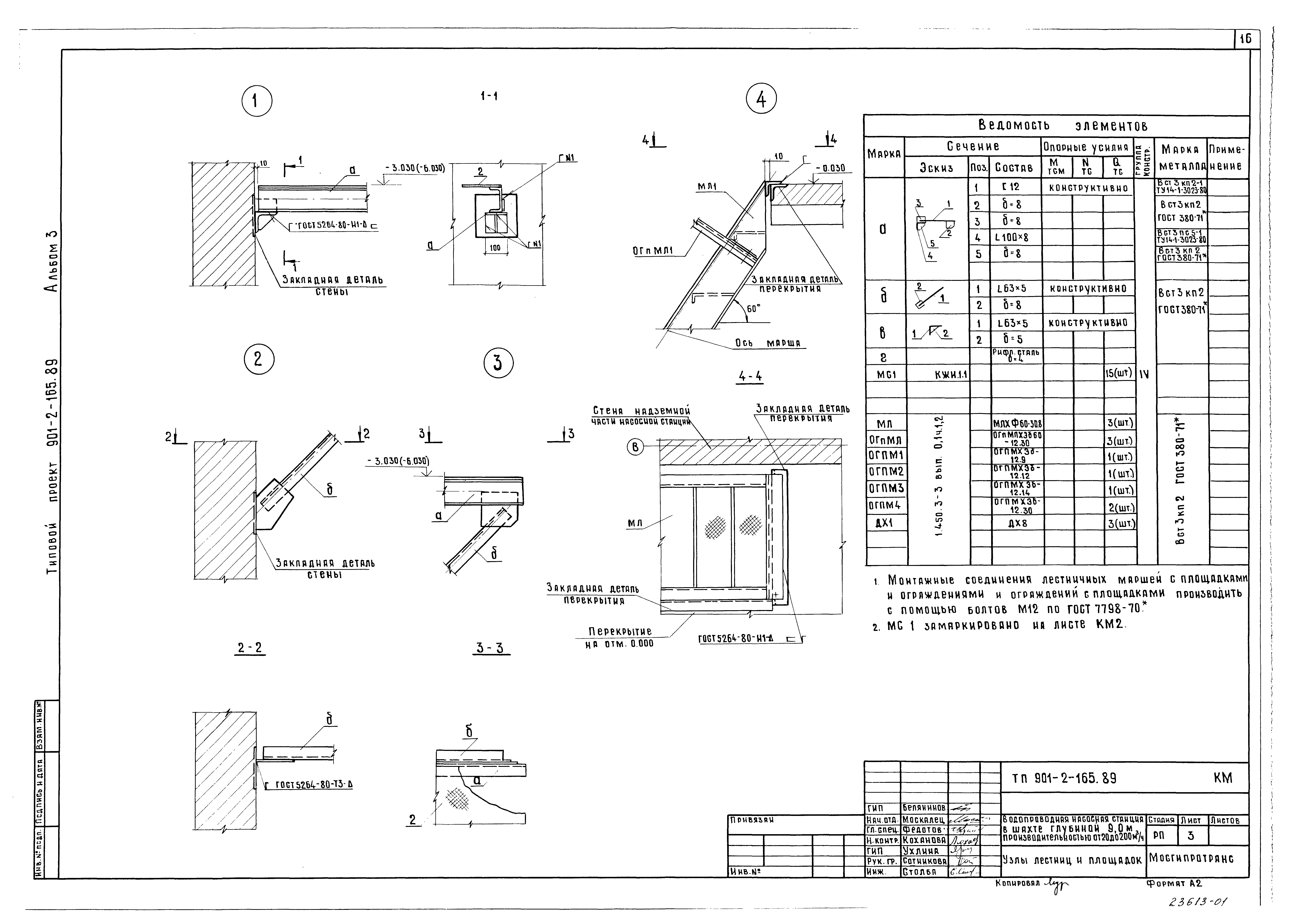
Скачать Типовой проект 901-2-165.89 Альбом 3. Подземная частьДата актуализации: 01.01.2021
|
| Обозначение: | Типовой проект 901-2-165.89 |
| Обозначение англ: | 901-2-165.89 |
| Статус: | не определен законодательством |
| Название рус.: | Альбом 3. Подземная часть |
| Дата добавления в базу: | 01.09.2013 |
| Дата актуализации: | 01.01.2021 |
| Дата введения: | 27.12.1988 |
| Дата окончания срока действия: | 30.06.2003 |
| Разработан: | Мосгипротранс |
| Утверждён: | 27.12.1988 Министерство транспортного строительства СССР (USSR Ministry of Transport Construction ГА-968) |
| Издан: | ЦИТП Госстроя СССР (CITP, Gosstroy (USSR) 1988 г. ) |
| Заменяет собой: |




















