Скачать Типовой проект 907-2-264.86 Альбом 3. Световое ограждениеДата актуализации: 01.01.2021
|
| Обозначение: | Типовой проект 907-2-264.86 |
| Обозначение англ: | 907-2-264.86 |
| Статус: | не определен законодательством |
| Название рус.: | Альбом 3. Световое ограждение |
| Дата добавления в базу: | 01.09.2013 |
| Дата актуализации: | 01.01.2021 |
| Дата введения: | 09.12.1986 |
| Дата окончания срока действия: | 30.06.2003 |
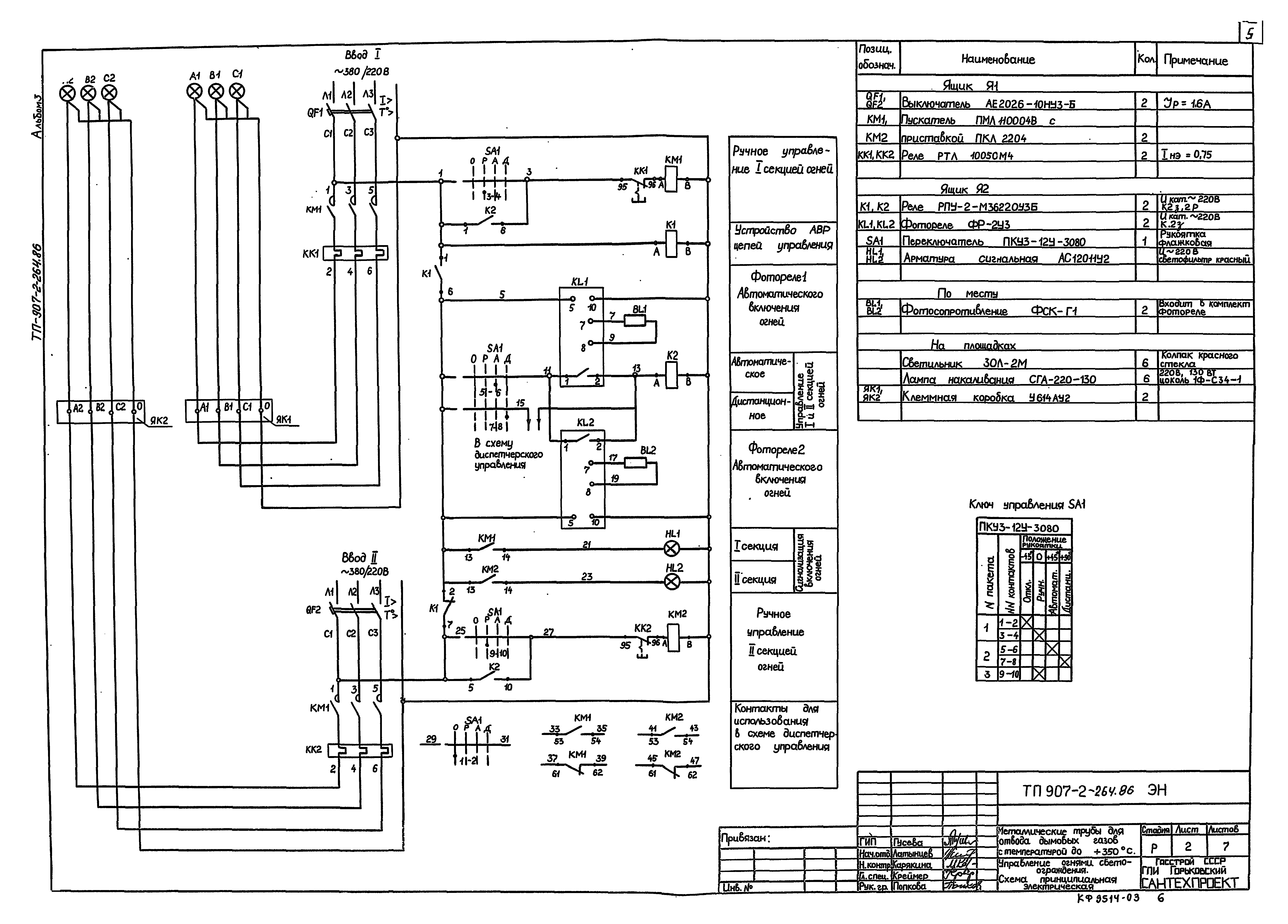
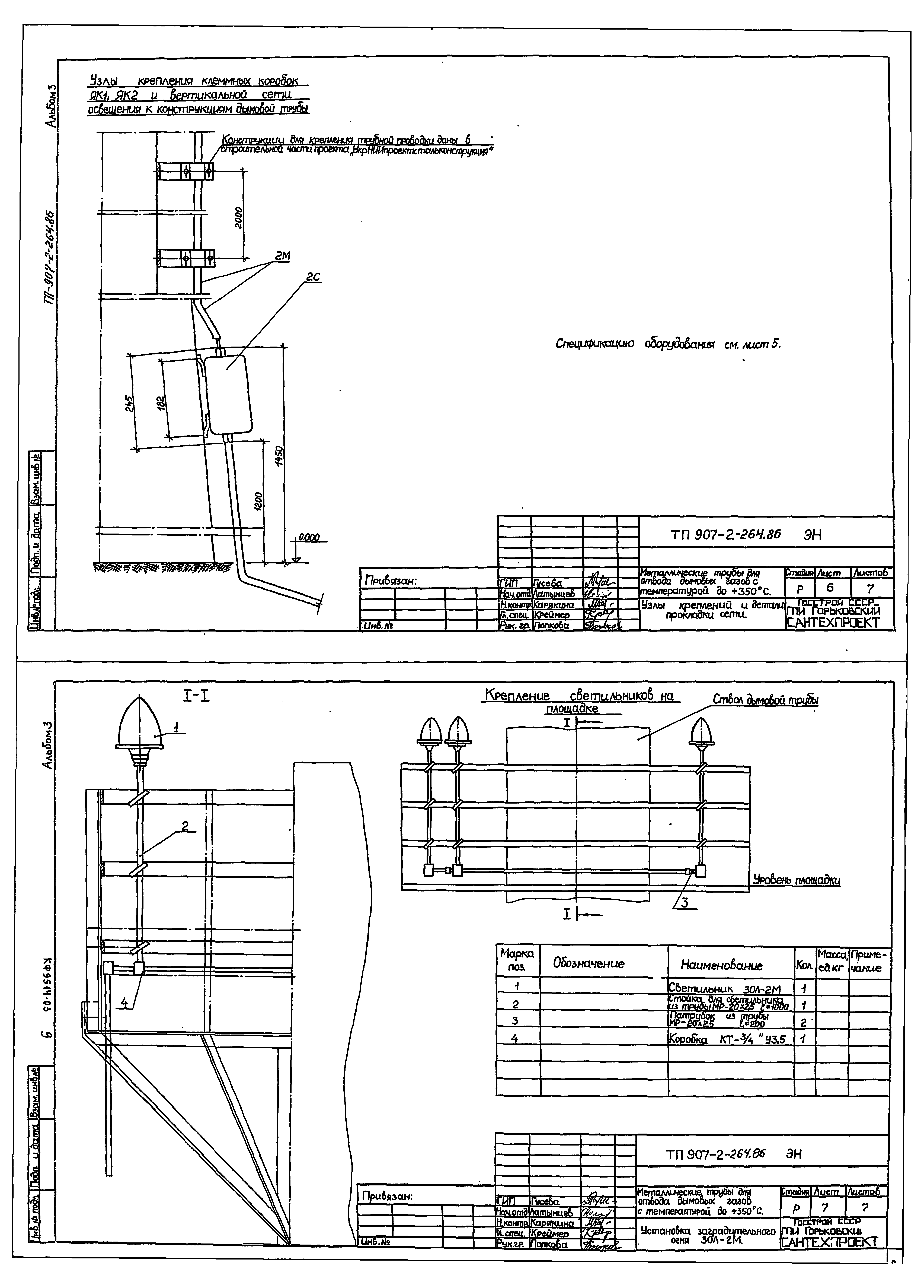
| Оглавление: | ТП 907-2-264.86 ЭН Чертежи марки ЭН ТП 907-2-264.86 ЭН Общие данные ТП 907-2-264.86 ЭН Управление огнями светоограждения. Схема принципиальная электрическая ТП 907-2-264.86 ЭН Схема подключений ТП 907-2-264.86 ЭН Кабельный журнал ТП 907-2-264.86 ЭН Расположение оборудования и осветительных сетей по трубе и на площадке ТП 907-2-264.86 ЭН Узлы креплений и детали прокладки сети ТП 907-2-264.86 ЭН Установка заградительного огня 30 л-2м ТП 907-2-264.86 ЭН Спецификации и ведомости к марке ЭН ТП 907-2-264.86 ЭН.СО Спецификация оборудования ТП 907-2-264.86 ВА Ведомость изделий и материалов для изготовления изделий МЭЗ ТП 907-2-264.86 ВБ Ведомость изделий МЭЗ ТП 907-2-264.86 ЭН.Н НКУ. Задание заводу-изготовителю (Э Н.Н) ТП 907-2-264.86 ЭН.Н НКУ. Задание заводу-изготовителю. Опись чертежей ТП 907-2-264.86 ЭН.Н Перечень комплектных устройств ТП 907-2-264.86 ЭН.Н Ящик Я1. Общий вид ТП 907-2-264.86 ЭН.Н Ящик Я1. Технические данные аппаратов ТП 907-2-264.86 ЭН.Н Ящик Я1. Перечень надписей ТП 907-2-264.86 ЭН.Н Ящик Я1. Схема электрическая соединений ТП 907-2-264.86 ЭН.Н Ящик Я2. Общий вид ТП 907-2-264.86 ЭН.Н Ящик Я2. Технические данные аппаратов ТП 907-2-264.86 ЭН.Н Ящик Я2. Перечень надписей ТП 907-2-264.86 ЭН.Н Ящик Я2. Схема электрическая соединений |
| Разработан: | Горьковский Сантехпроект |
| Утверждён: | 03.11.1986 Госстрой СССР (Государственный комитет Совета Министров СССР по делам строительства) (USSR Gosstroy 61) |












