Скачать Серия 3.503.9-110.93 Выпуск 2. Пролетные строения Lp=42 м, габариты Г-10 и Г-11,5. Чертежи КМДата актуализации: 01.01.2021 Серия 3.503.9-110.93
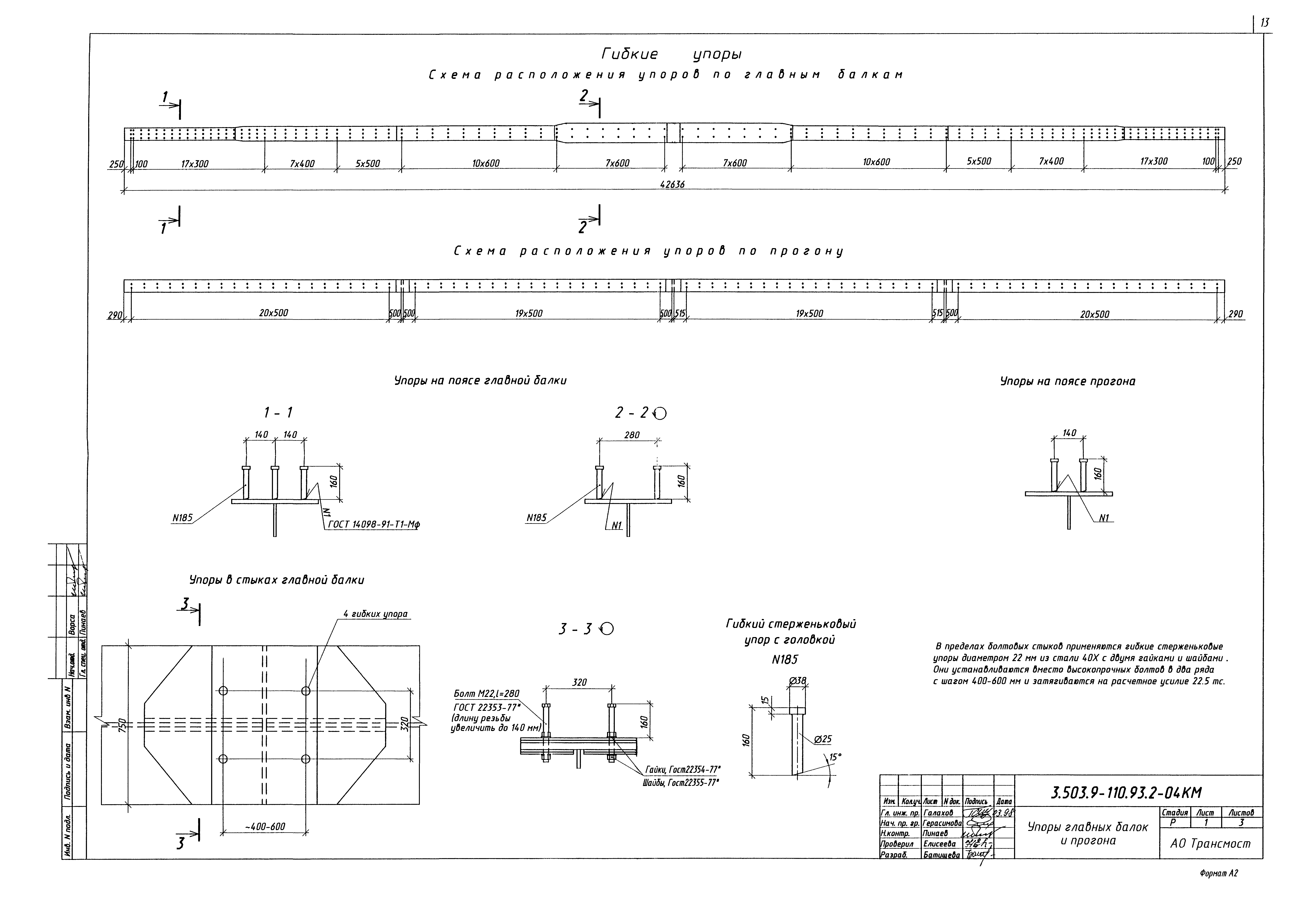
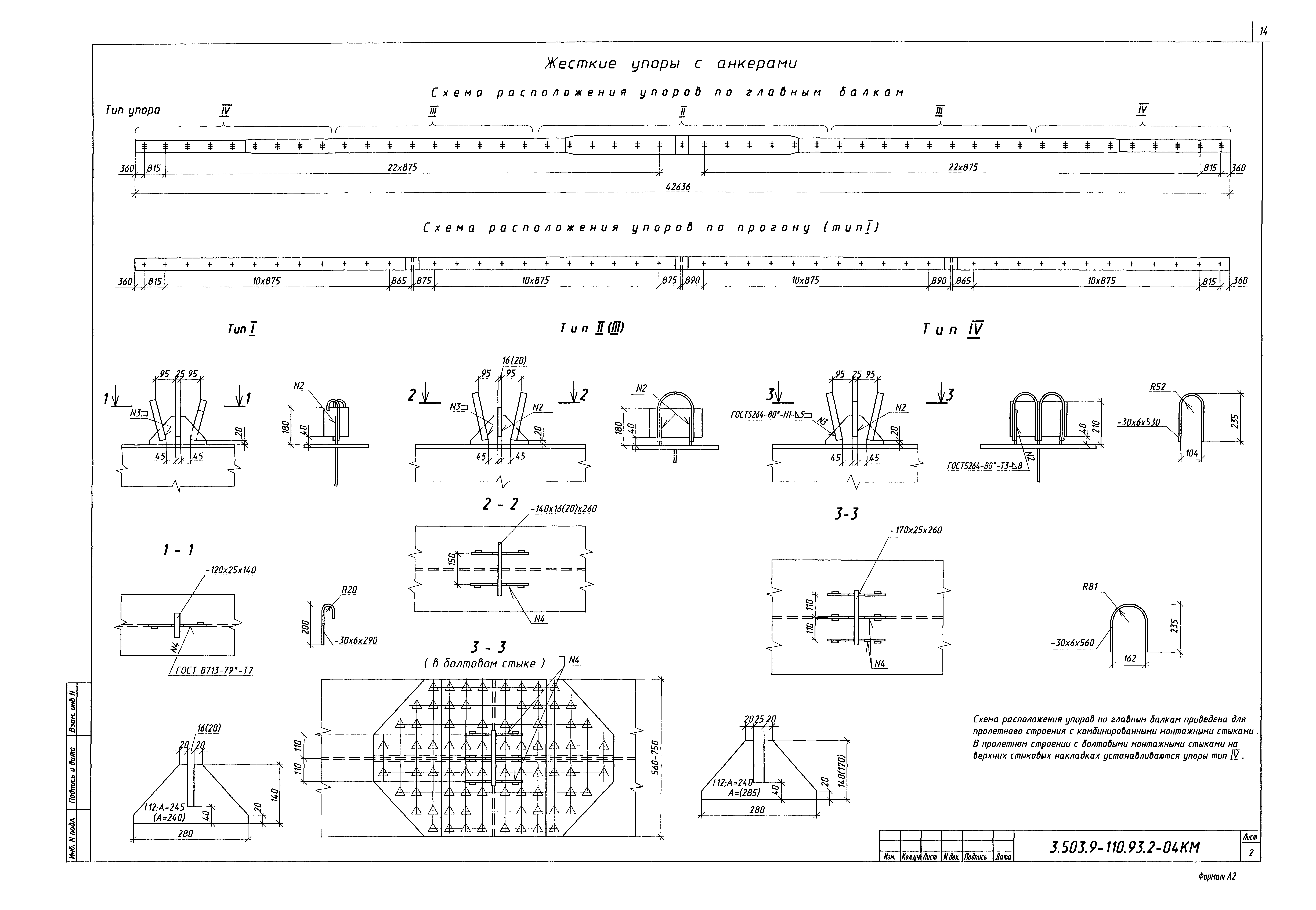
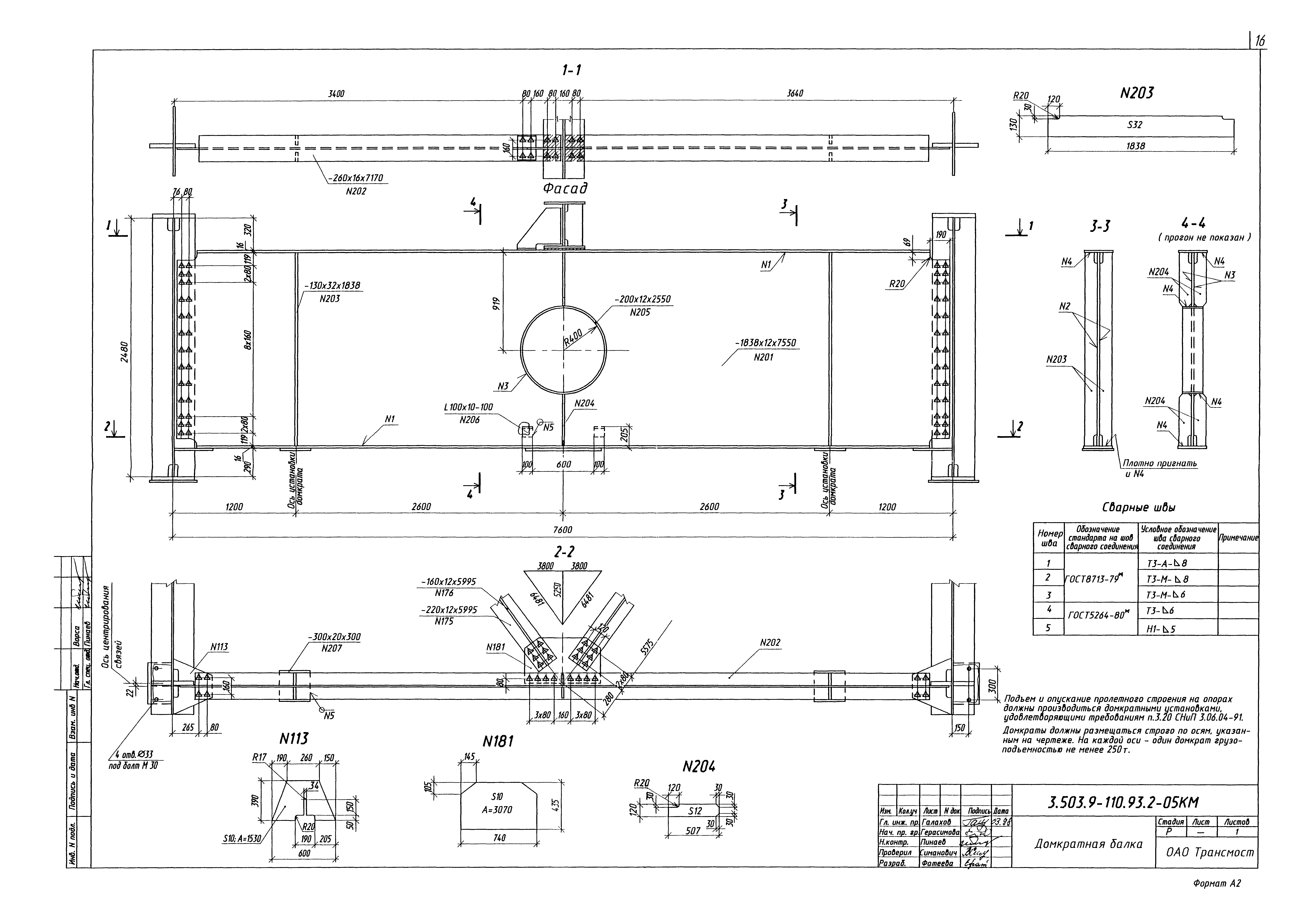
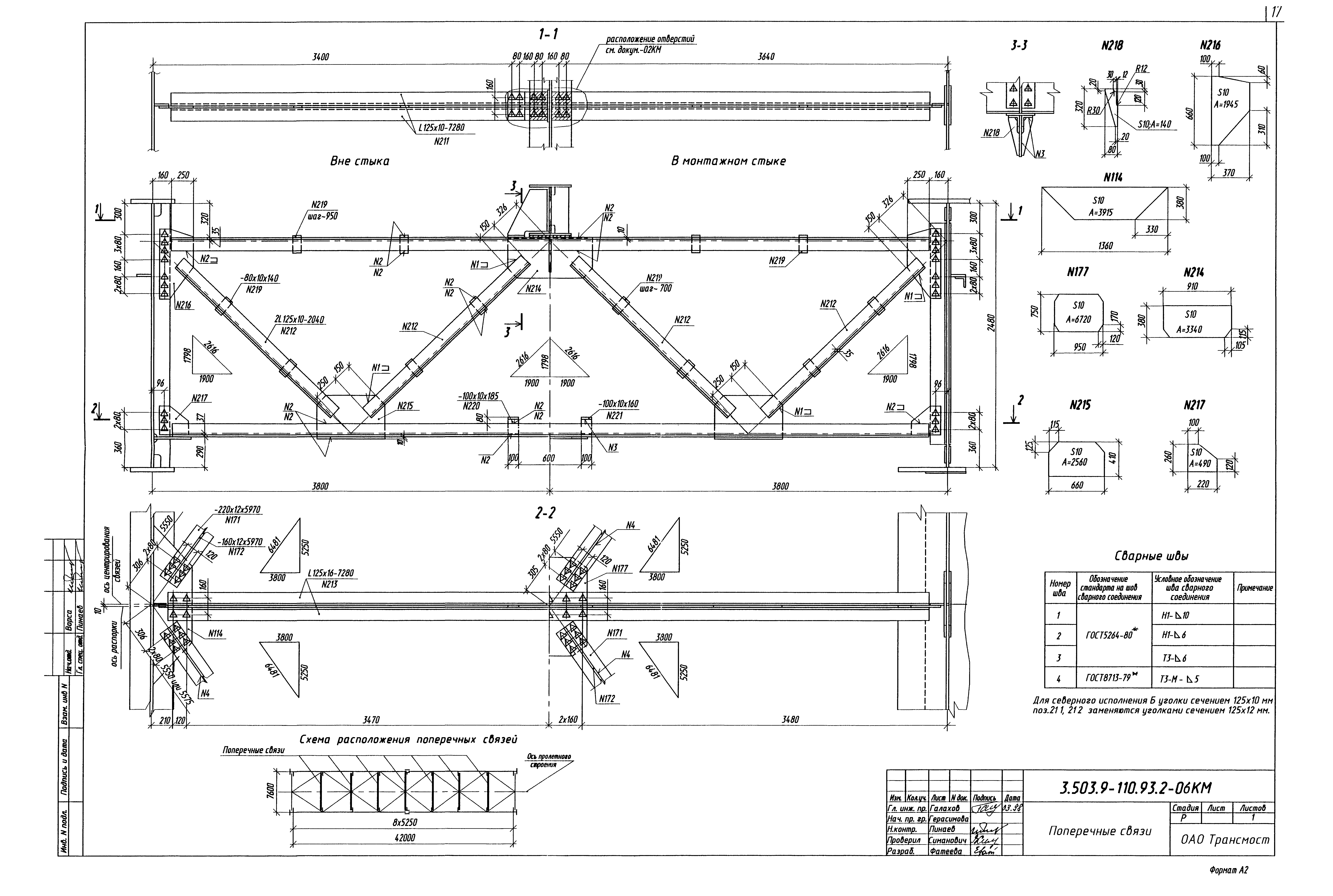
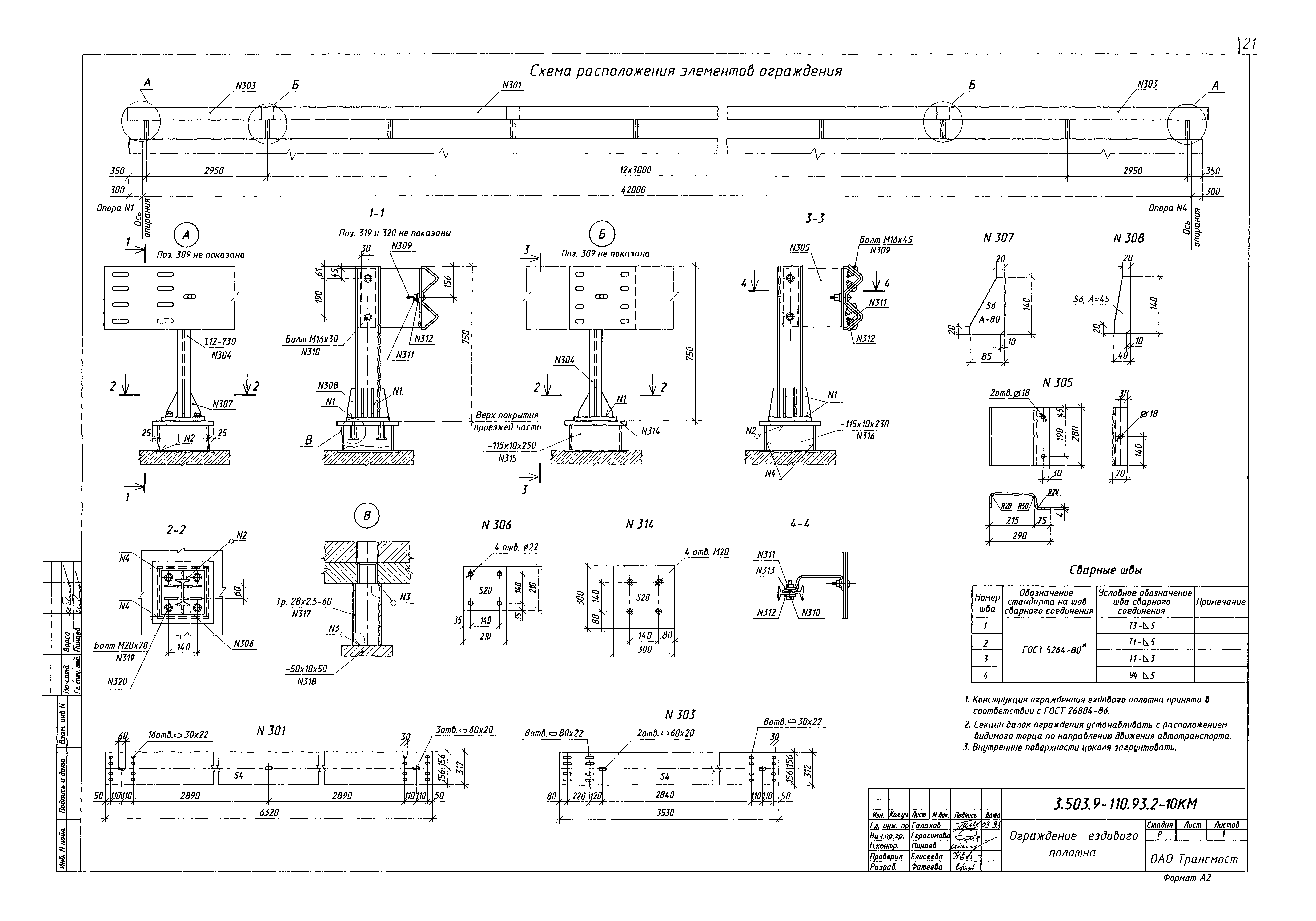
Выпуск 2. Пролетные строения Lp=42 м, габариты Г-10 и Г-11,5. Чертежи КМ| Обозначение: | Серия 3.503.9-110.93 | | Обозначение англ: | Series 3.503.9-110.93 | | Статус: | не определен законодательством | | Название рус.: | Выпуск 2. Пролетные строения Lp=42 м, габариты Г-10 и Г-11,5. Чертежи КМ | | Дата добавления в базу: | 01.09.2013 | | Дата актуализации: | 01.01.2021 | | Дата введения: | 01.09.1998 | | Дата окончания срока действия: | 30.06.2003 | | Область применения: | Пролетное строение Lp=42 м под габариты Г-10 и Г-11, 5 предназначено для установки на мостах автомобильных дорог III и II категории, соответственно, расположенных в плане на прямых участках, и может устанавливаться в профиле на площадках, уклонах и выпуклых кривых радиусом 10000 и 15000 м при расчетной сейсмичности не выше 6 баллов | | Разработан: | ОАО Трансмост
| | Утверждён: | 23.06.1998 ФДС России (Russian Federation FDS 72)
| | Заменяет собой: | |
                                 
|