Скачать Серия 3.503.9-110.93 Выпуск 3. Пролетное строение Lp=42х3, габарит Г-8. Чертежи КМДата актуализации: 01.01.2021 Серия 3.503.9-110.93
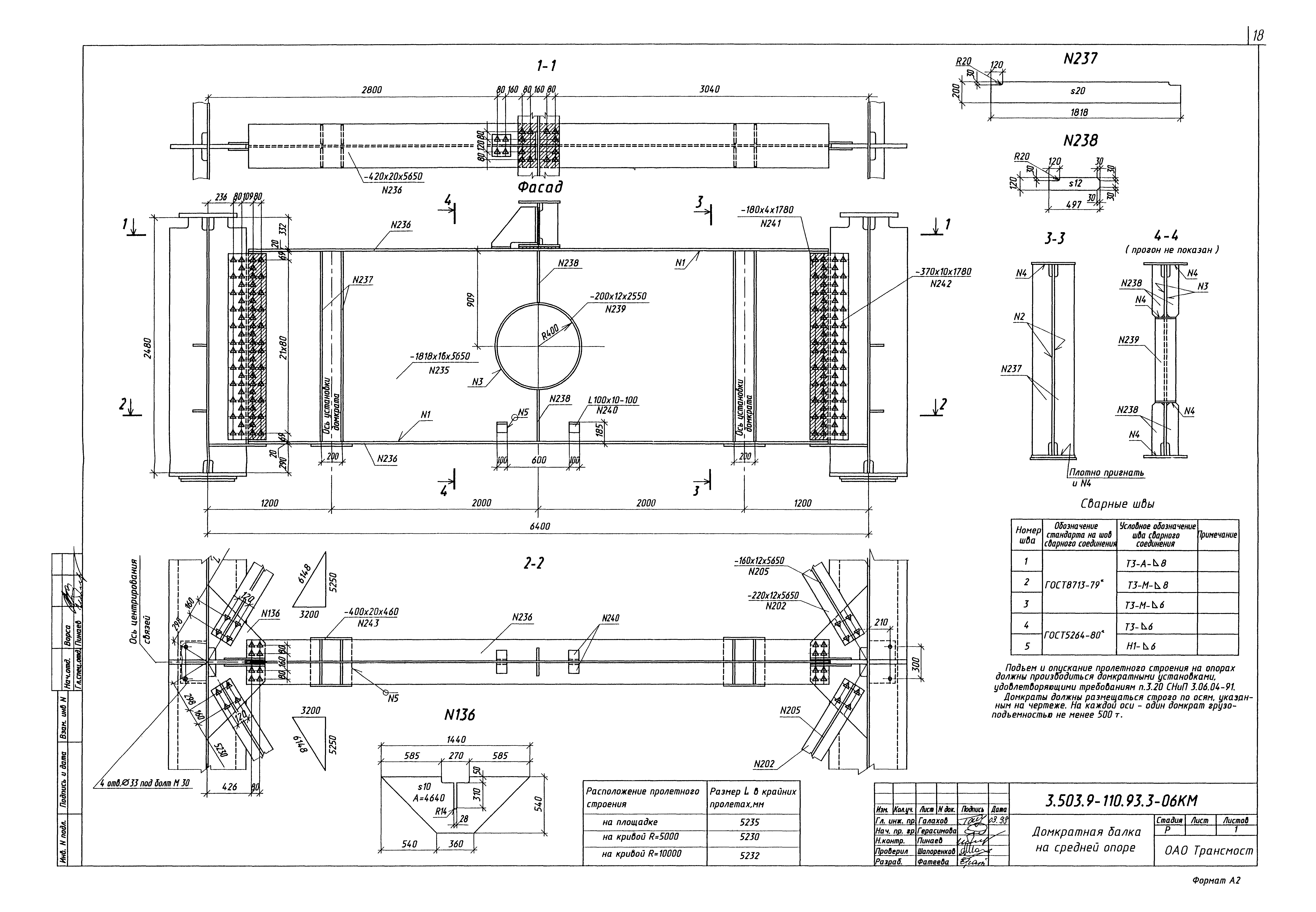
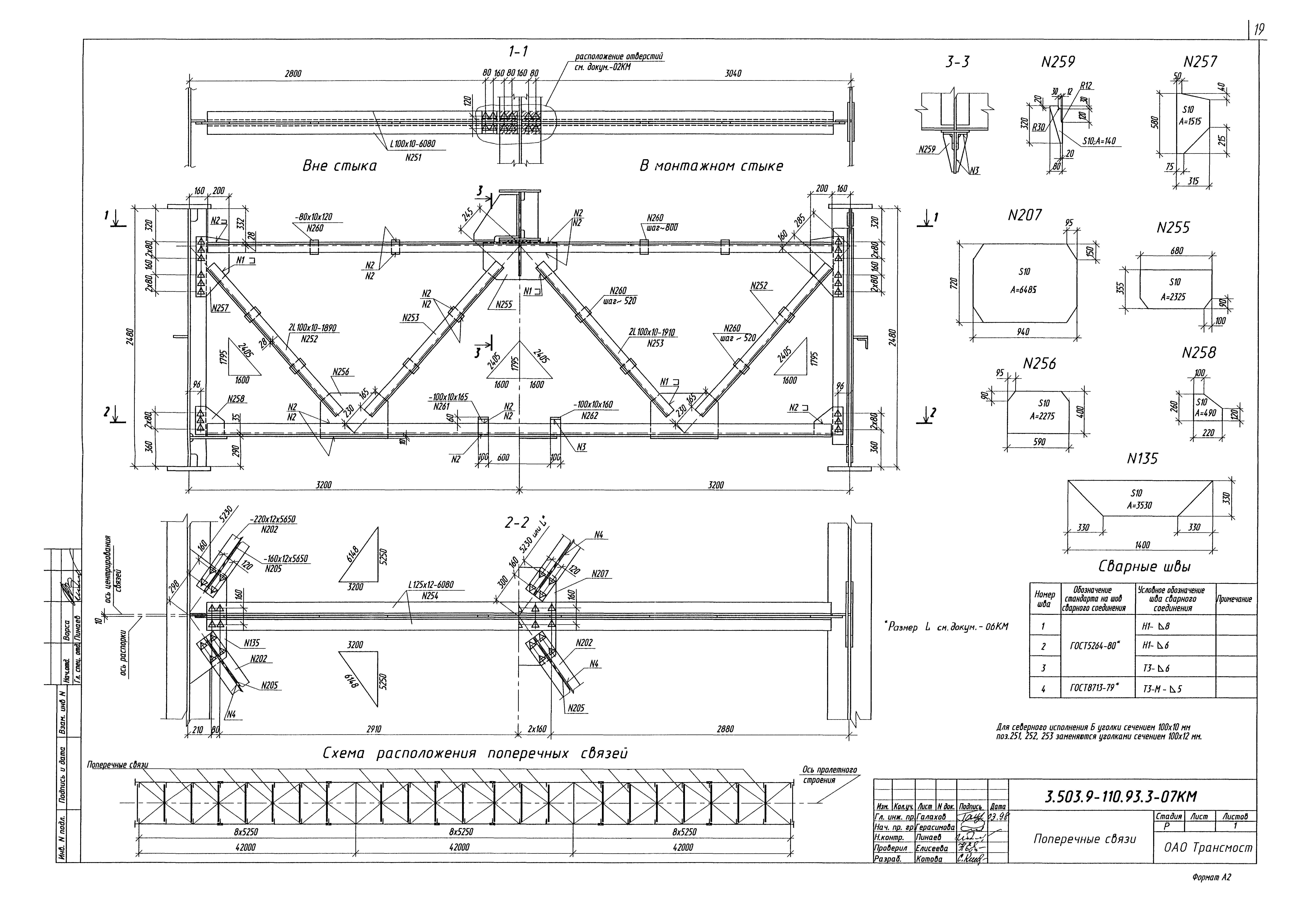
Выпуск 3. Пролетное строение Lp=42х3, габарит Г-8. Чертежи КМ| Обозначение: | Серия 3.503.9-110.93 | | Обозначение англ: | Series 3.503.9-110.93 | | Статус: | не определен законодательством | | Название рус.: | Выпуск 3. Пролетное строение Lp=42х3, габарит Г-8. Чертежи КМ | | Дата добавления в базу: | 01.09.2013 | | Дата актуализации: | 01.01.2021 | | Дата введения: | 01.09.1998 | | Дата окончания срока действия: | 30.06.2003 | | Область применения: | Пролетное строение Lp=3х42 м под габарит Г-8 предназначено для установки на мостах автомобильных дорог IV категории, расположенных в плане на прямых участках, и может устанавливаться в профиле на площадках, уклонах и выпуклых кривых радиусом 5000 и 10000 м при расчетной сейсмичности не выше 6 баллов | | Разработан: | ОАО Трансмост
| | Утверждён: | 23.06.1998 ФДС России (Russian Federation FDS 72)
| | Заменяет собой: | |
                                    
|