Скачать Единые нормы времени на ремонт бурового оборудования и инструментаДата актуализации: 01.01.2021
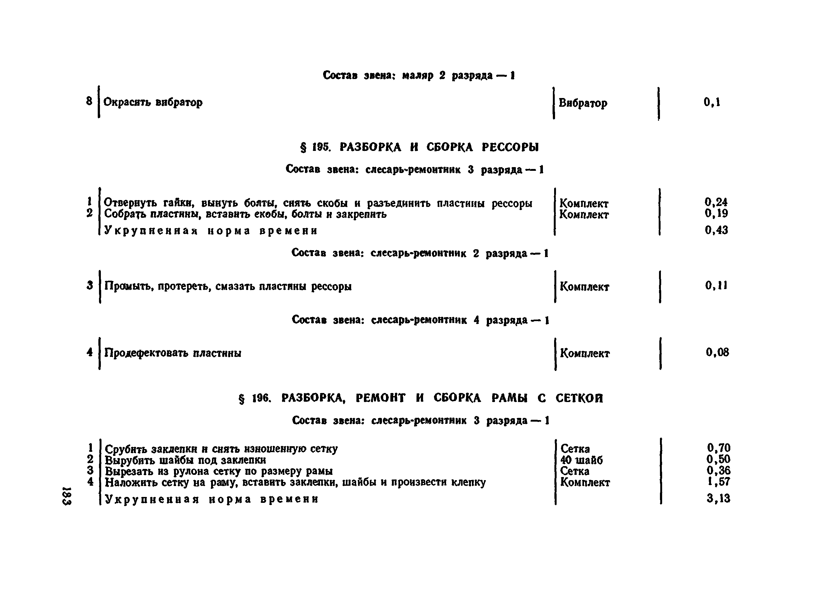
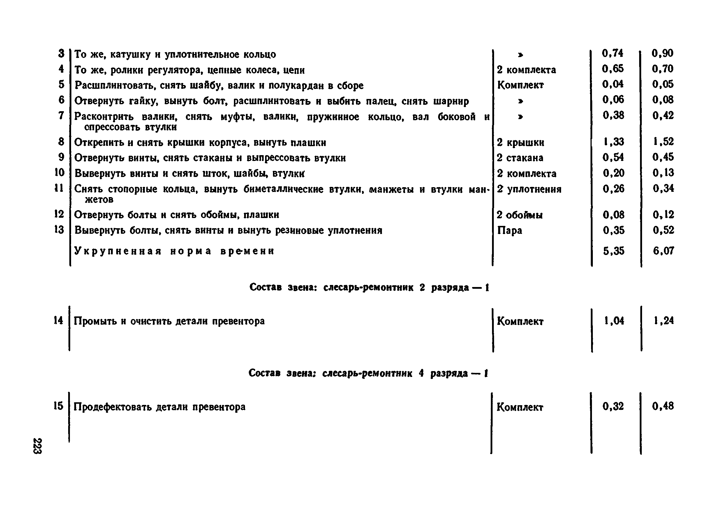
Единые нормы времени на ремонт бурового оборудования и инструмента| Статус: | отменен в рф | | Название рус.: | Единые нормы времени на ремонт бурового оборудования и инструмента | | Дата добавления в базу: | 01.09.2013 | | Дата актуализации: | 01.01.2021 | | Дата введения: | 05.09.1984 | | Дата окончания срока действия: | 25.06.2020 | | Область применения: | Сборник содержит нормы времени на разборку и сборку буровых и вспомогательных лебедок, гидравлических тормозов, оборудования привода буровых установок, роторов, буровых и шламовых насосов, кронблоков, талевых блоков, крюков и крюкоблоков, вертлюгов, компрессоров, оборудования для приготовления глинистого раствора, гидравлических домкратов, подвесных пневматических ключей, бурового инструмента, противовыбросового оборудования, наземных спуско-подъемных приспособлений, тяжеловозов | | Оглавление: | Общая часть Нормативная часть Раздел I. Буровые и вспомогательные лебедки Раздел II. Гидравлические тормоза Раздел III. Оборудование привода буровых установок Раздел IV. Роторы Раздел V. Буровые и шламовые насосы Раздел VI. Кронблоки У3-200-2, КБ5-185Бр, КБН7-300, БУ-75, БУ-80, УЗ-125 Раздел VII. Талевые блоки Раздел VIII. Крюки и крюкоблоки Раздел IX. Вертлюги БУ-75, БУ-80, ШВ-14-160, ШВ-15-300, У6-ШВ14-160М, ШВ-15-250, УВ-250 Раздел X. Компрессоры Раздел XI. Оборудование для приготовления глинистого раствора Раздел XII. Оборудование для очистки глинистого раствора Раздел XIII. Гидравлические домкраты ГД-1-300, ГД-2-300 Раздел XIV. Подвесные пневматические ключи ПБК-1, ПБК-3, ПБК-4 Раздел XV. Стационарные буровые пневматические ключи АКБ-3, АКБ-3М, АКБ-3М2 Раздел XVI. Ремонт бурового инструмента Раздел XVII. Противовыбросовое оборудование Раздел XVIII. Наземные спуско-подъемные приспособления Раздел XIX. Тяжеловозы ТК-40, ТГ-60, ТГТ-30М; тележка "Восток-20" Раздел XX. Комплекс механизмов типа "АСП-3" Раздел XXI. Прочее оборудование Приложение 1. Таблица перевода минут в доли часа Приложение 2. Таблица перевода долей часа в минуты | | Разработан: | Центральная нормативно-исследовательская станция ПО Туркменнефть Министерства нефтяной промышленности
| | Утверждён: | 05.09.1984 Гос. комитет СССР по труду и социальным вопросам (258/16-67)
| | Издан: | ЦНИИ труда (1985 г. )
|
                                                                                                                                                                                                                                                                                        
|