Скачать Типовой проект 708-75.93 Альбом 7. Строительные изделияДата актуализации: 01.01.2021
|
| Обозначение: | Типовой проект 708-75.93 |
| Обозначение англ: | 708-75.93 |
| Статус: | не определен законодательством |
| Название рус.: | Альбом 7. Строительные изделия |
| Дата добавления в базу: | 01.09.2013 |
| Дата актуализации: | 01.01.2021 |
| Дата введения: | 06.12.1993 |
| Дата окончания срока действия: | 30.06.2003 |
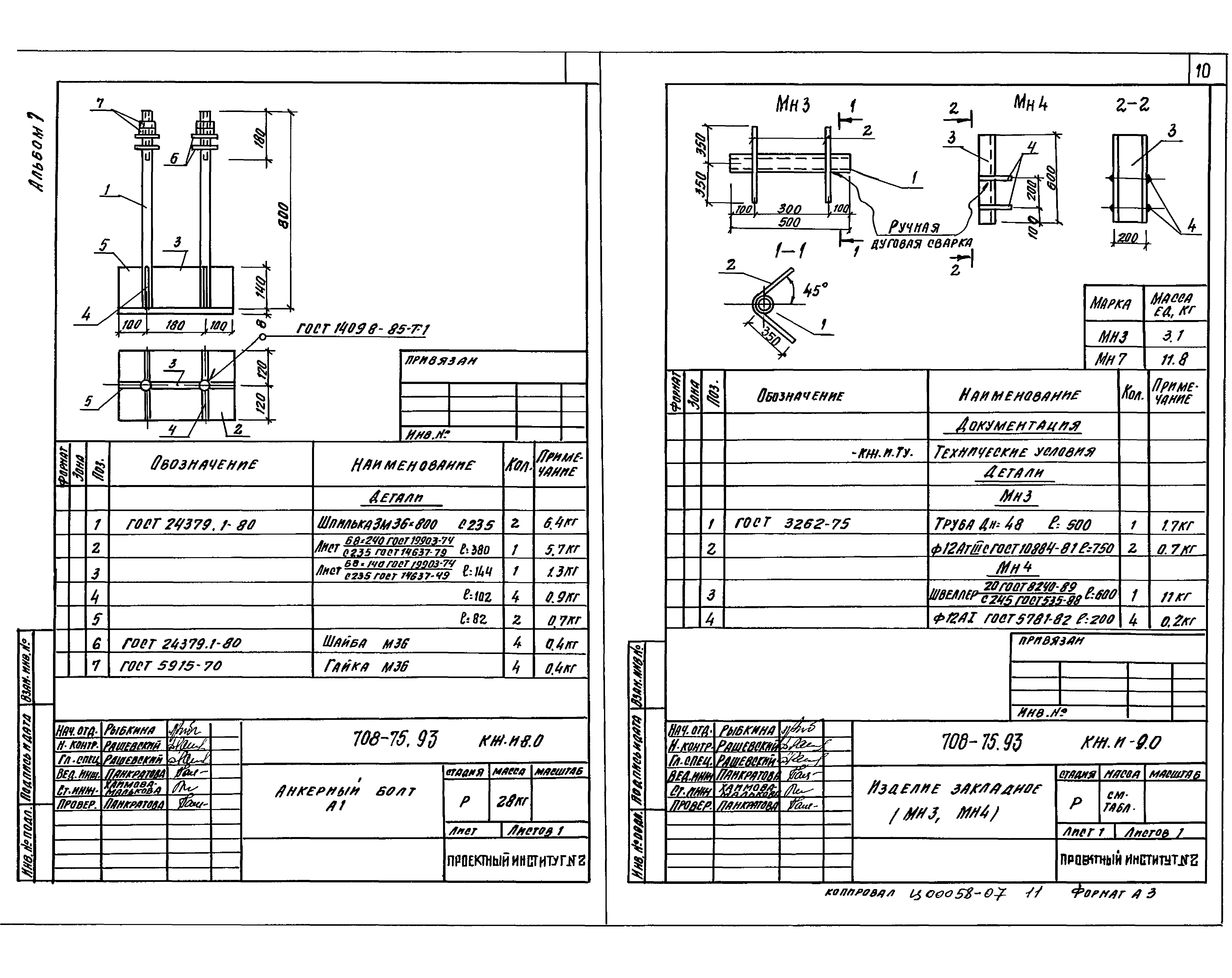
| Оглавление: | Содержание 708-75.93 КЖ.И.-ТУ1 Технические условия на изготовление арматурных и закладных изделий 708-75.93 КЖ.И.-1.0 Изделие закладное МН1 708-75.93 КЖ.И.-2.0 Фундамент Ф1 708-75.93 КЖ.И.-3.0 Колонна К1 708-75.93 КЖ.И.-4.0 Плита (ПР60.15-6АтV-а; ПР60.15-6АтV-б) 708-75.93 КЖ.И.-5.0 Стеновая панель (7ПСО 30.33.3.5-а; ПСЛ 30.33.3.5-а) 708-75.93 КЖ.И.-6.0 Рама стальная РС1 708-75.93 КЖ.И.-7.0 Изделие соединительное МС1. Изделие закладное МН2 708-75.93 КЖ.И.-8.0 Анкерный болт А1 708-75.93 КЖ.И.-9.0 Изделие закладное (МН3;МН4) 708-75.93 КЖ.И.-10.0 Анкерный блок (А2,А3) 708-75.93 КЖ.И.-11.0 Каркас пространственный (КП1;КП2) 708-75.93 КЖ.И.-12.0 Сетки арматурные (С1…С7) |
| Разработан: | Проектный институт №2 |
| Утверждён: | 30.11.1993 Главпроект Госстроя России (9-3-1/254) |













