Скачать Альбом I. Пояснительная записка. Чертежи общих видов опор ВЛ. Металлические конструкции КМ и КМДДата актуализации: 01.01.2021
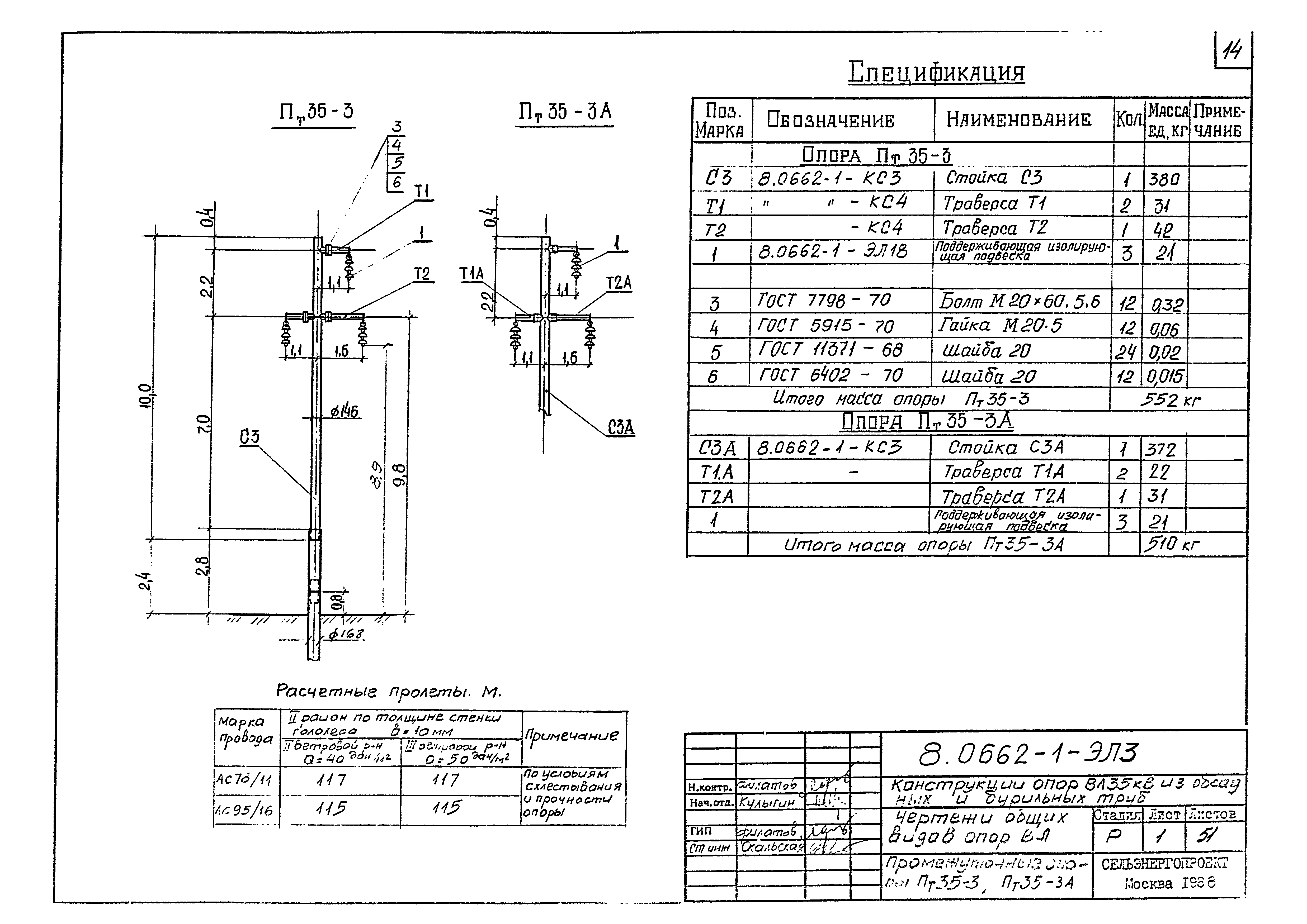
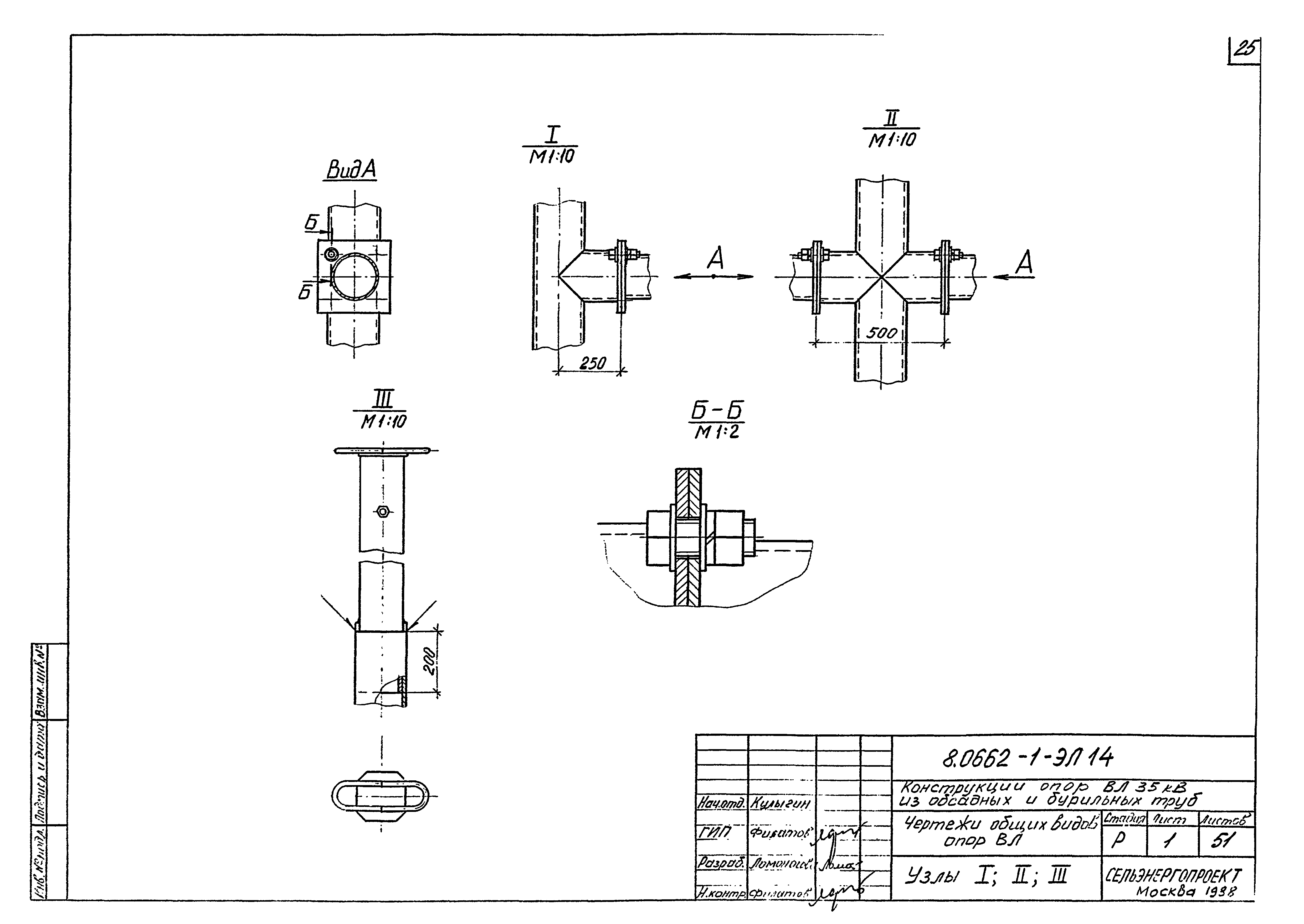
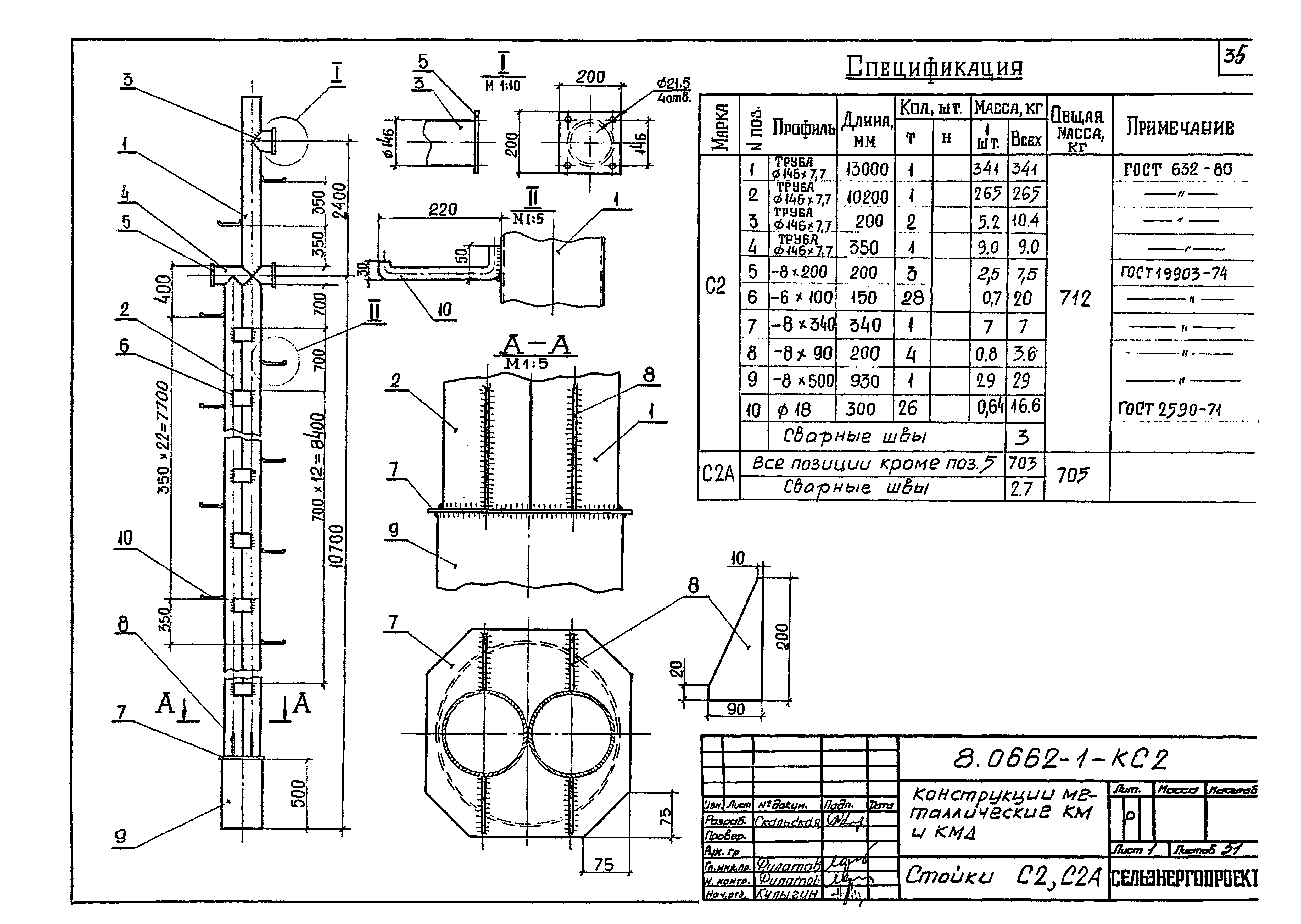
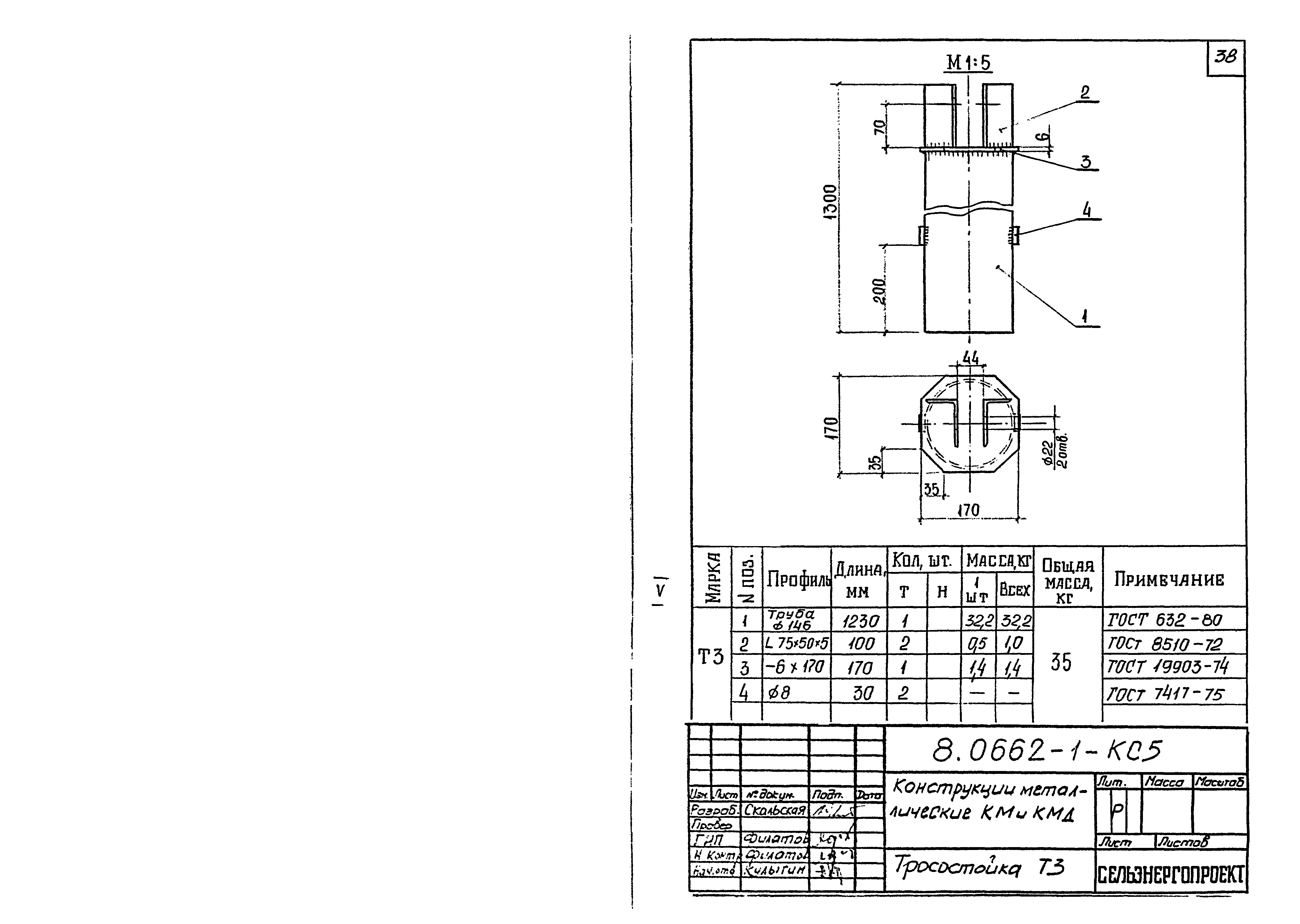
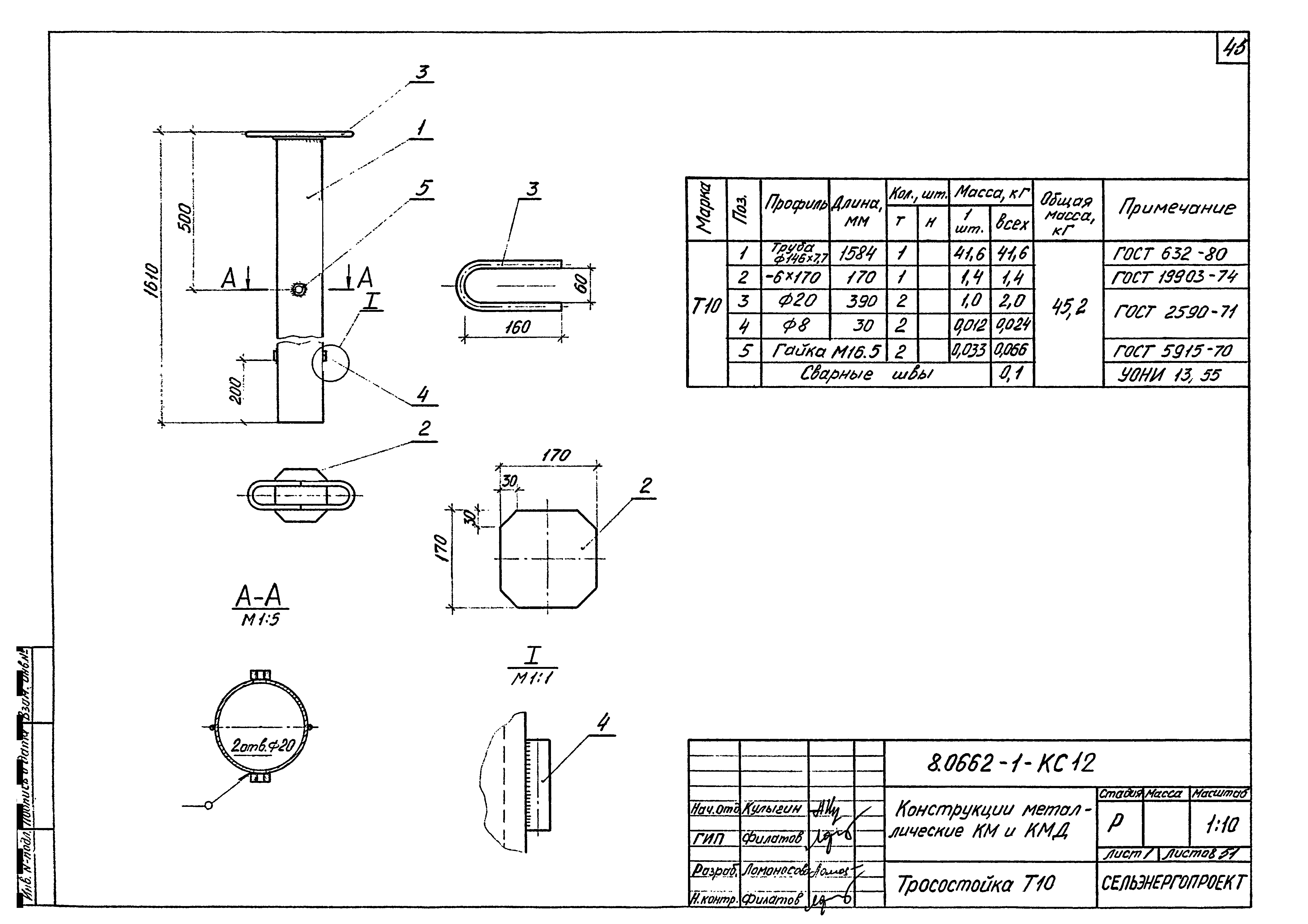
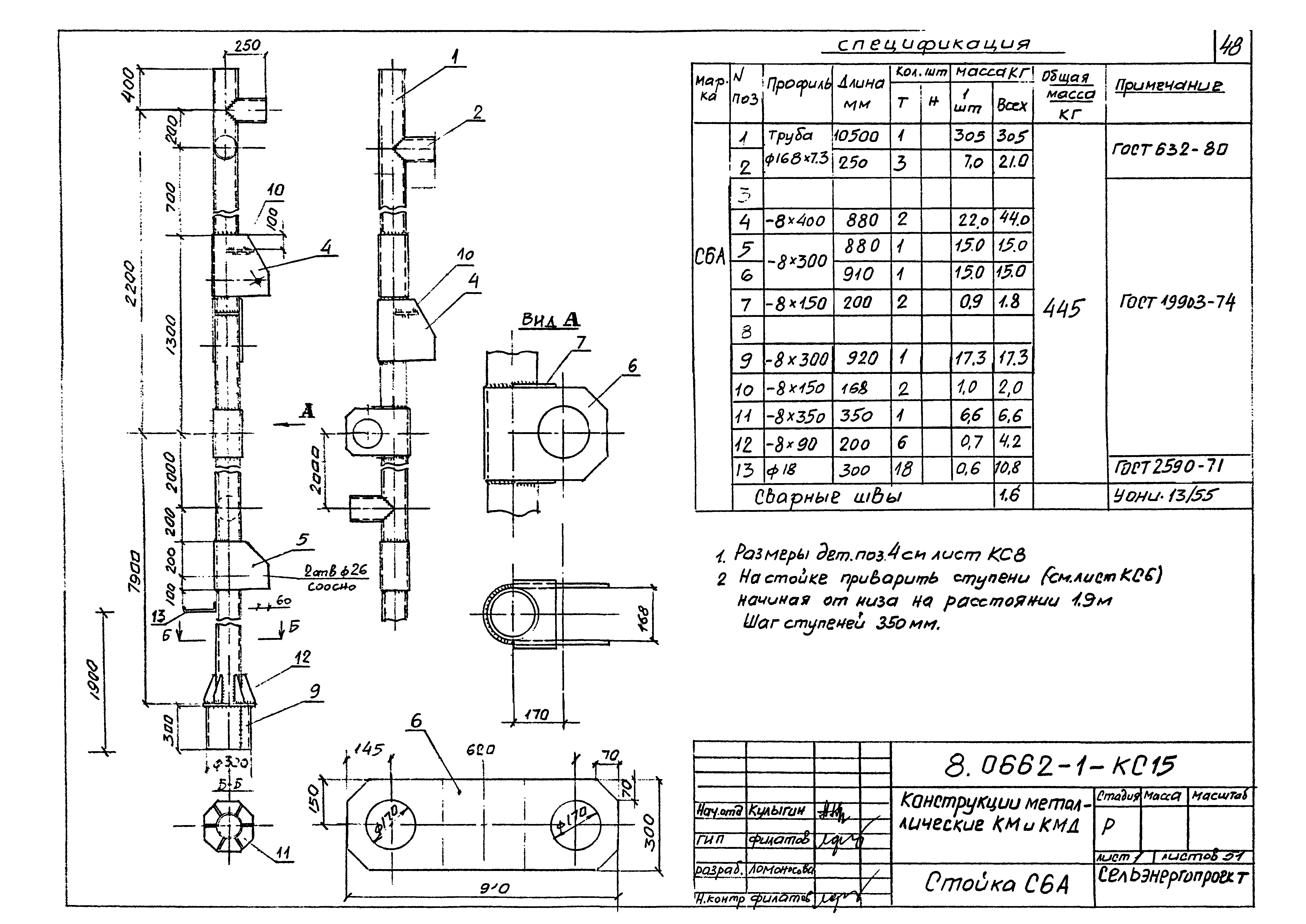
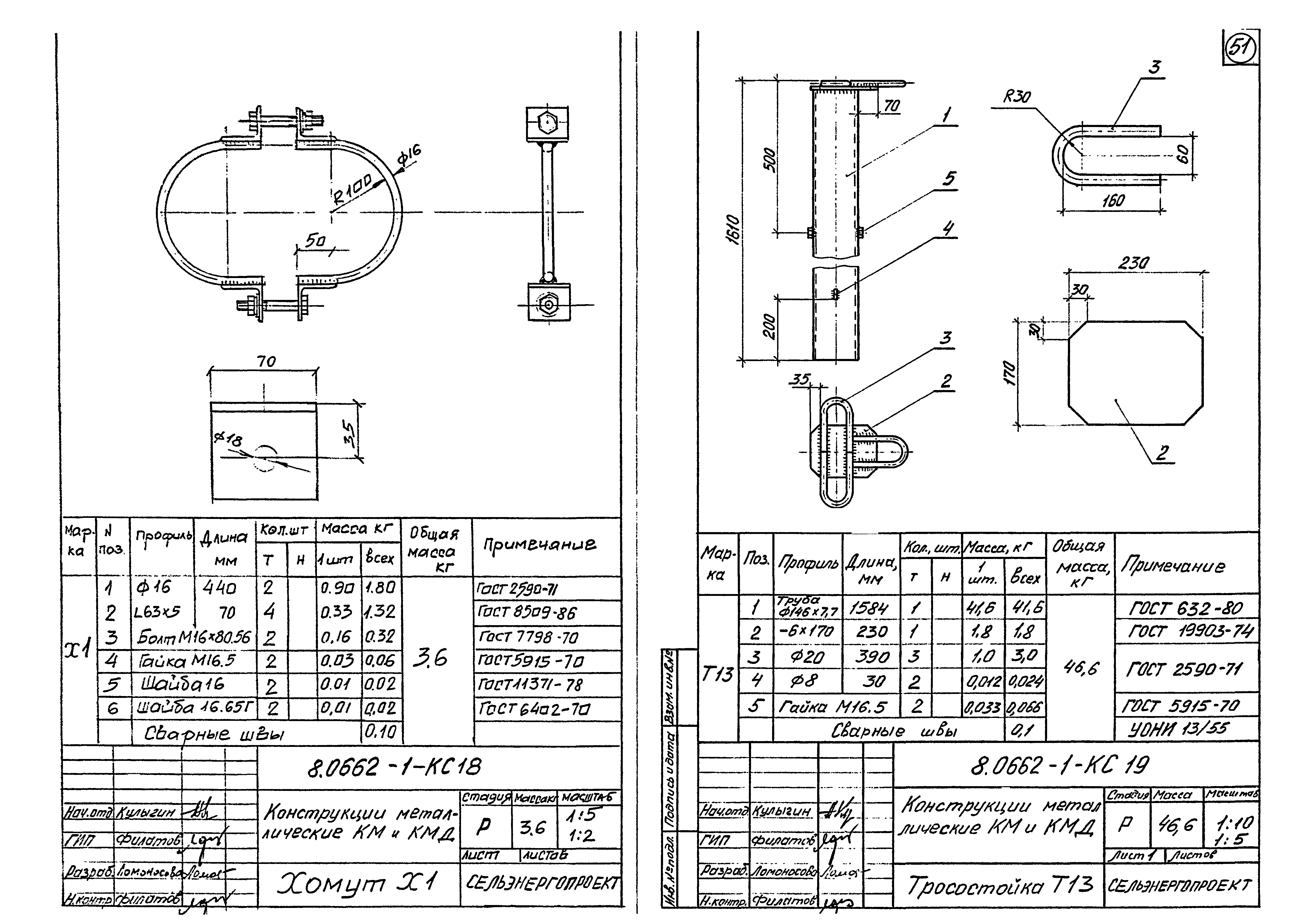
Альбом I. Пояснительная записка. Чертежи общих видов опор ВЛ. Металлические конструкции КМ и КМД| Статус: | не определен законодательством | | Название рус.: | Альбом I. Пояснительная записка. Чертежи общих видов опор ВЛ. Металлические конструкции КМ и КМД | | Дата добавления в базу: | 01.09.2013 | | Дата актуализации: | 01.01.2021 | | Дата введения: | 01.01.1988 | | Дата окончания срока действия: | 30.06.2003 | | Оглавление: | 8.0662-1-ПЗ Пояснительная записка 8.0662-1-ПЗ Общая часть 8.0662-1-ПЗ Область применения, материалы 8.0662-1-ПЗ Конструкция опор ВЛ 35 кВ 8.0662-1-ПЗ Закрепление опор в грунте 8.0662-1-ПЗ Провода, расчетные пролеты, изоляторы 8.0662-1-ПЗ Заземление опор 8.0662-1-ПЗ Защита от коррозии 8.0662-1-ПЗ Рекомендации по повышению надежности строительной части ВЛ 35 кВ 8.0662-1-ПЗ Графики f (f, z) Чертежи общих видов опор 8.0662-1-ЭЛ0 Схемы опор 8.0662-1-ЭЛ1 Промежуточные опоры Пт35-1, Пт35-1А 8.0662-1-ЭЛ2 Промежуточные опоры Пт35-2, Пт35-2А 8.0662-1-ЭЛ3 Промежуточные опоры Пт35-3, Пт35-3А 8.0662-1-ЭЛ4 Концевые опоры Кт35-1, Кт35-1т 8.0662-1-ЭЛ5 Концевые опоры Кт35-1А, Кт35-1тА 8.0662-1-ЭЛ6 Угловые анкерные опоры УАт35-1, УАт35-1т 8.0662-1-ЭЛ7 Угловые анкерные опоры УАт35-1А, УАт35-1тА 8.0662-1-ЭЛ8 Анкерная угловая ответвительная опора АУОт35-1 8.0662-1-ЭЛ9 Анкерная угловая ответвительная опора АУОт35-1А 8.0662-1-ЭЛ10 Промежуточные повышенные опоры ППт35-1, ППт35-1А 8.0662-1-ЭЛ11 Промежуточные повышенные опоры ППт35-2, ППт35-2А 8.0662-1-ЭЛ12 Концевые повышенные опоры ПКт35-1, ПКт35-1т 8.0662-1-ЭЛ13 Угловые анкерные повышенные опоры ПУАт35-1, ПУАт35-1т 8.0662-1-ЭЛ14 Узлы 1, 2, 3 8.0662-1-ЭЛ15 Узлы 4, 5 8.0662-1-ЭЛ16 Узлы 7, 8 8.0662-1-ЭЛ17 Узлы 9, 10, 11, 12 8.0662-1-ЭЛ18 Поддерживающие изолирующие подвески для проводов до АС120 8.0662-1-ЭЛ19 Натяжные изолирующие подвески для проводов до АС120 8.0662-1-ЭЛ20 Натяжная изолирующая подвеска для троса С35 8.0662-1-ЭЛ21 Поддерживающая подвеска для троса С35 Конструкции металлические КМ и КМД 8.0662-1-КС1 Стойки С1, С1А 8.0662-1-КС2 Стойки С2, С2А 8.0662-1-КС3 Стойки С3, С3А 8.0662-1-КС4 Траверсы Т1, Т2, Т1А, Т2А 8.0662-1-КС5 Тросостойка Т3 8.0662-1-КС6 Стойка С4 8.0662-1-КС7 Стойка С4А 8.0662-1-КС8 Стойка С5 8.0662-1-КС9 Стойка С5А 8.0662-1-КС10 Траверсы Т6, Т7, Т8, Т9 8.0662-1-КС11 Траверсы Т6А, Т7А, Т8А, Т9А 8.0662-1-КС12 Тросостойка Т10 8.0662-1-КС13 Подкосы П1, П2, П4, пяты П3, П5 8.0662-1-КС14 Стойка С6 8.0662-1-КС15 Стойка С6А 8.0662-1-КС16 Траверсы Т11, Т12 8.0662-1-КС17 Траверсы Т11А, Т12А 8.0662-1-КС18 Хомут Х1 8.0662-1-КС19 Тросостойка Т13 | | Разработан: | Сельэнергопроект Минэнерго СССР
| | Утверждён: | 01.01.1988 Сельэнергопроект
|
                                                   
|