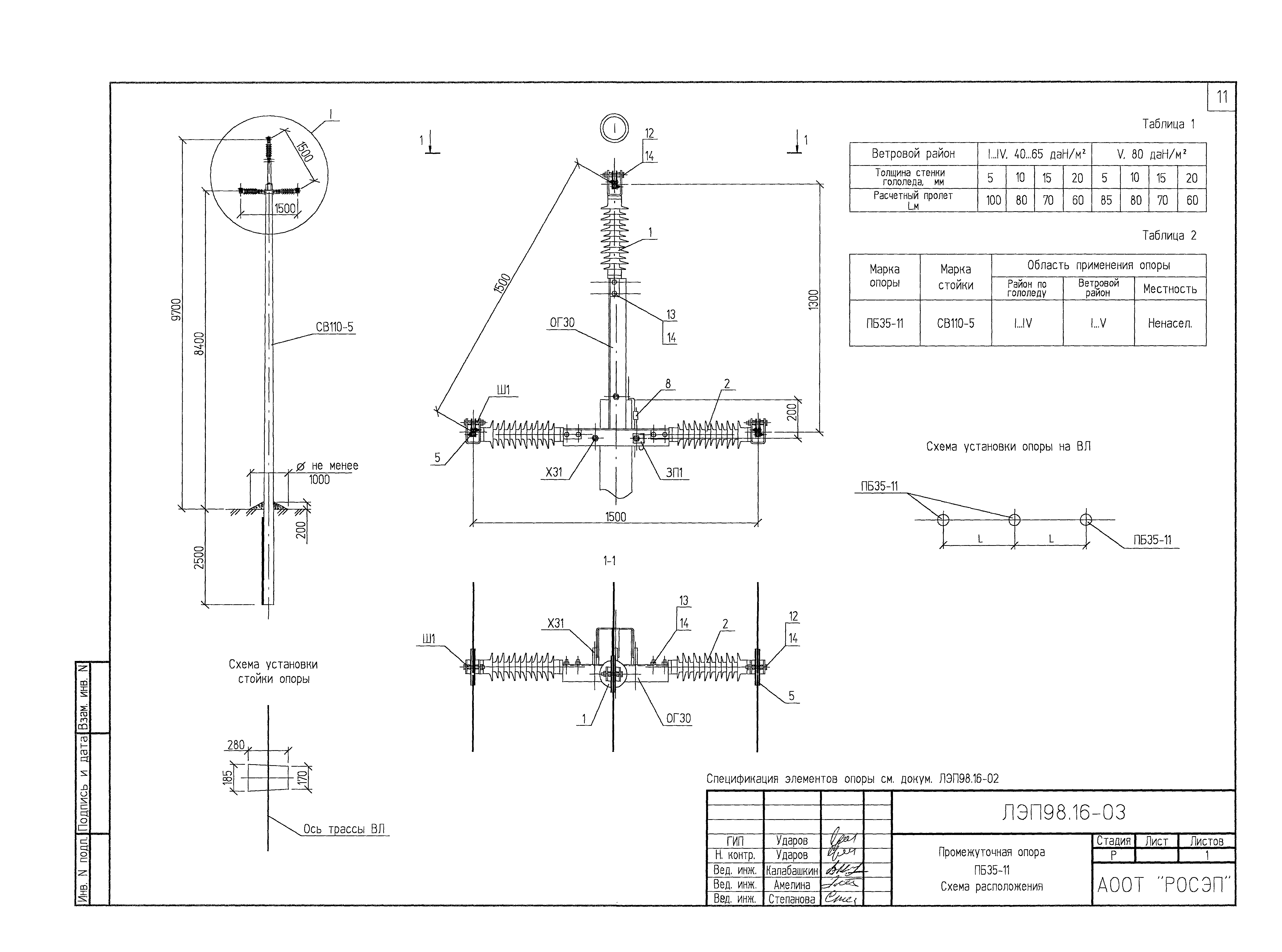
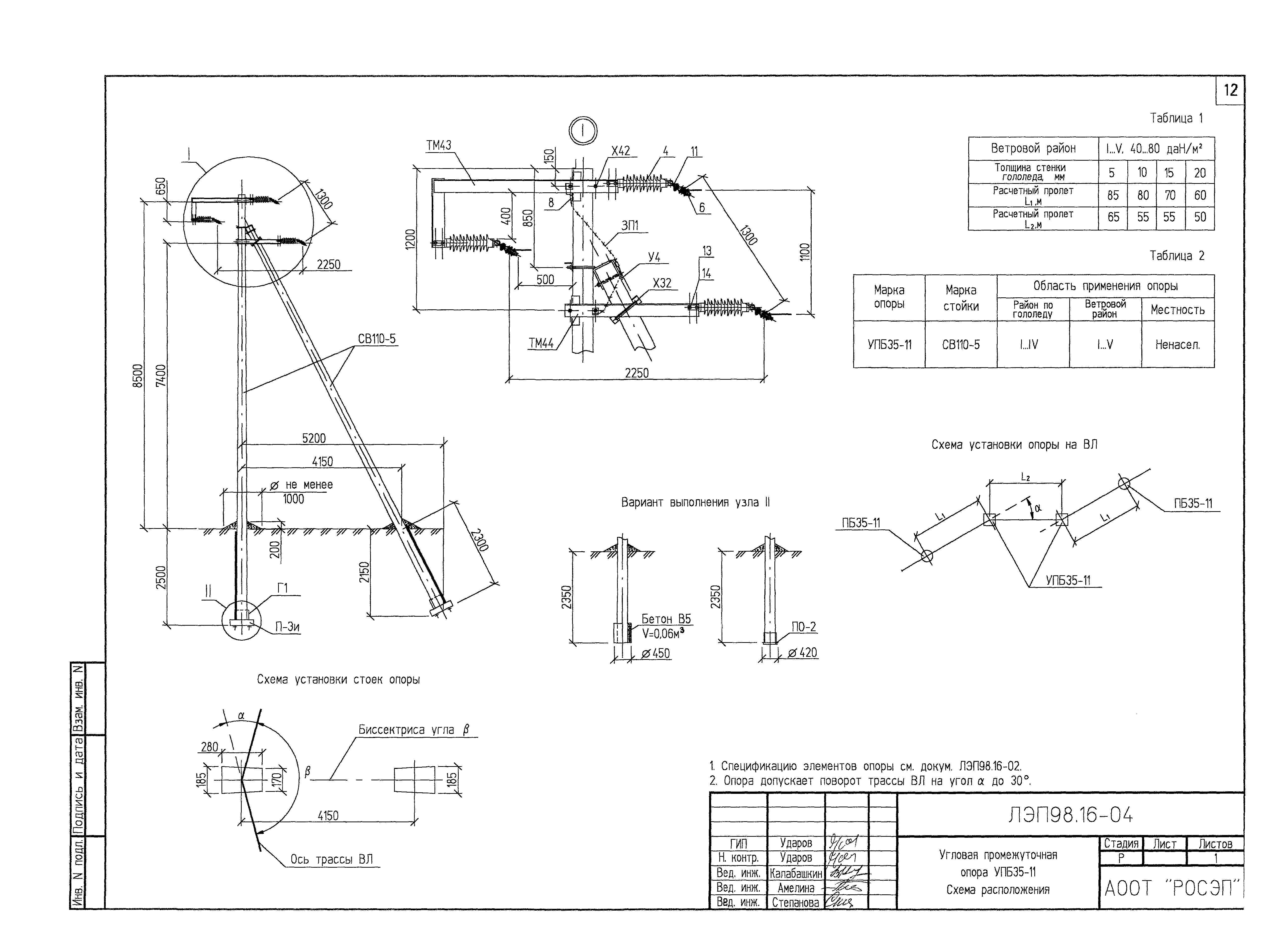
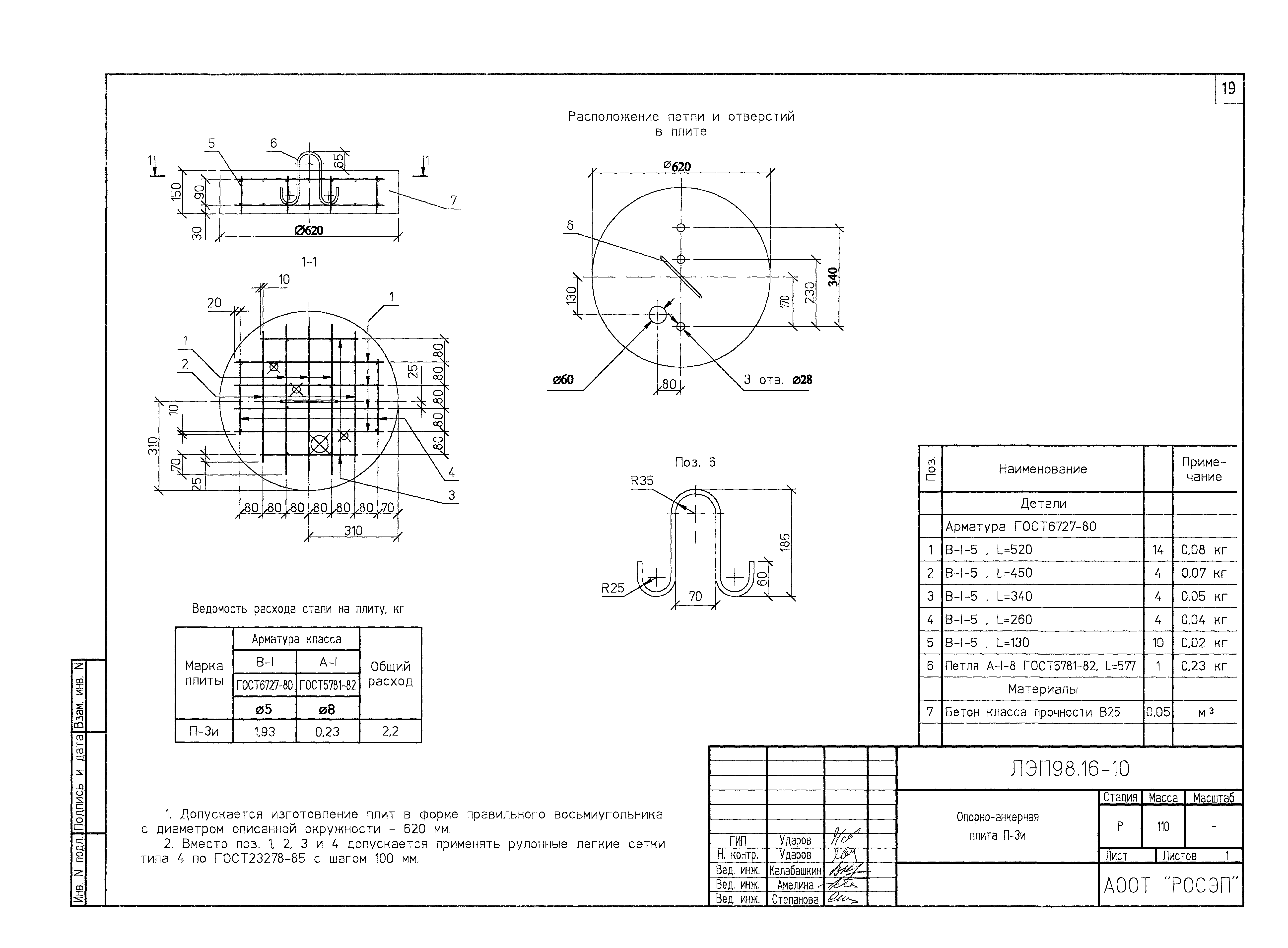
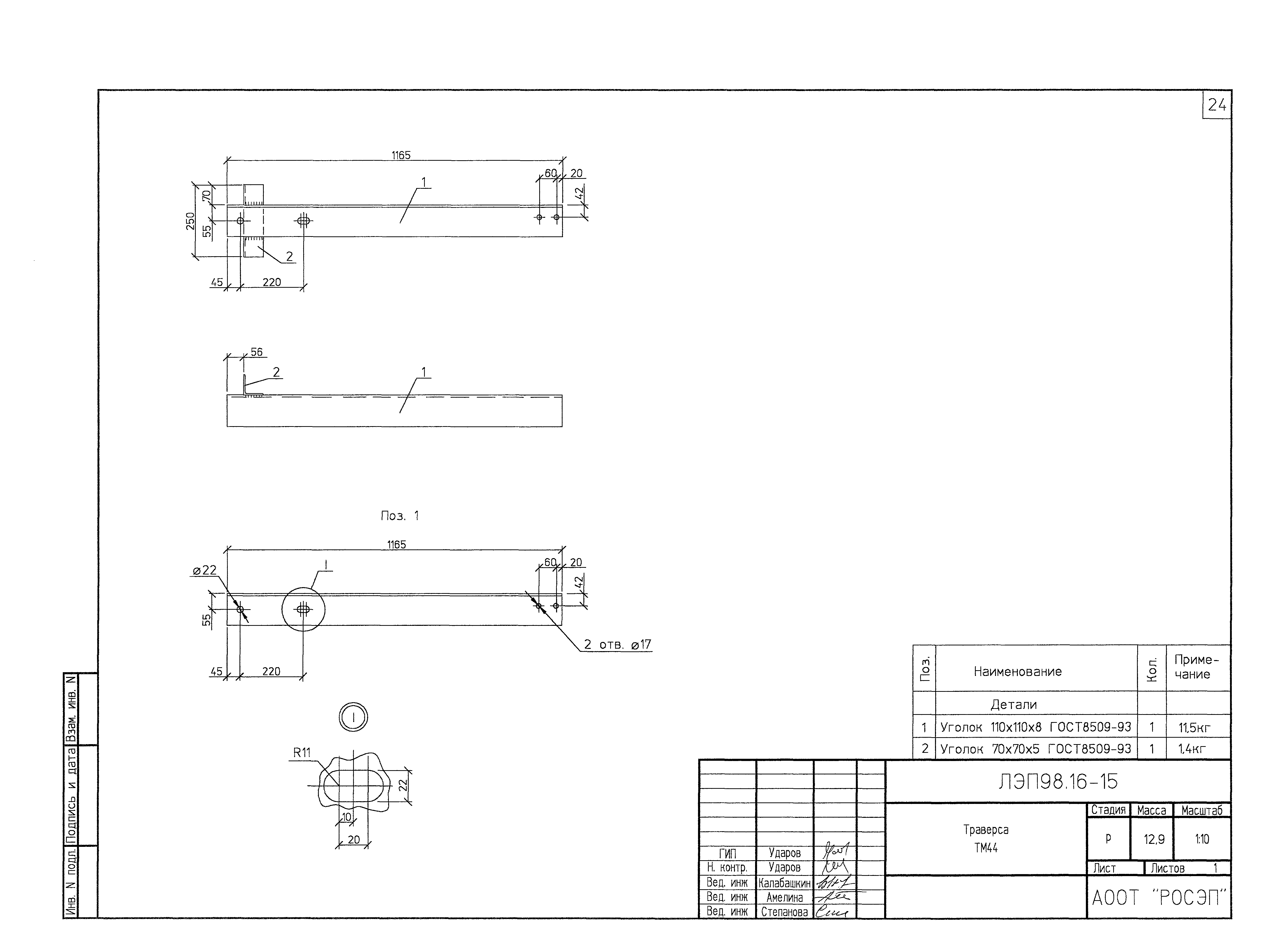
Скачать ЛЭП98.16 Железобетонные опоры ВЛ 10-35 кВ с полимерными изоляторамиДата актуализации: 01.01.2021 ЛЭП98.16
Железобетонные опоры ВЛ 10-35 кВ с полимерными изоляторами| Обозначение: | ЛЭП98.16 | | Обозначение англ: | ЛЭП98.16 | | Статус: | не определен законодательством | | Название рус.: | Железобетонные опоры ВЛ 10-35 кВ с полимерными изоляторами | | Дата добавления в базу: | 01.09.2013 | | Дата актуализации: | 01.01.2021 | | Дата введения: | 01.01.2001 | | Дата окончания срока действия: | 30.06.2003 | | Разработан: | АООТ РОСЭП
| | Утверждён: | 01.01.2001 РАО ЕЭС России (UES of Russia RAO )
|
                                 
|