Скачать Выпуск 1. Балки пролетного строения длиной 21 м, изготавливаемые в опалубке балок длиной 24 м по типовому проекту серии 3.503.1-81 выпуск 7-1. Рабочие чертежи

Дата актуализации: 01.01.2021

Выпуск 1. Балки пролетного строения длиной 21 м, изготавливаемые в опалубке балок длиной 24 м по типовому проекту серии 3.503.1-81 выпуск 7-1. Рабочие чертежи

Статус:не определен законодательством
Название рус.:Выпуск 1. Балки пролетного строения длиной 21 м, изготавливаемые в опалубке балок длиной 24 м по типовому проекту серии 3.503.1-81 выпуск 7-1. Рабочие чертежи
Дата добавления в базу:01.09.2013
Дата актуализации:01.01.2021
Дата введения:16.09.1999
Дата окончания срока действия:30.06.2003
Оглавление:3.503.1-81.М2-ТТ Технические требования
3.503.1-81.М2-1ФЧ Балка пролетного строения Б 2100.140.123. Опалубочный чертеж
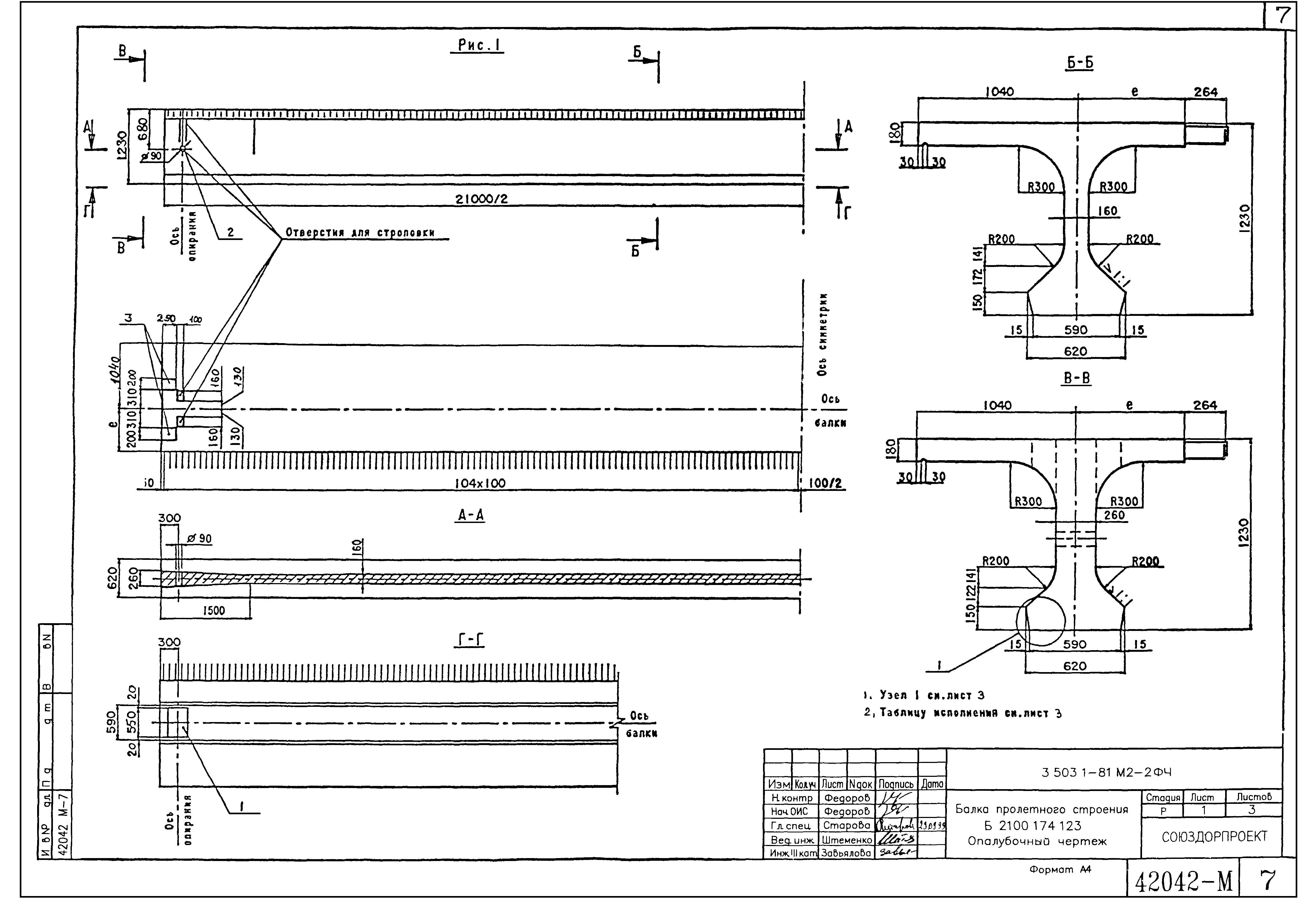
3.503.1-81.М2-2ФЧ Балка пролетного строения Б 2100.174.123. Опалубочный чертеж
3.503.1-81.М2-3 Балка пролетного строения Б 2100.Ь.123. Схема армирования балки напрягаемой арматурой
3.503.1-81.М2-4 Балка пролетного строения Б 2100.Ь.123. Схема армирования балки напрягаемой арматурой
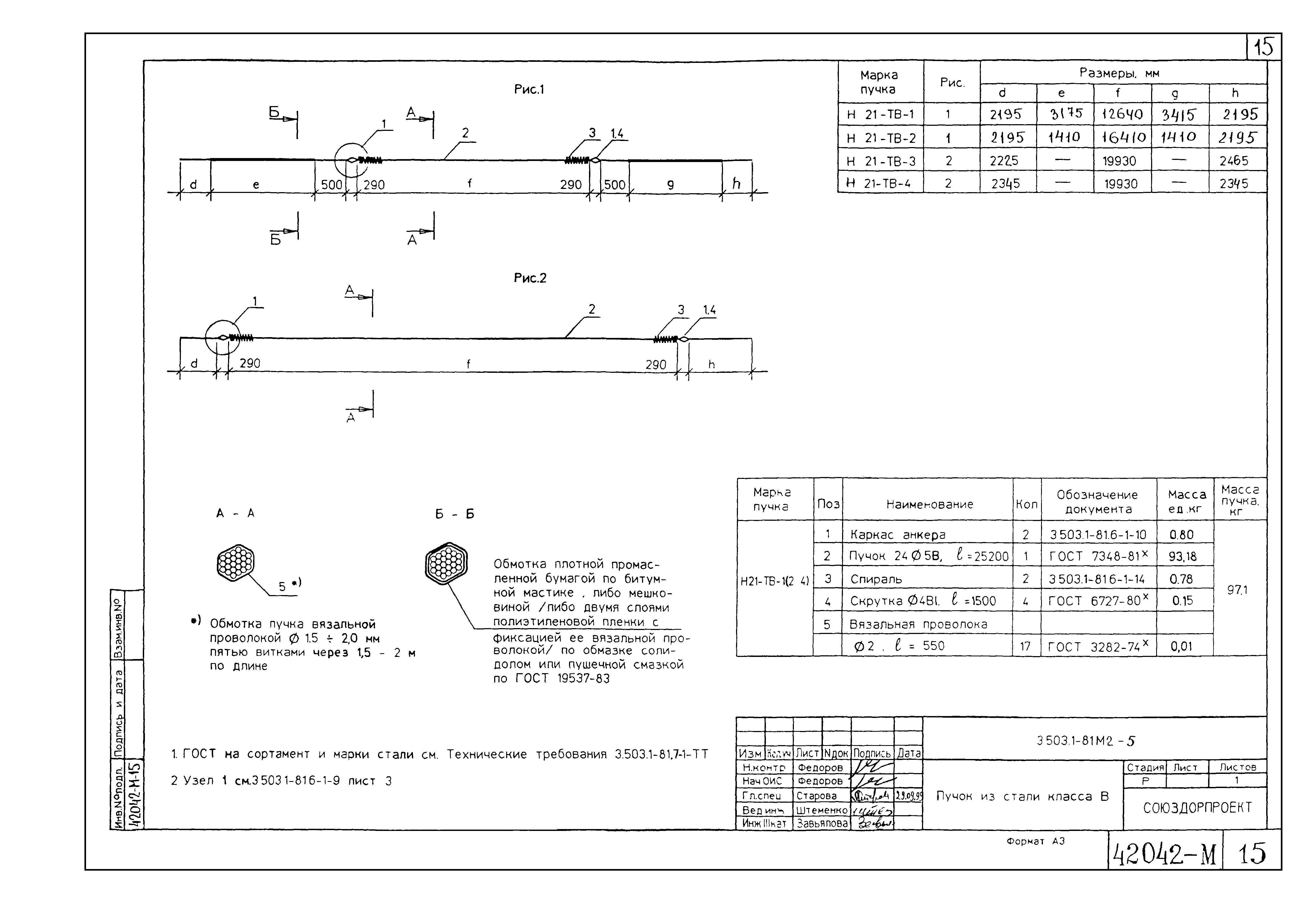
3.503.1-81.М2-5 Пучок из стали класса В
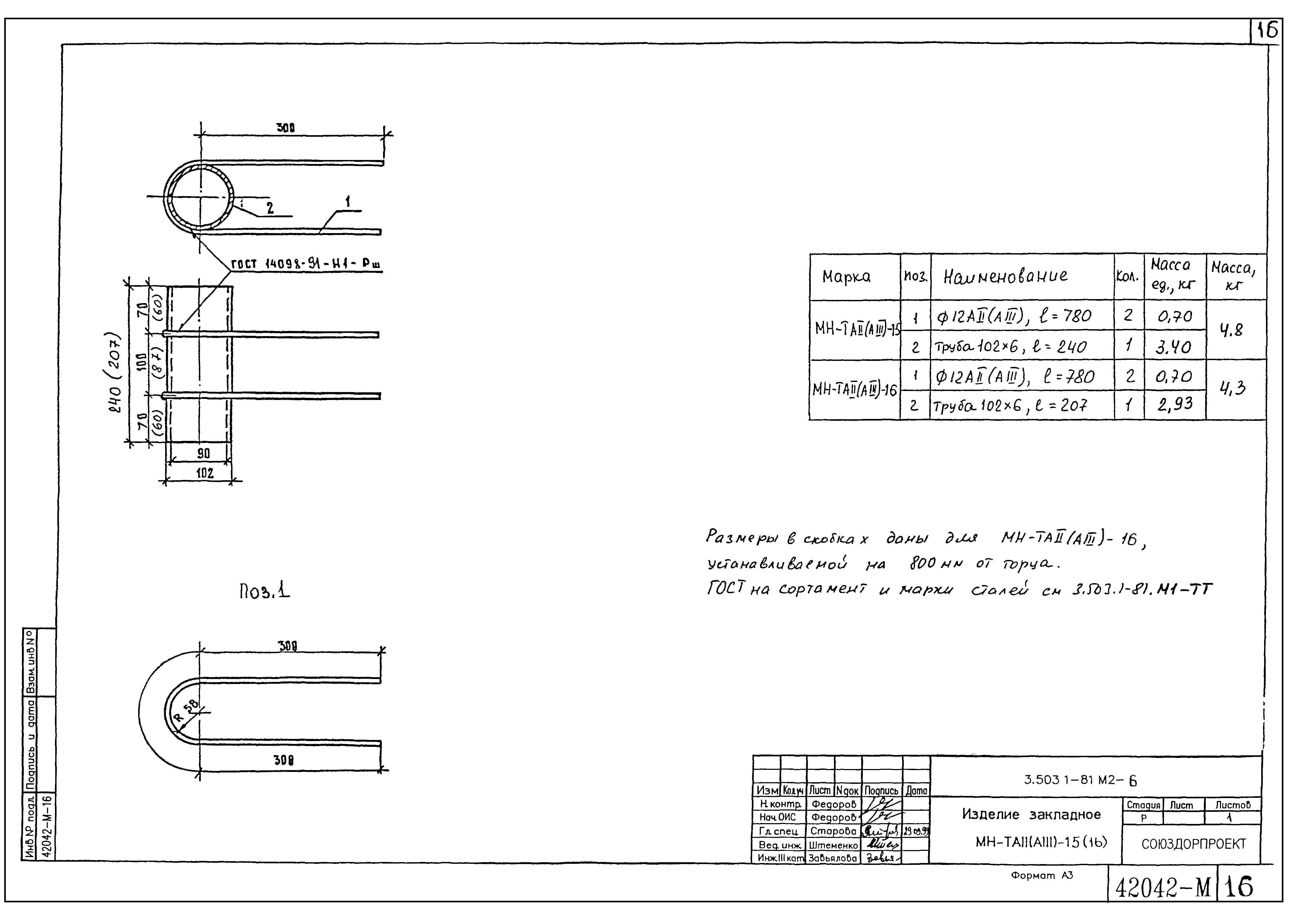
3.503.1-81.М2-6 Изделие закладное МН-ТАIII(АIII)-15(16)
3.503.1-81.М2-7 Сетка ребра CP123-TAII - 13(14,15) CP123-TAI-16
3.503.1-81.М2-8 Сетка ребра СР123-ТАIII-13(14,15)
3.503.1-81.М2-9 Сетка торца СТ123-ТАII(АIII)-1. Фиксатор
3.503.1-81.М2-10РС Ведомость расхода стали
Разработан: Союздорпроект Минтрансстроя
Утверждён:16.09.1999 Союздорпроект Минтрансстроя (Soyuzdorproject, Mintransstroy )