Скачать РД 39-3-679-82 Методическое руководство по определению и использованию показателей свойств горных пород в буренииДата актуализации: 01.01.2021
|
| Обозначение: | РД 39-3-679-82 |
| Обозначение англ: | RD 39-3-679-82 |
| Статус: | не действует |
| Название рус.: | Методическое руководство по определению и использованию показателей свойств горных пород в бурении |
| Дата добавления в базу: | 01.09.2013 |
| Дата актуализации: | 01.01.2021 |
| Дата введения: | 06.06.1982 |
| Дата окончания срока действия: | 06.06.1987 |
| Область применения: | Руководящий документ обеспечивает определение показателей свойств горных пород и их использование для классификации геологических разрезов с целью решения задач по эффективному применению техники и технологии бурения скважин. |
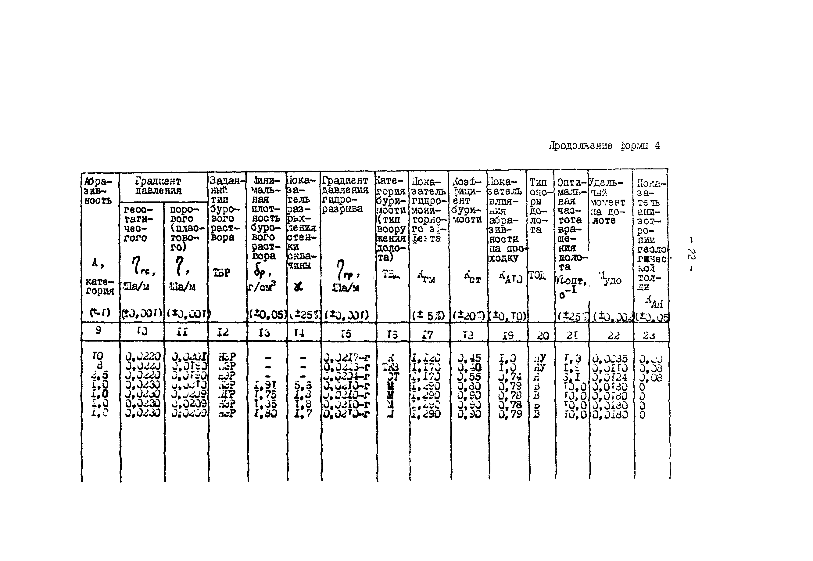
| Оглавление: | 1 Введение 2 Построение сводного классификационного разреза геологической толщи типового месторождения и региона 3 Построение геолого-технических классификационных разрезов 4 Применение в бурении результатов изучения свойств горных пород Приложения |
| Разработан: | ВНИИБТ |
| Утверждён: | 06.05.1982 Министерство нефтяной промышленности СССР (USSR Ministry of the Petroleum Industry 277) |
| Издан: | Типография ХОЗУ Миннефтепрома (1983 г. ) |






























































































