Скачать Типовой проект 902-3-73.2.87 Альбом III. Строительная часть (сооружения из монолитного бетона)Дата актуализации: 01.01.2021
|
| Обозначение: | Типовой проект 902-3-73.2.87 |
| Обозначение англ: | 902-3-73.2.87 |
| Статус: | не определен законодательством |
| Название рус.: | Альбом III. Строительная часть (сооружения из монолитного бетона) |
| Дата добавления в базу: | 01.09.2013 |
| Дата актуализации: | 01.01.2021 |
| Дата введения: | 30.10.1987 |
| Дата окончания срока действия: | 30.06.2003 |
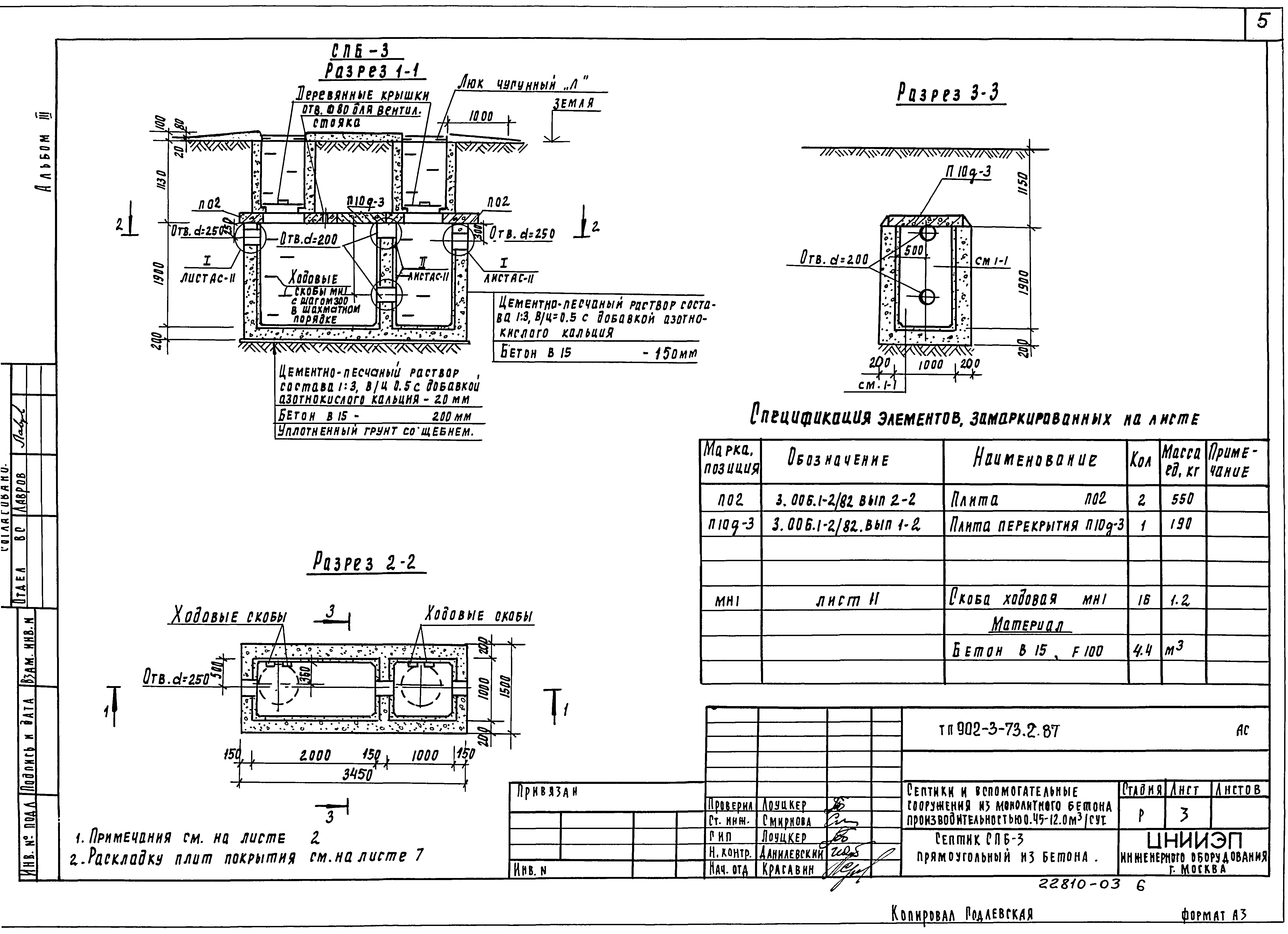
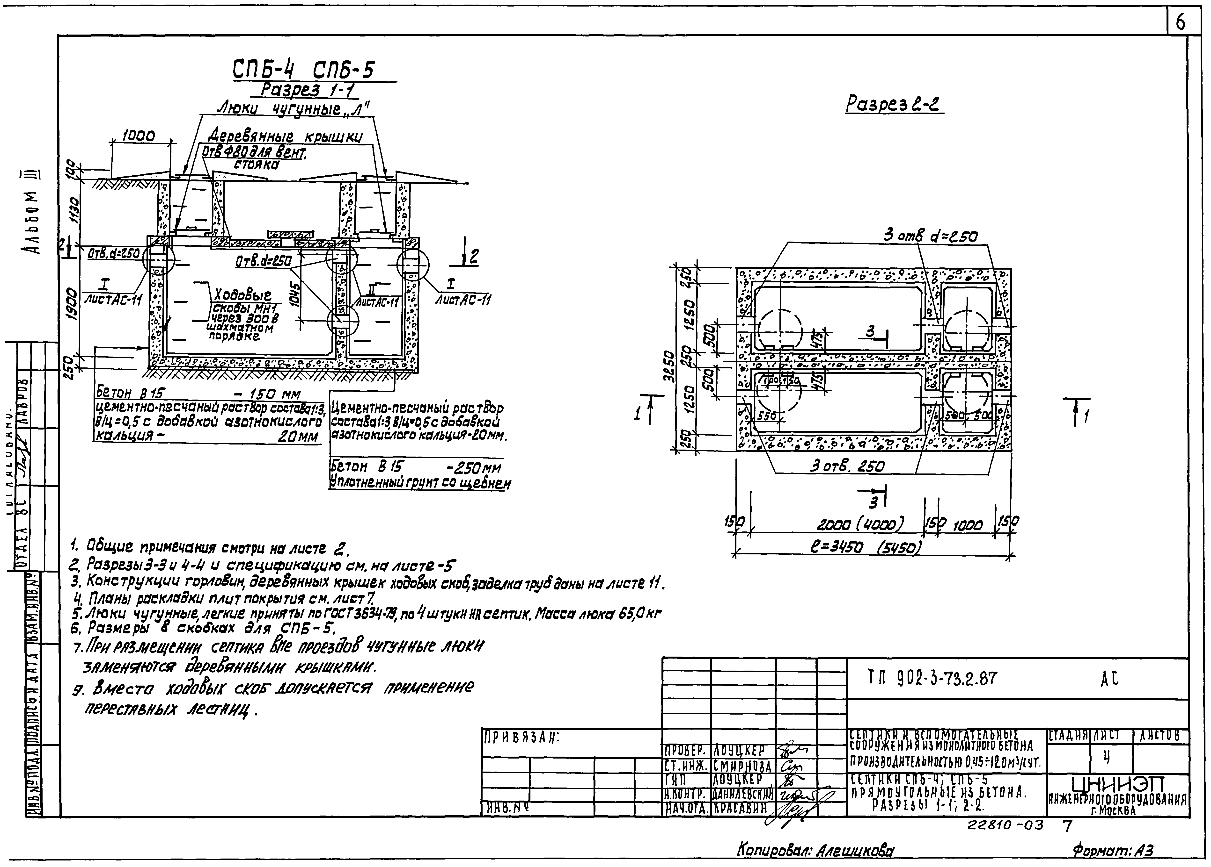
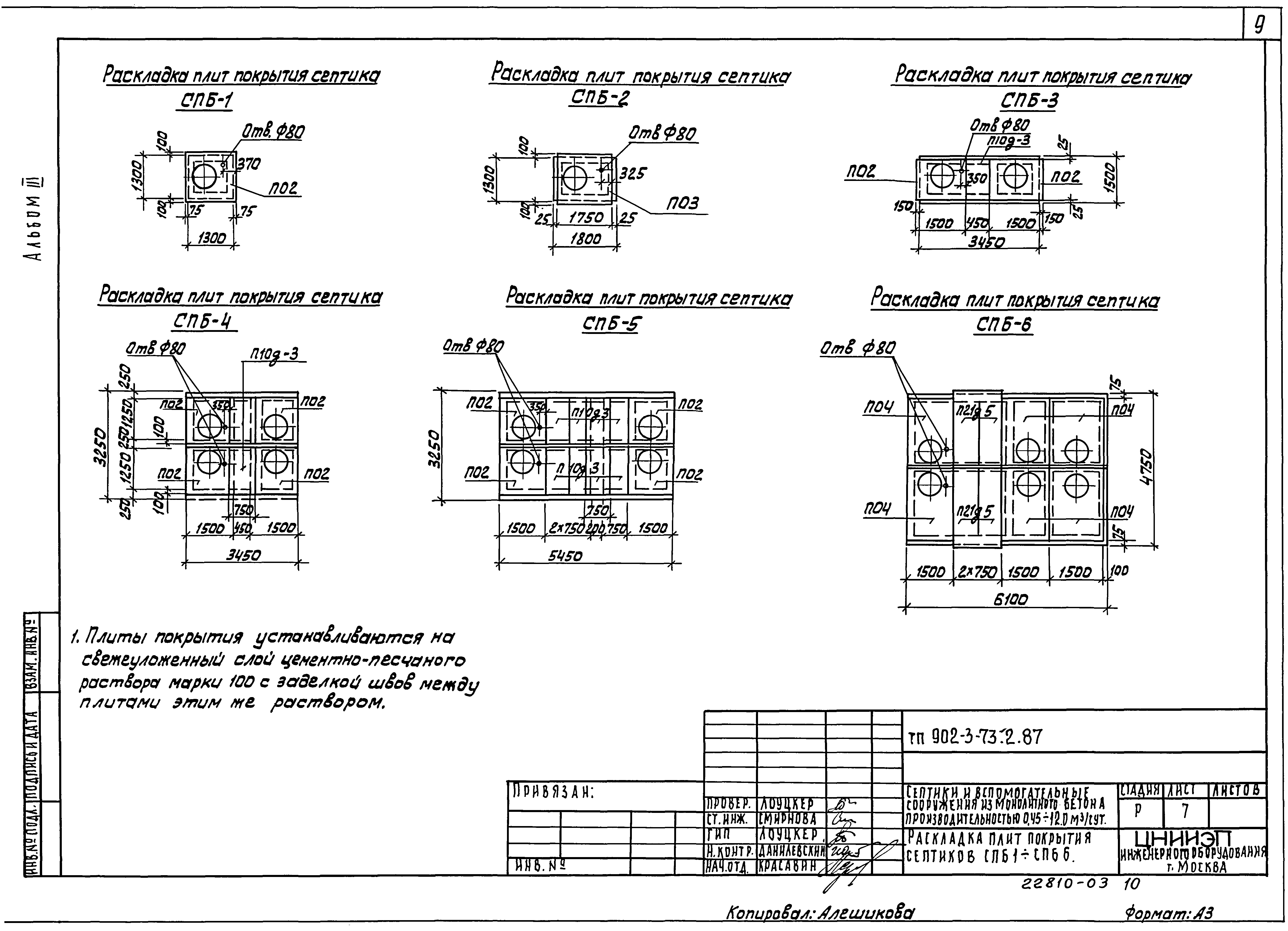
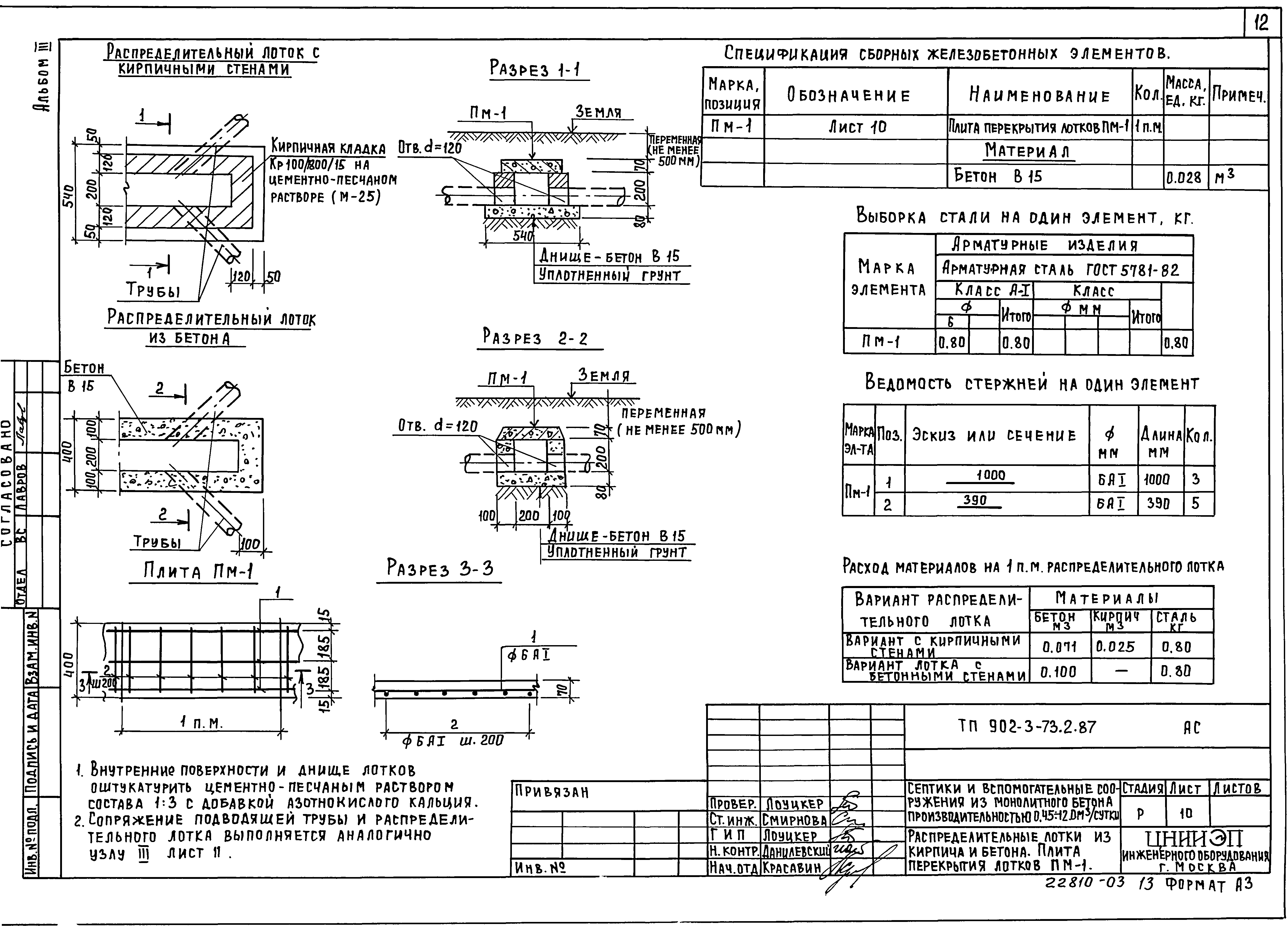
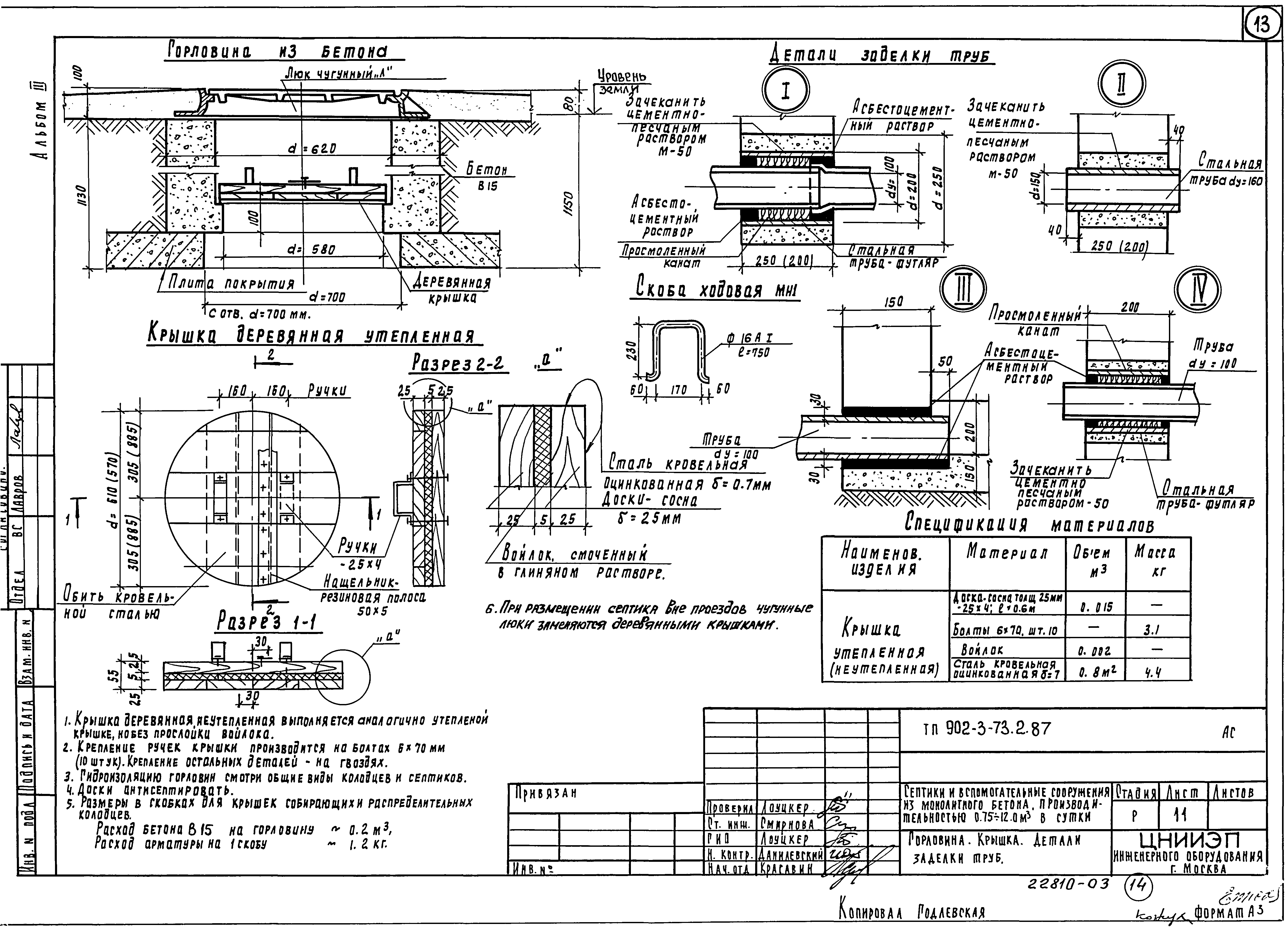
| Оглавление: | Содержание альбома Общие данные Септики СПБ-1, СПБ-2 прямоугольные из бетона Септик СПБ-3 прямоугольный из бетона Септики СПБ-4, СПБ-5 прямоугольные из бетона. Разрезы 1-1; 2-2 Септики СПБ-4, СПБ-5. Разрезы 3-3; 4-4 Септик СПБ-6 прямоугольный из бетона. Разрезы 1-1; 2-2 Раскладка плит покрытия септиков СПБ-1 - СПБ-6 Колодцы распределительные КРКБ-1, КРКБ-2. Разрезы 1-1; 2-2 Колодцы собирающие КСКБ-1, КСКБ-2. Разрезы 1-1, 2-2 Распределительные лотки из кирпича и бетона. Плита перекрытия лотков ПМ-1 Горловина. Крышка. Детали заделки труб |
| Разработан: | ЦНИИЭП инженерного оборудования |
| Утверждён: | 30.10.1987 Госгражданстрой (Gosgrazhdanstroy 333) |













