Скачать Общемашиностроительные нормативы времени на заготовительные работы по металлоконструкциямДата актуализации: 01.01.2021
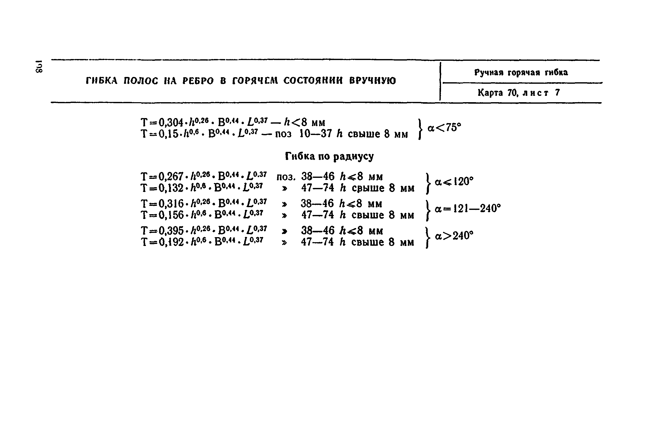
Общемашиностроительные нормативы времени на заготовительные работы по металлоконструкциям| Статус: | действует | | Название рус.: | Общемашиностроительные нормативы времени на заготовительные работы по металлоконструкциям | | Дата добавления в базу: | 01.09.2013 | | Дата актуализации: | 01.01.2021 | | Область применения: | Сборник нормативов времени предназначен для расчета технически обоснованных норм времени на заготовительные работы, выполняемые в цехах металлоконструкций машиностроительных предприятий в условиях среднесерийного, мелкосерийного и единичного типов производства | | Оглавление: | Общая часть Характеристики применяемого оборудования, инструмента Организация труда и рабочего места Нормативная часть I. Правка деталей (заготовок) II. Разметка и наметка III. Резка деталей, вырубка скосов, пробивка отверстий, штамповка IV. Зачистка кромок и концов заготовок V. Гибка Приложения | | Разработан: | Центральное бюро нормативов по труду Государственного комитета СССР
|
                                                                                                                                                                                                                                          
|