Скачать Выпуск 1. Балки пролетного строения 31,35 м, высотой 1,53 м, армированные пучками из 4 стальных канатов К7 по ГОСТ 13840-68*. Рабочие чертежиДата актуализации: 01.01.2021
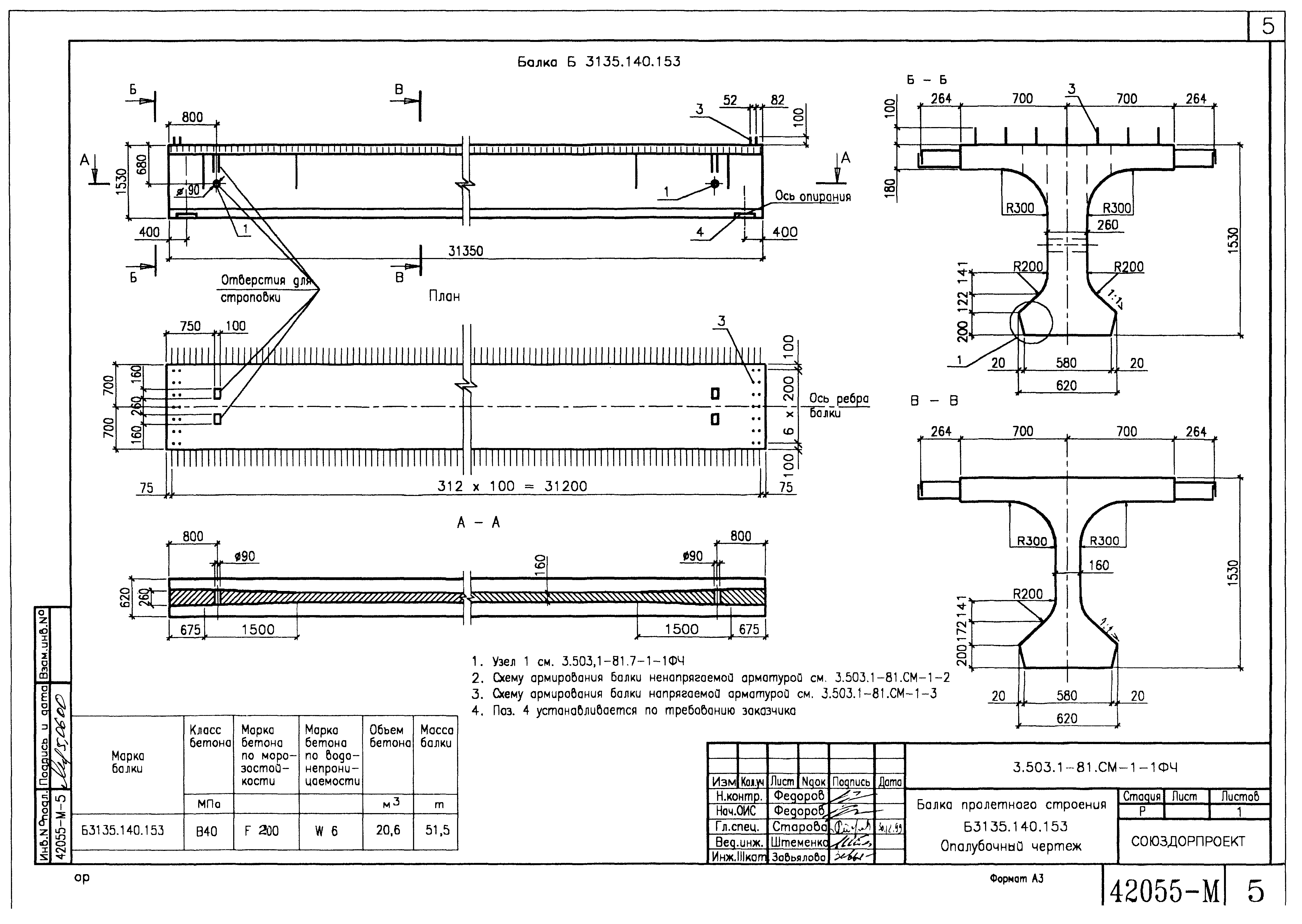
Выпуск 1. Балки пролетного строения 31,35 м, высотой 1,53 м, армированные пучками из 4 стальных канатов К7 по ГОСТ 13840-68*. Рабочие чертежи| Статус: | не определен законодательством | | Название рус.: | Выпуск 1. Балки пролетного строения 31,35 м, высотой 1,53 м, армированные пучками из 4 стальных канатов К7 по ГОСТ 13840-68*. Рабочие чертежи | | Дата добавления в базу: | 01.09.2013 | | Дата актуализации: | 01.01.2021 | | Дата введения: | 30.12.1999 | | Дата окончания срока действия: | 30.06.2003 | | Область применения: | Настоящие рабочие чертежи сборных предварительно напряженных железобетонных балок пролетных строений длиной 31,35 м высотой 1,53 м разработаны для переустройства Пятницкого путепровода на станции Смоленск-Центральный под нагрузку А-14 и НК-80. Применение балок на других объектах необходимо согласовать с "Союздорпроектом" | | Разработан: | Союздорпроект Минтрансстроя
| | Утверждён: | 30.12.1999 Союздорпроект Минтрансстроя (Soyuzdorproject, Mintransstroy )
|
                
|