Скачать РД 32 ЦВ 052-2005 Ремонт тележек грузовых вагонов

Дата актуализации: 01.01.2021

РД 32 ЦВ 052-2005

Ремонт тележек грузовых вагонов

Обозначение: РД 32 ЦВ 052-2005
Обозначение англ: RD 32 ЦВ 052-2005
Статус:действует
Название рус.:Ремонт тележек грузовых вагонов
Дата добавления в базу:01.09.2013
Дата актуализации:01.01.2021
Дата введения:31.12.2005
Область применения:Руководство распространяется на ремонт двухосных и четырехосных тележек грузовых вагонов
Оглавление:1. Общие положения
2. Основные технические данные тележек грузовых вагонов, их узлов и деталей
3. Техническое обслуживание и ремонт тележек
4. Входной контроль тележек грузовых вагонов при плановых видах ремонта
5. Разборка тележек
6. Неразрушающий контроль составных частей и деталей тележек
7. Дефектация составных частей и деталей тележек
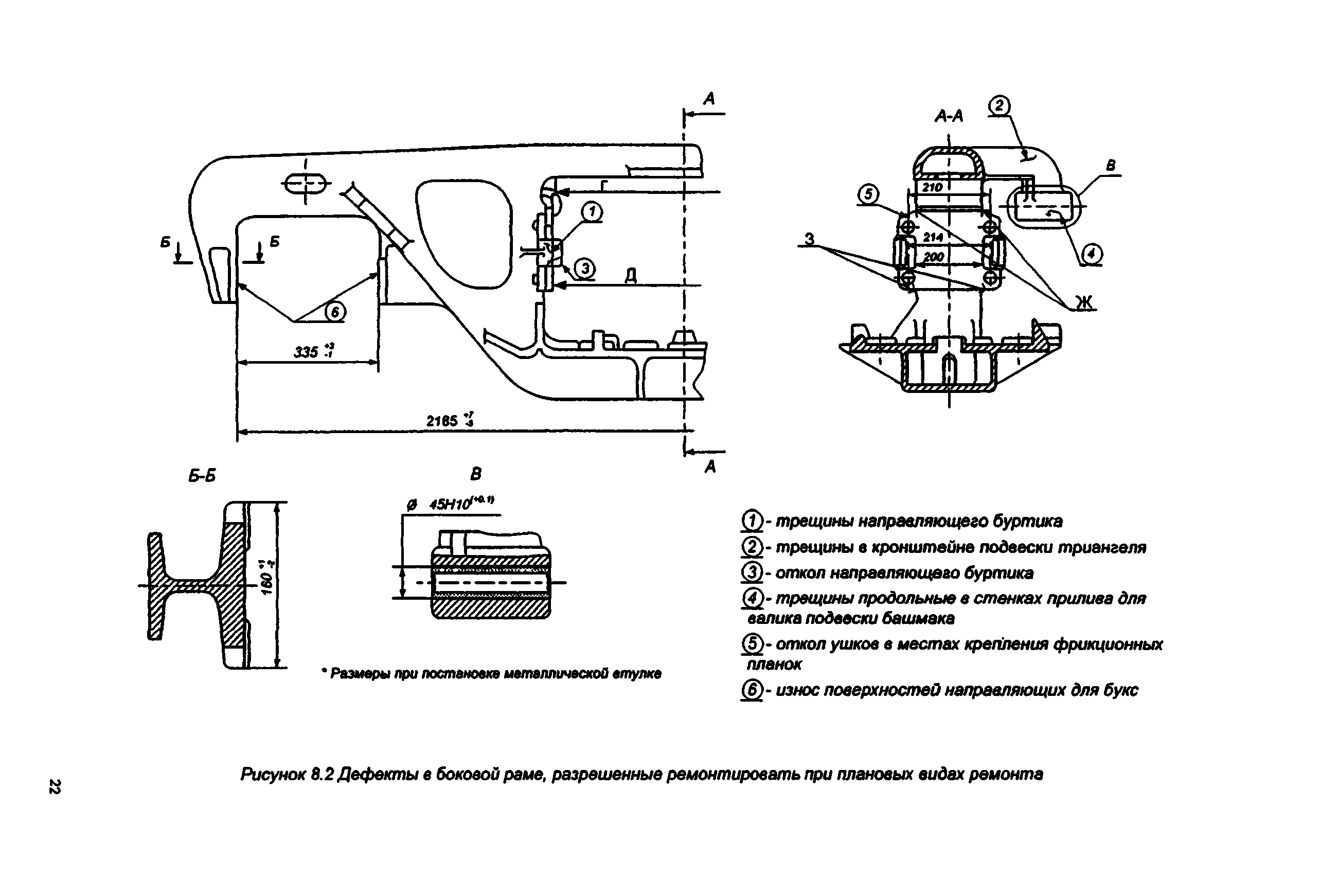
8. Ремонт боковых рам
9. Ремонт надрессорных балок
10. Ремонт узла "клин-фрикционная планка"
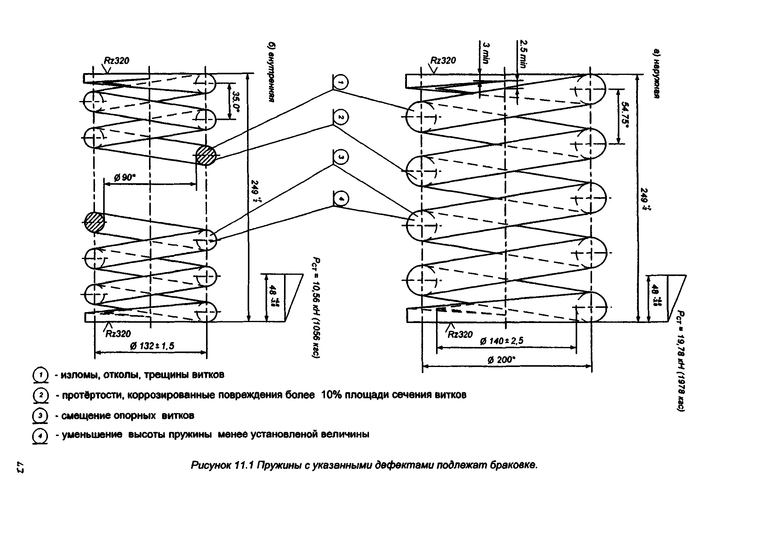
11. Требования к пружинному комплекту
12. Ремонт деталей тормозного оборудования
13. Сварочные и наплавочные работы
14. Сборка тележек после ремонта
15. Проверка качества ремонта
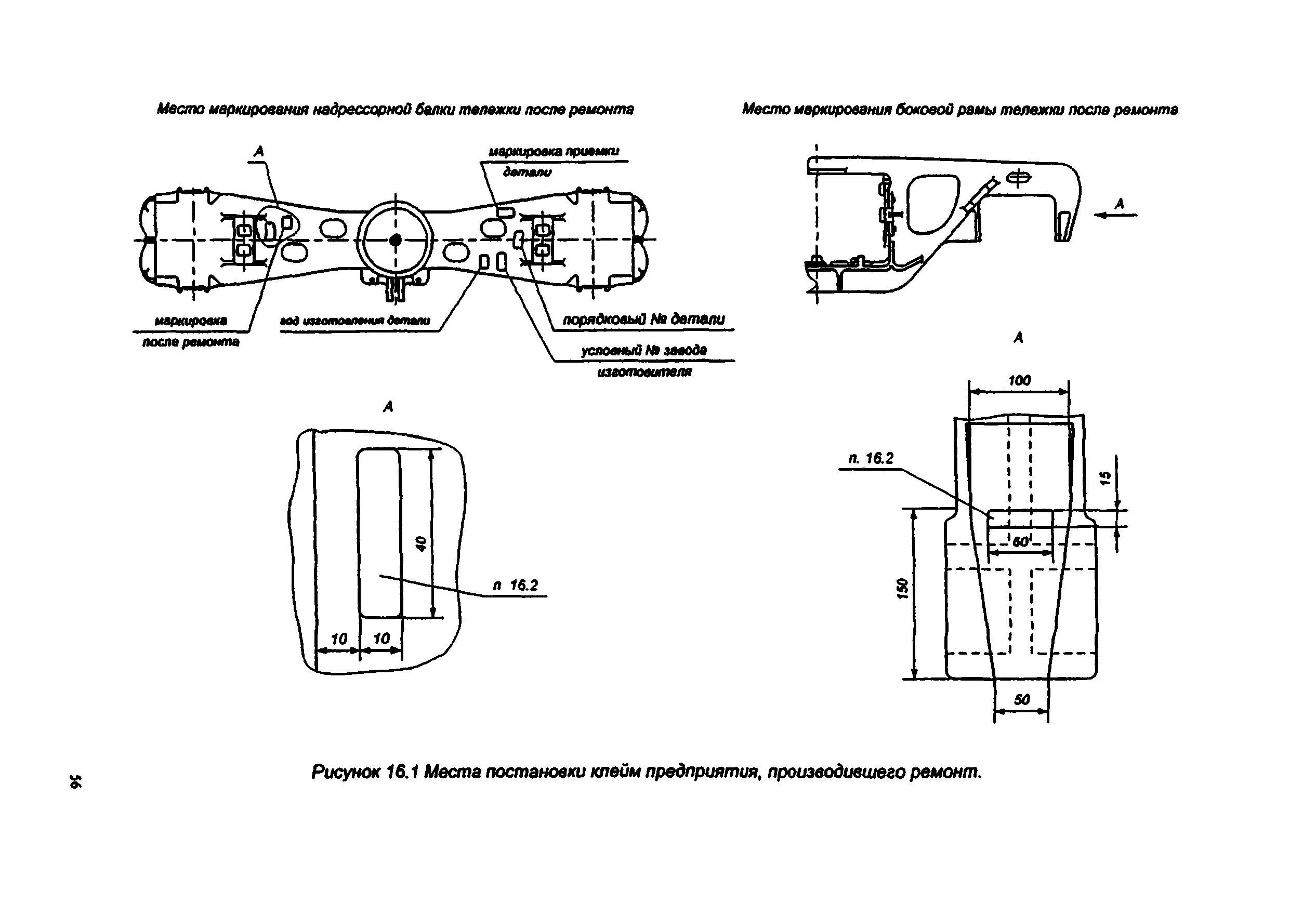
16. Нанесение клейм, знаков маркировки после ремонта
17. Окраска тележек
18. Выходной контроль тележек при выпуске из плановых видов ремонта
19. Исключение литых деталей тележки и соединительной балки из инвентаря
20. Ответственность за качество ремонта тележек
21. Техническое содержание тележки с износостойкими элементами в эксплуатации
Приложения
Утверждён:31.12.2005 ОАО РЖД
Список изменений:
Нормативные ссылки:
РД 32 ЦВ 052-2005РД 32 ЦВ 052-2005РД 32 ЦВ 052-2005РД 32 ЦВ 052-2005РД 32 ЦВ 052-2005РД 32 ЦВ 052-2005РД 32 ЦВ 052-2005РД 32 ЦВ 052-2005РД 32 ЦВ 052-2005РД 32 ЦВ 052-2005РД 32 ЦВ 052-2005РД 32 ЦВ 052-2005РД 32 ЦВ 052-2005РД 32 ЦВ 052-2005РД 32 ЦВ 052-2005РД 32 ЦВ 052-2005РД 32 ЦВ 052-2005РД 32 ЦВ 052-2005РД 32 ЦВ 052-2005РД 32 ЦВ 052-2005РД 32 ЦВ 052-2005РД 32 ЦВ 052-2005РД 32 ЦВ 052-2005РД 32 ЦВ 052-2005РД 32 ЦВ 052-2005РД 32 ЦВ 052-2005РД 32 ЦВ 052-2005РД 32 ЦВ 052-2005РД 32 ЦВ 052-2005РД 32 ЦВ 052-2005РД 32 ЦВ 052-2005РД 32 ЦВ 052-2005РД 32 ЦВ 052-2005РД 32 ЦВ 052-2005РД 32 ЦВ 052-2005РД 32 ЦВ 052-2005РД 32 ЦВ 052-2005РД 32 ЦВ 052-2005РД 32 ЦВ 052-2005РД 32 ЦВ 052-2005РД 32 ЦВ 052-2005РД 32 ЦВ 052-2005РД 32 ЦВ 052-2005РД 32 ЦВ 052-2005РД 32 ЦВ 052-2005РД 32 ЦВ 052-2005РД 32 ЦВ 052-2005РД 32 ЦВ 052-2005РД 32 ЦВ 052-2005РД 32 ЦВ 052-2005РД 32 ЦВ 052-2005РД 32 ЦВ 052-2005РД 32 ЦВ 052-2005РД 32 ЦВ 052-2005РД 32 ЦВ 052-2005РД 32 ЦВ 052-2005РД 32 ЦВ 052-2005РД 32 ЦВ 052-2005РД 32 ЦВ 052-2005РД 32 ЦВ 052-2005РД 32 ЦВ 052-2005РД 32 ЦВ 052-2005РД 32 ЦВ 052-2005РД 32 ЦВ 052-2005РД 32 ЦВ 052-2005РД 32 ЦВ 052-2005РД 32 ЦВ 052-2005РД 32 ЦВ 052-2005РД 32 ЦВ 052-2005РД 32 ЦВ 052-2005РД 32 ЦВ 052-2005РД 32 ЦВ 052-2005РД 32 ЦВ 052-2005РД 32 ЦВ 052-2005РД 32 ЦВ 052-2005РД 32 ЦВ 052-2005РД 32 ЦВ 052-2005РД 32 ЦВ 052-2005РД 32 ЦВ 052-2005

Текстовое изменение № 6 от 20.12.2007

№ 6№ 6№ 6