Скачать Типовой проект 284-4-48 Альбом II. СметыДата актуализации: 01.01.2021
|
| Обозначение: | Типовой проект 284-4-48 |
| Обозначение англ: | 284-4-48 |
| Статус: | не определен законодательством |
| Название рус.: | Альбом II. Сметы |
| Дата добавления в базу: | 01.09.2013 |
| Дата актуализации: | 01.01.2021 |
| Дата введения: | 15.07.1976 |
| Дата окончания срока действия: | 30.06.2003 |
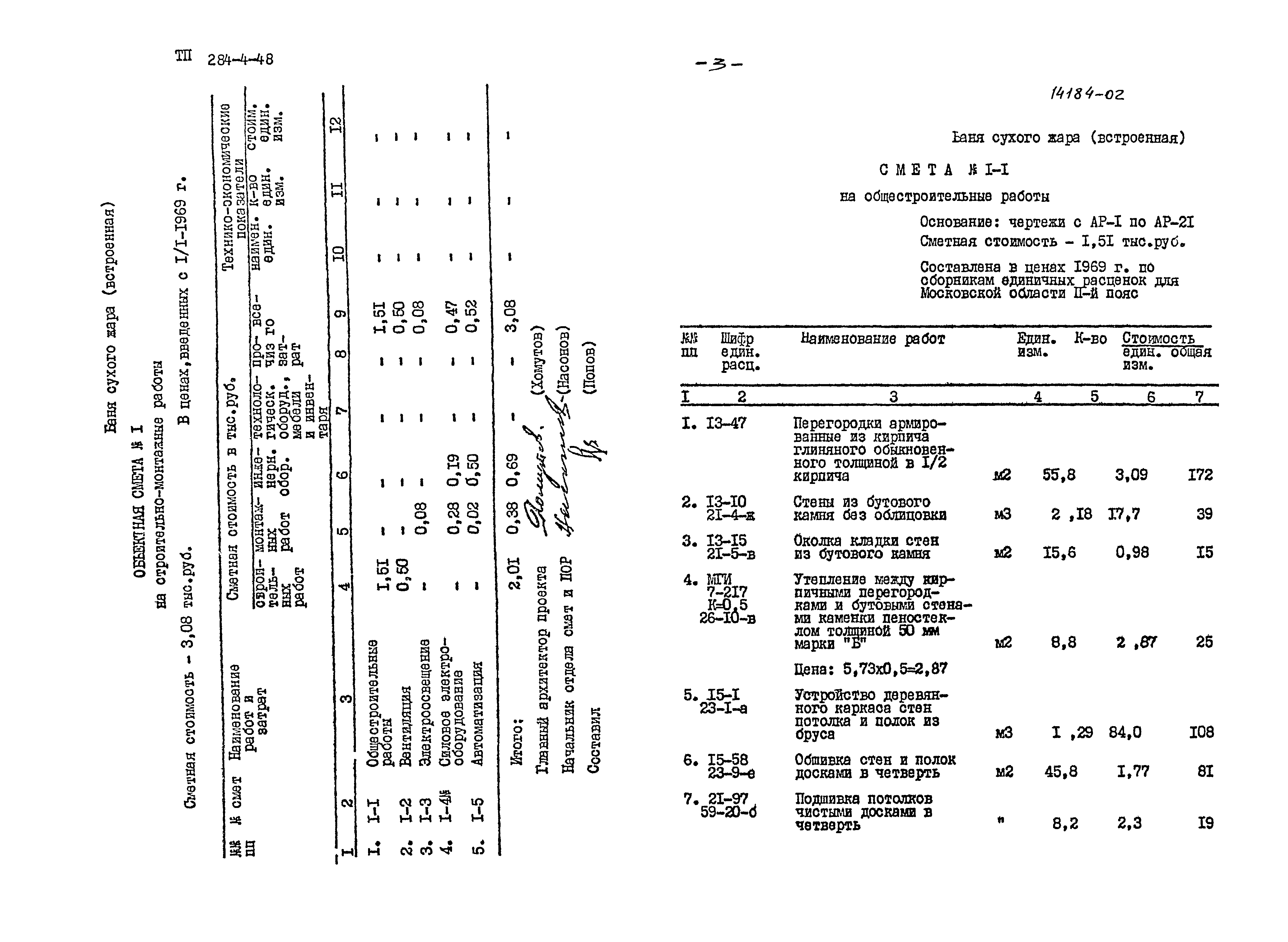
| Оглавление: | ТП 284-4-48 Пояснительная записка ТП 284-4-48 Объектная смета №1 ТП 284-4-48 Общестроительные работы ТП 284-4-48 Вентиляция ТП 284-4-48 Электроосвещение ТП 284-4-48 Силовое электрооборудование ТП 284-4-48 Автоматизация ТП 284-4-48 Комплектовочная ведомость |
| Разработан: | Союзспортпроект Спорткомитета СССР |
| Утверждён: | 27.02.1976 Госгражданстрой (Gosgrazhdanstroy 50) |













