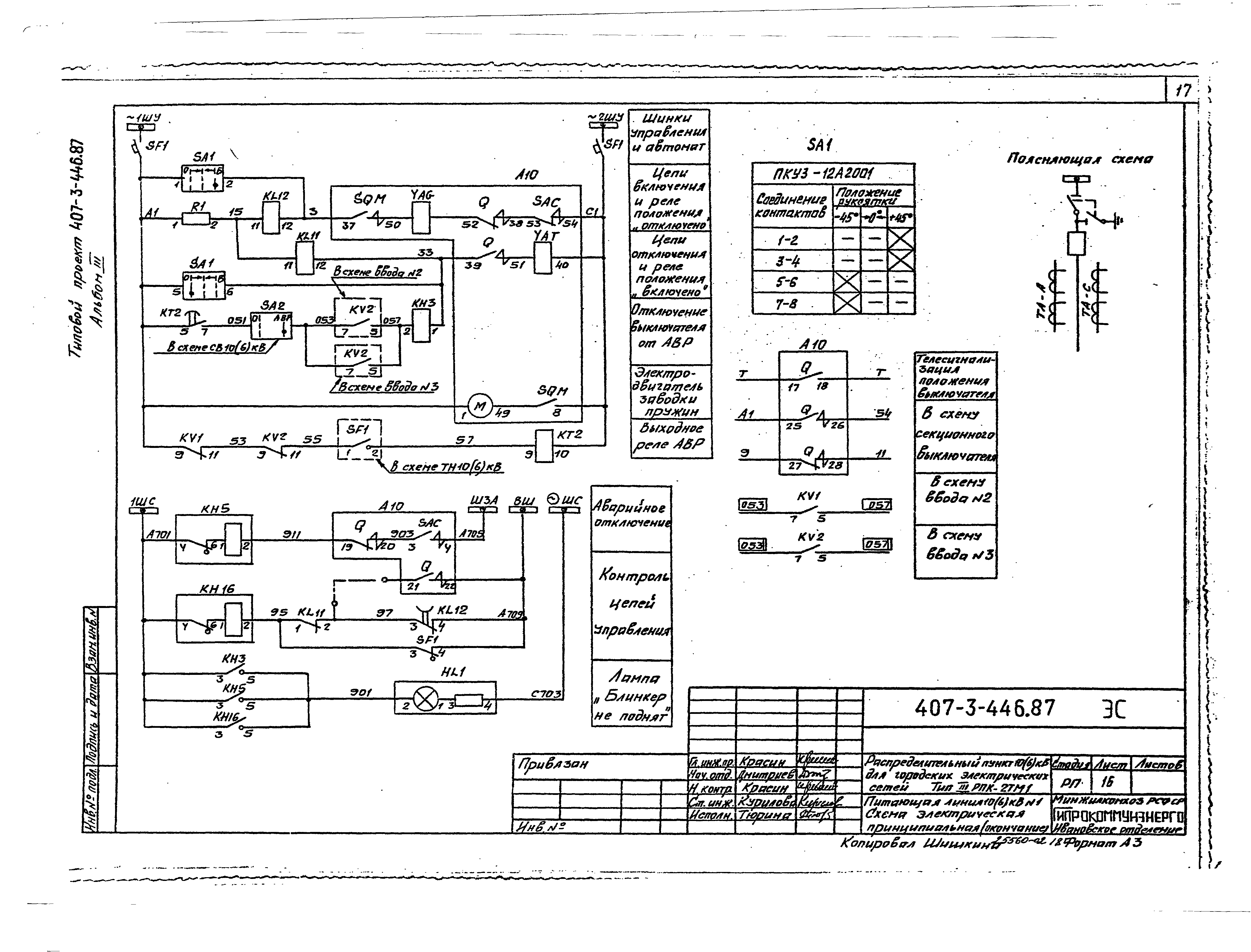
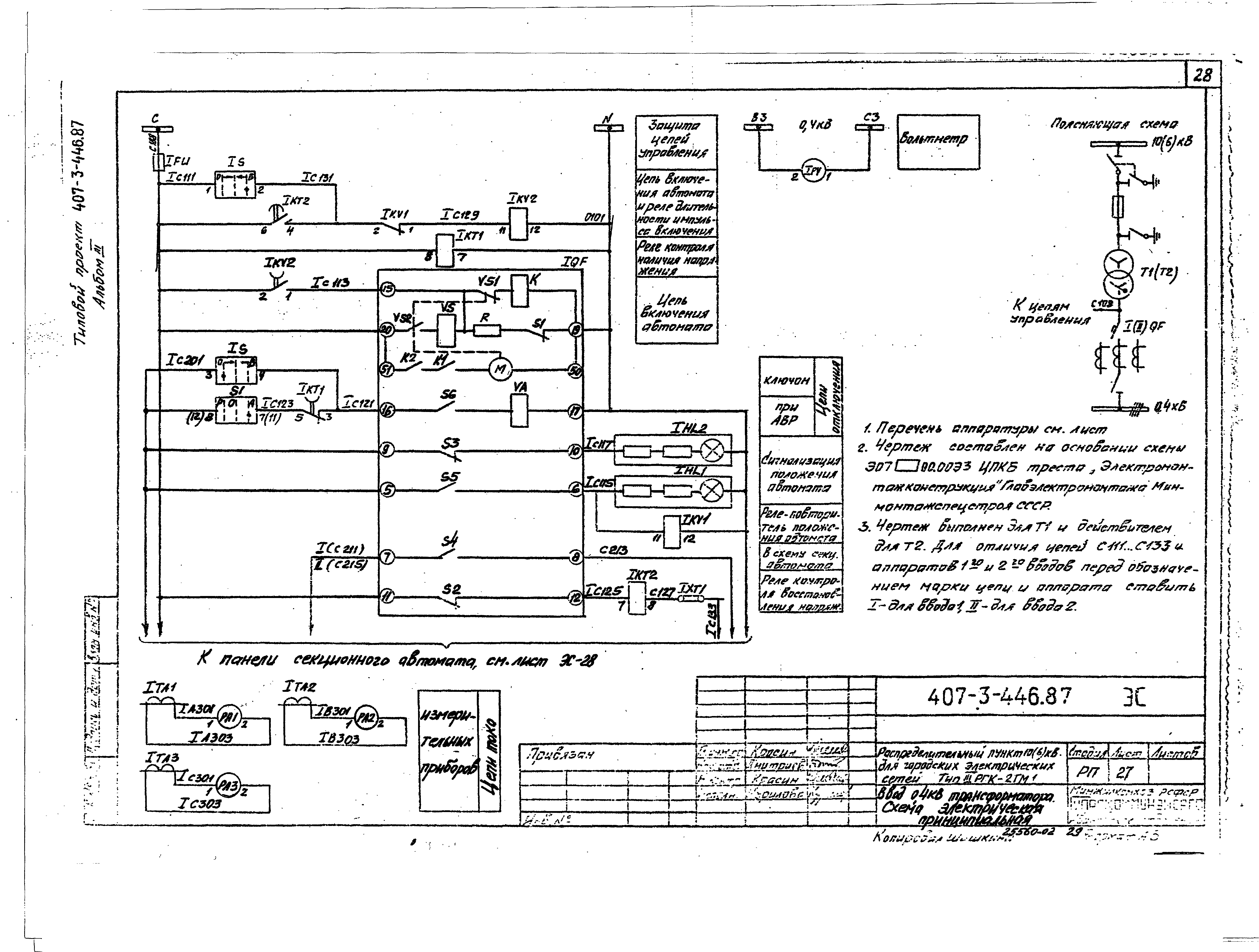
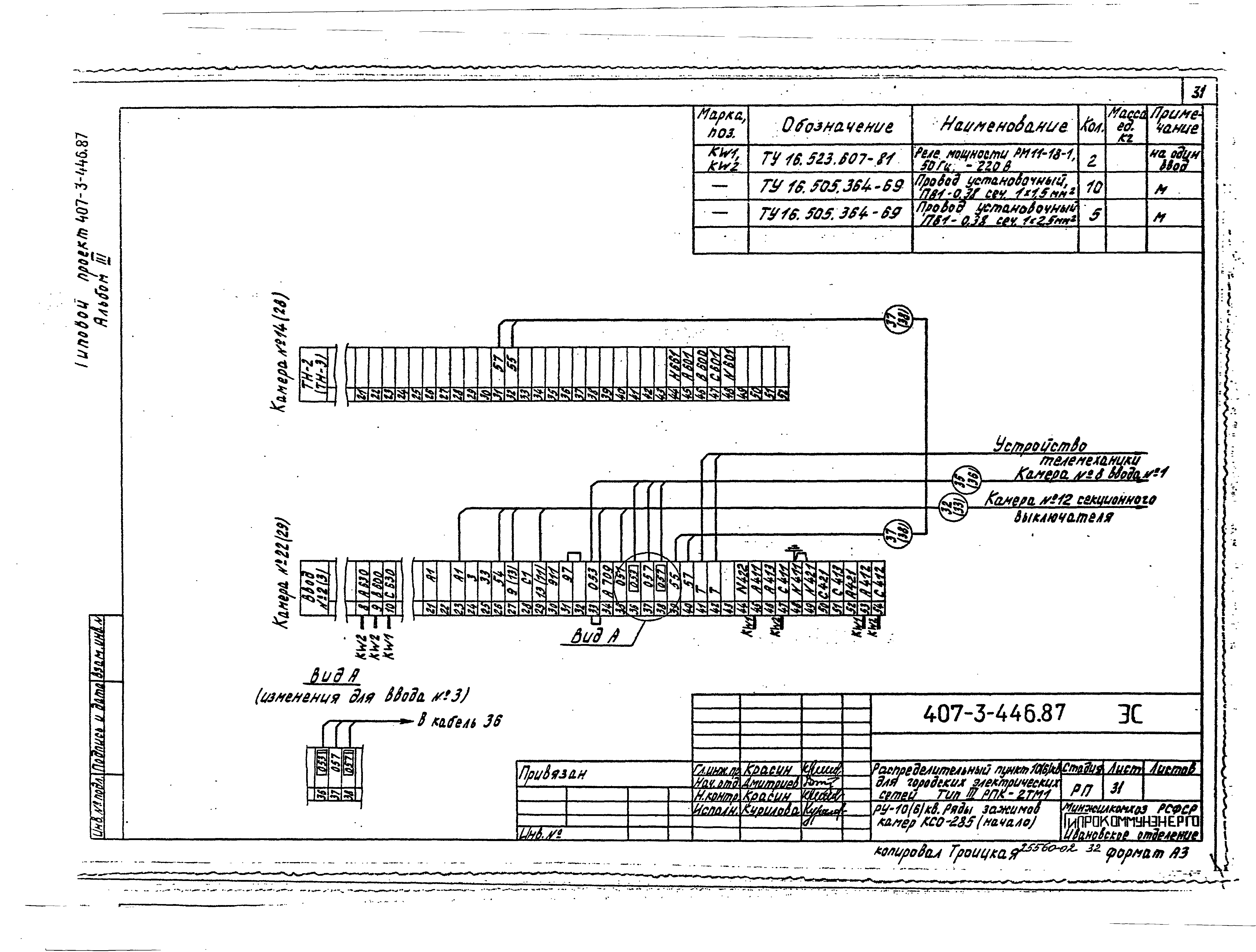
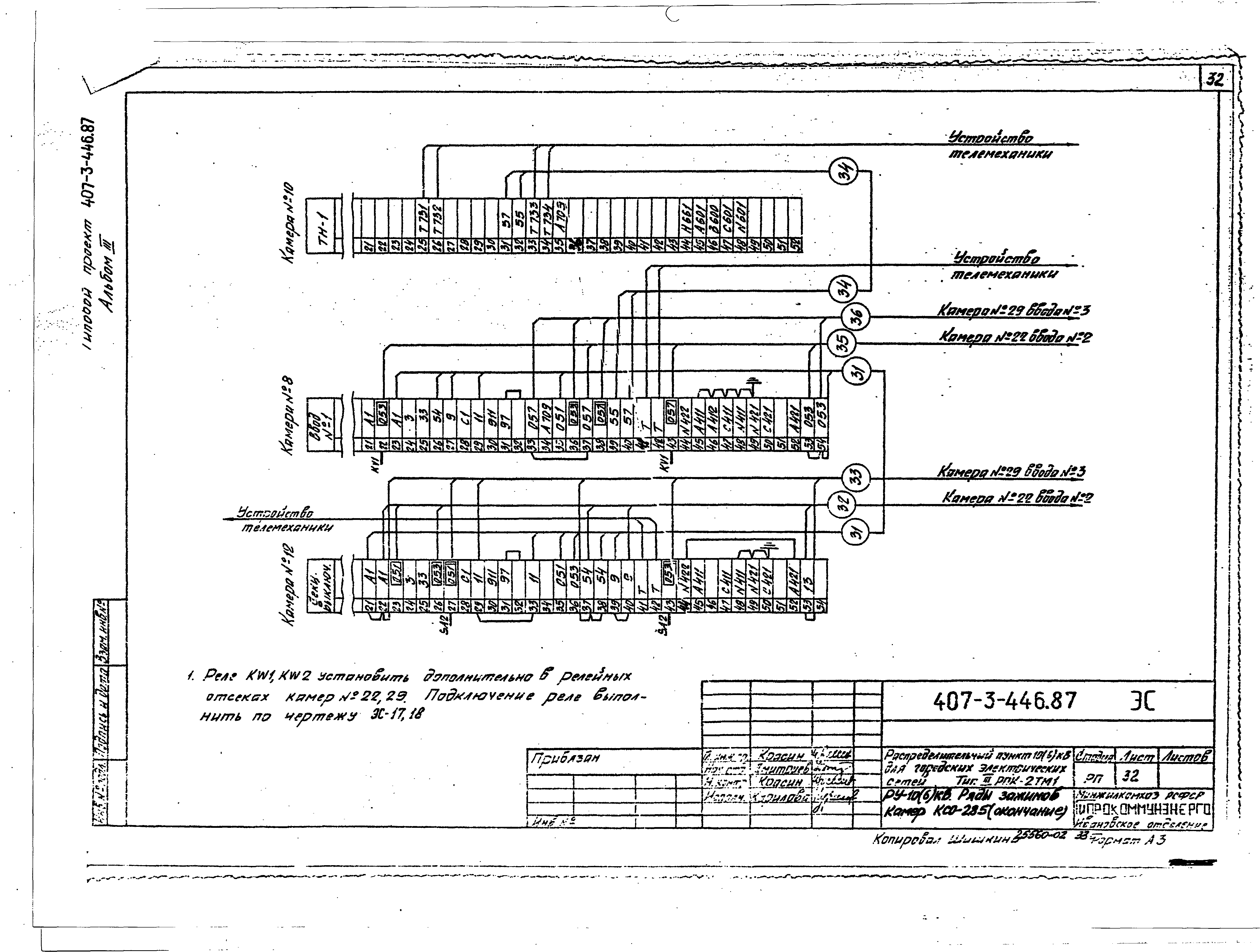
Скачать Типовой проект 407-3-446.87 Альбом III. Электротехническая часть и опросные листы с оборудованием на переменном оперативном токеДата актуализации: 01.01.2021
|
| Обозначение: | Типовой проект 407-3-446.87 |
| Обозначение англ: | 407-3-446.87 |
| Статус: | не определен законодательством |
| Название рус.: | Альбом III. Электротехническая часть и опросные листы с оборудованием на переменном оперативном токе |
| Дата добавления в базу: | 01.09.2013 |
| Дата актуализации: | 01.01.2021 |
| Дата введения: | 19.01.1987 |
| Дата окончания срока действия: | 30.06.2003 |
| Разработан: | Ивановское отделение института Гипрокоммунэнерго МЖКХ РСФСР |
| Утверждён: | 19.01.1987 Минжилкомхоз РСФСР (Russian Federation Minzhilkomkhoz 1-ТД) |









































