Скачать Типовой проект 211-1-290с.84 Альбом 1. Архитектурно-строительные решения. Технология. ХолодоснабжениеДата актуализации: 01.01.2021
|
| Обозначение: | Типовой проект 211-1-290с.84 |
| Обозначение англ: | 211-1-290с.84 |
| Статус: | не действует |
| Название рус.: | Альбом 1. Архитектурно-строительные решения. Технология. Холодоснабжение |
| Дата добавления в базу: | 01.09.2013 |
| Дата актуализации: | 01.01.2021 |
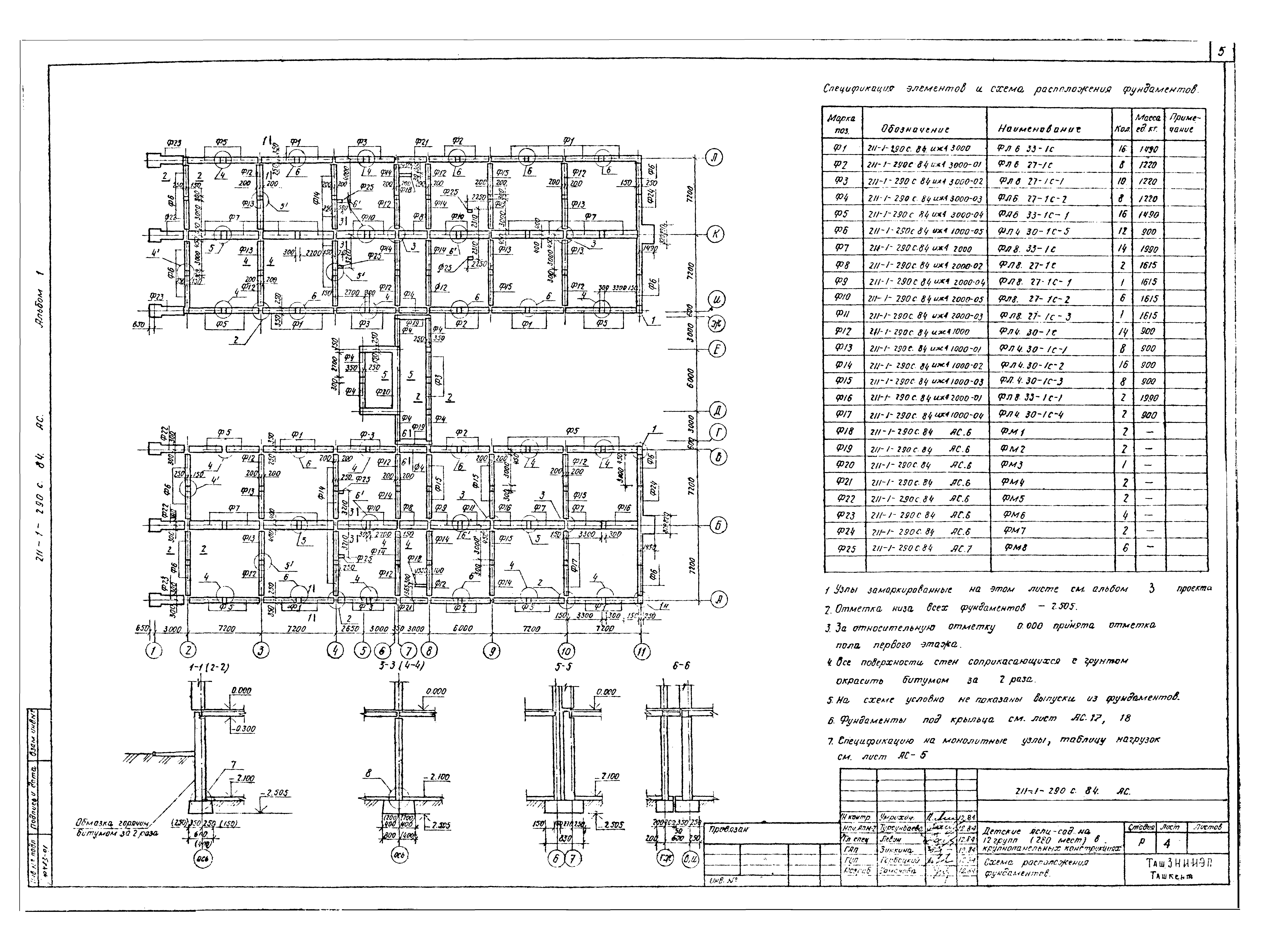
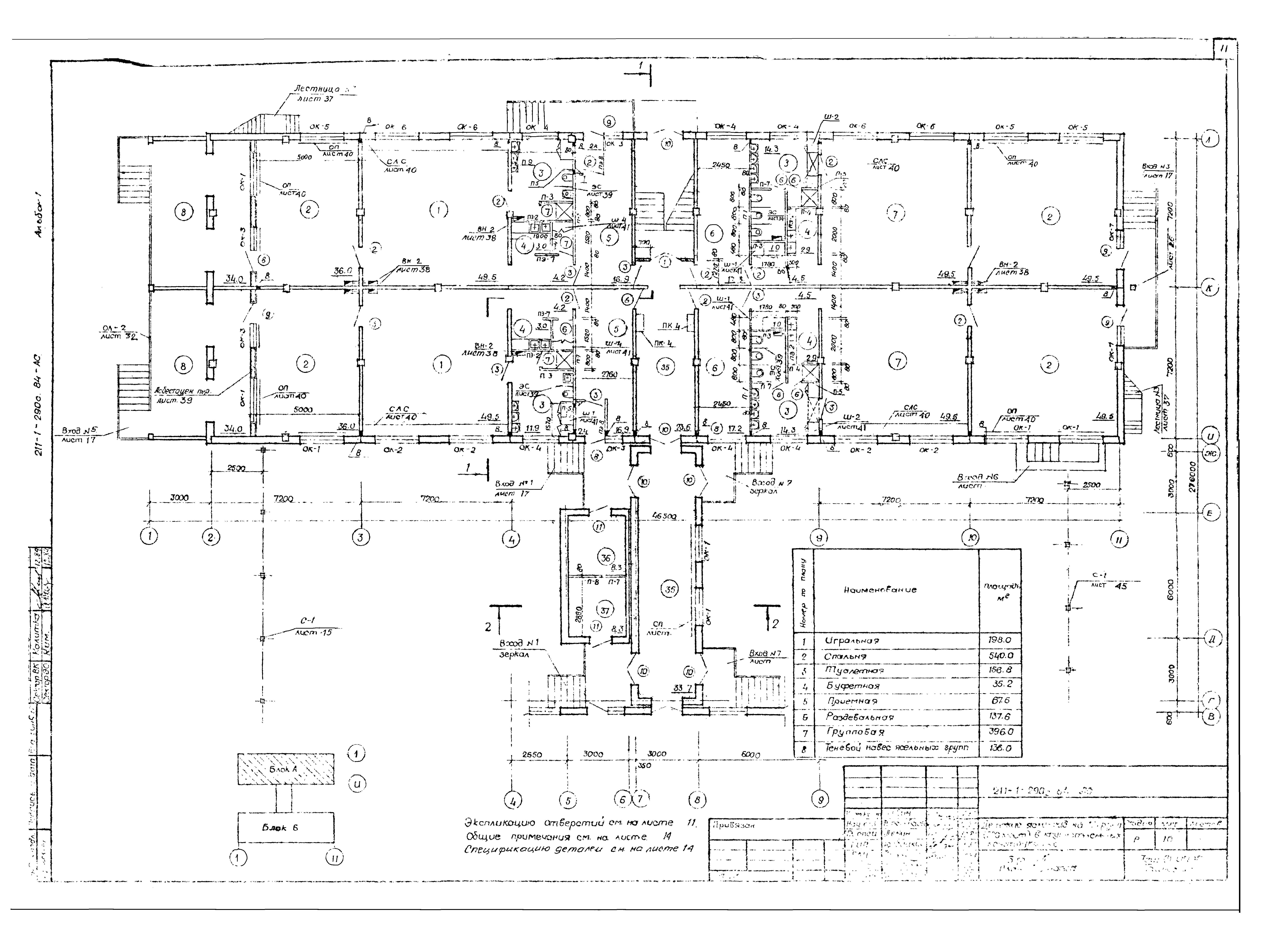
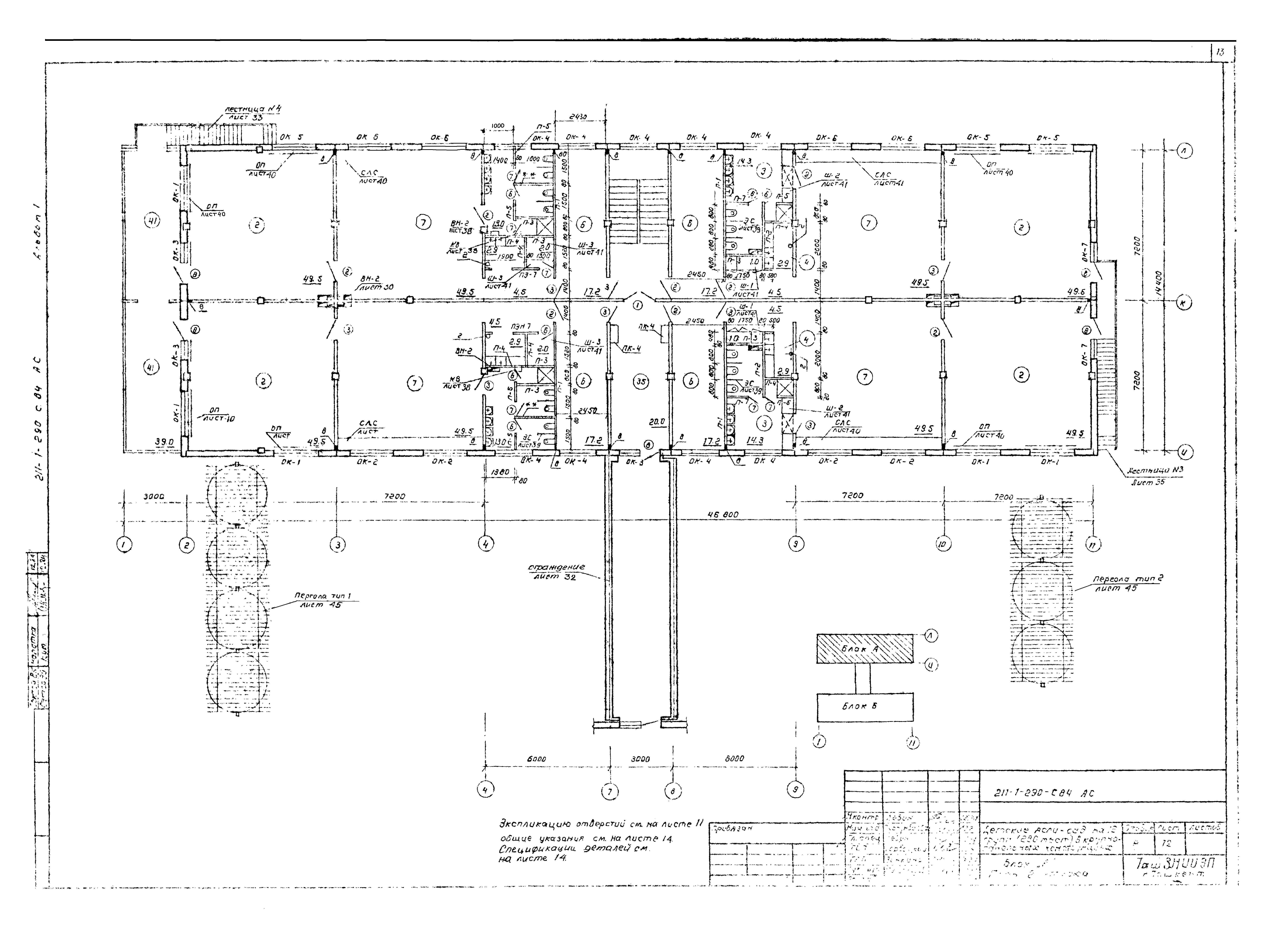
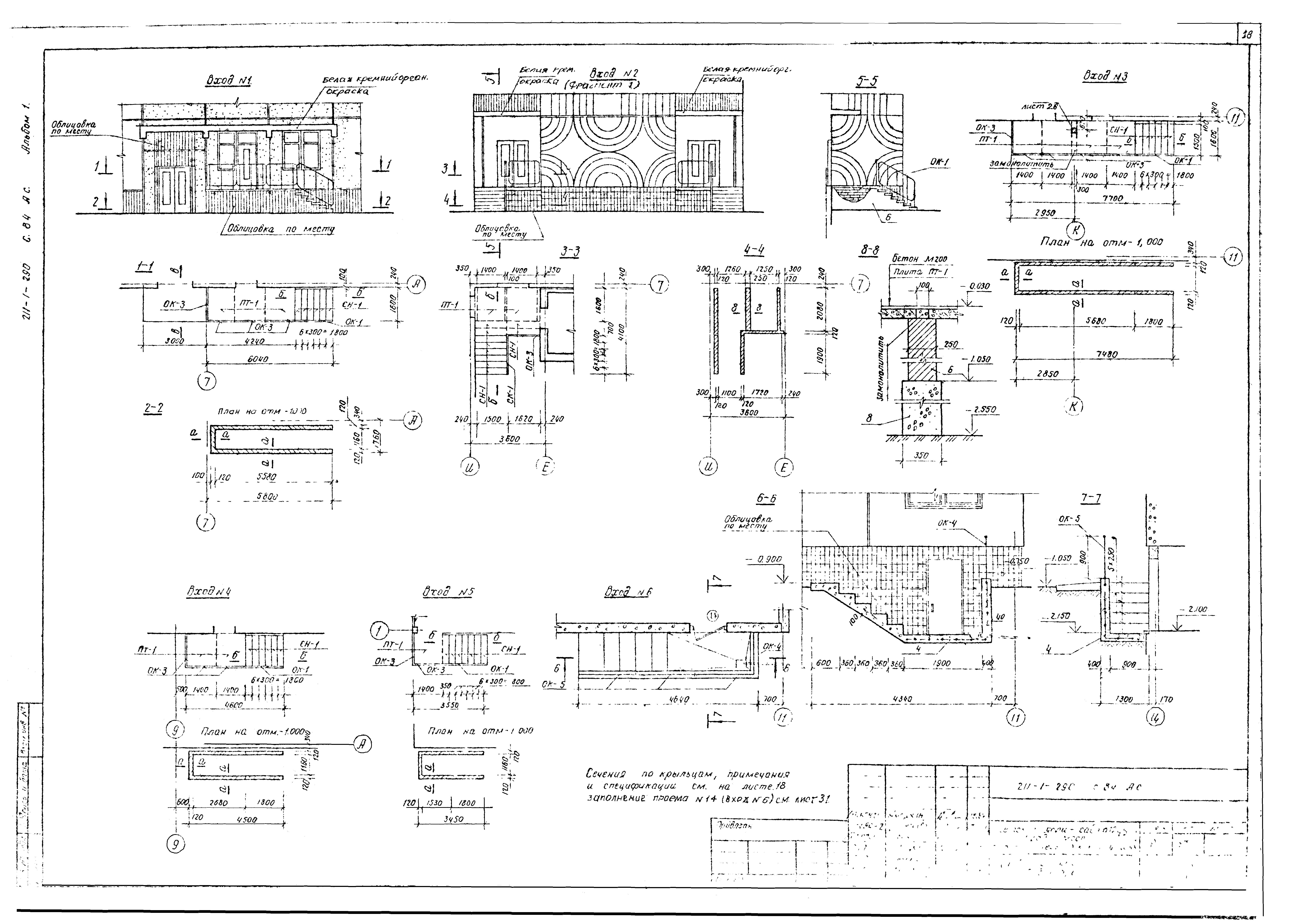
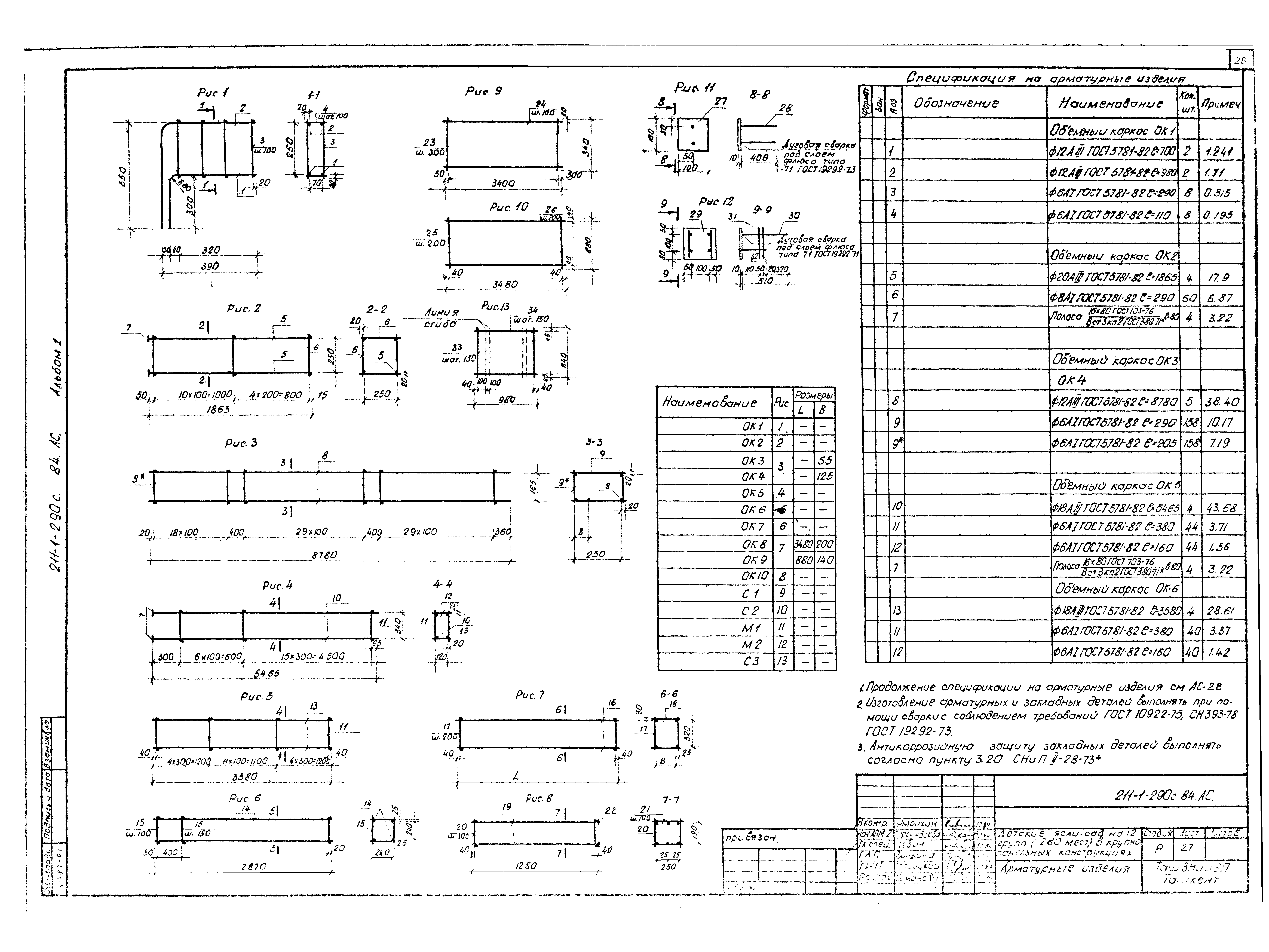
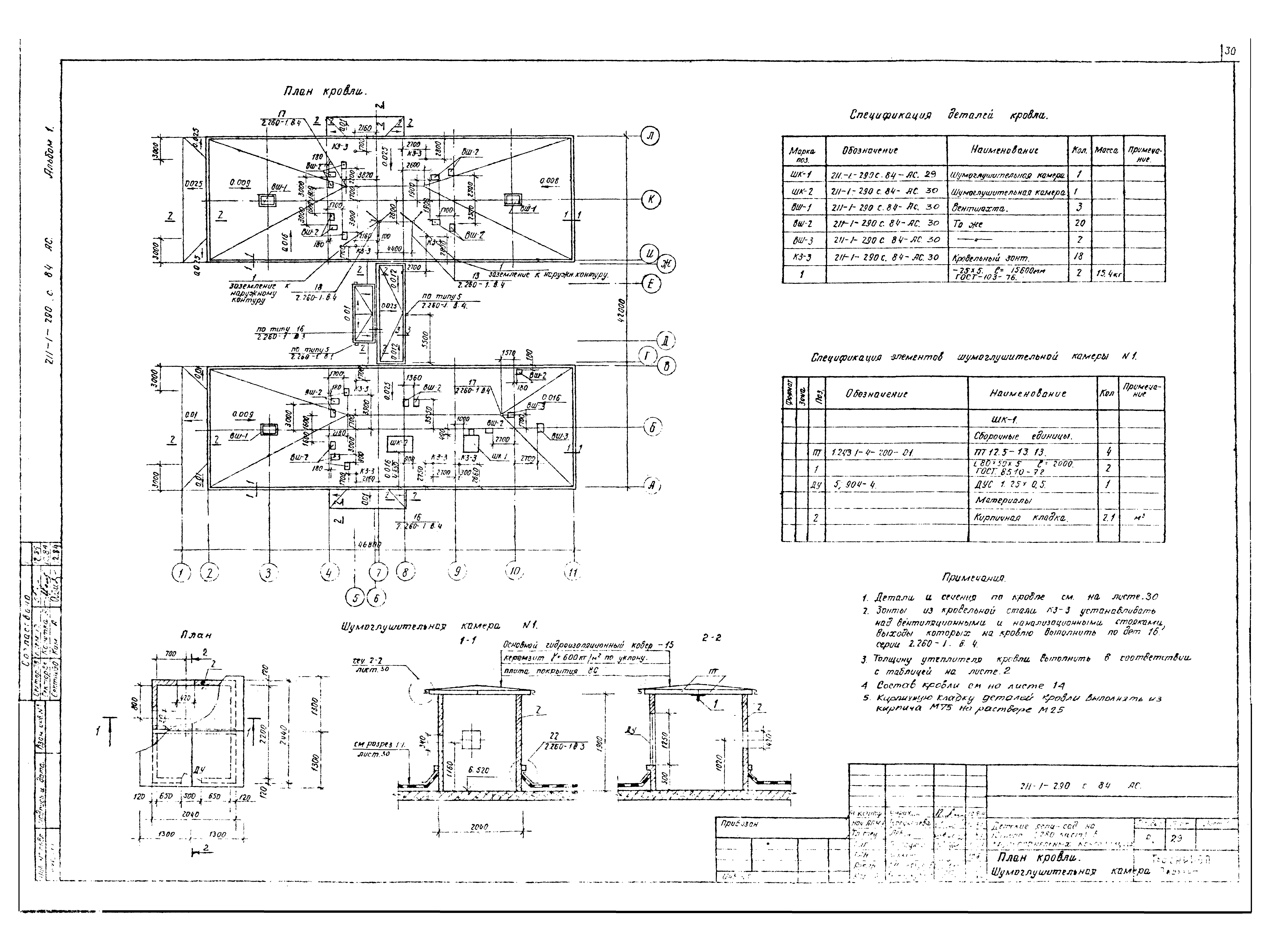
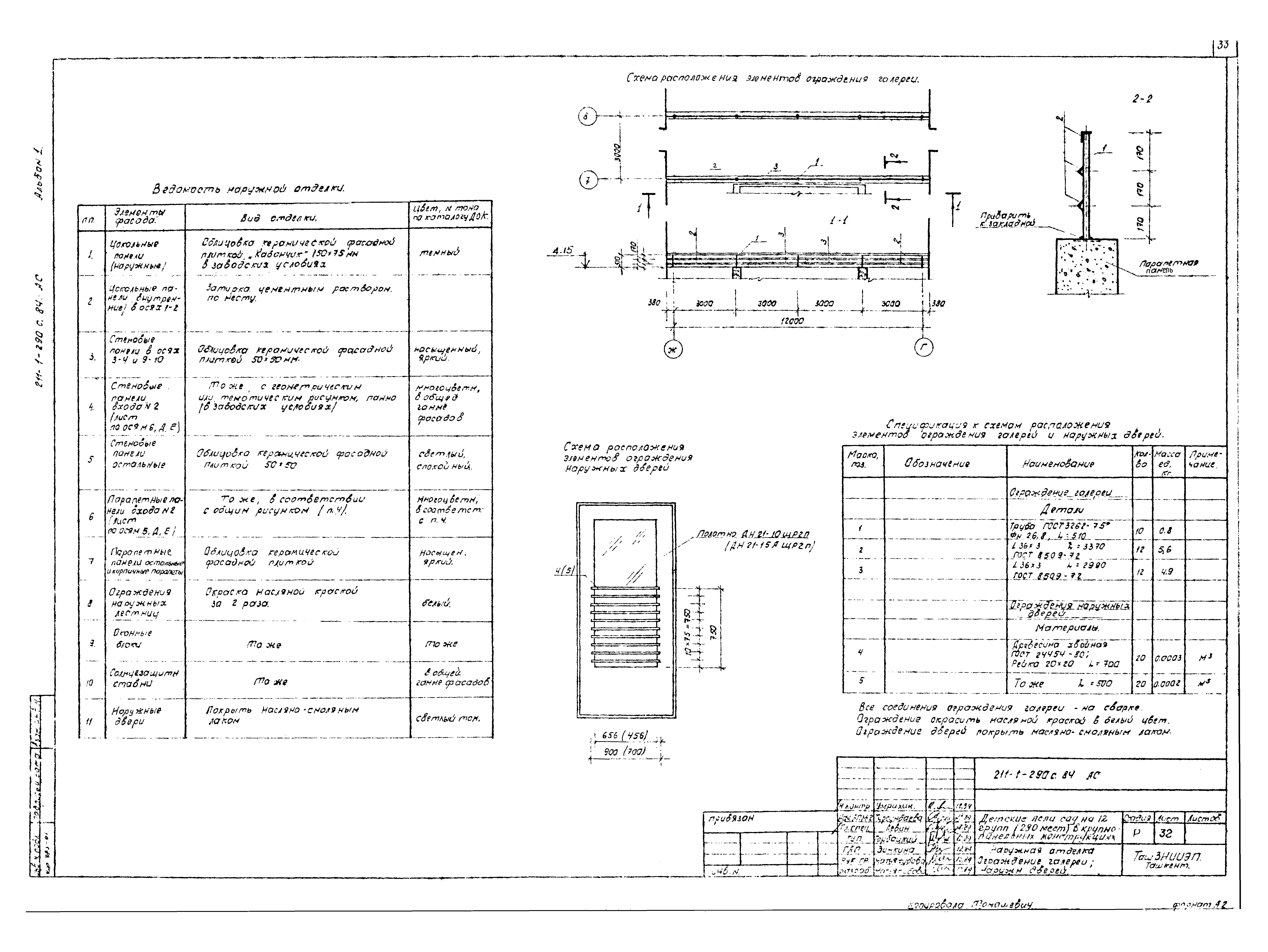
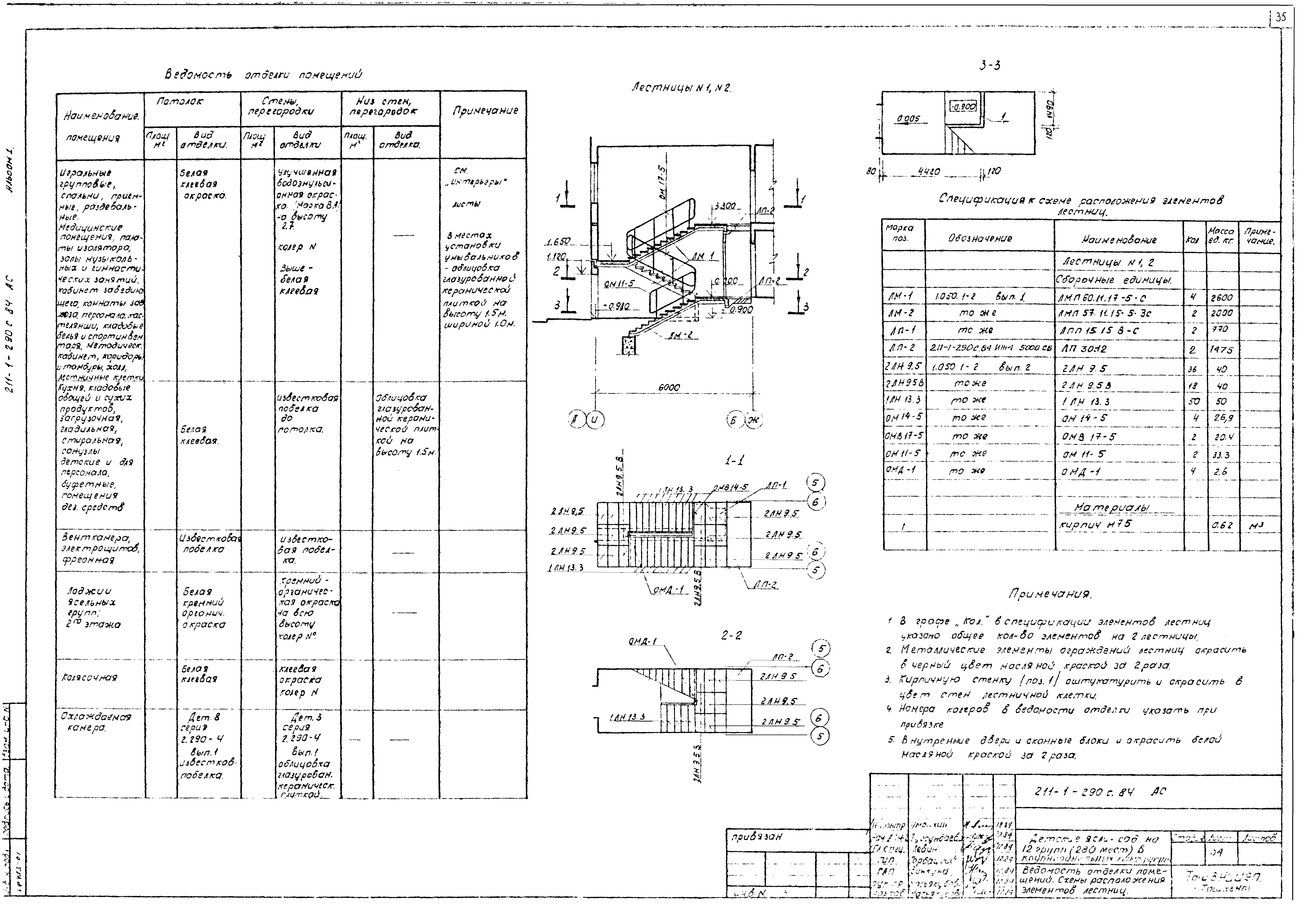
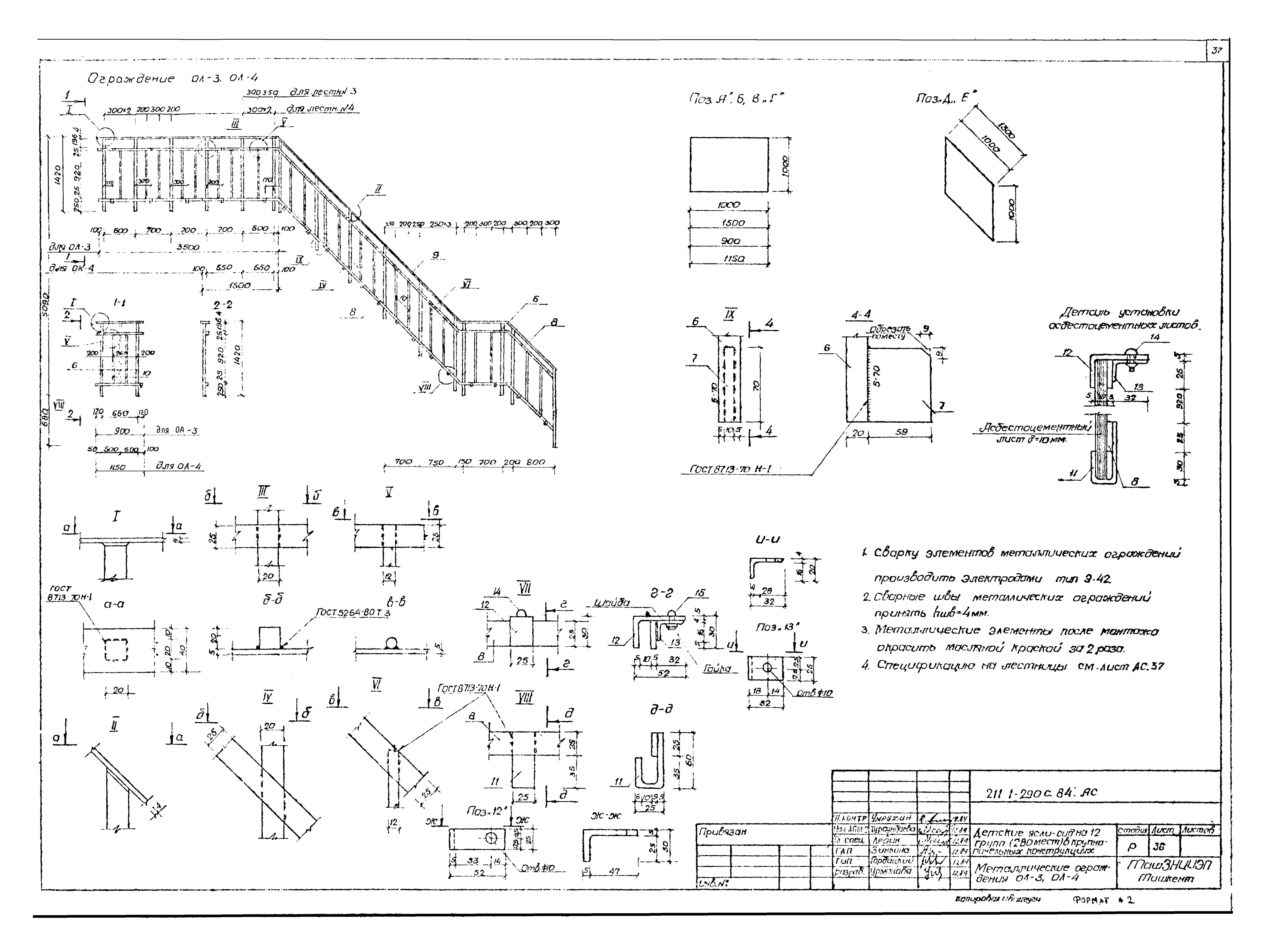
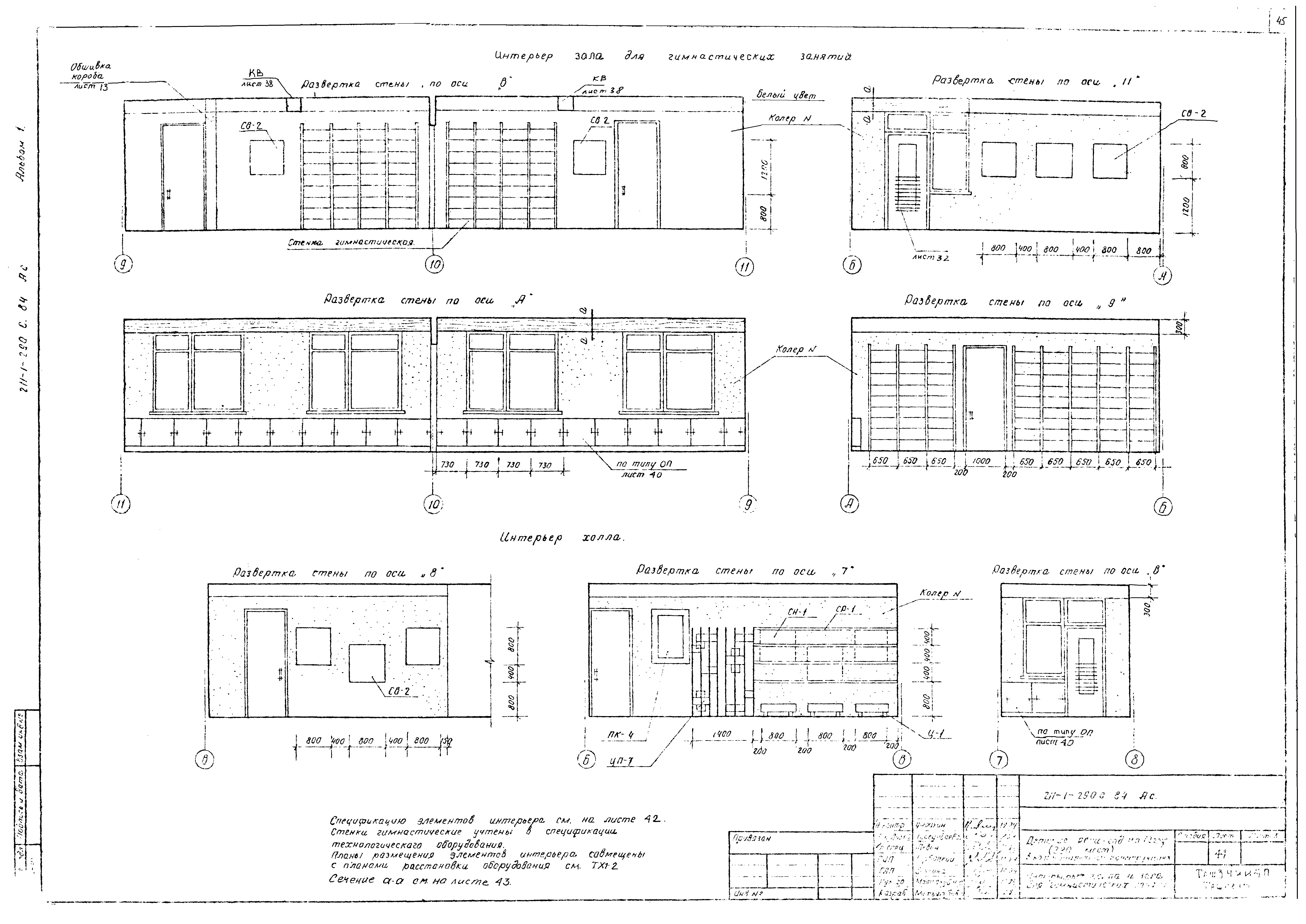
| Оглавление: | Чертежи основного комплекта марки АС Общие данные Схема расположения фундаментов Спецификация Монолитные фундаменты ФМ-1 - ФМ-7 Арматурные изделия. Спецификация стали Схема расположения стеновых панелей технического подполья Схема расположения панелей перекрытий технического подполья Блок А. План 1 этажа Блок Б. План 1 этажа Блок А. План 2 этажа Блок Б. План 2 этажа Разрезы 1-1,2-2. Спецификация элементов планов этажей Фасады Фасады (вариант) Входы и крыльца №№1,2,3,4,5,6 Вход № 7. Ограждение лоджий. Спецификация Схема расположения панелей наружных стен Схема расположения панелей стен 1 и 2 этажей Спецификация панелей стен 1 и 2 этажей Схемы расположения плит перекрытия на отм. 3.300 и 6.600 Спецификация плит перекрытия и покрытия Монолитная рама МР1 Монолитный участок УМ1. Монолитная консоль МК1 Монолитный козырек КМ-1, монолитный участок УМ2 Арматурные изделия Ведомость расхода стали План кровли. Шумоглушительная камера ШК1 Детали и сечения Схемы расположения элементов заполнения элементов оконных и дверных проемов Наружная отделка. Ограждение галереи, наружных дверей Планы и экспликация полов Ведомость отделки помещений. Схема расположения элементов лестниц №1, №2 Лестница №3,№4. Сечения Металлические ограждения ОЛ3,ОЛ4 Лестница №3, №4. Ограждения ОЛ3, ОЛ4. Спецификация Заполнение продухов техподполья. Короб вытяжной. Развертка вентиляционных блоков Экран санузлов. Асбестоцементная перегородка. Подвесной потолок Ленточный стол . Ограждение отопительных приборов Встроенные шкафы Интерьер групповой, игральной, столовой (спецификация элементов интерьера) Интерьер перехода и музыкального зала Интерьер холла и зала для гимнастических занятий Перголы Чертежи основного комплекта марки ТХ Общие данные. Расстановка технологического оборудования. Спецификация оборудования План с расстановкой технологического оборудования Холодоснабжение |
| Разработан: | ТашЗНИИЭП Госгражданстроя |
| Утверждён: | 21.06.1984 Госгражданстрой (Gosgrazhdanstroy 168) |















































