Скачать Серия 3.503.1-81 Выпуск 5-6. Дополнение 1. Балки пролетного строения длиной 33 м цельноперевозимые с натяжением на упоры, изготавливаемые в опалубке балок серии 3.503-12 выпуск 19 доп. Рабочие чертежиДата актуализации: 01.01.2021
|
| Обозначение: | Серия 3.503.1-81 |
| Обозначение англ: | Series 3.503.1-81 |
| Статус: | не определен законодательством |
| Название рус.: | Выпуск 5-6. Дополнение 1. Балки пролетного строения длиной 33 м цельноперевозимые с натяжением на упоры, изготавливаемые в опалубке балок серии 3.503-12 выпуск 19 доп. Рабочие чертежи |
| Дата добавления в базу: | 01.09.2013 |
| Дата актуализации: | 01.01.2021 |
| Дата введения: | 25.03.1988 |
| Дата окончания срока действия: | 30.06.2003 |
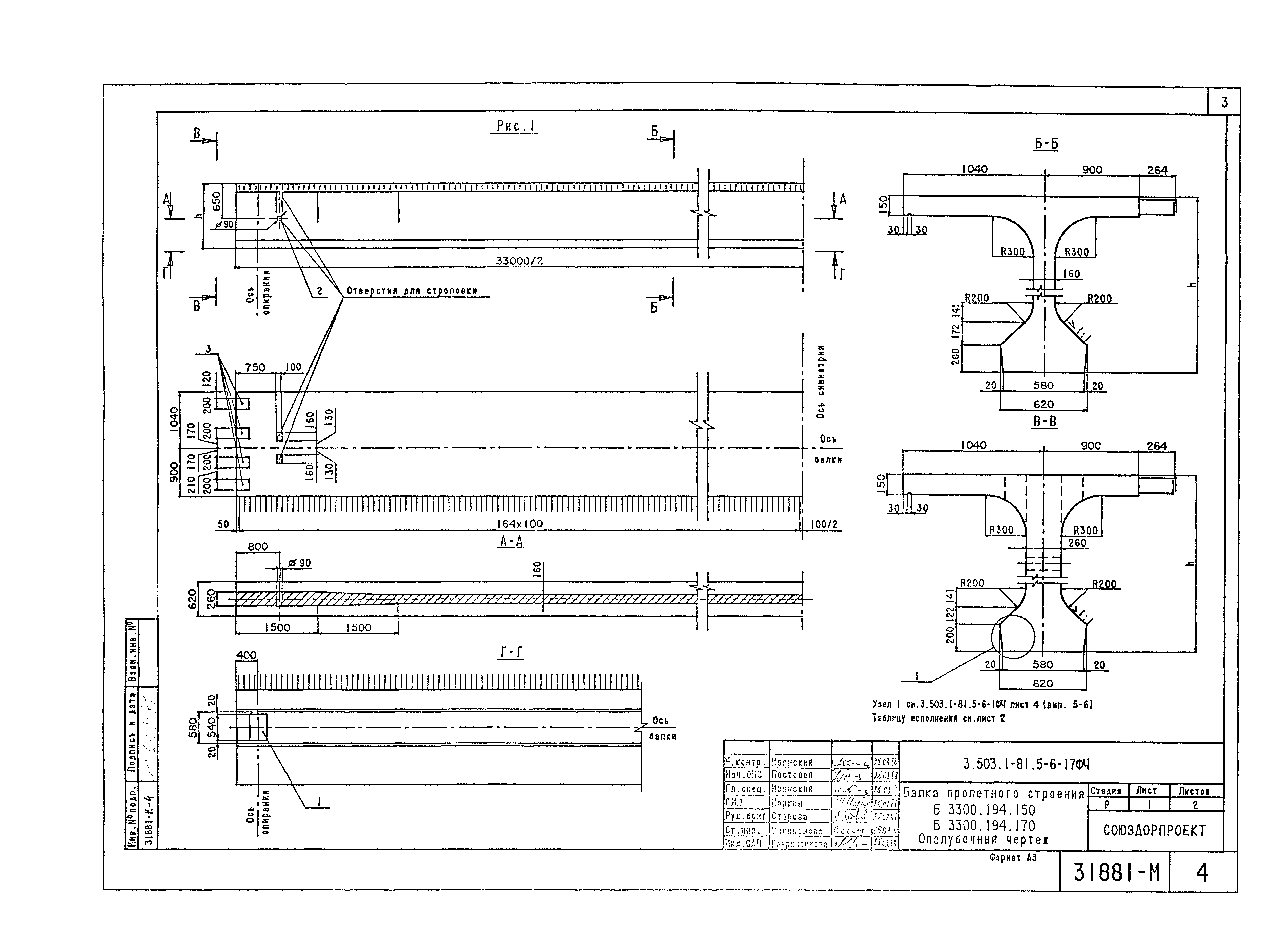
| Область применения: | Настоящие рабочие чертежи разработаны в дополнение к чертежам серии 3.503.1-81 выпуск 5-6 для изготовления балок пролетных строений длиной 33 м высотой 1,5 и 1,7 м в имеющихся на заводах ЖБК опалубках балок отмененной серии 3.503-12 выпуск 19 доп. |
| Оглавление: | 3.503.1-81.5-6-ТТдоп Содержание. Технические требования. 3.503.1-81.5-6-17ФЧ Балка пролетного строения. Б 3300.194.150, Б 3300.194.170. Опалубочный чертеж 3.503.1-81.5-6-17 Балка пролетного строения Б 3300.194.150, Б 3300.194.170 3.503.1-81.5-6-18 Ребро балки Б 3300.180.150, Б 3300.194.150. Ненапрягаемая арматура класса А-lll 3.503.1-81.5-6-19 Ребро балки Б 3300.180.150, Б 3300.194.150. Ненапрягаемая арматура класса А-ll 3.503.1-81.5-6-20 Ребро балки б 3300.180.170, Б 3300.194.170. Ненапрягаемая арматура класса A-lll 3.503.1-81.5-6-21 Ребро балки Б 3300.180.170, Б 3300.194.170. Ненапрягаемая арматура класса А-II 3.503.1-81.5-6-22ФЧ Балка пролетного строения Б 3300.180.150, Б 3300.180.170. Опалубочный чертеж 3.503.1-81.5-6-22 Балка пролетного строения Б 3300.180.150, Б 3300.180.170 3.503.1-81.5-6-23 Сетка ребра CP150-TAII -6, CP150-TAIII-6 3.503.1-81.5-6-24 Сетка ребра CP170-TAII -6, CP170-TAIlI-6 3.503.1-81.5-6-25РС Ведомость расхода стали. Армирование пучками из стали класса B-II и ненапрягаемой арматурой класса А-III 3.503.1-81.5-6-26РС Ведомость расхода стали. Армирование пучками из стали класса B-II и ненапрягаемой арматурой класса А-II |
| Разработан: | Союздорпроект Минтрансстроя |
| Утверждён: | 25.03.1988 Союздорпроект Минтрансстроя (Soyuzdorproject, Mintransstroy ) |













