Скачать Серия 3.503.1-81 Выпуск 7-1. Дополнение 4. Балки пролетного строения длиной 24 м, высотой 1,23 м, армированные восьмью пучками из стали класса В. Рабочие чертежиДата актуализации: 01.01.2021
|
| Обозначение: | Серия 3.503.1-81 |
| Обозначение англ: | Series 3.503.1-81 |
| Статус: | не определен законодательством |
| Название рус.: | Выпуск 7-1. Дополнение 4. Балки пролетного строения длиной 24 м, высотой 1,23 м, армированные восьмью пучками из стали класса В. Рабочие чертежи |
| Дата добавления в базу: | 01.09.2013 |
| Дата актуализации: | 01.01.2021 |
| Дата введения: | 21.03.1997 |
| Дата окончания срока действия: | 30.06.2003 |
| Область применения: | Настоящие рабочие чертежи сборных предварительно напряженных железобетонных балок пролетных строений длиной 24 м высотой 1,23 м, армированных восемью пучками из стали класса В, разработаны в дополнение к серии 3.503.1-81 выпуск 7-1 |
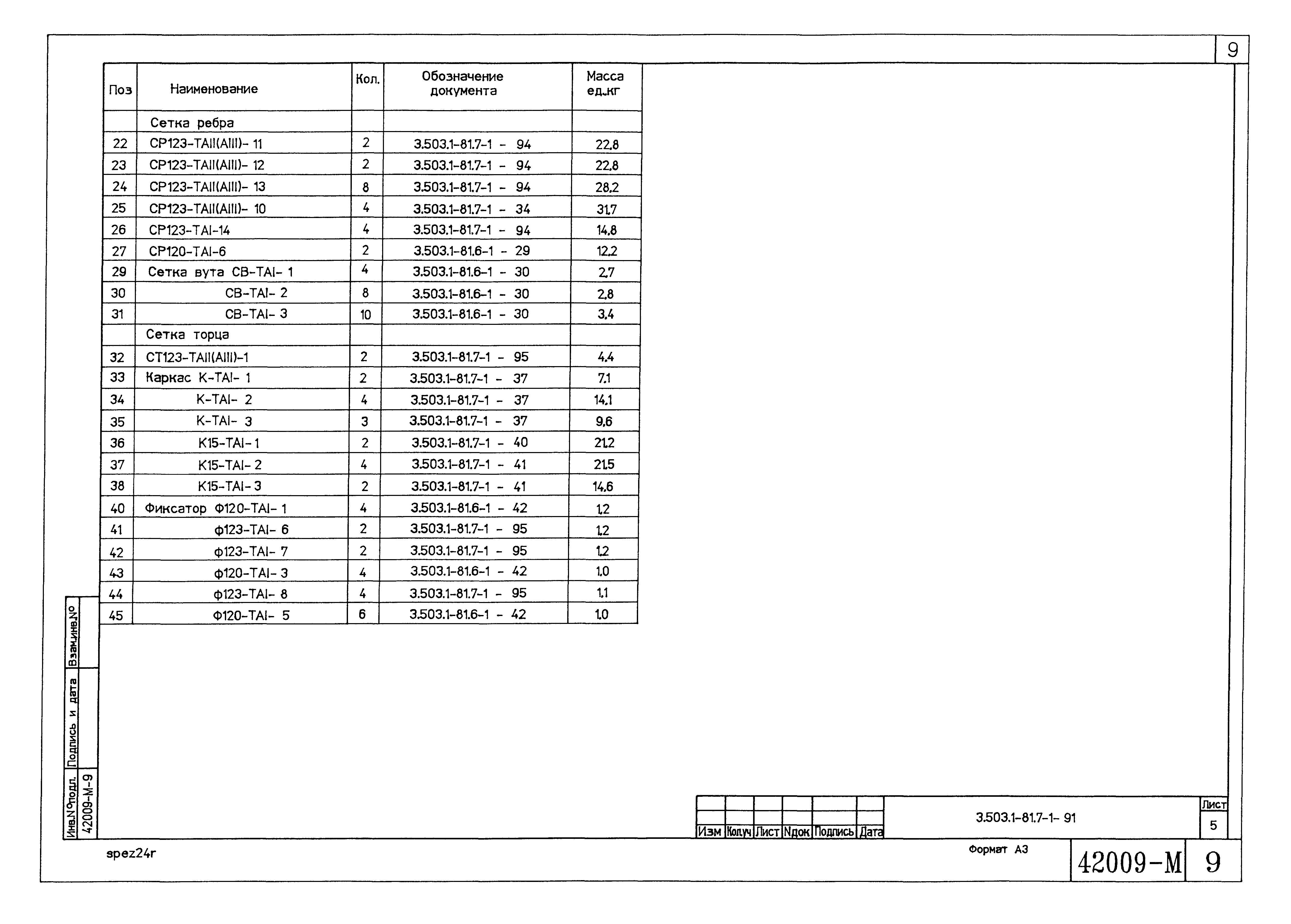
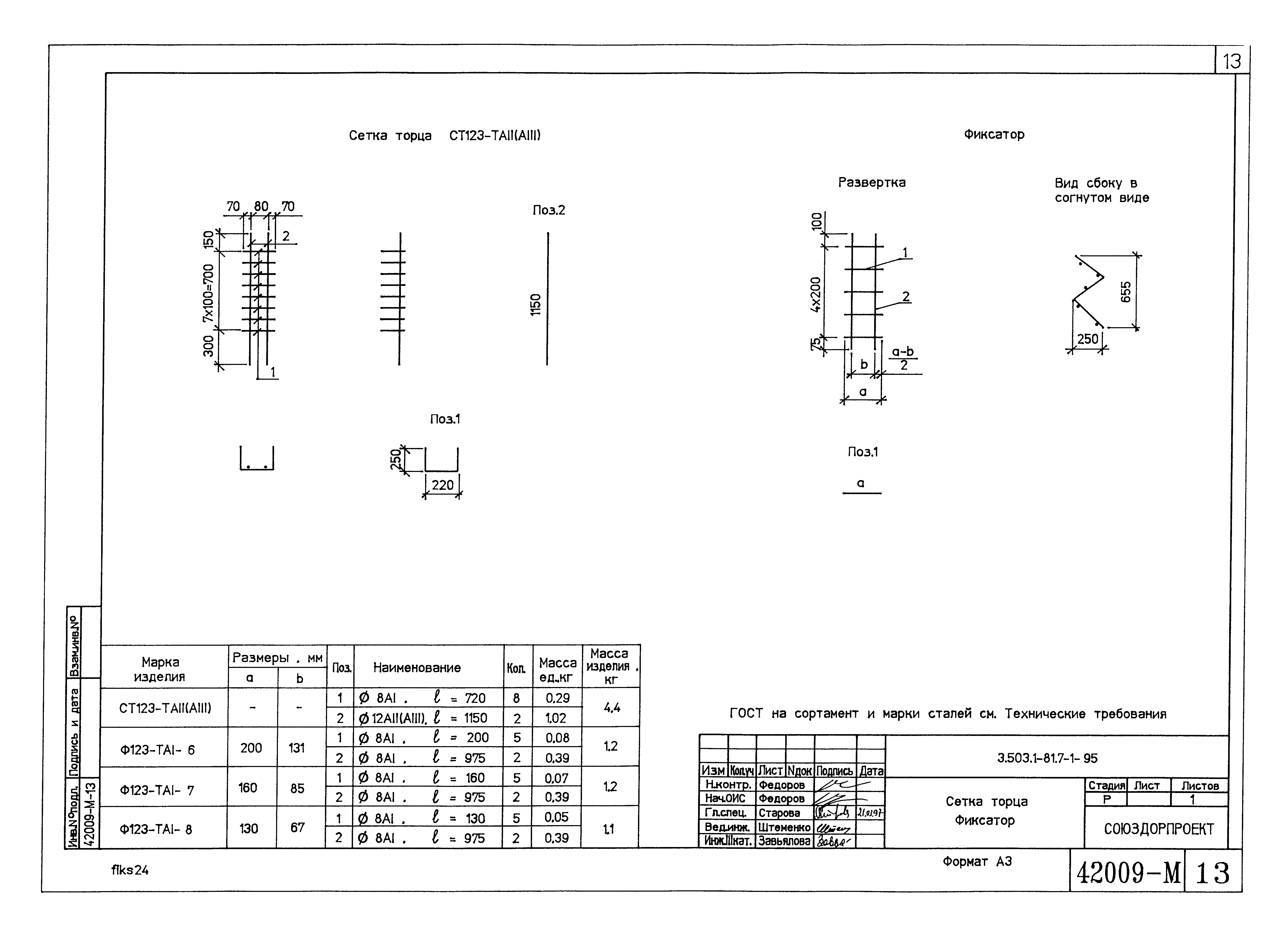
| Оглавление: | 3.503.1-81.7-1-ТТдоп4 Технические требования 3.503.1-81.7-1-91 Балка пролетного строения Б2400.b.123. Схема армирования балок ненапрягаемой арматурой 3.503.1-81.7-1-92 Балка пролетного строения Б2400.b.123. Схема армирования балок напрягаемой арматурой 3.503.1-81.7-1-93 Пучок из стали класса В 3.503.1-81.7-1-94 Сетка ребра 3.503.1-81.7-1-95 Сетка торца. Фиксатор 3.503.1-81.7-1-96РС Ведомость расхода стали на балку. Армирование пучками из стали класса В и ненапрягаемой арматурой класса А-II 3.503.1-81.7-1-97РС Ведомость расхода стали на балку. Армирование пучками из стали класса В и ненапрягаемой арматурой класса А-III 3.503.1-81.7-1-98 Расчетный лист L = 24 м, h = 1,23 м (балка Б2400.140.123-ТВ) 3.503.1-81.7-1-99 Расчетный лист L = 24 м, h = 1,23 м (балка Б2400.174.123-ТВ…-1(Г8)) |
| Разработан: | Союздорпроект Минтрансстроя |
| Утверждён: | 21.03.1997 Союздорпроект Минтрансстроя (Soyuzdorproject, Mintransstroy ) |
















