Скачать Серия 3.503.1-81 Выпуск 7-1. Дополнение 5. Балки пролетного строения длиной 24 м, высотой 1,23 м, армированные пучками из 4 стальных канатов К7 по ГОСТ 13840-68*. Рабочие чертежиДата актуализации: 01.01.2021
|
| Обозначение: | Серия 3.503.1-81 |
| Обозначение англ: | Series 3.503.1-81 |
| Статус: | не определен законодательством |
| Название рус.: | Выпуск 7-1. Дополнение 5. Балки пролетного строения длиной 24 м, высотой 1,23 м, армированные пучками из 4 стальных канатов К7 по ГОСТ 13840-68*. Рабочие чертежи |
| Дата добавления в базу: | 01.09.2013 |
| Дата актуализации: | 01.01.2021 |
| Дата введения: | 02.06.1997 |
| Дата окончания срока действия: | 30.06.2003 |
| Область применения: | Настоящие рабочие чертежи сборных предварительно напряженных железобетонных балок пролетных строений длиной 24 м высотой 1,23 м армированных пучками из канатов К-7, разработаны в дополнение к серии 3.503.1-81 выпуск 7-1 |
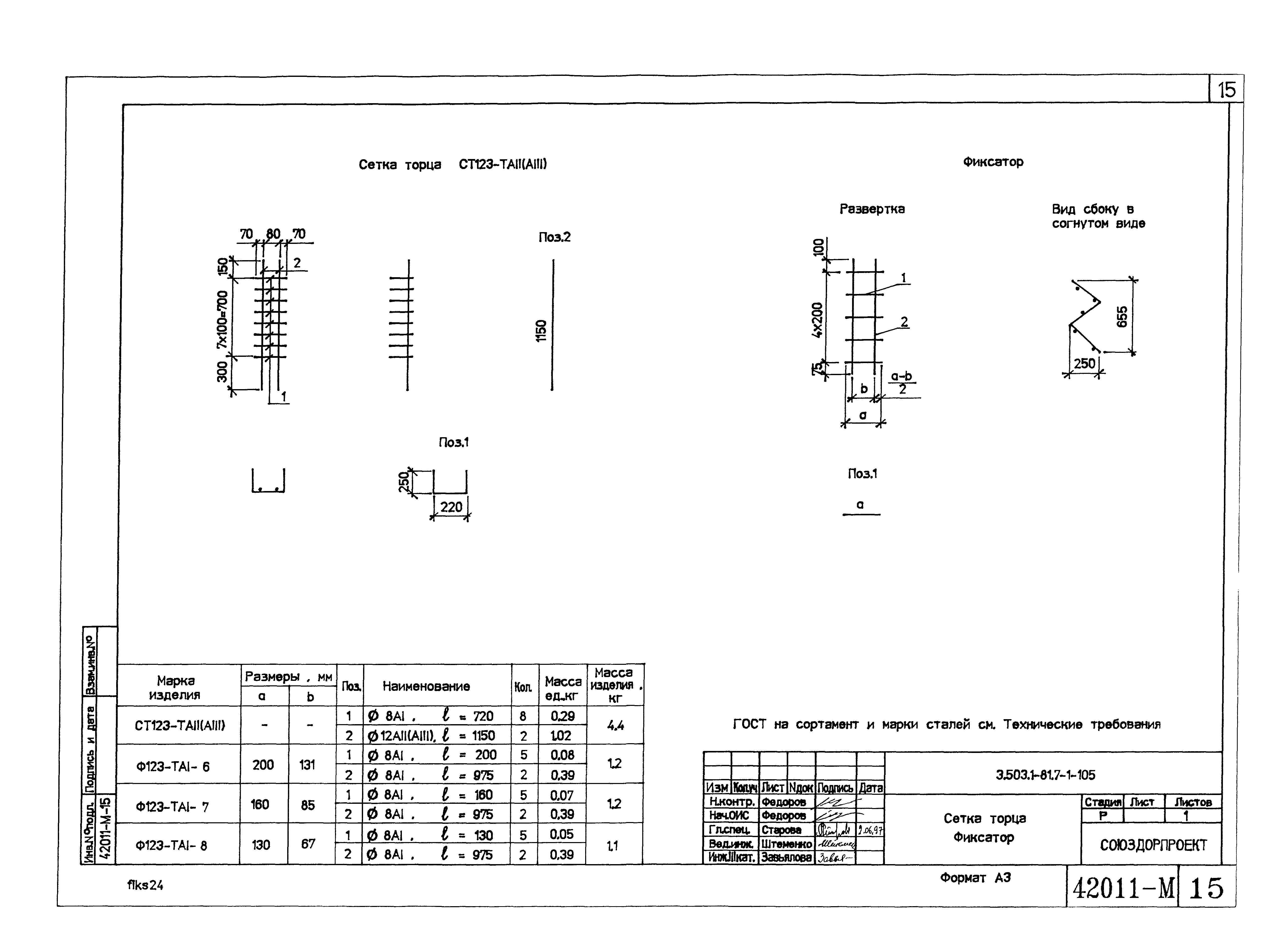
| Оглавление: | 3.503.1-81.7-1-ТТдоп5 Технические требования 3.503.1-81.7-1-100 Балка пролетного строения Б2400.b.123. Схема армирования балок ненапрягаемой арматурой 3.503.1-81.7-1-101 Балка пролетного строения Б2400.b.123. Схема армирования балок напрягаемой арматурой 3.503.1-81.7-1-102 Пучок из канатов К7 3.503.1-81.7-1-103 Спираль 3.503.1-81.7-1-104 Сетка ребра 3.503.1-81.7-1-105 Сетка торца. Фиксатор 3.503.1-81.7-1-106РС Ведомость расхода стали на балку. Армирование пучками из канатов К-7 и ненапрягаемой арматурой класса А-II 3.503.1-81.7-1-107РС Ведомость расхода стали на балку. Армирование пучками из канатов К-7 и ненапрягаемой арматурой класса А-III 3.503.1-81.7-1-108 Расчетный лист L = 24 м, h = 1,23 м (балка Б2400.140.123-ТВ) 3.503.1-81.7-1-109 Расчетный лист L = 24 м, h = 1,23 м (балка Б2400.174.123-ТВ…-1(Г8)) |
| Разработан: | Союздорпроект Минтрансстроя |
| Утверждён: | 02.06.1997 Союздорпроект Минтрансстроя (Soyuzdorproject, Mintransstroy ) |


















