Скачать Серия ИИ-03-02 Альбом 55. Предварительно напряженные панели перекрытий длиной 586 см с круглыми пустотами, армированные стержневой термически упрочненной сталью классов Ат-V и Ат-VIДата актуализации: 01.01.2021
|
| Обозначение: | Серия ИИ-03-02 |
| Обозначение англ: | Series ИИ-03-02 |
| Статус: | не действует |
| Название рус.: | Альбом 55. Предварительно напряженные панели перекрытий длиной 586 см с круглыми пустотами, армированные стержневой термически упрочненной сталью классов Ат-V и Ат-VI |
| Дата добавления в базу: | 01.09.2013 |
| Дата актуализации: | 01.01.2021 |
| Дата введения: | 01.01.1967 |
| Дата окончания срока действия: | 01.06.1987 |
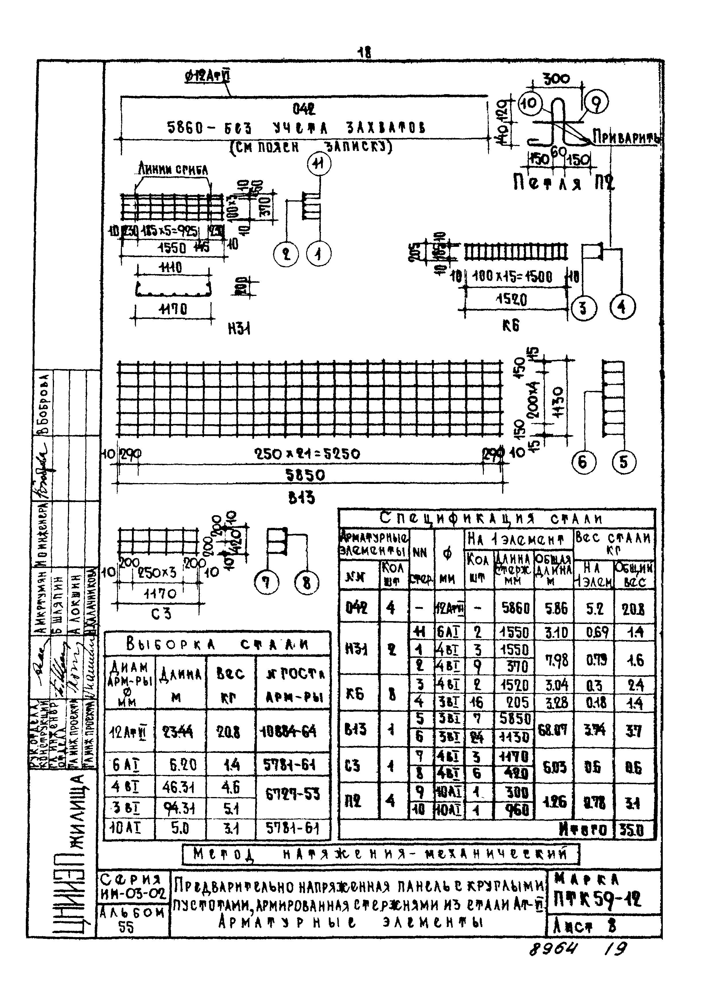
| Оглавление: | Содержание Пояснительная записка Рабочие чертежи Предельно напряженные панели перекрытий длиной 586 см с круглыми пустотами-нормативные нагрузки 650 и 950 кг/кв. м 5860х1590х220 Ат-V механический и электротермич. ПК59-16 5860х1590х220 Ат-VI механический ПФК59-16 5860х1190х220 Ат-V механический и электротермич. ПК59-12 5860х1190х220 Ат-VI механический ПФК59-12 5860х990х220 Ат-V механический и электротермич. ПК59-10 5860х990х220 Ат-VI механический ПФК59-10 Предельно напряженные панели перекрытий длиной 586 см с круглыми пустотами-нормативная нагрузка 1150 кг/кв. м 5860х1190х220 Ат-VI механический ПКУ59-12 5860х990х220 Ат-VI механический ПКУ59-10 Детали сечений Профиль продольных граней панели и деталь заделки отверстий в торце панели Детали расположения арматуры в крайних и средних ребрах Примеры применения сварных сеток по сортаменту ГОСТ 8478-57 |
| Разработан: | НИИЖБ Госстроя СССР ЦНИИЭП жилища |
| Утверждён: | 21.11.1966 Государственный комитет по гражданскому строительству и архитектуре при Госстрое СССР (182) |

































