Скачать Серия 1.400-16 Рекомендации по применению типовых несущих и ограждающих конструкций в условиях воздействия агрессивных сред на промышленных предприятиях (железобетонные и стальные конструкции)Дата актуализации: 01.01.2021
|
| Обозначение: | Серия 1.400-16 |
| Обозначение англ: | Series 1.400-16 |
| Статус: | заменен |
| Название рус.: | Рекомендации по применению типовых несущих и ограждающих конструкций в условиях воздействия агрессивных сред на промышленных предприятиях (железобетонные и стальные конструкции) |
| Дата добавления в базу: | 01.09.2013 |
| Дата актуализации: | 01.01.2021 |
| Дата введения: | 01.07.1985 |
| Дата окончания срока действия: | 01.12.1987 |
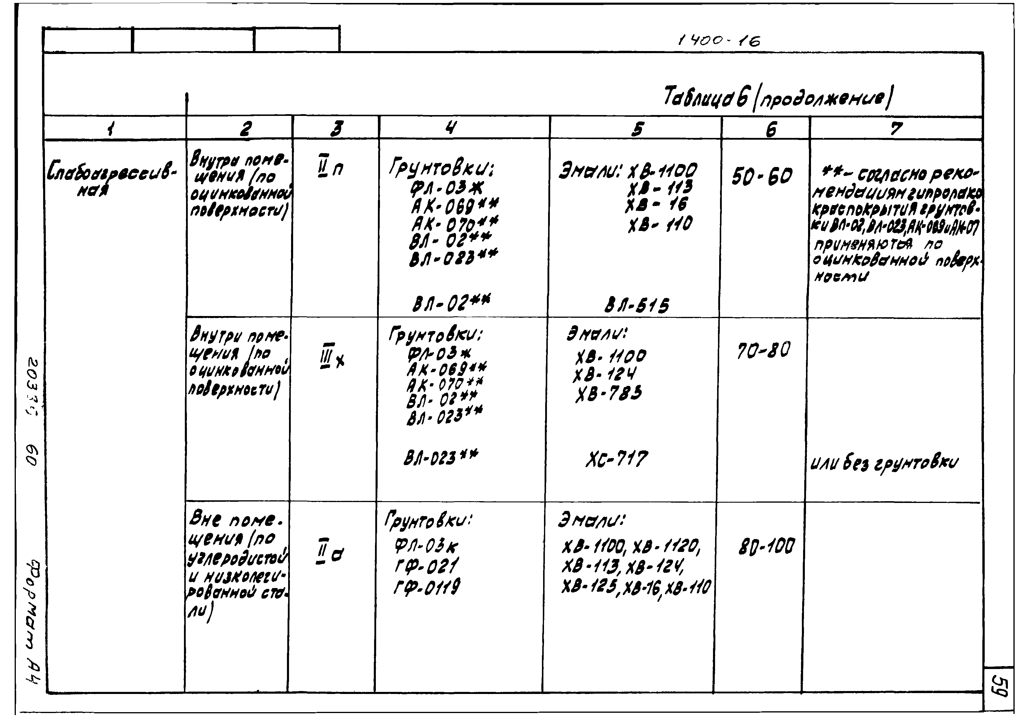
| Оглавление: | Пояснительная записка Таблица 1. Перечень проектной документации и ГОСТов типовых несущих и ограждающих железобетонных конструкций для применения в агрессивных средах Таблица 2. Выбор антикоррозионной защиты железобетонных конструкций Таблица 3. Рекомендуемые системы защитных лакокрасочных покрытий для железобетонных конструкций Таблица 4. Перечень проектной документации типовых несущих и ограждающих стальных конструкций для применения в агрессивных средах Таблица 5. Выбор антикоррозионной защиты стальных конструкций Таблица 6. Рекомендуемые системы защитных лакокрасочных покрытий для стальных конструкций Таблица 7. Выбор антикоррозионной защиты стальных закладных и соединительных изделий Приложение 1. Группа агрессивных газов в зависимости от их вида и концентрации Приложение 2. Степень агрессивного воздействия газовых сред на конструкции Приложение 3. Показатели плотности бетона Приложение 4. Перечень стандартов (ГОСТ,ТУ,ОСТ), усредненный расход и прейскурантная цена некоторых лакокрасочных материалов Приложение 5. Перечень основных нормативных документов |
| Разработан: | ПИ Проектхимзащита ГПИ Госхимпроект |
| Утверждён: | 14.12.1984 Минмонтажспецстрой СССР (USSR Minmontazhspetsstroy ) Государственный производственный комитет по монтажным и специальным работам СССР |
| Принят: | 02.10.1984 Госстрой СССР (Государственный комитет Совета Министров СССР по делам строительства) (USSR Gosstroy 2/3-340) |
| Издан: | ЦИТП Госстроя СССР (CITP, Gosstroy (USSR) 1985 г. ) |
| Чем заменён: |








































































